- Автозапчасти ВАЗ
- Автозапчасти ГАЗ
- Автозапчасти на иномарки
- Автохимия, масла
- Подбор масла
- Инструменты, аксессуары
- Метизы
- Прочее, Москвич
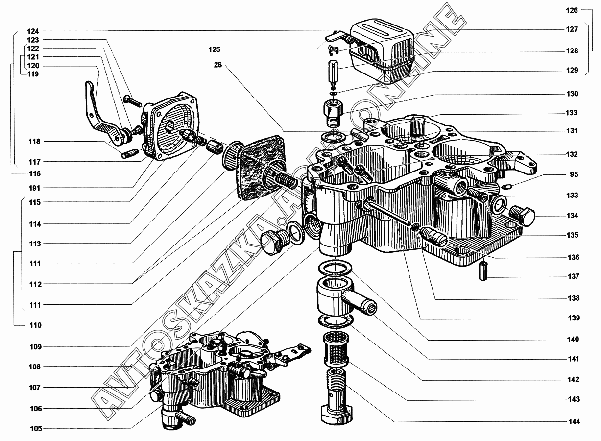
Карбюратор К151Т ГАЗ 4215 (4215, 4215-10, 4215-11, 4215-30, 4215-31, 4215-35)
+
Увеличить изображение на 10%
-
Уменьшить изображение на 10%
Выделение детали в таблице
Прокрутка картинки
Увеличить масштаб
26
95
105
106
107
108
109
110
111
111
112
113
114
115
116
117
118
119
120
121
122
123
124
125
126
127
128
129
130
131
132
133
133
134
135
136
137
138
139
140
141
142
143
144
191
Подробная информация
| Автомобиль: | УМЗ 4215 |
| Модификации: | 4215, 4215-10, 4215-11, 4215-30, 4215-31, 4215-35 |
| Название детали: | Трубка |
| Номер детали: | К131-1107111 |
| Актуальность: | 01.02.2002 |
| Количество: | |
3
3
3
3
3
3
3 - для двигателя УМЗ-4215
Подробная информация
| Автомобиль: | УМЗ 4215 |
| Модификации: | 4215, 4215-10, 4215-11, 4215-30, 4215-31, 4215-35 |
| Название детали: | Заглушка |
| Номер детали: | 451611 |
| Актуальность: | 01.02.2002 |
| Количество: | |
4
4
4
4
4
4
4 - для двигателя УМЗ-4215
Подробная информация
| Автомобиль: | УМЗ 4215 |
| Модификации: | 4215, 4215-10, 4215-11, 4215-30, 4215-31, 4215-35 |
| Название детали: | Корпус поплавковой камеры в сборе |
| Номер детали: | К151Т-1107200 |
| Актуальность: | 01.02.2002 |
| Количество: | |
1
1
1
1
1
1
1 - для двигателя УМЗ-4215
Подробная информация
| Автомобиль: | УМЗ 4215 |
| Модификации: | 4215, 4215-10, 4215-11, 4215-30, 4215-31, 4215-35 |
| Название детали: | Корпус поплавковой камеры |
| Номер детали: | К151Т-1107201 |
| Актуальность: | 01.02.2002 |
| Количество: | |
1
1
1
1
1
1
1 - для двигателя УМЗ-4215
Подробная информация
| Автомобиль: | УМЗ 4215 |
| Модификации: | 4215, 4215-10, 4215-11, 4215-30, 4215-31, 4215-35 |
| Название детали: | Прокладка |
| Номер детали: | 451305 |
| Актуальность: | 01.02.2002 |
| Количество: | |
2
2
2
2
2
2
2 - для двигателя УМЗ-4215
Подробная информация
| Автомобиль: | УМЗ 4215 |
| Модификации: | 4215, 4215-10, 4215-11, 4215-30, 4215-31, 4215-35 |
| Название детали: | Пробка |
| Номер детали: | К127-1107206-11 |
| Актуальность: | 01.02.2002 |
| Количество: | |
1
1
1
1
1
1
1 - для двигателя УМЗ-4215
Подробная информация
| Автомобиль: | УМЗ 4215 |
| Модификации: | 4215, 4215-10, 4215-11, 4215-30, 4215-31, 4215-35 |
| Название детали: | Пружина |
| Номер детали: | К156-1107608 |
| Актуальность: | 01.02.2002 |
| Количество: | |
1
1
1
1
1
1
1 - для двигателя УМЗ-4215
Подробная информация
| Автомобиль: | УМЗ 4215 |
| Модификации: | 4215, 4215-10, 4215-11, 4215-30, 4215-31, 4215-35 |
| Название детали: | Диафрагма |
| Номер детали: | К150-1107290 |
| Актуальность: | 01.02.2002 |
| Количество: | |
1
1
1
1
1
1
1 - для двигателя УМЗ-4215
Подробная информация
| Автомобиль: | УМЗ 4215 |
| Модификации: | 4215, 4215-10, 4215-11, 4215-30, 4215-31, 4215-35 |
| Название детали: | Тарелка |
| Номер детали: | К150-1107294 |
| Актуальность: | 01.02.2002 |
| Количество: | |
2
2
2
2
2
2
2 - для двигателя УМЗ-4215
Подробная информация
| Автомобиль: | УМЗ 4215 |
| Модификации: | 4215, 4215-10, 4215-11, 4215-30, 4215-31, 4215-35 |
| Название детали: | Диафрагма |
| Номер детали: | К150-1107293 |
| Актуальность: | 01.02.2002 |
| Количество: | |
2
2
2
2
2
2
2 - для двигателя УМЗ-4215
Подробная информация
| Автомобиль: | УМЗ 4215 |
| Модификации: | 4215, 4215-10, 4215-11, 4215-30, 4215-31, 4215-35 |
| Название детали: | Чашка |
| Номер детали: | К150-1107292 |
| Актуальность: | 01.02.2002 |
| Количество: | |
1
1
1
1
1
1
1 - для двигателя УМЗ-4215
Подробная информация
| Автомобиль: | УМЗ 4215 |
| Модификации: | 4215, 4215-10, 4215-11, 4215-30, 4215-31, 4215-35 |
| Название детали: | Пружина |
| Номер детали: | К156-1107608 |
| Актуальность: | 01.02.2002 |
| Количество: | |
1
1
1
1
1
1
1 - для двигателя УМЗ-4215
Подробная информация
| Автомобиль: | УМЗ 4215 |
| Модификации: | 4215, 4215-10, 4215-11, 4215-30, 4215-31, 4215-35 |
| Название детали: | Колпачок |
| Номер детали: | К150-1107291 |
| Актуальность: | 01.02.2002 |
| Количество: | |
1
1
1
1
1
1
1 - для двигателя УМЗ-4215
Подробная информация
| Автомобиль: | УМЗ 4215 |
| Модификации: | 4215, 4215-10, 4215-11, 4215-30, 4215-31, 4215-35 |
| Название детали: | Крышка в сборе |
| Номер детали: | К151-1107260-12 |
| Актуальность: | 01.02.2002 |
| Количество: | |
1
1
1
1
1
1
1 - для двигателя УМЗ-4215
Подробная информация
| Автомобиль: | УМЗ 4215 |
| Модификации: | 4215, 4215-10, 4215-11, 4215-30, 4215-31, 4215-35 |
| Название детали: | Крышка |
| Номер детали: | К150-1107276 |
| Актуальность: | 01.02.2002 |
| Количество: | |
1
1
1
1
1
1
1 - для двигателя УМЗ-4215
Подробная информация
| Автомобиль: | УМЗ 4215 |
| Модификации: | 4215, 4215-10, 4215-11, 4215-30, 4215-31, 4215-35 |
| Название детали: | Ось |
| Номер детали: | К150-1107277 |
| Актуальность: | 01.02.2002 |
| Количество: | |
1
1
1
1
1
1
1 - для двигателя УМЗ-4215
Подробная информация
| Автомобиль: | УМЗ 4215 |
| Модификации: | 4215, 4215-10, 4215-11, 4215-30, 4215-31, 4215-35 |
| Название детали: | Рычаг в сборе |
| Номер детали: | К151-1107265 |
| Актуальность: | 01.02.2002 |
| Количество: | |
1
1
1
1
1
1
1 - для двигателя УМЗ-4215
Подробная информация
| Автомобиль: | УМЗ 4215 |
| Модификации: | 4215, 4215-10, 4215-11, 4215-30, 4215-31, 4215-35 |
| Название детали: | Рычаг |
| Номер детали: | К151-1107266-12 |
| Актуальность: | 01.02.2002 |
| Количество: | |
1
1
1
1
1
1
1 - для двигателя УМЗ-4215
Подробная информация
| Автомобиль: | УМЗ 4215 |
| Модификации: | 4215, 4215-10, 4215-11, 4215-30, 4215-31, 4215-35 |
| Название детали: | Ролик |
| Номер детали: | К150-1107287 |
| Актуальность: | 01.02.2002 |
| Количество: | |
1
1
1
1
1
1
1 - для двигателя УМЗ-4215
Подробная информация
| Автомобиль: | УМЗ 4215 |
| Модификации: | 4215, 4215-10, 4215-11, 4215-30, 4215-31, 4215-35 |
| Название детали: | Ось |
| Номер детали: | К150-1107288 |
| Актуальность: | 01.02.2002 |
| Количество: | |
1
1
1
1
1
1
1 - для двигателя УМЗ-4215
Подробная информация
| Автомобиль: | УМЗ 4215 |
| Модификации: | 4215, 4215-10, 4215-11, 4215-30, 4215-31, 4215-35 |
| Название детали: | Винт М4х14 |
| Номер детали: | 223014-П29 |
| Актуальность: | 01.02.2002 |
| Количество: | |
7
7
7
7
7
7
7 - для двигателя УМЗ-4215
Подробная информация
| Автомобиль: | УМЗ 4215 |
| Модификации: | 4215, 4215-10, 4215-11, 4215-30, 4215-31, 4215-35 |
| Название детали: | Поплавок в сборе |
| Номер детали: | К151-1107250-01 |
| Актуальность: | 01.02.2002 |
| Количество: | |
1
1
1
1
1
1
1 - для двигателя УМЗ-4215
Подробная информация
| Автомобиль: | УМЗ 4215 |
| Модификации: | 4215, 4215-10, 4215-11, 4215-30, 4215-31, 4215-35 |
| Название детали: | Рычаг поплавка |
| Номер детали: | К151-1107253 |
| Актуальность: | 01.02.2002 |
| Количество: | |
1
1
1
1
1
1
1 - для двигателя УМЗ-4215
Подробная информация
| Автомобиль: | УМЗ 4215 |
| Модификации: | 4215, 4215-10, 4215-11, 4215-30, 4215-31, 4215-35 |
| Название детали: | Клапан подачи топлива |
| Номер детали: | К151-1107320 |
| Актуальность: | 01.02.2002 |
| Количество: | |
1
1
1
1
1
1
1 - для двигателя УМЗ-4215
Подробная информация
| Автомобиль: | УМЗ 4215 |
| Модификации: | 4215, 4215-10, 4215-11, 4215-30, 4215-31, 4215-35 |
| Название детали: | Пружина |
| Номер детали: | К150-1107334 |
| Актуальность: | 01.02.2002 |
| Количество: | |
1
1
1
1
1
1
1 - для двигателя УМЗ-4215
Подробная информация
| Автомобиль: | УМЗ 4215 |
| Модификации: | 4215, 4215-10, 4215-11, 4215-30, 4215-31, 4215-35 |
| Название детали: | Игла клапана |
| Номер детали: | К151-1107331 |
| Актуальность: | 01.02.2002 |
| Количество: | |
1
1
1
1
1
1
1 - для двигателя УМЗ-4215
Подробная информация
| Автомобиль: | УМЗ 4215 |
| Модификации: | 4215, 4215-10, 4215-11, 4215-30, 4215-31, 4215-35 |
| Название детали: | Шайба |
| Номер детали: | К126Н-1107333-01 |
| Актуальность: | 01.02.2002 |
| Количество: | |
1
1
1
1
1
1
1 - для двигателя УМЗ-4215
Подробная информация
| Автомобиль: | УМЗ 4215 |
| Модификации: | 4215, 4215-10, 4215-11, 4215-30, 4215-31, 4215-35 |
| Название детали: | Корпус клапана подачи топлива |
| Номер детали: | К151-1107332-11 |
| Актуальность: | 01.02.2002 |
| Количество: | |
1
1
1
1
1
1
1 - для двигателя УМЗ-4215
Подробная информация
| Автомобиль: | УМЗ 4215 |
| Модификации: | 4215, 4215-10, 4215-11, 4215-30, 4215-31, 4215-35 |
| Название детали: | Жиклер |
| Номер детали: | К151Т-1107202 |
| Актуальность: | 01.02.2002 |
| Количество: | |
1
1
1
1
1
1
1 - для двигателя УМЗ-4215
Подробная информация
| Автомобиль: | УМЗ 4215 |
| Модификации: | 4215, 4215-10, 4215-11, 4215-30, 4215-31, 4215-35 |
| Название детали: | Жиклер |
| Номер детали: | К126Б-1107202А |
| Актуальность: | 01.02.2002 |
| Количество: | |
1
1
1
1
1
1
1 - для двигателя УМЗ-4215
Подробная информация
| Автомобиль: | УМЗ 4215 |
| Модификации: | 4215, 4215-10, 4215-11, 4215-30, 4215-31, 4215-35 |
| Название детали: | Прокладка |
| Номер детали: | 451304 |
| Актуальность: | 01.02.2002 |
| Количество: | |
4
4
4
4
4
4
4 - для двигателя УМЗ-4215
Подробная информация
| Автомобиль: | УМЗ 4215 |
| Модификации: | 4215, 4215-10, 4215-11, 4215-30, 4215-31, 4215-35 |
| Название детали: | Пробка М8х1х7 |
| Номер детали: | 451512 |
| Актуальность: | 01.02.2002 |
| Количество: | |
2
2
2
2
2
2
2 - для двигателя УМЗ-4215
Подробная информация
| Автомобиль: | УМЗ 4215 |
| Модификации: | 4215, 4215-10, 4215-11, 4215-30, 4215-31, 4215-35 |
| Название детали: | Жиклер топливный |
| Номер детали: | 114-0-1107213 |
| Актуальность: | 01.02.2002 |
| Количество: | |
1
1
1
1
1
1
1 - для двигателя УМЗ-4215
Подробная информация
| Автомобиль: | УМЗ 4215 |
| Модификации: | 4215, 4215-10, 4215-11, 4215-30, 4215-31, 4215-35 |
| Название детали: | Пробка |
| Номер детали: | К150-1107248 |
| Актуальность: | 01.02.2002 |
| Количество: | |
1
1
1
1
1
1
1 - для двигателя УМЗ-4215
Подробная информация
| Автомобиль: | УМЗ 4215 |
| Модификации: | 4215, 4215-10, 4215-11, 4215-30, 4215-31, 4215-35 |
| Название детали: | Трубка |
| Номер детали: | К150-1107522-01 |
| Актуальность: | 01.02.2002 |
| Количество: | |
2
2
2
2
2
2
2 - для двигателя УМЗ-4215
Подробная информация
| Автомобиль: | УМЗ 4215 |
| Модификации: | 4215, 4215-10, 4215-11, 4215-30, 4215-31, 4215-35 |
| Название детали: | Шайба |
| Номер детали: | К150-1107303 |
| Актуальность: | 01.02.2002 |
| Количество: | |
1
1
1
1
1
1
1 - для двигателя УМЗ-4215
Подробная информация
| Автомобиль: | УМЗ 4215 |
| Модификации: | 4215, 4215-10, 4215-11, 4215-30, 4215-31, 4215-35 |
| Название детали: | Ось поплавка |
| Номер детали: | К62-1107661 |
| Актуальность: | 01.02.2002 |
| Количество: | |
1
1
1
1
1
1
1 - для двигателя УМЗ-4215
Подробная информация
| Автомобиль: | УМЗ 4215 |
| Модификации: | 4215, 4215-10, 4215-11, 4215-30, 4215-31, 4215-35 |
| Название детали: | Шайба |
| Номер детали: | К151-1107298 |
| Актуальность: | 01.02.2002 |
| Количество: | |
1
1
1
1
1
1
1 - для двигателя УМЗ-4215
Подробная информация
| Автомобиль: | УМЗ 4215 |
| Модификации: | 4215, 4215-10, 4215-11, 4215-30, 4215-31, 4215-35 |
| Название детали: | Штуцер |
| Номер детали: | К151-1107232 |
| Актуальность: | 01.02.2002 |
| Количество: | |
1
1
1
1
1
1
1 - для двигателя УМЗ-4215
Подробная информация
| Автомобиль: | УМЗ 4215 |
| Модификации: | 4215, 4215-10, 4215-11, 4215-30, 4215-31, 4215-35 |
| Название детали: | Шайба |
| Номер детали: | К151-1107297 |
| Актуальность: | 01.02.2002 |
| Количество: | |
1
1
1
1
1
1
1 - для двигателя УМЗ-4215
Подробная информация
| Автомобиль: | УМЗ 4215 |
| Модификации: | 4215, 4215-10, 4215-11, 4215-30, 4215-31, 4215-35 |
| Название детали: | Сетка фильтра |
| Номер детали: | К105-0-1107295 |
| Актуальность: | 01.02.2002 |
| Количество: | |
1
1
1
1
1
1
1 - для двигателя УМЗ-4215
Подробная информация
| Автомобиль: | УМЗ 4215 |
| Модификации: | 4215, 4215-10, 4215-11, 4215-30, 4215-31, 4215-35 |
| Название детали: | Болт штуцера |
| Номер детали: | К151-1107231 |
| Актуальность: | 01.02.2002 |
| Количество: | |
1
1
1
1
1
1
1 - для двигателя УМЗ-4215
Подробная информация
| Автомобиль: | УМЗ 4215 |
| Модификации: | 4215, 4215-10, 4215-11, 4215-30, 4215-31, 4215-35 |
| Название детали: | Прокладка |
| Номер детали: | К151-1107267 |
| Актуальность: | 01.02.2002 |
| Количество: | |
1
1
1
1
1
1
1 - для двигателя УМЗ-4215
№
Номер запчасти
Наименование запчасти