- Автозапчасти ВАЗ
- Автозапчасти ГАЗ
- Автозапчасти на иномарки
- Автохимия, масла
- Подбор масла
- Инструменты, аксессуары
- Метизы
- Прочее, Москвич
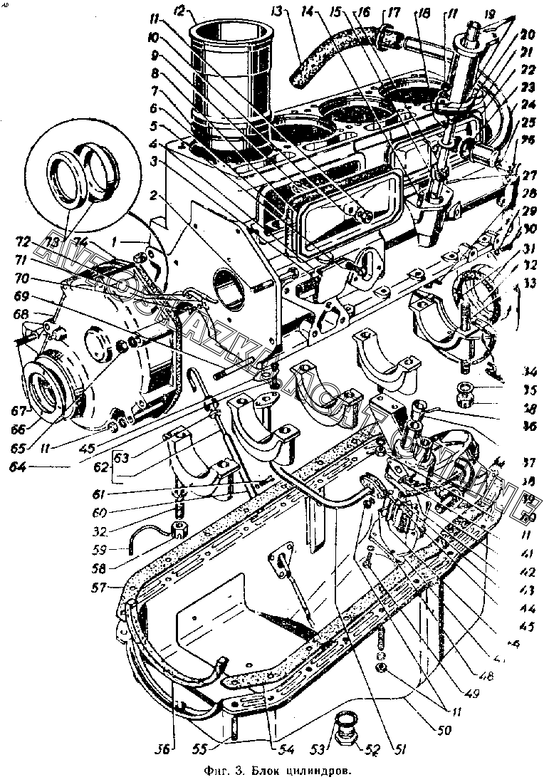
Блок цилиндров ГАЗ 21 (М-21, М-21А, М-21В, М-21Д, М-21Е)
+
Увеличить изображение на 10%
-
Уменьшить изображение на 10%
Выделение детали в таблице
Прокрутка картинки
Увеличить масштаб
1
2
3
4
5
6
7
8
9
10
11
11
11
11
11
12
13
14
15
16
17
18
19
20
21
22
23
24
25
26
27
28
29
30
31
32
32
33
34
35
36
37
38
39
40
41
42
43
44
45
45
46
47
48
49
50
51
52
53
54
55
56
57
58
58
59
60
61
62
63
64
65
66
67
68
69
70
71
72
73
74
Подробная информация
| Автомобиль: | ГАЗ 21 |
| Модификации: | М-21, М-21А, М-21В, М-21Д, М-21Е |
| Название детали: | Блок цилиндров с картером переходным и картером гидротрансформатора в сборе |
| Номер детали: | 21-1002009-Б |
| Актуальность: | 01.01.1958 |
| Количество: | |
1
- для автомобилей ГАЗ М-21, ГАЗ М-21Е
Подробная информация
| Автомобиль: | ГАЗ 21 |
| Модификации: | М-21, М-21А, М-21В, М-21Д, М-21Е |
| Название детали: | Блок цилиндров с картером сцепления в сборе |
| Номер детали: | 21А-1002009-Б |
| Актуальность: | 01.01.1958 |
| Количество: | |
1
1 - для автомобилей ГАЗ М-21, ГАЗ М-21Е
Подробная информация
| Автомобиль: | ГАЗ 21 |
| Модификации: | М-21, М-21А, М-21В, М-21Д, М-21Е |
| Название детали: | Насос масляный в сборе |
| Номер детали: | 21-1011010-Б |
| Актуальность: | 01.01.1958 |
| Количество: | |
1
1
1 - для автомобилей ГАЗ М-21, ГАЗ М-21Е
Подробная информация
| Автомобиль: | ГАЗ 21 |
| Модификации: | М-21, М-21А, М-21В, М-21Д, М-21Е |
| Название детали: | Плунжер редукционного клапана |
| Номер детали: | 21-1011062 |
| Актуальность: | 01.01.1958 |
| Количество: | |
1
1
1 - для автомобилей ГАЗ М-21, ГАЗ М-21Е
Подробная информация
| Автомобиль: | ГАЗ 21 |
| Модификации: | М-21, М-21А, М-21В, М-21Д, М-21Е |
| Название детали: | Привод распределителя в сборе |
| Номер детали: | 21-1016010-Б |
| Актуальность: | 01.01.1958 |
| Количество: | |
1
1
1 - для автомобилей ГАЗ М-21, ГАЗ М-21Е
Подробная информация
| Автомобиль: | ГАЗ 21 |
| Модификации: | М-21, М-21А, М-21В, М-21Д, М-21Е |
| Название детали: | Пробка 1/8 коническая масляного канала опор распределительного вала |
| Номер детали: | 262531-П |
| Актуальность: | 01.01.1958 |
| Количество: | |
4
4
4 - для автомобилей ГАЗ М-21, ГАЗ М-21Е
Подробная информация
| Автомобиль: | ГАЗ 21 |
| Модификации: | М-21, М-21А, М-21В, М-21Д, М-21Е |
| Название детали: | Пробка 3/8" коническая масляного канала опоры распределительного вала |
| Номер детали: | 262518-П |
| Актуальность: | 01.01.1958 |
| Количество: | |
1
1
1 - для автомобилей ГАЗ М-21, ГАЗ М-21Е
Подробная информация
| Автомобиль: | ГАЗ 21 |
| Модификации: | М-21, М-21А, М-21В, М-21Д, М-21Е |
| Название детали: | Пробка 3/8" коническая продольного масляного канала |
| Номер детали: | 262518-П |
| Актуальность: | 01.01.1958 |
| Количество: | |
2
2
2 - для автомобилей ГАЗ М-21, ГАЗ М-21Е
Подробная информация
| Автомобиль: | ГАЗ 21 |
| Модификации: | М-21, М-21А, М-21В, М-21Д, М-21Е |
| Название детали: | Пробка редукционного клапана |
| Номер детали: | 296494-П8 |
| Актуальность: | 01.01.1958 |
| Количество: | |
1
1
1 - для автомобилей ГАЗ М-21, ГАЗ М-21Е
Подробная информация
| Автомобиль: | ГАЗ 21 |
| Модификации: | М-21, М-21А, М-21В, М-21Д, М-21Е |
| Название детали: | Пружина редукционного клапана |
| Номер детали: | 21-1011058-Б |
| Актуальность: | 01.01.1958 |
| Количество: | |
1
1
1 - для автомобилей ГАЗ М-21, ГАЗ М-21Е
Подробная информация
| Автомобиль: | ГАЗ 21 |
| Модификации: | М-21, М-21А, М-21В, М-21Д, М-21Е |
| Название детали: | Шайба диаметр 8 пружинная |
| Номер детали: | 252155-П2 |
| Актуальность: | 01.01.1958 |
| Количество: | |
2
2
2 - для автомобилей ГАЗ М-21, ГАЗ М-21Е
Подробная информация
| Автомобиль: | ГАЗ 21 |
| Модификации: | М-21, М-21А, М-21В, М-21Д, М-21Е |
| Название детали: | Шайба диаметром 18 специальная пробки |
| Номер детали: | 293469-П |
| Актуальность: | 01.01.1958 |
| Количество: | |
1
1
1 - для автомобилей ГАЗ М-21, ГАЗ М-21Е
Подробная информация
| Автомобиль: | ГАЗ 21 |
| Модификации: | М-21, М-21А, М-21В, М-21Д, М-21Е |
| Название детали: | Шайба диаметром 6 пружинная болта крышки масляного насоса |
| Номер детали: | 252134-П2 |
| Актуальность: | 01.01.1958 |
| Количество: | |
4
4
4 - для автомобилей ГАЗ М-21, ГАЗ М-21Е
Подробная информация
| Автомобиль: | ГАЗ 21 |
| Модификации: | М-21, М-21А, М-21В, М-21Д, М-21Е |
| Название детали: | Шайба диаметром 6 пружинная болта трубки указателя уровня масла |
| Номер детали: | 252134-П2 |
| Актуальность: | 01.01.1958 |
| Количество: | |
1
1
1 - для автомобилей ГАЗ М-21, ГАЗ М-21Е
Подробная информация
| Автомобиль: | ГАЗ 21 |
| Модификации: | М-21, М-21А, М-21В, М-21Д, М-21Е |
| Название детали: | Шайба диаметром 8 пружинная болта крепления крышки распределительных шестерен |
| Номер детали: | 252155-П2 |
| Актуальность: | 01.01.1958 |
| Количество: | |
2
2
2 - для автомобилей ГАЗ М-21, ГАЗ М-21Е
Подробная информация
| Автомобиль: | ГАЗ 21 |
| Модификации: | М-21, М-21А, М-21В, М-21Д, М-21Е |
| Название детали: | Шайба диаметром 8 пружинная крепления масляного насоса |
| Номер детали: | 252135-П2 |
| Актуальность: | 01.01.1958 |
| Количество: | |
2
2
2 - для автомобилей ГАЗ М-21, ГАЗ М-21Е
Подробная информация
| Автомобиль: | ГАЗ 21 |
| Модификации: | М-21, М-21А, М-21В, М-21Д, М-21Е |
| Название детали: | Шайба диаметром 8 пружинная шпильки крепления крышки распределительных шестерен |
| Номер детали: | 252155-П2 |
| Актуальность: | 01.01.1958 |
| Количество: | |
5
5
5 - для автомобилей ГАЗ М-21, ГАЗ М-21Е
Подробная информация
| Автомобиль: | ГАЗ 21 |
| Модификации: | М-21, М-21А, М-21В, М-21Д, М-21Е |
| Название детали: | Шпилька 1М8х14 масляного картера |
| Номер детали: | 291732-П |
| Актуальность: | 01.01.1958 |
| Количество: | |
17
17
17 - для автомобилей ГАЗ М-21, ГАЗ М-21Е
Подробная информация
| Автомобиль: | ГАЗ 21 |
| Модификации: | М-21, М-21А, М-21В, М-21Д, М-21Е |
| Название детали: | Заглушка диаметром 55 заднего подшипника распределительного вала |
| Номер детали: | 296997-П |
| Актуальность: | 01.01.1958 |
| Количество: | |
1
1
1 - для автомобилей ГАЗ М-21, ГАЗ М-21Е
Подробная информация
| Автомобиль: | ГАЗ 21 |
| Модификации: | М-21, М-21А, М-21В, М-21Д, М-21Е |
| Название детали: | Краник 1/4" спускной водяной рубашки цилиндров |
| Номер детали: | 51-1305010 |
| Актуальность: | 01.01.1958 |
| Количество: | |
1
1
1 - для автомобилей ГАЗ М-21, ГАЗ М-21Е
Подробная информация
| Автомобиль: | ГАЗ 21 |
| Модификации: | М-21, М-21А, М-21В, М-21Д, М-21Е |
| Название детали: | Шайба диаметром 8 |
| Номер детали: | 293277-П8 |
| Актуальность: | 01.01.1958 |
| Количество: | |
18
18
18 - для автомобилей ГАЗ М-21, ГАЗ М-21Е
Подробная информация
| Автомобиль: | ГАЗ 21 |
| Модификации: | М-21, М-21А, М-21В, М-21Д, М-21Е |
| Название детали: | Шайба диаметром 8 пружинная крепления нагнетательной трубки масляного насоса |
| Номер детали: | 252135-П2 |
| Актуальность: | 01.01.1958 |
| Количество: | |
1
1
1 - для автомобилей ГАЗ М-21, ГАЗ М-21Е
Подробная информация
| Автомобиль: | ГАЗ 21 |
| Модификации: | М-21, М-21А, М-21В, М-21Д, М-21Е |
| Название детали: | Шайба упорная шестерни привода распределителя |
| Номер детали: | 293371-П |
| Актуальность: | 01.01.1958 |
| Количество: | |
1
1
1 - для автомобилей ГАЗ М-21, ГАЗ М-21Е
Подробная информация
| Автомобиль: | ГАЗ 21 |
| Модификации: | М-21, М-21А, М-21В, М-21Д, М-21Е |
| Название детали: | Шплинт стяжной хомутика шланга |
| Номер детали: | 297575-П8 |
| Актуальность: | 01.01.1958 |
| Количество: | |
4
4
4 - для автомобилей ГАЗ М-21, ГАЗ М-21Е
Подробная информация
| Автомобиль: | ГАЗ 21 |
| Модификации: | М-21, М-21А, М-21В, М-21Д, М-21Е |
| Название детали: | Штифт диаметром 13х28 установочный картера переходного гидротрансформатора и картера сцепления |
| Номер детали: | 295128-П |
| Актуальность: | 01.01.1958 |
| Количество: | |
2
2
2 - для автомобилей ГАЗ М-21, ГАЗ М-21Е
Подробная информация
| Автомобиль: | ГАЗ 21 |
| Модификации: | М-21, М-21А, М-21В, М-21Д, М-21Е |
| Название детали: | Блок цилиндров в сборе |
| Номер детали: | 21-1002010-Б |
| Актуальность: | 01.01.1958 |
| Количество: | |
1
1
1 - для автомобилей ГАЗ М-21, ГАЗ М-21Е
Подробная информация
| Автомобиль: | ГАЗ 21 |
| Модификации: | М-21, М-21А, М-21В, М-21Д, М-21Е |
| Название детали: | Болт М8х65 крепления крышки распределительных шестерен |
| Номер детали: | 200272-П8 |
| Актуальность: | 01.01.1958 |
| Количество: | |
2
2
2 - для автомобилей ГАЗ М-21, ГАЗ М-21Е
Подробная информация
| Автомобиль: | ГАЗ 21 |
| Модификации: | М-21, М-21А, М-21В, М-21Д, М-21Е |
| Название детали: | Прокладка заглушки |
| Номер детали: | 21-1017316 |
| Актуальность: | 01.01.1958 |
| Количество: | |
1
1
1 - для автомобилей ГАЗ М-21, ГАЗ М-21Е
Подробная информация
| Автомобиль: | ГАЗ 21 |
| Модификации: | М-21, М-21А, М-21В, М-21Д, М-21Е |
| Название детали: | Заглушка сливного отверстия фильтра центробежной очистки масла |
| Номер детали: | 321-1017395 |
| Актуальность: | 01.01.1958 |
| Количество: | |
1
1
1 - для автомобилей ГАЗ М-21, ГАЗ М-21Е
Подробная информация
| Автомобиль: | ГАЗ 21 |
| Модификации: | М-21, М-21А, М-21В, М-21Д, М-21Е |
| Название детали: | Винт М10х30 крепления заглушки |
| Номер детали: | 290757-П |
| Актуальность: | 01.01.1958 |
| Количество: | |
3
3
3 - для автомобилей ГАЗ М-21, ГАЗ М-21Е
Подробная информация
| Автомобиль: | ГАЗ 21 |
| Модификации: | М-21, М-21А, М-21В, М-21Д, М-21Е |
| Название детали: | Прокладка крышки коробки толкателей |
| Номер детали: | 20-1002116-А |
| Актуальность: | 01.01.1958 |
| Количество: | |
1
1
1 - для автомобилей ГАЗ М-21, ГАЗ М-21Е
Подробная информация
| Автомобиль: | ГАЗ 21 |
| Модификации: | М-21, М-21А, М-21В, М-21Д, М-21Е |
| Название детали: | Кольцо уплотнительное гильзы цилиндра |
| Номер детали: | 21-1002024 |
| Актуальность: | 01.01.1958 |
| Количество: | |
4
4
4 - для автомобилей ГАЗ М-21, ГАЗ М-21Е
Подробная информация
| Автомобиль: | ГАЗ 21 |
| Модификации: | М-21, М-21А, М-21В, М-21Д, М-21Е |
| Название детали: | Крышка коробки толкателей передняя в сборе |
| Номер детали: | 20-1002110 |
| Актуальность: | 01.01.1958 |
| Количество: | |
1
1
1 - для автомобилей ГАЗ М-21, ГАЗ М-21Е
Подробная информация
| Автомобиль: | ГАЗ 21 |
| Модификации: | М-21, М-21А, М-21В, М-21Д, М-21Е |
| Название детали: | Шпилька 1М8х45 крепления крышки коробки толкателей |
| Номер детали: | 216244-П8 |
| Актуальность: | 01.01.1958 |
| Количество: | |
2
2
2 - для автомобилей ГАЗ М-21, ГАЗ М-21Е
Подробная информация
| Автомобиль: | ГАЗ 21 |
| Модификации: | М-21, М-21А, М-21В, М-21Д, М-21Е |
| Название детали: | Спец. шайба диаметром 8,5 шпильки крепления крышки коробки толкателей |
| Номер детали: | 293264-П |
| Актуальность: | 01.01.1958 |
| Количество: | |
2
2
2 - для автомобилей ГАЗ М-21, ГАЗ М-21Е
Подробная информация
| Автомобиль: | ГАЗ 21 |
| Модификации: | М-21, М-21А, М-21В, М-21Д, М-21Е |
| Название детали: | Гайка 1М8 крепления масляного насоса |
| Номер детали: | 250511-П8 |
| Актуальность: | 01.01.1958 |
| Количество: | |
2
2
2 - для автомобилей ГАЗ М-21, ГАЗ М-21Е
Подробная информация
| Автомобиль: | ГАЗ 21 |
| Модификации: | М-21, М-21А, М-21В, М-21Д, М-21Е |
| Название детали: | Гайка 1М8 крепления нагнетательной трубки масляного насоса |
| Номер детали: | 250511-П |
| Актуальность: | 01.01.1958 |
| Количество: | |
2
2
2 - для автомобилей ГАЗ М-21, ГАЗ М-21Е
Подробная информация
| Автомобиль: | ГАЗ 21 |
| Модификации: | М-21, М-21А, М-21В, М-21Д, М-21Е |
| Название детали: | Гайка 1М8 шпильки крепления крышки коробки толкателей |
| Номер детали: | 250511-П8 |
| Актуальность: | 01.01.1958 |
| Количество: | |
2
2
2 - для автомобилей ГАЗ М-21, ГАЗ М-21Е
Подробная информация
| Автомобиль: | ГАЗ 21 |
| Модификации: | М-21, М-21А, М-21В, М-21Д, М-21Е |
| Название детали: | Гайка 1М8 шпильки крепления крышки распределительных шестерен |
| Номер детали: | 250511-П8 |
| Актуальность: | 01.01.1958 |
| Количество: | |
5
5
5 - для автомобилей ГАЗ М-21, ГАЗ М-21Е
Подробная информация
| Автомобиль: | ГАЗ 21 |
| Модификации: | М-21, М-21А, М-21В, М-21Д, М-21Е |
| Название детали: | Гайка 1М8 шпильки крепления привода распределителя |
| Номер детали: | 250511-П8 |
| Актуальность: | 01.01.1958 |
| Количество: | |
2
2
2 - для автомобилей ГАЗ М-21, ГАЗ М-21Е
Подробная информация
| Автомобиль: | ГАЗ 21 |
| Модификации: | М-21, М-21А, М-21В, М-21Д, М-21Е |
| Название детали: | Гайка 1М8 шпильки масляного картера |
| Номер детали: | 250511-П8 |
| Актуальность: | 01.01.1958 |
| Количество: | |
18
18
18 - для автомобилей ГАЗ М-21, ГАЗ М-21Е
Подробная информация
| Автомобиль: | ГАЗ 21 |
| Модификации: | М-21, М-21А, М-21В, М-21Д, М-21Е |
| Название детали: | Гильза цилиндра в сборе |
| Номер детали: | 21-1002020-Б |
| Актуальность: | 01.01.1958 |
| Количество: | |
4
4
4 - для автомобилей ГАЗ М-21, ГАЗ М-21Е
Подробная информация
| Автомобиль: | ГАЗ 21 |
| Модификации: | М-21, М-21А, М-21В, М-21Д, М-21Е |
| Название детали: | Шланг вытяжной трубы вентиляции картера |
| Номер детали: | 64-6745 |
| Актуальность: | 01.01.1958 |
| Количество: | |
1
1
1 - для автомобилей ГАЗ М-21, ГАЗ М-21Е
Подробная информация
| Автомобиль: | ГАЗ 21 |
| Модификации: | М-21, М-21А, М-21В, М-21Д, М-21Е |
| Название детали: | Шпилька 1М8х22 крепления привода распределителя |
| Номер детали: | 291747-П8 |
| Актуальность: | 01.01.1958 |
| Количество: | |
2
2
2 - для автомобилей ГАЗ М-21, ГАЗ М-21Е
Подробная информация
| Автомобиль: | ГАЗ 21 |
| Модификации: | М-21, М-21А, М-21В, М-21Д, М-21Е |
| Название детали: | Шпилька 1М8х22 крепления масляного насоса |
| Номер детали: | 291747-П |
| Актуальность: | 01.01.1958 |
| Количество: | |
2
2
2 - для автомобилей ГАЗ М-21, ГАЗ М-21Е
Подробная информация
| Автомобиль: | ГАЗ 21 |
| Модификации: | М-21, М-21А, М-21В, М-21Д, М-21Е |
| Название детали: | Шестерня привода распределителя |
| Номер детали: | 21-1016018-Б |
| Актуальность: | 01.01.1958 |
| Количество: | |
1
1
1 - для автомобилей ГАЗ М-21, ГАЗ М-21Е
Подробная информация
| Автомобиль: | ГАЗ 21 |
| Модификации: | М-21, М-21А, М-21В, М-21Д, М-21Е |
| Название детали: | Валик привода масляного насоса |
| Номер детали: | 21-1011220-Б |
| Актуальность: | 01.01.1958 |
| Количество: | |
1
1
1 - для автомобилей ГАЗ М-21, ГАЗ М-21Е
Подробная информация
| Автомобиль: | ГАЗ 21 |
| Модификации: | М-21, М-21А, М-21В, М-21Д, М-21Е |
| Название детали: | Лента стяжная хомутика шланга |
| Номер детали: | 297584-П8 |
| Актуальность: | 01.01.1958 |
| Количество: | |
4
4
4 - для автомобилей ГАЗ М-21, ГАЗ М-21Е
Подробная информация
| Автомобиль: | ГАЗ 21 |
| Модификации: | М-21, М-21А, М-21В, М-21Д, М-21Е |
| Название детали: | Штифт диаметр 3х12 цилиндрический валика привода маслонасоса |
| Номер детали: | 258709-П |
| Актуальность: | 01.01.1958 |
| Количество: | |
1
1
1 - для автомобилей ГАЗ М-21, ГАЗ М-21Е
Подробная информация
| Автомобиль: | ГАЗ 21 |
| Модификации: | М-21, М-21А, М-21В, М-21Д, М-21Е |
| Название детали: | Валик привода распределителя с упорной втулкой в сборе |
| Номер детали: | 21-1016012-Б |
| Актуальность: | 01.01.1958 |
| Количество: | |
1
1
1 - для автомобилей ГАЗ М-21, ГАЗ М-21Е
Подробная информация
| Автомобиль: | ГАЗ 21 |
| Модификации: | М-21, М-21А, М-21В, М-21Д, М-21Е |
| Название детали: | Корпус привода распределителя в сборе |
| Номер детали: | 21-1016019-А |
| Актуальность: | 01.01.1958 |
| Количество: | |
1
1
1 - для автомобилей ГАЗ М-21, ГАЗ М-21Е
Подробная информация
| Автомобиль: | ГАЗ 21 |
| Модификации: | М-21, М-21А, М-21В, М-21Д, М-21Е |
| Название детали: | Прокладка корпуса привода распределителя |
| Номер детали: | 21-1016023 |
| Актуальность: | 01.01.1958 |
| Количество: | |
1
1
1 - для автомобилей ГАЗ М-21, ГАЗ М-21Е
Подробная информация
| Автомобиль: | ГАЗ 21 |
| Модификации: | М-21, М-21А, М-21В, М-21Д, М-21Е |
| Название детали: | Крышка коробки толкателей задняя в сборе |
| Номер детали: | 21-1002111 |
| Актуальность: | 01.01.1958 |
| Количество: | |
1
1
1 - для автомобилей ГАЗ М-21, ГАЗ М-21Е
Подробная информация
| Автомобиль: | ГАЗ 21 |
| Модификации: | М-21, М-21А, М-21В, М-21Д, М-21Е |
| Название детали: | Прокладка патрубка крепления вытяжной трубы вентиляции картера |
| Номер детали: | 51-1014053-Б |
| Актуальность: | 01.01.1958 |
| Количество: | |
1
1
1 - для автомобилей ГАЗ М-21, ГАЗ М-21Е
Подробная информация
| Автомобиль: | ГАЗ 21 |
| Модификации: | М-21, М-21А, М-21В, М-21Д, М-21Е |
| Название детали: | Трубка вытяжная вентиляции картера в сборе |
| Номер детали: | 21-1014055-Б |
| Актуальность: | 01.01.1958 |
| Количество: | |
1
1
1 - для автомобилей ГАЗ М-21, ГАЗ М-21Е
Подробная информация
| Автомобиль: | ГАЗ 21 |
| Модификации: | М-21, М-21А, М-21В, М-21Д, М-21Е |
| Название детали: | Специальная шайба диаметр 8 болта крепления вытяжной трубы вентиляции картера |
| Номер детали: | 293264-П |
| Актуальность: | 01.01.1958 |
| Количество: | |
1
1
1 - для автомобилей ГАЗ М-21, ГАЗ М-21Е
Подробная информация
| Автомобиль: | ГАЗ 21 |
| Модификации: | М-21, М-21А, М-21В, М-21Д, М-21Е |
| Название детали: | Болт М8х65 крепления вытяжной трубы вентиляции картера |
| Номер детали: | 200272-П8 |
| Актуальность: | 01.01.1958 |
| Количество: | |
1
1
1 - для автомобилей ГАЗ М-21, ГАЗ М-21Е
Подробная информация
| Автомобиль: | ГАЗ 21 |
| Модификации: | М-21, М-21А, М-21В, М-21Д, М-21Е |
| Название детали: | Штифт диаметр 4х22 цилиндрический шестерни привода распределителя |
| Номер детали: | 258616-П |
| Актуальность: | 01.01.1958 |
| Количество: | |
1
1
1 - для автомобилей ГАЗ М-21, ГАЗ М-21Е
Подробная информация
| Автомобиль: | ГАЗ 21 |
| Модификации: | М-21, М-21А, М-21В, М-21Д, М-21Е |
| Название детали: | Прокладка уплотнительная крышки заднего подшипника коленчатого вала правая |
| Номер детали: | 11-6335-Б |
| Актуальность: | 01.01.1958 |
| Количество: | |
1
1
1 - для автомобилей ГАЗ М-21, ГАЗ М-21Е
Подробная информация
| Автомобиль: | ГАЗ 21 |
| Модификации: | М-21, М-21А, М-21В, М-21Д, М-21Е |
| Название детали: | Шайба диаметром 6 пружинная с внутренними зубьями |
| Номер детали: | 252174-П8 |
| Актуальность: | 01.01.1958 |
| Количество: | |
6
6
6 - для автомобилей ГАЗ М-21, ГАЗ М-21Е
Подробная информация
| Автомобиль: | ГАЗ 21 |
| Модификации: | М-21, М-21А, М-21В, М-21Д, М-21Е |
| Название детали: | Болт М6х12 держателя сальника заднего подшипника коленчатого вала |
| Номер детали: | 290489-П |
| Актуальность: | 01.01.1958 |
| Количество: | |
6
6
6 - для автомобилей ГАЗ М-21, ГАЗ М-21Е
Подробная информация
| Автомобиль: | ГАЗ 21 |
| Модификации: | М-21, М-21А, М-21В, М-21Д, М-21Е |
| Название детали: | Набивка сальника заднего подшипника коленчатого вала |
| Номер детали: | 11-6702-А2 |
| Актуальность: | 01.01.1958 |
| Количество: | |
2
2
2 - для автомобилей ГАЗ М-21, ГАЗ М-21Е
Подробная информация
| Автомобиль: | ГАЗ 21 |
| Модификации: | М-21, М-21А, М-21В, М-21Д, М-21Е |
| Название детали: | Держатель сальника заднего подшипника коленчатого вала |
| Номер детали: | 11-6699-А |
| Актуальность: | 01.01.1958 |
| Количество: | |
2
2
2 - для автомобилей ГАЗ М-21, ГАЗ М-21Е
Подробная информация
| Автомобиль: | ГАЗ 21 |
| Модификации: | М-21, М-21А, М-21В, М-21Д, М-21Е |
| Название детали: | Шпилька 1М14х78 крепления подшипников коленчатого вала |
| Номер детали: | 291907-П |
| Актуальность: | 01.01.1958 |
| Количество: | |
10
10
10 - для автомобилей ГАЗ М-21, ГАЗ М-21Е
Подробная информация
| Автомобиль: | ГАЗ 21 |
| Модификации: | М-21, М-21А, М-21В, М-21Д, М-21Е |
| Название детали: | Прокладка уплотнительная крышки заднего подшипника коленчатого вала левая |
| Номер детали: | 11-6336-Б |
| Актуальность: | 01.01.1958 |
| Количество: | |
1
1
1 - для автомобилей ГАЗ М-21, ГАЗ М-21Е
Подробная информация
| Автомобиль: | ГАЗ 21 |
| Модификации: | М-21, М-21А, М-21В, М-21Д, М-21Е |
| Название детали: | Шайба диаметром 14 плоская |
| Номер детали: | 293398-П18 |
| Актуальность: | 01.01.1958 |
| Количество: | |
10
10
10 - для автомобилей ГАЗ М-21, ГАЗ М-21Е
Подробная информация
| Автомобиль: | ГАЗ 21 |
| Модификации: | М-21, М-21А, М-21В, М-21Д, М-21Е |
| Название детали: | Штифт диаметром 4х19 втулки валика масляного насоса |
| Номер детали: | 294958-П |
| Актуальность: | 01.01.1958 |
| Количество: | |
1
1
1 - для автомобилей ГАЗ М-21, ГАЗ М-21Е
Подробная информация
| Автомобиль: | ГАЗ 21 |
| Модификации: | М-21, М-21А, М-21В, М-21Д, М-21Е |
| Название детали: | Втулка валика масляного насоса |
| Номер детали: | 21-1011066-Б |
| Актуальность: | 01.01.1958 |
| Количество: | |
1
1
1 - для автомобилей ГАЗ М-21, ГАЗ М-21Е
Подробная информация
| Автомобиль: | ГАЗ 21 |
| Модификации: | М-21, М-21А, М-21В, М-21Д, М-21Е |
| Название детали: | Прокладка масляного картера - задняя |
| Номер детали: | 21-1009073 |
| Актуальность: | 01.01.1958 |
| Количество: | |
1
1
1 - для автомобилей ГАЗ М-21, ГАЗ М-21Е
Подробная информация
| Автомобиль: | ГАЗ 21 |
| Модификации: | М-21, М-21А, М-21В, М-21Д, М-21Е |
| Название детали: | Маслоприемник в сборе |
| Номер детали: | 11-6660 |
| Актуальность: | 01.01.1958 |
| Количество: | |
1
1
1 - для автомобилей ГАЗ М-21, ГАЗ М-21Е
Подробная информация
| Автомобиль: | ГАЗ 21 |
| Модификации: | М-21, М-21А, М-21В, М-21Д, М-21Е |
| Название детали: | Корпус масляного насоса в сборе |
| Номер детали: | 21-1011015-Б |
| Актуальность: | 01.01.1958 |
| Количество: | |
1
1
1 - для автомобилей ГАЗ М-21, ГАЗ М-21Е
Подробная информация
| Автомобиль: | ГАЗ 21 |
| Модификации: | М-21, М-21А, М-21В, М-21Д, М-21Е |
| Название детали: | Шпилька 1М8х16 крепления нагнетательной трубки масляного насоса |
| Номер детали: | 216232-П |
| Актуальность: | 01.01.1958 |
| Количество: | |
2
2
2 - для автомобилей ГАЗ М-21, ГАЗ М-21Е
Подробная информация
| Автомобиль: | ГАЗ 21 |
| Модификации: | М-21, М-21А, М-21В, М-21Д, М-21Е |
| Название детали: | Шплинт диаметром 3х25 маслоприемника |
| Номер детали: | 258040-П |
| Актуальность: | 01.01.1958 |
| Количество: | |
1
1
1 - для автомобилей ГАЗ М-21, ГАЗ М-21Е
Подробная информация
| Автомобиль: | ГАЗ 21 |
| Модификации: | М-21, М-21А, М-21В, М-21Д, М-21Е |
| Название детали: | Прокладка крышки масляного насоса |
| Номер детали: | 21-1011065 |
| Актуальность: | 01.01.1958 |
| Количество: | |
1
1
1 - для автомобилей ГАЗ М-21, ГАЗ М-21Е
Подробная информация
| Автомобиль: | ГАЗ 21 |
| Модификации: | М-21, М-21А, М-21В, М-21Д, М-21Е |
| Название детали: | Валик масляного насоса |
| Номер детали: | 21-1011042-Б |
| Актуальность: | 01.01.1958 |
| Количество: | |
1
1
1 - для автомобилей ГАЗ М-21, ГАЗ М-21Е
Подробная информация
| Автомобиль: | ГАЗ 21 |
| Модификации: | М-21, М-21А, М-21В, М-21Д, М-21Е |
| Название детали: | Прокладка фланца нагнетательной трубки масляного насоса |
| Номер детали: | 21-1011086 |
| Актуальность: | 01.01.1958 |
| Количество: | |
2
2
2 - для автомобилей ГАЗ М-21, ГАЗ М-21Е
Подробная информация
| Автомобиль: | ГАЗ 21 |
| Модификации: | М-21, М-21А, М-21В, М-21Д, М-21Е |
| Название детали: | Шестерня масляного насоса |
| Номер детали: | 21-1011032 |
| Актуальность: | 01.01.1958 |
| Количество: | |
2
2
2 - для автомобилей ГАЗ М-21, ГАЗ М-21Е
Подробная информация
| Автомобиль: | ГАЗ 21 |
| Модификации: | М-21, М-21А, М-21В, М-21Д, М-21Е |
| Название детали: | Крышка масляного насоса |
| Номер детали: | 21-1011052-Б |
| Актуальность: | 01.01.1958 |
| Количество: | |
1
1
1 - для автомобилей ГАЗ М-21, ГАЗ М-21Е
Подробная информация
| Автомобиль: | ГАЗ 21 |
| Модификации: | М-21, М-21А, М-21В, М-21Д, М-21Е |
| Название детали: | Штифт диаметром 3х18 шестерни масляного насоса |
| Номер детали: | 258926-П |
| Актуальность: | 01.01.1958 |
| Количество: | |
1
1
1 - для автомобилей ГАЗ М-21, ГАЗ М-21Е
Подробная информация
| Автомобиль: | ГАЗ 21 |
| Модификации: | М-21, М-21А, М-21В, М-21Д, М-21Е |
| Название детали: | Болт М6х20 крышки масляного насоса |
| Номер детали: | 201420-П2 |
| Актуальность: | 01.01.1958 |
| Количество: | |
4
4
4 - для автомобилей ГАЗ М-21, ГАЗ М-21Е
Подробная информация
| Автомобиль: | ГАЗ 21 |
| Модификации: | М-21, М-21А, М-21В, М-21Д, М-21Е |
| Название детали: | Картер масляный в сборе |
| Номер детали: | 21-1009010-А2 |
| Актуальность: | 01.01.1958 |
| Количество: | |
1
1
1 - для автомобилей ГАЗ М-21, ГАЗ М-21Е
Подробная информация
| Автомобиль: | ГАЗ 21 |
| Модификации: | М-21, М-21А, М-21В, М-21Д, М-21Е |
| Название детали: | Трубка нагнетательная масляного насоса в сборе |
| Номер детали: | 21-1011082-Б1 |
| Актуальность: | 01.01.1958 |
| Количество: | |
1
1
1 - для автомобилей ГАЗ М-21, ГАЗ М-21Е
Подробная информация
| Автомобиль: | ГАЗ 21 |
| Модификации: | М-21, М-21А, М-21В, М-21Д, М-21Е |
| Название детали: | Пробка маслосливного отверстия картера |
| Номер детали: | 296507-П8 |
| Актуальность: | 01.01.1958 |
| Количество: | |
1
1
1 - для автомобилей ГАЗ М-21, ГАЗ М-21Е
Подробная информация
| Автомобиль: | ГАЗ 21 |
| Модификации: | М-21, М-21А, М-21В, М-21Д, М-21Е |
| Название детали: | Прокладка пробки маслосливного отверстия картера |
| Номер детали: | 297282-П |
| Актуальность: | 01.01.1958 |
| Количество: | |
1
1
1 - для автомобилей ГАЗ М-21, ГАЗ М-21Е
Подробная информация
| Автомобиль: | ГАЗ 21 |
| Модификации: | М-21, М-21А, М-21В, М-21Д, М-21Е |
| Название детали: | Прокладка масляного картера - левая |
| Номер детали: | 21-1009071 |
| Актуальность: | 01.01.1958 |
| Количество: | |
1
1
1 - для автомобилей ГАЗ М-21, ГАЗ М-21Е
Подробная информация
| Автомобиль: | ГАЗ 21 |
| Модификации: | М-21, М-21А, М-21В, М-21Д, М-21Е |
| Название детали: | Шпилька 1М8х16 масляного картера |
| Номер детали: | 216232-П |
| Актуальность: | 01.01.1958 |
| Количество: | |
1
1
1 - для автомобилей ГАЗ М-21, ГАЗ М-21Е
Подробная информация
| Автомобиль: | ГАЗ 21 |
| Модификации: | М-21, М-21А, М-21В, М-21Д, М-21Е |
| Название детали: | Прокладка масляного картера - передняя |
| Номер детали: | 21-1009072 |
| Актуальность: | 01.01.1958 |
| Количество: | |
1
1
1 - для автомобилей ГАЗ М-21, ГАЗ М-21Е
Подробная информация
| Автомобиль: | ГАЗ 21 |
| Модификации: | М-21, М-21А, М-21В, М-21Д, М-21Е |
| Название детали: | Прокладка масляного картера - правая |
| Номер детали: | 21-1009070 |
| Актуальность: | 01.01.1958 |
| Количество: | |
1
1
1 - для автомобилей ГАЗ М-21, ГАЗ М-21Е
Подробная информация
| Автомобиль: | ГАЗ 21 |
| Модификации: | М-21, М-21А, М-21В, М-21Д, М-21Е |
| Название детали: | Гайка 1М14 шпилек крепления подшипников коленчатого вала прорезная |
| Номер детали: | 292857-П |
| Актуальность: | 01.01.1958 |
| Количество: | |
10
10
10 - для автомобилей ГАЗ М-21, ГАЗ М-21Е
Подробная информация
| Автомобиль: | ГАЗ 21 |
| Модификации: | М-21, М-21А, М-21В, М-21Д, М-21Е |
| Название детали: | Шплинт-проволока диаметром 1,6х275 |
| Номер детали: | 257885-П |
| Актуальность: | 01.01.1958 |
| Количество: | |
5
5
5 - для автомобилей ГАЗ М-21, ГАЗ М-21Е
Подробная информация
| Автомобиль: | ГАЗ 21 |
| Модификации: | М-21, М-21А, М-21В, М-21Д, М-21Е |
| Название детали: | Трубка указателя уровня масла |
| Номер детали: | 21-1009045 |
| Актуальность: | 01.01.1958 |
| Количество: | |
1
1
1 - для автомобилей ГАЗ М-21, ГАЗ М-21Е
Подробная информация
| Автомобиль: | ГАЗ 21 |
| Модификации: | М-21, М-21А, М-21В, М-21Д, М-21Е |
| Название детали: | Болт М6х25 трубки указателя уровня масла |
| Номер детали: | 201422-П8 |
| Актуальность: | 01.01.1958 |
| Количество: | |
1
1
1 - для автомобилей ГАЗ М-21, ГАЗ М-21Е
Подробная информация
| Автомобиль: | ГАЗ 21 |
| Модификации: | М-21, М-21А, М-21В, М-21Д, М-21Е |
| Название детали: | Указатель уровня масла в сборе |
| Номер детали: | 21-1009050 |
| Актуальность: | 01.01.1958 |
| Количество: | |
1
1
1 - для автомобилей ГАЗ М-21, ГАЗ М-21Е
Подробная информация
| Автомобиль: | ГАЗ 21 |
| Модификации: | М-21, М-21А, М-21В, М-21Д, М-21Е |
| Название детали: | Шайба уплотнительная указателя уровня масла |
| Номер детали: | 21-1009056 |
| Актуальность: | 01.01.1958 |
| Количество: | |
1
1
1 - для автомобилей ГАЗ М-21, ГАЗ М-21Е
Подробная информация
| Автомобиль: | ГАЗ 21 |
| Модификации: | М-21, М-21А, М-21В, М-21Д, М-21Е |
| Название детали: | Болт М8х25 крепления нагнетательной трубки к блоку |
| Номер детали: | 201243-П8 |
| Актуальность: | 01.01.1958 |
| Количество: | |
2
2
2 - для автомобилей ГАЗ М-21, ГАЗ М-21Е
Подробная информация
| Автомобиль: | ГАЗ 21 |
| Модификации: | М-21, М-21А, М-21В, М-21Д, М-21Е |
| Название детали: | Гайка М8 болта крепления крышки распределительных шестерен |
| Номер детали: | 250510-П8 |
| Актуальность: | 01.01.1958 |
| Количество: | |
2
2
2 - для автомобилей ГАЗ М-21, ГАЗ М-21Е
Подробная информация
| Автомобиль: | ГАЗ 21 |
| Модификации: | М-21, М-21А, М-21В, М-21Д, М-21Е |
| Название детали: | Кольцо уплотнительное сальника крышки распределительных шестерен |
| Номер детали: | 21-1002069-Б |
| Актуальность: | 01.01.1958 |
| Количество: | |
1
1
1 - для автомобилей ГАЗ М-21, ГАЗ М-21Е
Подробная информация
| Автомобиль: | ГАЗ 21 |
| Модификации: | М-21, М-21А, М-21В, М-21Д, М-21Е |
| Название детали: | Шпилька 1М8х38 крепления крышки распределительных шестерен |
| Номер детали: | 291752-П8 |
| Актуальность: | 01.01.1958 |
| Количество: | |
1
1
1 - для автомобилей ГАЗ М-21, ГАЗ М-21Е
Подробная информация
| Автомобиль: | ГАЗ 21 |
| Модификации: | М-21, М-21А, М-21В, М-21Д, М-21Е |
| Название детали: | Крышка распределительных шестерен в сборе |
| Номер детали: | 21-1002058-Б |
| Актуальность: | 01.01.1958 |
| Количество: | |
1
1
1 - для автомобилей ГАЗ М-21, ГАЗ М-21Е
Подробная информация
| Автомобиль: | ГАЗ 21 |
| Модификации: | М-21, М-21А, М-21В, М-21Д, М-21Е |
| Название детали: | Шпилька 1М8х58 крепления крышки распределительных шестерен |
| Номер детали: | 291758-П8 |
| Актуальность: | 01.01.1958 |
| Количество: | |
4
4
4 - для автомобилей ГАЗ М-21, ГАЗ М-21Е
Подробная информация
| Автомобиль: | ГАЗ 21 |
| Модификации: | М-21, М-21А, М-21В, М-21Д, М-21Е |
| Название детали: | Болт М6х12 крепления трубки смазки распределительных шестерен |
| Номер детали: | 290489-П |
| Актуальность: | 01.01.1958 |
| Количество: | |
1
1
1 - для автомобилей ГАЗ М-21, ГАЗ М-21Е
Подробная информация
| Автомобиль: | ГАЗ 21 |
| Модификации: | М-21, М-21А, М-21В, М-21Д, М-21Е |
| Название детали: | Хомутик трубки смазки распределительных шестерен |
| Номер детали: | 11-6095 |
| Актуальность: | 01.01.1958 |
| Количество: | |
1
1
1 - для автомобилей ГАЗ М-21, ГАЗ М-21Е
Подробная информация
| Автомобиль: | ГАЗ 21 |
| Модификации: | М-21, М-21А, М-21В, М-21Д, М-21Е |
| Название детали: | Трубка смазки распределительных шестерен |
| Номер детали: | 11-6094 |
| Актуальность: | 01.01.1958 |
| Количество: | |
1
1
1 - для автомобилей ГАЗ М-21, ГАЗ М-21Е
Подробная информация
| Автомобиль: | ГАЗ 21 |
| Модификации: | М-21, М-21А, М-21В, М-21Д, М-21Е |
| Название детали: | Сальник передний коленчатого вала с отражателем в сборе |
| Номер детали: | 21-1005032 |
| Актуальность: | 01.01.1958 |
| Количество: | |
1
1
1 - для автомобилей ГАЗ М-21, ГАЗ М-21Е
Подробная информация
| Автомобиль: | ГАЗ 21 |
| Модификации: | М-21, М-21А, М-21В, М-21Д, М-21Е |
| Название детали: | Прокладка крышки распределительных шестерен |
| Номер детали: | 21-1002064-Б |
| Актуальность: | 01.01.1958 |
| Количество: | |
1
1
1 - для автомобилей ГАЗ М-21, ГАЗ М-21Е
№
Номер запчасти
Наименование запчасти
21-1002009-Б
Блок цилиндров с картером переходным и картером гидротрансформатора в сборе
Нет в продаже
295128-П
Штифт диаметром 13х28 установочный картера переходного гидротрансформатора и картера сцепления
Нет в продаже
28
11-6335-Б
Прокладка уплотнительная крышки заднего подшипника коленчатого вала правая
Нет в продаже
34
11-6336-Б
Прокладка уплотнительная крышки заднего подшипника коленчатого вала левая
Нет в продаже