- Автозапчасти ВАЗ
- Автозапчасти ГАЗ
- Автозапчасти на иномарки
- Автохимия, масла
- Подбор масла
- Инструменты, аксессуары
- Метизы
- Прочее, Москвич
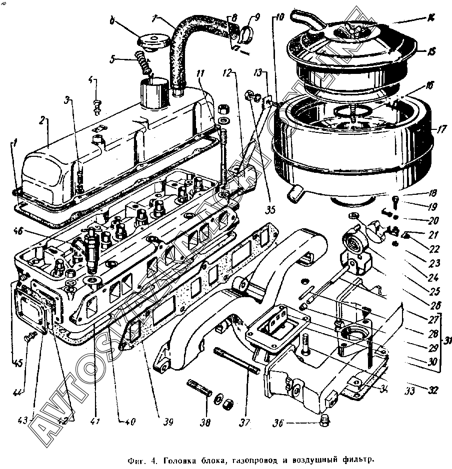
Головка блока, газопровод и воздушный фильтр ГАЗ 21 (М-21, М-21А, М-21В, М-21Д, М-21Е)
+
Увеличить изображение на 10%
-
Уменьшить изображение на 10%
Выделение детали в таблице
Прокрутка картинки
Увеличить масштаб
1
3
4
5
6
7
8
9
10
11
12
13
14
15
16
17
18
19
20
21
22
23
24
25
26
27
28
29
30
31
32
33
34
35
36
37
38
39
40
41
42
43
44
45
46
Подробная информация
| Автомобиль: | ГАЗ 21 |
| Модификации: | М-21, М-21А, М-21В, М-21Д, М-21Е |
| Название детали: | Газопровод двигателя в сборе (с термостатом) |
| Номер детали: | 21-1008010-Б |
| Актуальность: | 01.01.1958 |
| Количество: | |
1
1
1 - для автомобилей ГАЗ М-21, ГАЗ М-21Е
Подробная информация
| Автомобиль: | ГАЗ 21 |
| Модификации: | М-21, М-21А, М-21В, М-21Д, М-21Е |
| Название детали: | Шайба диаметр 10,5 зажимная газопровода |
| Номер детали: | 293309-П8 |
| Актуальность: | 01.01.1958 |
| Количество: | |
4
4
4 - для автомобилей ГАЗ М-21, ГАЗ М-21Е
Подробная информация
| Автомобиль: | ГАЗ 21 |
| Модификации: | М-21, М-21А, М-21В, М-21Д, М-21Е |
| Название детали: | Шайба диаметром 10 крепления выпускного коллектора |
| Номер детали: | 252006-П2 |
| Актуальность: | 01.01.1958 |
| Количество: | |
2
2
2 - для автомобилей ГАЗ М-21, ГАЗ М-21Е
Подробная информация
| Автомобиль: | ГАЗ 21 |
| Модификации: | М-21, М-21А, М-21В, М-21Д, М-21Е |
| Название детали: | Винт М6х16 крепления крышки коромысел |
| Номер детали: | 222525-П8 |
| Актуальность: | 01.01.1958 |
| Количество: | |
6
6
6 - для автомобилей ГАЗ М-21, ГАЗ М-21Е
Подробная информация
| Автомобиль: | ГАЗ 21 |
| Модификации: | М-21, М-21А, М-21В, М-21Д, М-21Е |
| Название детали: | Втулка направляющая впускной трубы |
| Номер детали: | 21-1008130 |
| Актуальность: | 01.01.1958 |
| Количество: | |
1
1
1 - для автомобилей ГАЗ М-21, ГАЗ М-21Е
Подробная информация
| Автомобиль: | ГАЗ 21 |
| Модификации: | М-21, М-21А, М-21В, М-21Д, М-21Е |
| Название детали: | Газопровод двигателя в сборе |
| Номер детали: | 21-1008012-Б |
| Актуальность: | 01.01.1958 |
| Количество: | |
1
1
1 - для автомобилей ГАЗ М-21, ГАЗ М-21Е
Подробная информация
| Автомобиль: | ГАЗ 21 |
| Модификации: | М-21, М-21А, М-21В, М-21Д, М-21Е |
| Название детали: | Гайка 1М10 шпилек газопровода |
| Номер детали: | 292782-П |
| Актуальность: | 01.01.1958 |
| Количество: | |
7
7
7 - для автомобилей ГАЗ М-21, ГАЗ М-21Е
Подробная информация
| Автомобиль: | ГАЗ 21 |
| Модификации: | М-21, М-21А, М-21В, М-21Д, М-21Е |
| Название детали: | Гайка 1М11 шпильки крепления головки цилиндров |
| Номер детали: | 292798-П8 |
| Актуальность: | 01.01.1958 |
| Количество: | |
10
10
10 - для автомобилей ГАЗ М-21, ГАЗ М-21Е
Подробная информация
| Автомобиль: | ГАЗ 21 |
| Модификации: | М-21, М-21А, М-21В, М-21Д, М-21Е |
| Название детали: | Гайка М8 |
| Номер детали: | 250765-П |
| Актуальность: | 01.01.1958 |
| Количество: | |
4
4
4 - для автомобилей ГАЗ М-21, ГАЗ М-21Е
Подробная информация
| Автомобиль: | ГАЗ 21 |
| Модификации: | М-21, М-21А, М-21В, М-21Д, М-21Е |
| Название детали: | Шайба диаметром 11 гайки шпильки головки цилиндров |
| Номер детали: | 293334-П8 |
| Актуальность: | 01.01.1958 |
| Количество: | |
10
10
10 - для автомобилей ГАЗ М-21, ГАЗ М-21Е
Подробная информация
| Автомобиль: | ГАЗ 21 |
| Модификации: | М-21, М-21А, М-21В, М-21Д, М-21Е |
| Название детали: | Шайба диаметром 6 винта крепления крышки |
| Номер детали: | 252004-П8 |
| Актуальность: | 01.01.1958 |
| Количество: | |
6
6
6 - для автомобилей ГАЗ М-21, ГАЗ М-21Е
Подробная информация
| Автомобиль: | ГАЗ 21 |
| Модификации: | М-21, М-21А, М-21В, М-21Д, М-21Е |
| Название детали: | Шайба диаметром 8 пружинная болта крепления крышки отверстия водяной рубашки |
| Номер детали: | 252135-П2 |
| Актуальность: | 01.01.1958 |
| Количество: | |
4
4
4 - для автомобилей ГАЗ М-21, ГАЗ М-21Е
Подробная информация
| Автомобиль: | ГАЗ 21 |
| Модификации: | М-21, М-21А, М-21В, М-21Д, М-21Е |
| Название детали: | Шайба пружинная диаметром 8 |
| Номер детали: | 252135-П2 |
| Актуальность: | 01.01.1958 |
| Количество: | |
1
1
1 - для автомобилей ГАЗ М-21, ГАЗ М-21Е
Подробная информация
| Автомобиль: | ГАЗ 21 |
| Модификации: | М-21, М-21А, М-21В, М-21Д, М-21Е |
| Название детали: | Шайба пружинная диаметром 8 |
| Номер детали: | 252235-П8 |
| Актуальность: | 01.01.1958 |
| Количество: | |
1
1
1 - для автомобилей ГАЗ М-21, ГАЗ М-21Е
Подробная информация
| Автомобиль: | ГАЗ 21 |
| Модификации: | М-21, М-21А, М-21В, М-21Д, М-21Е |
| Название детали: | Крышка коромысел в сборе |
| Номер детали: | 21-1007230-Б |
| Актуальность: | 01.01.1958 |
| Количество: | |
1
1
1 - для автомобилей ГАЗ М-21, ГАЗ М-21Е
Подробная информация
| Автомобиль: | ГАЗ 21 |
| Модификации: | М-21, М-21А, М-21В, М-21Д, М-21Е |
| Название детали: | Прокладка крышки коромысел |
| Номер детали: | 21-1007245-Б |
| Актуальность: | 01.01.1958 |
| Количество: | |
1
1
1 - для автомобилей ГАЗ М-21, ГАЗ М-21Е
Подробная информация
| Автомобиль: | ГАЗ 21 |
| Модификации: | М-21, М-21А, М-21В, М-21Д, М-21Е |
| Название детали: | Болт М8х12 |
| Номер детали: | 201452-П8 |
| Актуальность: | 01.01.1958 |
| Количество: | |
1
1
1 - для автомобилей ГАЗ М-21, ГАЗ М-21Е
Подробная информация
| Автомобиль: | ГАЗ 21 |
| Модификации: | М-21, М-21А, М-21В, М-21Д, М-21Е |
| Название детали: | Натяжное устройство крышки маслоналивного патрубка в сборе |
| Номер детали: | 21-1009170 |
| Актуальность: | 01.01.1958 |
| Количество: | |
1
1
1 - для автомобилей ГАЗ М-21, ГАЗ М-21Е
Подробная информация
| Автомобиль: | ГАЗ 21 |
| Модификации: | М-21, М-21А, М-21В, М-21Д, М-21Е |
| Название детали: | Крышка маслоналивного патрубка в сборе |
| Номер детали: | 21-1009146 |
| Актуальность: | 01.01.1958 |
| Количество: | |
1
1
1 - для автомобилей ГАЗ М-21, ГАЗ М-21Е
Подробная информация
| Автомобиль: | ГАЗ 21 |
| Модификации: | М-21, М-21А, М-21В, М-21Д, М-21Е |
| Название детали: | Шланг соединительный вентиляции картера |
| Номер детали: | 69-1014075 |
| Актуальность: | 01.01.1958 |
| Количество: | |
1
1
1 - для автомобилей ГАЗ М-21, ГАЗ М-21Е
Подробная информация
| Автомобиль: | ГАЗ 21 |
| Модификации: | М-21, М-21А, М-21В, М-21Д, М-21Е |
| Название детали: | Пряжка хомутика шланга |
| Номер детали: | 297580-П8 |
| Актуальность: | 01.01.1958 |
| Количество: | |
4
4
4 - для автомобилей ГАЗ М-21, ГАЗ М-21Е
Подробная информация
| Автомобиль: | ГАЗ 21 |
| Модификации: | М-21, М-21А, М-21В, М-21Д, М-21Е |
| Название детали: | Лента стяжная хомутика шланга |
| Номер детали: | 297584-П8 |
| Актуальность: | 01.01.1958 |
| Количество: | |
4
4
4 - для автомобилей ГАЗ М-21, ГАЗ М-21Е
Подробная информация
| Автомобиль: | ГАЗ 21 |
| Модификации: | М-21, М-21А, М-21В, М-21Д, М-21Е |
| Название детали: | Болт 1М8х18 |
| Номер детали: | 210131-П8 |
| Актуальность: | 01.01.1958 |
| Количество: | |
1
1
1 - для автомобилей ГАЗ М-21, ГАЗ М-21Е
Подробная информация
| Автомобиль: | ГАЗ 21 |
| Модификации: | М-21, М-21А, М-21В, М-21Д, М-21Е |
| Название детали: | Шпилька 1М11х102 крепления головки цилиндров |
| Номер детали: | 291839-П |
| Актуальность: | 01.01.1958 |
| Количество: | |
10
10
10 - для автомобилей ГАЗ М-21, ГАЗ М-21Е
Подробная информация
| Автомобиль: | ГАЗ 21 |
| Модификации: | М-21, М-21А, М-21В, М-21Д, М-21Е |
| Название детали: | Труба водораспределительная головки цилиндров |
| Номер детали: | 21-1003073 |
| Актуальность: | 01.01.1958 |
| Количество: | |
1
1
1 - для автомобилей ГАЗ М-21, ГАЗ М-21Е
Подробная информация
| Автомобиль: | ГАЗ 21 |
| Модификации: | М-21, М-21А, М-21В, М-21Д, М-21Е |
| Название детали: | Кронштейн крепления воздушного фильтра |
| Номер детали: | 21-1109142-Б |
| Актуальность: | 01.01.1958 |
| Количество: | |
1
1
1 - для автомобилей ГАЗ М-21, ГАЗ М-21Е
Подробная информация
| Автомобиль: | ГАЗ 21 |
| Модификации: | М-21, М-21А, М-21В, М-21Д, М-21Е |
| Название детали: | Винт М крепления воздушного фильтра |
| Номер детали: | 12-1109158 |
| Актуальность: | 01.01.1958 |
| Количество: | |
1
1
1 - для автомобилей ГАЗ М-21, ГАЗ М-21Е
Подробная информация
| Автомобиль: | ГАЗ 21 |
| Модификации: | М-21, М-21А, М-21В, М-21Д, М-21Е |
| Название детали: | Крышка воздушного фильтра с корпусом фильтрующего элемента в сборе |
| Номер детали: | 21-1109013-А |
| Актуальность: | 01.01.1958 |
| Количество: | |
1
1
1 - для автомобилей ГАЗ М-21, ГАЗ М-21Е
Подробная информация
| Автомобиль: | ГАЗ 21 |
| Модификации: | М-21, М-21А, М-21В, М-21Д, М-21Е |
| Название детали: | Прокладка горловины воздушного фильтра |
| Номер детали: | 21-1109042 |
| Актуальность: | 01.01.1958 |
| Количество: | |
1
1
1 - для автомобилей ГАЗ М-21, ГАЗ М-21Е
Подробная информация
| Автомобиль: | ГАЗ 21 |
| Модификации: | М-21, М-21А, М-21В, М-21Д, М-21Е |
| Название детали: | Корпус воздушного фильтра с глушителем шума всасывания в сборе |
| Номер детали: | 21-1109033 |
| Актуальность: | 01.01.1958 |
| Количество: | |
1
1
1 - для автомобилей ГАЗ М-21, ГАЗ М-21Е
Подробная информация
| Автомобиль: | ГАЗ 21 |
| Модификации: | М-21, М-21А, М-21В, М-21Д, М-21Е |
| Название детали: | Прокладка патрубка крепления воздушного фильтра |
| Номер детали: | 21-1109129 |
| Актуальность: | 01.01.1958 |
| Количество: | |
1
1
1 - для автомобилей ГАЗ М-21, ГАЗ М-21Е
Подробная информация
| Автомобиль: | ГАЗ 21 |
| Модификации: | М-21, М-21А, М-21В, М-21Д, М-21Е |
| Название детали: | Болт М5х18 противовеса заслонки подогрева смеси |
| Номер детали: | 290410-П8 |
| Актуальность: | 01.01.1958 |
| Количество: | |
1
1
1 - для автомобилей ГАЗ М-21, ГАЗ М-21Е
Подробная информация
| Автомобиль: | ГАЗ 21 |
| Модификации: | М-21, М-21А, М-21В, М-21Д, М-21Е |
| Название детали: | Ограничитель поворота заслонки подогрева смеси в сборе |
| Номер детали: | 12-1008074 |
| Актуальность: | 01.01.1958 |
| Количество: | |
1
1
1 - для автомобилей ГАЗ М-21, ГАЗ М-21Е
Подробная информация
| Автомобиль: | ГАЗ 21 |
| Модификации: | М-21, М-21А, М-21В, М-21Д, М-21Е |
| Название детали: | Противовес заслонки подогрева смеси |
| Номер детали: | 12-1008052 |
| Актуальность: | 01.01.1958 |
| Количество: | |
1
1
1 - для автомобилей ГАЗ М-21, ГАЗ М-21Е
Подробная информация
| Автомобиль: | ГАЗ 21 |
| Модификации: | М-21, М-21А, М-21В, М-21Д, М-21Е |
| Название детали: | Фиксатор противовеса заслонки подогрева смеси |
| Номер детали: | 12-1008072 |
| Актуальность: | 01.01.1958 |
| Количество: | |
1
1
1 - для автомобилей ГАЗ М-21, ГАЗ М-21Е
Подробная информация
| Автомобиль: | ГАЗ 21 |
| Модификации: | М-21, М-21А, М-21В, М-21Д, М-21Е |
| Название детали: | Гайка М5 болта противовеса заслонки подогрева смеси |
| Номер детали: | 250763-П8 |
| Актуальность: | 01.01.1958 |
| Количество: | |
1
1
1 - для автомобилей ГАЗ М-21, ГАЗ М-21Е
Подробная информация
| Автомобиль: | ГАЗ 21 |
| Модификации: | М-21, М-21А, М-21В, М-21Д, М-21Е |
| Название детали: | Шайба диаметром 6 винта крепления воздушного фильтра |
| Номер детали: | 252037-П8 |
| Актуальность: | 01.01.1958 |
| Количество: | |
1
1
1 - для автомобилей ГАЗ М-21, ГАЗ М-21Е
Подробная информация
| Автомобиль: | ГАЗ 21 |
| Модификации: | М-21, М-21А, М-21В, М-21Д, М-21Е |
| Название детали: | Термостат заслонки подогрева смеси |
| Номер детали: | 12-1008044-Б |
| Актуальность: | 01.01.1958 |
| Количество: | |
1
1
1 - для автомобилей ГАЗ М-21, ГАЗ М-21Е
Подробная информация
| Автомобиль: | ГАЗ 21 |
| Модификации: | М-21, М-21А, М-21В, М-21Д, М-21Е |
| Название детали: | Кожух термостата заслонки подогрева смеси в сборе |
| Номер детали: | 20-1008082-А2 |
| Актуальность: | 01.01.1958 |
| Количество: | |
1
1
1 - для автомобилей ГАЗ М-21, ГАЗ М-21Е
Подробная информация
| Автомобиль: | ГАЗ 21 |
| Модификации: | М-21, М-21А, М-21В, М-21Д, М-21Е |
| Название детали: | Ось заслонки подогрева смеси |
| Номер детали: | 20-1008041 |
| Актуальность: | 01.01.1958 |
| Количество: | |
1
1
1 - для автомобилей ГАЗ М-21, ГАЗ М-21Е
Подробная информация
| Автомобиль: | ГАЗ 21 |
| Модификации: | М-21, М-21А, М-21В, М-21Д, М-21Е |
| Название детали: | Штифт диаметр 5х40 цилиндрический термостата подогрева смеси |
| Номер детали: | 258952-П |
| Актуальность: | 01.01.1958 |
| Количество: | |
1
1
1 - для автомобилей ГАЗ М-21, ГАЗ М-21Е
Подробная информация
| Автомобиль: | ГАЗ 21 |
| Модификации: | М-21, М-21А, М-21В, М-21Д, М-21Е |
| Название детали: | Втулка оси заслонки подогрева смеси |
| Номер детали: | 11-9440 |
| Актуальность: | 01.01.1958 |
| Количество: | |
2
2
2 - для автомобилей ГАЗ М-21, ГАЗ М-21Е
Подробная информация
| Автомобиль: | ГАЗ 21 |
| Модификации: | М-21, М-21А, М-21В, М-21Д, М-21Е |
| Название детали: | Заслонка подогрева смеси |
| Номер детали: | 21-1008038 |
| Актуальность: | 01.01.1958 |
| Количество: | |
1
1
1 - для автомобилей ГАЗ М-21, ГАЗ М-21Е
Подробная информация
| Автомобиль: | ГАЗ 21 |
| Модификации: | М-21, М-21А, М-21В, М-21Д, М-21Е |
| Название детали: | Коллектор выпускной в сборе |
| Номер детали: | 21-1008024-Б |
| Актуальность: | 01.01.1958 |
| Количество: | |
1
1
1 - для автомобилей ГАЗ М-21, ГАЗ М-21Е
Подробная информация
| Автомобиль: | ГАЗ 21 |
| Модификации: | М-21, М-21А, М-21В, М-21Д, М-21Е |
| Название детали: | Прокладка между впускной трубой и выпускным коллектором |
| Номер детали: | 20-1008019 |
| Актуальность: | 01.01.1958 |
| Количество: | |
1
1
1 - для автомобилей ГАЗ М-21, ГАЗ М-21Е
Подробная информация
| Автомобиль: | ГАЗ 21 |
| Модификации: | М-21, М-21А, М-21В, М-21Д, М-21Е |
| Название детали: | Болт М8х30 крепления выпускного коллектора к впускной трубе |
| Номер детали: | 201460-П8 |
| Актуальность: | 01.01.1958 |
| Количество: | |
4
4
4 - для автомобилей ГАЗ М-21, ГАЗ М-21Е
Подробная информация
| Автомобиль: | ГАЗ 21 |
| Модификации: | М-21, М-21А, М-21В, М-21Д, М-21Е |
| Название детали: | Труба впускная |
| Номер детали: | 21-1008015-Б |
| Актуальность: | 01.01.1958 |
| Количество: | |
1
1
1 - для автомобилей ГАЗ М-21, ГАЗ М-21Е
Подробная информация
| Автомобиль: | ГАЗ 21 |
| Модификации: | М-21, М-21А, М-21В, М-21Д, М-21Е |
| Название детали: | Гайка М8 |
| Номер детали: | 250511-П8 |
| Актуальность: | 01.01.1958 |
| Количество: | |
1
1
1 - для автомобилей ГАЗ М-21, ГАЗ М-21Е
Подробная информация
| Автомобиль: | ГАЗ 21 |
| Модификации: | М-21, М-21А, М-21В, М-21Д, М-21Е |
| Название детали: | Пробка 1/4" коническая впускной трубы |
| Номер детали: | 353052-S8 |
| Актуальность: | 01.01.1958 |
| Количество: | |
1
1
1 - для автомобилей ГАЗ М-21, ГАЗ М-21Е
Подробная информация
| Автомобиль: | ГАЗ 21 |
| Модификации: | М-21, М-21А, М-21В, М-21Д, М-21Е |
| Название детали: | Шпилька 1М10х80 газопровода - длинная |
| Номер детали: | 291815-П |
| Актуальность: | 01.01.1958 |
| Количество: | |
2
2
2 - для автомобилей ГАЗ М-21, ГАЗ М-21Е
Подробная информация
| Автомобиль: | ГАЗ 21 |
| Модификации: | М-21, М-21А, М-21В, М-21Д, М-21Е |
| Название детали: | Шпилька 1М10х30 крепления газопроводу короткая |
| Номер детали: | 291797-П |
| Актуальность: | 01.01.1958 |
| Количество: | |
5
5
5 - для автомобилей ГАЗ М-21, ГАЗ М-21Е
Подробная информация
| Автомобиль: | ГАЗ 21 |
| Модификации: | М-21, М-21А, М-21В, М-21Д, М-21Е |
| Название детали: | Прокладка газопровода |
| Номер детали: | 21-1008080 |
| Актуальность: | 01.01.1958 |
| Количество: | |
1
1
1 - для автомобилей ГАЗ М-21, ГАЗ М-21Е
Подробная информация
| Автомобиль: | ГАЗ 21 |
| Модификации: | М-21, М-21А, М-21В, М-21Д, М-21Е |
| Название детали: | Прокладка головки цилиндров в сборе |
| Номер детали: | 21-1003020-Б1 |
| Актуальность: | 01.01.1958 |
| Количество: | |
1
1
1 - для автомобилей ГАЗ М-21, ГАЗ М-21Е
Подробная информация
| Автомобиль: | ГАЗ 21 |
| Модификации: | М-21, М-21А, М-21В, М-21Д, М-21Е |
| Название детали: | Головка блока цилиндров в сборе |
| Номер детали: | 21-1003010 |
| Актуальность: | 01.01.1958 |
| Количество: | |
1
- для автомобилей ГАЗ М-21, ГАЗ М-21Е
Подробная информация
| Автомобиль: | ГАЗ 21 |
| Модификации: | М-21, М-21А, М-21В, М-21Д, М-21Е |
| Название детали: | Головка блока цилиндров в сборе |
| Номер детали: | 21Д-1003010 |
| Актуальность: | 01.01.1958 |
| Количество: | |
Подробная информация
| Автомобиль: | ГАЗ 21 |
| Модификации: | М-21, М-21А, М-21В, М-21Д, М-21Е |
| Название детали: | Прокладка крышки отверстия водяной рубашки головки цилиндров |
| Номер детали: | 21-1003084 |
| Актуальность: | 01.01.1958 |
| Количество: | |
1
1
1 - для автомобилей ГАЗ М-21, ГАЗ М-21Е
Подробная информация
| Автомобиль: | ГАЗ 21 |
| Модификации: | М-21, М-21А, М-21В, М-21Д, М-21Е |
| Название детали: | Крышка отверстия водяной рубашки головки цилиндров |
| Номер детали: | 21-1003082 |
| Актуальность: | 01.01.1958 |
| Количество: | |
1
1
1 - для автомобилей ГАЗ М-21, ГАЗ М-21Е
Подробная информация
| Автомобиль: | ГАЗ 21 |
| Модификации: | М-21, М-21А, М-21В, М-21Д, М-21Е |
| Название детали: | Болт М8х18 крепления крышки отверстия водяной рубашки |
| Номер детали: | 201455-П8 |
| Актуальность: | 01.01.1958 |
| Количество: | |
4
4
4 - для автомобилей ГАЗ М-21, ГАЗ М-21Е
Подробная информация
| Автомобиль: | ГАЗ 21 |
| Модификации: | М-21, М-21А, М-21В, М-21Д, М-21Е |
| Название детали: | Пробка 1/8" коническая масляного канала |
| Номер детали: | 262531-П |
| Актуальность: | 01.01.1958 |
| Количество: | |
1
1
1 - для автомобилей ГАЗ М-21, ГАЗ М-21Е
Подробная информация
| Автомобиль: | ГАЗ 21 |
| Модификации: | М-21, М-21А, М-21В, М-21Д, М-21Е |
| Название детали: | Краник запорный отопителя в сборе |
| Номер детали: | 30-8101020 |
| Актуальность: | 01.01.1958 |
| Количество: | |
1
1
1 - для автомобилей ГАЗ М-21, ГАЗ М-21Е
№
Номер запчасти
Наименование запчасти