- Автозапчасти ВАЗ
- Автозапчасти ГАЗ
- Автозапчасти на иномарки
- Автохимия, масла
- Подбор масла
- Инструменты, аксессуары
- Метизы
- Прочее, Москвич
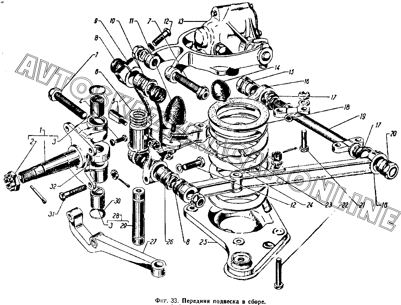
Передняя подвеска в сборе ГАЗ 21 (М-21, М-21А, М-21В, М-21Д, М-21Е)
+
Увеличить изображение на 10%
-
Уменьшить изображение на 10%
Выделение детали в таблице
Прокрутка картинки
Увеличить масштаб
1
2
3
3
4
5
6
7
7
8
8
9
10
11
12
12
13
14
15
16
16
17
17
18
19
20
21
22
23
24
25
26
27
28
29
30
31
32
Подробная информация
| Автомобиль: | ГАЗ 21 |
| Модификации: | М-21, М-21А, М-21В, М-21Д, М-21Е |
| Название детали: | Контр гайка М18 резьбового пальца передней подвески |
| Номер детали: | 250637-П8 |
| Актуальность: | 01.01.1958 |
| Количество: | |
4
4
4 - для автомобилей ГАЗ М-21, ГАЗ М-21Е
Подробная информация
| Автомобиль: | ГАЗ 21 |
| Модификации: | М-21, М-21А, М-21В, М-21Д, М-21Е |
| Название детали: | Кулак поворотный со втулками в сборе - правый |
| Номер детали: | 20-3001013-Б |
| Актуальность: | 01.01.1958 |
| Количество: | |
1
1
1 - для автомобилей ГАЗ М-21, ГАЗ М-21Е
Подробная информация
| Автомобиль: | ГАЗ 21 |
| Модификации: | М-21, М-21А, М-21В, М-21Д, М-21Е |
| Название детали: | Ось нижних рычагов передней подвески левая |
| Номер детали: | 21-2904033 |
| Актуальность: | 01.01.1958 |
| Количество: | |
1
1
1 - для автомобилей ГАЗ М-21, ГАЗ М-21Е
Подробная информация
| Автомобиль: | ГАЗ 21 |
| Модификации: | М-21, М-21А, М-21В, М-21Д, М-21Е |
| Название детали: | Подвеска передняя в сборе (без тормозов и колес) |
| Номер детали: | 21-2901015 |
| Актуальность: | 01.01.1958 |
| Количество: | |
1
1
1 - для автомобилей ГАЗ М-21, ГАЗ М-21Е
Подробная информация
| Автомобиль: | ГАЗ 21 |
| Модификации: | М-21, М-21А, М-21В, М-21Д, М-21Е |
| Название детали: | Рычаг рулевой трапеции - левый |
| Номер детали: | 21-3001031 |
| Актуальность: | 01.01.1958 |
| Количество: | |
1
1
1 - для автомобилей ГАЗ М-21, ГАЗ М-21Е
Подробная информация
| Автомобиль: | ГАЗ 21 |
| Модификации: | М-21, М-21А, М-21В, М-21Д, М-21Е |
| Название детали: | Чашка опорная пружины передней подвески левая в сборе |
| Номер детали: | 20-2902735 |
| Актуальность: | 01.01.1958 |
| Количество: | |
1
1
1 - для автомобилей ГАЗ М-21, ГАЗ М-21Е
Подробная информация
| Автомобиль: | ГАЗ 21 |
| Модификации: | М-21, М-21А, М-21В, М-21Д, М-21Е |
| Название детали: | Шайба гайки стопорного штифта шкворня поворотного кулака |
| Номер детали: | 25663-S2 |
| Актуальность: | 01.01.1958 |
| Количество: | |
2
2
2 - для автомобилей ГАЗ М-21, ГАЗ М-21Е
Подробная информация
| Автомобиль: | ГАЗ 21 |
| Модификации: | М-21, М-21А, М-21В, М-21Д, М-21Е |
| Название детали: | Шайба диаметром 10 пружинная |
| Номер детали: | 252136-П |
| Актуальность: | 01.01.1958 |
| Количество: | |
4
4
4 - для автомобилей ГАЗ М-21, ГАЗ М-21Е
Подробная информация
| Автомобиль: | ГАЗ 21 |
| Модификации: | М-21, М-21А, М-21В, М-21Д, М-21Е |
| Название детали: | Шайба диаметром 10 пружинная |
| Номер детали: | 252176-П2 |
| Актуальность: | 01.01.1958 |
| Количество: | |
8
8
8 - для автомобилей ГАЗ М-21, ГАЗ М-21Е
Подробная информация
| Автомобиль: | ГАЗ 21 |
| Модификации: | М-21, М-21А, М-21В, М-21Д, М-21Е |
| Название детали: | Шайба диаметром 18 пружинная |
| Номер детали: | 252240-П2 |
| Актуальность: | 01.01.1958 |
| Количество: | |
4
4
4 - для автомобилей ГАЗ М-21, ГАЗ М-21Е
Подробная информация
| Автомобиль: | ГАЗ 21 |
| Модификации: | М-21, М-21А, М-21В, М-21Д, М-21Е |
| Название детали: | Шайба диаметром 8 пружинная |
| Номер детали: | 252135-П2 |
| Актуальность: | 01.01.1958 |
| Количество: | |
2
2
2 - для автомобилей ГАЗ М-21, ГАЗ М-21Е
Подробная информация
| Автомобиль: | ГАЗ 21 |
| Модификации: | М-21, М-21А, М-21В, М-21Д, М-21Е |
| Название детали: | Шплинт диаметром 2,7 |
| Номер детали: | 258040-П |
| Актуальность: | 01.01.1958 |
| Количество: | |
4
4
4 - для автомобилей ГАЗ М-21, ГАЗ М-21Е
Подробная информация
| Автомобиль: | ГАЗ 21 |
| Модификации: | М-21, М-21А, М-21В, М-21Д, М-21Е |
| Название детали: | Шплинт диаметром 3х15 |
| Номер детали: | 258038-П |
| Актуальность: | 01.01.1958 |
| Количество: | |
8
8
8 - для автомобилей ГАЗ М-21, ГАЗ М-21Е
Подробная информация
| Автомобиль: | ГАЗ 21 |
| Модификации: | М-21, М-21А, М-21В, М-21Д, М-21Е |
| Название детали: | Шплинт диаметром 4,6 |
| Номер детали: | 258070-П |
| Актуальность: | 01.01.1958 |
| Количество: | |
2
2
2 - для автомобилей ГАЗ М-21, ГАЗ М-21Е
Подробная информация
| Автомобиль: | ГАЗ 21 |
| Модификации: | М-21, М-21А, М-21В, М-21Д, М-21Е |
| Название детали: | Шплинт-проволока диаметром 1,2х175 |
| Номер детали: | 257853-П |
| Актуальность: | 01.01.1958 |
| Количество: | |
4
4
4 - для автомобилей ГАЗ М-21, ГАЗ М-21Е
Подробная информация
| Автомобиль: | ГАЗ 21 |
| Модификации: | М-21, М-21А, М-21В, М-21Д, М-21Е |
| Название детали: | Гайка 1М10 болта крепления чашки пружины передней подвески |
| Номер детали: | 250868-П8 |
| Актуальность: | 01.01.1958 |
| Количество: | |
8
8
8 - для автомобилей ГАЗ М-21, ГАЗ М-21Е
Подробная информация
| Автомобиль: | ГАЗ 21 |
| Модификации: | М-21, М-21А, М-21В, М-21Д, М-21Е |
| Название детали: | Гайка 1М10 специальная |
| Номер детали: | 292768-П8 |
| Актуальность: | 01.01.1958 |
| Количество: | |
8
8
8 - для автомобилей ГАЗ М-21, ГАЗ М-21Е
Подробная информация
| Автомобиль: | ГАЗ 21 |
| Модификации: | М-21, М-21А, М-21В, М-21Д, М-21Е |
| Название детали: | Гайка 1М11 стопорного штифта шкворня поворотного кулака |
| Номер детали: | 292801-П8 |
| Актуальность: | 01.01.1958 |
| Количество: | |
2
2
2 - для автомобилей ГАЗ М-21, ГАЗ М-21Е
Подробная информация
| Автомобиль: | ГАЗ 21 |
| Модификации: | М-21, М-21А, М-21В, М-21Д, М-21Е |
| Название детали: | Гайка 1М12 |
| Номер детали: | 250977-П8 |
| Актуальность: | 01.01.1958 |
| Количество: | |
4
4
4 - для автомобилей ГАЗ М-21, ГАЗ М-21Е
Подробная информация
| Автомобиль: | ГАЗ 21 |
| Модификации: | М-21, М-21А, М-21В, М-21Д, М-21Е |
| Название детали: | Гайка 1М8 крепления буфера хода сжатия передней подвески |
| Номер детали: | 250511-П8 |
| Актуальность: | 01.01.1958 |
| Количество: | |
2
2
2 - для автомобилей ГАЗ М-21, ГАЗ М-21Е
Подробная информация
| Автомобиль: | ГАЗ 21 |
| Модификации: | М-21, М-21А, М-21В, М-21Д, М-21Е |
| Название детали: | Контргайка 1М8 болта ограничителя поворотного кулака |
| Номер детали: | 250511-П8 |
| Актуальность: | 01.01.1958 |
| Количество: | |
2
2
2 - для автомобилей ГАЗ М-21, ГАЗ М-21Е
Подробная информация
| Автомобиль: | ГАЗ 21 |
| Модификации: | М-21, М-21А, М-21В, М-21Д, М-21Е |
| Название детали: | Кулак поворотный со втулками в сборе - правый |
| Номер детали: | 20-3001012-Б |
| Актуальность: | 01.01.1958 |
| Количество: | |
1
1
1 - для автомобилей ГАЗ М-21, ГАЗ М-21Е
Подробная информация
| Автомобиль: | ГАЗ 21 |
| Модификации: | М-21, М-21А, М-21В, М-21Д, М-21Е |
| Название детали: | Гайка 2М24 цапфы поворотного кулака |
| Номер детали: | 292957-П2 |
| Актуальность: | 01.01.1958 |
| Количество: | |
2
2
2 - для автомобилей ГАЗ М-21, ГАЗ М-21Е
Подробная информация
| Автомобиль: | ГАЗ 21 |
| Модификации: | М-21, М-21А, М-21В, М-21Д, М-21Е |
| Название детали: | Втулка шкворня поворотного кулака |
| Номер детали: | 11-3109 |
| Актуальность: | 01.01.1958 |
| Количество: | |
4
4
4 - для автомобилей ГАЗ М-21, ГАЗ М-21Е
Подробная информация
| Автомобиль: | ГАЗ 21 |
| Модификации: | М-21, М-21А, М-21В, М-21Д, М-21Е |
| Название детали: | Болт 1М8х20 ограничителя поворотного кулака |
| Номер детали: | 290644-П8 |
| Актуальность: | 01.01.1958 |
| Количество: | |
2
2
2 - для автомобилей ГАЗ М-21, ГАЗ М-21Е
Подробная информация
| Автомобиль: | ГАЗ 21 |
| Модификации: | М-21, М-21А, М-21В, М-21Д, М-21Е |
| Название детали: | Штифт шкворня поворотного кулака стопорный |
| Номер детали: | 20-3001025 |
| Актуальность: | 01.01.1958 |
| Количество: | |
2
2
2 - для автомобилей ГАЗ М-21, ГАЗ М-21Е
Подробная информация
| Автомобиль: | ГАЗ 21 |
| Модификации: | М-21, М-21А, М-21В, М-21Д, М-21Е |
| Название детали: | Шайба поворотного кулака регулировочная |
| Номер детали: | 20-3001022 |
| Актуальность: | 01.01.1958 |
| Количество: | |
Подробная информация
| Автомобиль: | ГАЗ 21 |
| Модификации: | М-21, М-21А, М-21В, М-21Д, М-21Е |
| Название детали: | Палец стойки передней подвески резьбовой |
| Номер детали: | 20-2904068-А |
| Актуальность: | 01.01.1958 |
| Количество: | |
4
4
4 - для автомобилей ГАЗ М-21, ГАЗ М-21Е
Подробная информация
| Автомобиль: | ГАЗ 21 |
| Модификации: | М-21, М-21А, М-21В, М-21Д, М-21Е |
| Название детали: | Кольцо резьбового пальца передней подвески уплотнительное |
| Номер детали: | 20-2904092 |
| Актуальность: | 01.01.1958 |
| Количество: | |
8
8
8 - для автомобилей ГАЗ М-21, ГАЗ М-21Е
Подробная информация
| Автомобиль: | ГАЗ 21 |
| Модификации: | М-21, М-21А, М-21В, М-21Д, М-21Е |
| Название детали: | Стойка передней подвески |
| Номер детали: | 21-2904056 |
| Актуальность: | 01.01.1958 |
| Количество: | |
2
2
2 - для автомобилей ГАЗ М-21, ГАЗ М-21Е
Подробная информация
| Автомобиль: | ГАЗ 21 |
| Модификации: | М-21, М-21А, М-21В, М-21Д, М-21Е |
| Название детали: | Втулка стойки передней подвески резьбовая |
| Номер детали: | 21-2904062 |
| Актуальность: | 01.01.1958 |
| Количество: | |
2
2
2 - для автомобилей ГАЗ М-21, ГАЗ М-21Е
Подробная информация
| Автомобиль: | ГАЗ 21 |
| Модификации: | М-21, М-21А, М-21В, М-21Д, М-21Е |
| Название детали: | Буфер хода сжатия передней подвески |
| Номер детали: | 20-2902622-А |
| Актуальность: | 01.01.1958 |
| Количество: | |
2
2
2 - для автомобилей ГАЗ М-21, ГАЗ М-21Е
Подробная информация
| Автомобиль: | ГАЗ 21 |
| Модификации: | М-21, М-21А, М-21В, М-21Д, М-21Е |
| Название детали: | Болт М10х45 резьбовых втулок стяжной |
| Номер детали: | 290763-П |
| Актуальность: | 01.01.1958 |
| Количество: | |
4
4
4 - для автомобилей ГАЗ М-21, ГАЗ М-21Е
Подробная информация
| Автомобиль: | ГАЗ 21 |
| Модификации: | М-21, М-21А, М-21В, М-21Д, М-21Е |
| Название детали: | Амортизатор передней подвески в сборе |
| Номер детали: | 21-2905006 |
| Актуальность: | 01.01.1958 |
| Количество: | |
2
2
2 - для автомобилей ГАЗ М-21, ГАЗ М-21Е
Подробная информация
| Автомобиль: | ГАЗ 21 |
| Модификации: | М-21, М-21А, М-21В, М-21Д, М-21Е |
| Название детали: | Буфер отдачи передней подвески |
| Номер детали: | 21-2902654 |
| Актуальность: | 01.01.1958 |
| Количество: | |
4
4
4 - для автомобилей ГАЗ М-21, ГАЗ М-21Е
Подробная информация
| Автомобиль: | ГАЗ 21 |
| Модификации: | М-21, М-21А, М-21В, М-21Д, М-21Е |
| Название детали: | Втулка нижних рычагов передней подвески в сборе |
| Номер детали: | 21-2904040 |
| Актуальность: | 01.01.1958 |
| Количество: | |
2
2
2 - для автомобилей ГАЗ М-21, ГАЗ М-21Е
Подробная информация
| Автомобиль: | ГАЗ 21 |
| Модификации: | М-21, М-21А, М-21В, М-21Д, М-21Е |
| Название детали: | Рычаги передней подвески нижние (комплект) |
| Номер детали: | 20-2904020-Б |
| Актуальность: | 01.01.1958 |
| Количество: | |
2
2
2 - для автомобилей ГАЗ М-21, ГАЗ М-21Е
Подробная информация
| Автомобиль: | ГАЗ 21 |
| Модификации: | М-21, М-21А, М-21В, М-21Д, М-21Е |
| Название детали: | Кольцо оси нижних рычагов передней подвески защитное |
| Номер детали: | 20-2904034 |
| Актуальность: | 01.01.1958 |
| Количество: | |
4
4
4 - для автомобилей ГАЗ М-21, ГАЗ М-21Е
Подробная информация
| Автомобиль: | ГАЗ 21 |
| Модификации: | М-21, М-21А, М-21В, М-21Д, М-21Е |
| Название детали: | Прокладка пружины передней подвески |
| Номер детали: | 20-2902730 |
| Актуальность: | 01.01.1958 |
| Количество: | |
2
2
2 - для автомобилей ГАЗ М-21, ГАЗ М-21Е
Подробная информация
| Автомобиль: | ГАЗ 21 |
| Модификации: | М-21, М-21А, М-21В, М-21Д, М-21Е |
| Название детали: | Ось нижних рычагов передней подвески правая |
| Номер детали: | 21-2904032 |
| Актуальность: | 01.01.1958 |
| Количество: | |
1
1
1 - для автомобилей ГАЗ М-21, ГАЗ М-21Е
Подробная информация
| Автомобиль: | ГАЗ 21 |
| Модификации: | М-21, М-21А, М-21В, М-21Д, М-21Е |
| Название детали: | Втулка нижних рычагов передней подвески в сборе |
| Номер детали: | 20-2904040 |
| Актуальность: | 01.01.1958 |
| Количество: | |
2
2
2 - для автомобилей ГАЗ М-21, ГАЗ М-21Е
Подробная информация
| Автомобиль: | ГАЗ 21 |
| Модификации: | М-21, М-21А, М-21В, М-21Д, М-21Е |
| Название детали: | Болт 1М10х35 крепления оси нижних рычагов передней подвески к поперечине |
| Номер детали: | 290759-П8 |
| Актуальность: | 01.01.1958 |
| Количество: | |
8
8
8 - для автомобилей ГАЗ М-21, ГАЗ М-21Е
Подробная информация
| Автомобиль: | ГАЗ 21 |
| Модификации: | М-21, М-21А, М-21В, М-21Д, М-21Е |
| Название детали: | Болт 1М10х48 крепления чашки пружины передней подвески |
| Номер детали: | 205445-П8 |
| Актуальность: | 01.01.1958 |
| Количество: | |
8
8
8 - для автомобилей ГАЗ М-21, ГАЗ М-21Е
Подробная информация
| Автомобиль: | ГАЗ 21 |
| Модификации: | М-21, М-21А, М-21В, М-21Д, М-21Е |
| Название детали: | Пружина передней подвески |
| Номер детали: | 21-2902712 |
| Актуальность: | 01.01.1958 |
| Количество: | |
2
2
2 - для автомобилей ГАЗ М-21, ГАЗ М-21Е
Подробная информация
| Автомобиль: | ГАЗ 21 |
| Модификации: | М-21, М-21А, М-21В, М-21Д, М-21Е |
| Название детали: | Ограничитель хода сжатия передней подвески |
| Номер детали: | 20-2902620 |
| Актуальность: | 01.01.1958 |
| Количество: | |
2
2
2 - для автомобилей ГАЗ М-21, ГАЗ М-21Е
Подробная информация
| Автомобиль: | ГАЗ 21 |
| Модификации: | М-21, М-21А, М-21В, М-21Д, М-21Е |
| Название детали: | Чашка опорная пружины передней подвески правая в сборе |
| Номер детали: | 20-2902734 |
| Актуальность: | 01.01.1958 |
| Количество: | |
1
1
1 - для автомобилей ГАЗ М-21, ГАЗ М-21Е
Подробная информация
| Автомобиль: | ГАЗ 21 |
| Модификации: | М-21, М-21А, М-21В, М-21Д, М-21Е |
| Название детали: | Втулка стойки передней подвески резьбовая эксцентриковая |
| Номер детали: | 21-2904063 |
| Актуальность: | 01.01.1958 |
| Количество: | |
2
2
2 - для автомобилей ГАЗ М-21, ГАЗ М-21Е
Подробная информация
| Автомобиль: | ГАЗ 21 |
| Модификации: | М-21, М-21А, М-21В, М-21Д, М-21Е |
| Название детали: | Рычаг рулевой трапеции - правый |
| Номер детали: | 21-3001030 |
| Актуальность: | 01.01.1958 |
| Количество: | |
1
1
1 - для автомобилей ГАЗ М-21, ГАЗ М-21Е
Подробная информация
| Автомобиль: | ГАЗ 21 |
| Модификации: | М-21, М-21А, М-21В, М-21Д, М-21Е |
| Название детали: | Втулки и шкворни (комплект) для ремонта поворотного кулака |
| Номер детали: | 21-2900101 |
| Актуальность: | 01.01.1958 |
| Количество: | |
1
1
1 - для автомобилей ГАЗ М-21, ГАЗ М-21Е
Подробная информация
| Автомобиль: | ГАЗ 21 |
| Модификации: | М-21, М-21А, М-21В, М-21Д, М-21Е |
| Название детали: | Шкворень поворотного кулака с заглушкой в сборе |
| Номер детали: | 21-3001018 |
| Актуальность: | 01.01.1958 |
| Количество: | |
2
2
2 - для автомобилей ГАЗ М-21, ГАЗ М-21Е
Подробная информация
| Автомобиль: | ГАЗ 21 |
| Модификации: | М-21, М-21А, М-21В, М-21Д, М-21Е |
| Название детали: | Заглушка диаметром 32 отверстия шкворня в поворотном кулаке |
| Номер детали: | 260313-П |
| Актуальность: | 01.01.1958 |
| Количество: | |
4
4
4 - для автомобилей ГАЗ М-21, ГАЗ М-21Е
Подробная информация
| Автомобиль: | ГАЗ 21 |
| Модификации: | М-21, М-21А, М-21В, М-21Д, М-21Е |
| Название детали: | Болт 1М12х50 крепления рычага левой трапеции к поворотному кулаку |
| Номер детали: | 290917-П8 |
| Актуальность: | 01.01.1958 |
| Количество: | |
4
4
4 - для автомобилей ГАЗ М-21, ГАЗ М-21Е
Подробная информация
| Автомобиль: | ГАЗ 21 |
| Модификации: | М-21, М-21А, М-21В, М-21Д, М-21Е |
| Название детали: | Подшипник шкворня поворотного кулака упорный |
| Номер детали: | 21-3001020 |
| Актуальность: | 01.01.1958 |
| Количество: | |
2
2
2 - для автомобилей ГАЗ М-21, ГАЗ М-21Е
№
Номер запчасти
Наименование запчасти