- Автозапчасти ВАЗ
- Автозапчасти ГАЗ
- Автозапчасти на иномарки
- Автохимия, масла
- Подбор масла
- Инструменты, аксессуары
- Метизы
- Прочее, Москвич
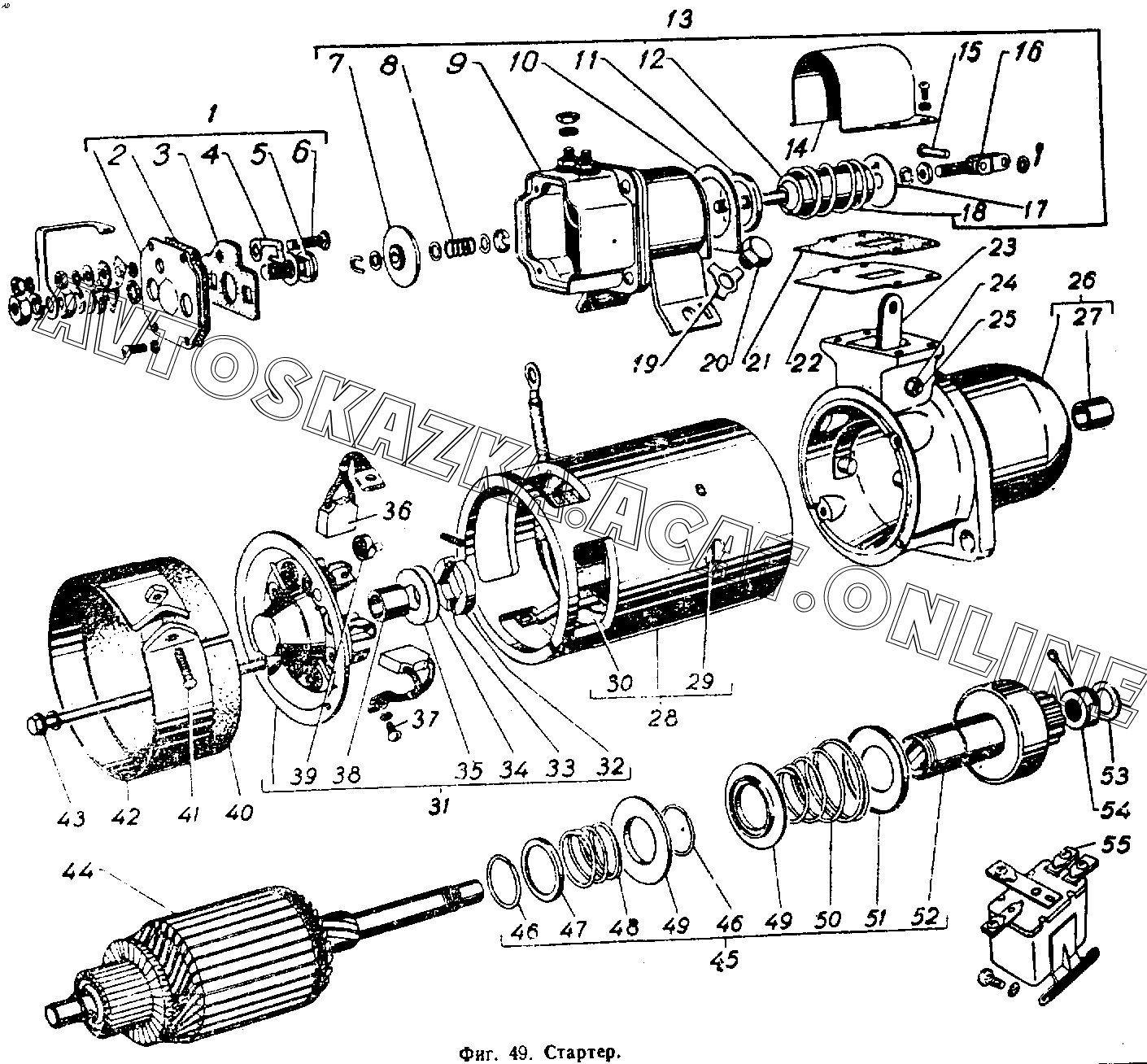
Стартер ГАЗ 21 (М-21, М-21А, М-21В, М-21Д, М-21Е)
+
Увеличить изображение на 10%
-
Уменьшить изображение на 10%
Выделение детали в таблице
Прокрутка картинки
Увеличить масштаб
1
2
3
4
5
6
7
8
9
10
11
12
13
14
15
16
17
18
19
20
21
22
23
24
25
26
27
28
29
30
31
32
33
34
35
36
37
38
39
40
41
42
43
44
45
46
46
47
48
49
49
50
51
52
53
54
55
Подробная информация
| Автомобиль: | ГАЗ 21 |
| Модификации: | М-21, М-21А, М-21В, М-21Д, М-21Е |
| Название детали: | Винт М6х12 крепления реле к щитку |
| Номер детали: | 220103-П8 |
| Актуальность: | 01.01.1958 |
| Количество: | |
2
2
2 - для автомобилей ГАЗ М-21, ГАЗ М-21Е
Подробная информация
| Автомобиль: | ГАЗ 21 |
| Модификации: | М-21, М-21А, М-21В, М-21Д, М-21Е |
| Название детали: | Вкладыш привода |
| Номер детали: | СТ8-3708622 |
| Актуальность: | 01.01.1958 |
| Количество: | |
2
2
2 - для автомобилей ГАЗ М-21, ГАЗ М-21Е
Подробная информация
| Автомобиль: | ГАЗ 21 |
| Модификации: | М-21, М-21А, М-21В, М-21Д, М-21Е |
| Название детали: | Гайка |
| Номер детали: | МХ-0169 |
| Актуальность: | 01.01.1958 |
| Количество: | |
1
1
1 - для автомобилей ГАЗ М-21, ГАЗ М-21Е
Подробная информация
| Автомобиль: | ГАЗ 21 |
| Модификации: | М-21, М-21А, М-21В, М-21Д, М-21Е |
| Название детали: | Катушка реле |
| Номер детали: | РС14-3708120 |
| Актуальность: | 01.01.1958 |
| Количество: | |
1
1
1 - для автомобилей ГАЗ М-21, ГАЗ М-21Е
Подробная информация
| Автомобиль: | ГАЗ 21 |
| Модификации: | М-21, М-21А, М-21В, М-21Д, М-21Е |
| Название детали: | Катушка № 3 и № 4 в сборе |
| Номер детали: | СТ21-3708150 |
| Актуальность: | 01.01.1958 |
| Количество: | |
1
1
1 - для автомобилей ГАЗ М-21, ГАЗ М-21Е
Подробная информация
| Автомобиль: | ГАЗ 21 |
| Модификации: | М-21, М-21А, М-21В, М-21Д, М-21Е |
| Название детали: | Шайба |
| Номер детали: | Х-1482 |
| Актуальность: | 01.01.1958 |
| Количество: | |
1
1
1 - для автомобилей ГАЗ М-21, ГАЗ М-21Е
Подробная информация
| Автомобиль: | ГАЗ 21 |
| Модификации: | М-21, М-21А, М-21В, М-21Д, М-21Е |
| Название детали: | Шайба |
| Номер детали: | Х-4001 |
| Актуальность: | 01.01.1958 |
| Количество: | |
4
4
4 - для автомобилей ГАЗ М-21, ГАЗ М-21Е
Подробная информация
| Автомобиль: | ГАЗ 21 |
| Модификации: | М-21, М-21А, М-21В, М-21Д, М-21Е |
| Название детали: | Шайба диаметром 6 |
| Номер детали: | 252234-П8 |
| Актуальность: | 01.01.1958 |
| Количество: | |
2
2
2 - для автомобилей ГАЗ М-21, ГАЗ М-21Е
Подробная информация
| Автомобиль: | ГАЗ 21 |
| Модификации: | М-21, М-21А, М-21В, М-21Д, М-21Е |
| Название детали: | Шайба диаметром 6,5 пружинная |
| Номер детали: | Х-1482 |
| Актуальность: | 01.01.1958 |
| Количество: | |
2
2
2 - для автомобилей ГАЗ М-21, ГАЗ М-21Е
Подробная информация
| Автомобиль: | ГАЗ 21 |
| Модификации: | М-21, М-21А, М-21В, М-21Д, М-21Е |
| Название детали: | Шплинт |
| Номер детали: | Х-404 |
| Актуальность: | 01.01.1958 |
| Количество: | |
1
1
1 - для автомобилей ГАЗ М-21, ГАЗ М-21Е
Подробная информация
| Автомобиль: | ГАЗ 21 |
| Модификации: | М-21, М-21А, М-21В, М-21Д, М-21Е |
| Название детали: | Шплинт |
| Номер детали: | Х9-10-81Д |
| Актуальность: | 01.01.1958 |
| Количество: | |
1
1
1 - для автомобилей ГАЗ М-21, ГАЗ М-21Е
Подробная информация
| Автомобиль: | ГАЗ 21 |
| Модификации: | М-21, М-21А, М-21В, М-21Д, М-21Е |
| Название детали: | Крышка реле в сборе |
| Номер детали: | РС14-3708030 |
| Актуальность: | 01.01.1958 |
| Количество: | |
1
1
1 - для автомобилей ГАЗ М-21, ГАЗ М-21Е
Подробная информация
| Автомобиль: | ГАЗ 21 |
| Модификации: | М-21, М-21А, М-21В, М-21Д, М-21Е |
| Название детали: | Прокладка |
| Номер детали: | РС14-3708002 |
| Актуальность: | 01.01.1958 |
| Количество: | |
1
1
1 - для автомобилей ГАЗ М-21, ГАЗ М-21Е
Подробная информация
| Автомобиль: | ГАЗ 21 |
| Модификации: | М-21, М-21А, М-21В, М-21Д, М-21Е |
| Название детали: | Прокладка изоляционная |
| Номер детали: | РС14-3708033 |
| Актуальность: | 01.01.1958 |
| Количество: | |
1
1
1 - для автомобилей ГАЗ М-21, ГАЗ М-21Е
Подробная информация
| Автомобиль: | ГАЗ 21 |
| Модификации: | М-21, М-21А, М-21В, М-21Д, М-21Е |
| Название детали: | Контакт гибкий |
| Номер детали: | РС14-3708035 |
| Актуальность: | 01.01.1958 |
| Количество: | |
1
1
1 - для автомобилей ГАЗ М-21, ГАЗ М-21Е
Подробная информация
| Автомобиль: | ГАЗ 21 |
| Модификации: | М-21, М-21А, М-21В, М-21Д, М-21Е |
| Название детали: | Болт контактный |
| Номер детали: | РС14-3708032 |
| Актуальность: | 01.01.1958 |
| Количество: | |
2
2
2 - для автомобилей ГАЗ М-21, ГАЗ М-21Е
Подробная информация
| Автомобиль: | ГАЗ 21 |
| Модификации: | М-21, М-21А, М-21В, М-21Д, М-21Е |
| Название детали: | Болт клеммы К3 |
| Номер детали: | МХ-0799 |
| Актуальность: | 01.01.1958 |
| Количество: | |
1
1
1 - для автомобилей ГАЗ М-21, ГАЗ М-21Е
Подробная информация
| Автомобиль: | ГАЗ 21 |
| Модификации: | М-21, М-21А, М-21В, М-21Д, М-21Е |
| Название детали: | Диск контактный в сборе |
| Номер детали: | РС6-3708030 |
| Актуальность: | 01.01.1958 |
| Количество: | |
1
1
1 - для автомобилей ГАЗ М-21, ГАЗ М-21Е
Подробная информация
| Автомобиль: | ГАЗ 21 |
| Модификации: | М-21, М-21А, М-21В, М-21Д, М-21Е |
| Название детали: | Пружина диска |
| Номер детали: | РС14-3708007 |
| Актуальность: | 01.01.1958 |
| Количество: | |
1
1
1 - для автомобилей ГАЗ М-21, ГАЗ М-21Е
Подробная информация
| Автомобиль: | ГАЗ 21 |
| Модификации: | М-21, М-21А, М-21В, М-21Д, М-21Е |
| Название детали: | Ярмо электромагнитное с кожухом в сборе |
| Номер детали: | РС14-3708100 |
| Актуальность: | 01.01.1958 |
| Количество: | |
1
1
1 - для автомобилей ГАЗ М-21, ГАЗ М-21Е
Подробная информация
| Автомобиль: | ГАЗ 21 |
| Модификации: | М-21, М-21А, М-21В, М-21Д, М-21Е |
| Название детали: | Прокладка защитного кожуха боковая |
| Номер детали: | СТ21-3708007 |
| Актуальность: | 01.01.1958 |
| Количество: | |
1
1
1 - для автомобилей ГАЗ М-21, ГАЗ М-21Е
Подробная информация
| Автомобиль: | ГАЗ 21 |
| Модификации: | М-21, М-21А, М-21В, М-21Д, М-21Е |
| Название детали: | Чашка пружины |
| Номер детали: | РС14-3708003 |
| Актуальность: | 01.01.1958 |
| Количество: | |
1
1
1 - для автомобилей ГАЗ М-21, ГАЗ М-21Е
Подробная информация
| Автомобиль: | ГАЗ 21 |
| Модификации: | М-21, М-21А, М-21В, М-21Д, М-21Е |
| Название детали: | Якорь со штоком в сборе |
| Номер детали: | РС14-3708010 |
| Актуальность: | 01.01.1958 |
| Количество: | |
1
1
1 - для автомобилей ГАЗ М-21, ГАЗ М-21Е
Подробная информация
| Автомобиль: | ГАЗ 21 |
| Модификации: | М-21, М-21А, М-21В, М-21Д, М-21Е |
| Название детали: | Реле электромагнитное стартера в сборе |
| Номер детали: | РС14-3708000 |
| Актуальность: | 01.01.1958 |
| Количество: | |
1
1
1 - для автомобилей ГАЗ М-21, ГАЗ М-21Е
Подробная информация
| Автомобиль: | ГАЗ 21 |
| Модификации: | М-21, М-21А, М-21В, М-21Д, М-21Е |
| Название детали: | Кожух защитный |
| Номер детали: | СТ21-3708016 |
| Актуальность: | 01.01.1958 |
| Количество: | |
1
1
1 - для автомобилей ГАЗ М-21, ГАЗ М-21Е
Подробная информация
| Автомобиль: | ГАЗ 21 |
| Модификации: | М-21, М-21А, М-21В, М-21Д, М-21Е |
| Название детали: | Штифт |
| Номер детали: | СТ21-3708002 |
| Актуальность: | 01.01.1958 |
| Количество: | |
1
1
1 - для автомобилей ГАЗ М-21, ГАЗ М-21Е
Подробная информация
| Автомобиль: | ГАЗ 21 |
| Модификации: | М-21, М-21А, М-21В, М-21Д, М-21Е |
| Название детали: | Винт регулировочный в сборе |
| Номер детали: | РС14-3708020 |
| Актуальность: | 01.01.1958 |
| Количество: | |
1
1
1 - для автомобилей ГАЗ М-21, ГАЗ М-21Е
Подробная информация
| Автомобиль: | ГАЗ 21 |
| Модификации: | М-21, М-21А, М-21В, М-21Д, М-21Е |
| Название детали: | Шайба специальная пружины |
| Номер детали: | РС14-3708005 |
| Актуальность: | 01.01.1958 |
| Количество: | |
1
1
1 - для автомобилей ГАЗ М-21, ГАЗ М-21Е
Подробная информация
| Автомобиль: | ГАЗ 21 |
| Модификации: | М-21, М-21А, М-21В, М-21Д, М-21Е |
| Название детали: | Пружина якоря |
| Номер детали: | РС14-3708004 |
| Актуальность: | 01.01.1958 |
| Количество: | |
1
1
1 - для автомобилей ГАЗ М-21, ГАЗ М-21Е
Подробная информация
| Автомобиль: | ГАЗ 21 |
| Модификации: | М-21, М-21А, М-21В, М-21Д, М-21Е |
| Название детали: | Шайба специальная стопорная |
| Номер детали: | МХ-0287 |
| Актуальность: | 01.01.1958 |
| Количество: | |
2
2
2 - для автомобилей ГАЗ М-21, ГАЗ М-21Е
Подробная информация
| Автомобиль: | ГАЗ 21 |
| Модификации: | М-21, М-21А, М-21В, М-21Д, М-21Е |
| Название детали: | Болт крепления реле |
| Номер детали: | МХ-0032 |
| Актуальность: | 01.01.1958 |
| Количество: | |
2
2
2 - для автомобилей ГАЗ М-21, ГАЗ М-21Е
Подробная информация
| Автомобиль: | ГАЗ 21 |
| Модификации: | М-21, М-21А, М-21В, М-21Д, М-21Е |
| Название детали: | Прокладка защитного кожуха нижняя |
| Номер детали: | СТ21-3708015 |
| Актуальность: | 01.01.1958 |
| Количество: | |
1
1
1 - для автомобилей ГАЗ М-21, ГАЗ М-21Е
Подробная информация
| Автомобиль: | ГАЗ 21 |
| Модификации: | М-21, М-21А, М-21В, М-21Д, М-21Е |
| Название детали: | Прокладка защитного кожуха |
| Номер детали: | СТ21-3708017 |
| Актуальность: | 01.01.1958 |
| Количество: | |
1
1
1 - для автомобилей ГАЗ М-21, ГАЗ М-21Е
Подробная информация
| Автомобиль: | ГАЗ 21 |
| Модификации: | М-21, М-21А, М-21В, М-21Д, М-21Е |
| Название детали: | Рычаг привода стартера |
| Номер детали: | СТ21-3708020 |
| Актуальность: | 01.01.1958 |
| Количество: | |
1
1
1 - для автомобилей ГАЗ М-21, ГАЗ М-21Е
Подробная информация
| Автомобиль: | ГАЗ 21 |
| Модификации: | М-21, М-21А, М-21В, М-21Д, М-21Е |
| Название детали: | Гайка оси |
| Номер детали: | 8Х-1533 |
| Актуальность: | 01.01.1958 |
| Количество: | |
1
1
1 - для автомобилей ГАЗ М-21, ГАЗ М-21Е
Подробная информация
| Автомобиль: | ГАЗ 21 |
| Модификации: | М-21, М-21А, М-21В, М-21Д, М-21Е |
| Название детали: | Ось рычага привода стартера |
| Номер детали: | СТ21-3708014 |
| Актуальность: | 01.01.1958 |
| Количество: | |
1
1
1 - для автомобилей ГАЗ М-21, ГАЗ М-21Е
Подробная информация
| Автомобиль: | ГАЗ 21 |
| Модификации: | М-21, М-21А, М-21В, М-21Д, М-21Е |
| Название детали: | Крышка стартера со стороны привода в сборе |
| Номер детали: | СТ21-3708400-Б |
| Актуальность: | 01.01.1958 |
| Количество: | |
1
1
1 - для автомобилей ГАЗ М-21, ГАЗ М-21Е
Подробная информация
| Автомобиль: | ГАЗ 21 |
| Модификации: | М-21, М-21А, М-21В, М-21Д, М-21Е |
| Название детали: | Вкладыш |
| Номер детали: | СЛ-138-88 |
| Актуальность: | 01.01.1958 |
| Количество: | |
1
1
1 - для автомобилей ГАЗ М-21, ГАЗ М-21Е
Подробная информация
| Автомобиль: | ГАЗ 21 |
| Модификации: | М-21, М-21А, М-21В, М-21Д, М-21Е |
| Название детали: | Корпус стартера в сборе |
| Номер детали: | СТ21-3708100 |
| Актуальность: | 01.01.1958 |
| Количество: | |
1
1
1 - для автомобилей ГАЗ М-21, ГАЗ М-21Е
Подробная информация
| Автомобиль: | ГАЗ 21 |
| Модификации: | М-21, М-21А, М-21В, М-21Д, М-21Е |
| Название детали: | Винт крепления полюса |
| Номер детали: | Х1-9449 |
| Актуальность: | 01.01.1958 |
| Количество: | |
4
4
4 - для автомобилей ГАЗ М-21, ГАЗ М-21Е
Подробная информация
| Автомобиль: | ГАЗ 21 |
| Модификации: | М-21, М-21А, М-21В, М-21Д, М-21Е |
| Название детали: | Катушка № 1 и № 2 в сборе |
| Номер детали: | СТ21-3708120 |
| Актуальность: | 01.01.1958 |
| Количество: | |
1
1
1 - для автомобилей ГАЗ М-21, ГАЗ М-21Е
Подробная информация
| Автомобиль: | ГАЗ 21 |
| Модификации: | М-21, М-21А, М-21В, М-21Д, М-21Е |
| Название детали: | Крышка со стороны коллектора в сборе |
| Номер детали: | СТ21-3708300 |
| Актуальность: | 01.01.1958 |
| Количество: | |
1
1
1 - для автомобилей ГАЗ М-21, ГАЗ М-21Е
Подробная информация
| Автомобиль: | ГАЗ 21 |
| Модификации: | М-21, М-21А, М-21В, М-21Д, М-21Е |
| Название детали: | Колодка тормоза |
| Номер детали: | СТ21-3708307 |
| Актуальность: | 01.01.1958 |
| Количество: | |
2
2
2 - для автомобилей ГАЗ М-21, ГАЗ М-21Е
Подробная информация
| Автомобиль: | ГАЗ 21 |
| Модификации: | М-21, М-21А, М-21В, М-21Д, М-21Е |
| Название детали: | Пружина тормоза |
| Номер детали: | СТ21-3708308 |
| Актуальность: | 01.01.1958 |
| Количество: | |
2
2
2 - для автомобилей ГАЗ М-21, ГАЗ М-21Е
Подробная информация
| Автомобиль: | ГАЗ 21 |
| Модификации: | М-21, М-21А, М-21В, М-21Д, М-21Е |
| Название детали: | Шайба упорная |
| Номер детали: | МХ-0787 |
| Актуальность: | 01.01.1958 |
| Количество: | |
1
1
1 - для автомобилей ГАЗ М-21, ГАЗ М-21Е
Подробная информация
| Автомобиль: | ГАЗ 21 |
| Модификации: | М-21, М-21А, М-21В, М-21Д, М-21Е |
| Название детали: | Шайба упорная |
| Номер детали: | МХ-0788 |
| Актуальность: | 01.01.1958 |
| Количество: | |
1
1
1 - для автомобилей ГАЗ М-21, ГАЗ М-21Е
Подробная информация
| Автомобиль: | ГАЗ 21 |
| Модификации: | М-21, М-21А, М-21В, М-21Д, М-21Е |
| Название детали: | Щетка стартера в сборе |
| Номер детали: | 1-МАФ-13 |
| Актуальность: | 01.01.1958 |
| Количество: | |
4
4
4 - для автомобилей ГАЗ М-21, ГАЗ М-21Е
Подробная информация
| Автомобиль: | ГАЗ 21 |
| Модификации: | М-21, М-21А, М-21В, М-21Д, М-21Е |
| Название детали: | Винт присоединения щетки |
| Номер детали: | 7Х-1542 |
| Актуальность: | 01.01.1958 |
| Количество: | |
4
4
4 - для автомобилей ГАЗ М-21, ГАЗ М-21Е
Подробная информация
| Автомобиль: | ГАЗ 21 |
| Модификации: | М-21, М-21А, М-21В, М-21Д, М-21Е |
| Название детали: | Вкладыш |
| Номер детали: | СТ28-3708403 |
| Актуальность: | 01.01.1958 |
| Количество: | |
1
1
1 - для автомобилей ГАЗ М-21, ГАЗ М-21Е
Подробная информация
| Автомобиль: | ГАЗ 21 |
| Модификации: | М-21, М-21А, М-21В, М-21Д, М-21Е |
| Название детали: | Пружина щетки |
| Номер детали: | СТ21-3708304 |
| Актуальность: | 01.01.1958 |
| Количество: | |
4
4
4 - для автомобилей ГАЗ М-21, ГАЗ М-21Е
Подробная информация
| Автомобиль: | ГАЗ 21 |
| Модификации: | М-21, М-21А, М-21В, М-21Д, М-21Е |
| Название детали: | Прокладка |
| Номер детали: | СТ28-3708043 |
| Актуальность: | 01.01.1958 |
| Количество: | |
1
1
1 - для автомобилей ГАЗ М-21, ГАЗ М-21Е
Подробная информация
| Автомобиль: | ГАЗ 21 |
| Модификации: | М-21, М-21А, М-21В, М-21Д, М-21Е |
| Название детали: | Винт ленты стяжной |
| Номер детали: | МХ-0278 |
| Актуальность: | 01.01.1958 |
| Количество: | |
1
1
1 - для автомобилей ГАЗ М-21, ГАЗ М-21Е
Подробная информация
| Автомобиль: | ГАЗ 21 |
| Модификации: | М-21, М-21А, М-21В, М-21Д, М-21Е |
| Название детали: | Лента защитная |
| Номер детали: | СТ28-3708042 |
| Актуальность: | 01.01.1958 |
| Количество: | |
1
1
1 - для автомобилей ГАЗ М-21, ГАЗ М-21Е
Подробная информация
| Автомобиль: | ГАЗ 21 |
| Модификации: | М-21, М-21А, М-21В, М-21Д, М-21Е |
| Название детали: | Шпилька стяжная стартера |
| Номер детали: | 1-МВВ-20 |
| Актуальность: | 01.01.1958 |
| Количество: | |
2
2
2 - для автомобилей ГАЗ М-21, ГАЗ М-21Е
Подробная информация
| Автомобиль: | ГАЗ 21 |
| Модификации: | М-21, М-21А, М-21В, М-21Д, М-21Е |
| Название детали: | Якорь стартера в сборе |
| Номер детали: | СТ21-3708200 |
| Актуальность: | 01.01.1958 |
| Количество: | |
1
1
1 - для автомобилей ГАЗ М-21, ГАЗ М-21Е
Подробная информация
| Автомобиль: | ГАЗ 21 |
| Модификации: | М-21, М-21А, М-21В, М-21Д, М-21Е |
| Название детали: | Привод стартера в сборе |
| Номер детали: | СТ21-3708600 |
| Актуальность: | 01.01.1958 |
| Количество: | |
1
1
1 - для автомобилей ГАЗ М-21, ГАЗ М-21Е
Подробная информация
| Автомобиль: | ГАЗ 21 |
| Модификации: | М-21, М-21А, М-21В, М-21Д, М-21Е |
| Название детали: | Кольцо запорное |
| Номер детали: | СТ21-3708602 |
| Актуальность: | 01.01.1958 |
| Количество: | |
2
2
2 - для автомобилей ГАЗ М-21, ГАЗ М-21Е
Подробная информация
| Автомобиль: | ГАЗ 21 |
| Модификации: | М-21, М-21А, М-21В, М-21Д, М-21Е |
| Название детали: | Упорная шайба |
| Номер детали: | МХ-0947 |
| Актуальность: | 01.01.1958 |
| Количество: | |
1
1
1 - для автомобилей ГАЗ М-21, ГАЗ М-21Е
Подробная информация
| Автомобиль: | ГАЗ 21 |
| Модификации: | М-21, М-21А, М-21В, М-21Д, М-21Е |
| Название детали: | Пружина |
| Номер детали: | СТ21-3708604 |
| Актуальность: | 01.01.1958 |
| Количество: | |
1
1
1 - для автомобилей ГАЗ М-21, ГАЗ М-21Е
Подробная информация
| Автомобиль: | ГАЗ 21 |
| Модификации: | М-21, М-21А, М-21В, М-21Д, М-21Е |
| Название детали: | Втулка отводки |
| Номер детали: | СТ21-3708601 |
| Актуальность: | 01.01.1958 |
| Количество: | |
2
2
2 - для автомобилей ГАЗ М-21, ГАЗ М-21Е
Подробная информация
| Автомобиль: | ГАЗ 21 |
| Модификации: | М-21, М-21А, М-21В, М-21Д, М-21Е |
| Название детали: | Буферная пружина |
| Номер детали: | СТ21-3708603 |
| Актуальность: | 01.01.1958 |
| Количество: | |
1
1
1 - для автомобилей ГАЗ М-21, ГАЗ М-21Е
Подробная информация
| Автомобиль: | ГАЗ 21 |
| Модификации: | М-21, М-21А, М-21В, М-21Д, М-21Е |
| Название детали: | Чашка упорная привода стартера большая |
| Номер детали: | СТ21-3708608 |
| Актуальность: | 01.01.1958 |
| Количество: | |
1
1
1 - для автомобилей ГАЗ М-21, ГАЗ М-21Е
Подробная информация
| Автомобиль: | ГАЗ 21 |
| Модификации: | М-21, М-21А, М-21В, М-21Д, М-21Е |
| Название детали: | Втулка направляющая с шестерней в сборе |
| Номер детали: | СТ21-3708610 |
| Актуальность: | 01.01.1958 |
| Количество: | |
1
1
1 - для автомобилей ГАЗ М-21, ГАЗ М-21Е
Подробная информация
| Автомобиль: | ГАЗ 21 |
| Модификации: | М-21, М-21А, М-21В, М-21Д, М-21Е |
| Название детали: | Шайба упорная |
| Номер детали: | МХ-0107 |
| Актуальность: | 01.01.1958 |
| Количество: | |
4
4
4 - для автомобилей ГАЗ М-21, ГАЗ М-21Е
Подробная информация
| Автомобиль: | ГАЗ 21 |
| Модификации: | М-21, М-21А, М-21В, М-21Д, М-21Е |
| Название детали: | Гайка якоря упорная |
| Номер детали: | СТ21-3708005 |
| Актуальность: | 01.01.1958 |
| Количество: | |
1
1
1 - для автомобилей ГАЗ М-21, ГАЗ М-21Е
Подробная информация
| Автомобиль: | ГАЗ 21 |
| Модификации: | М-21, М-21А, М-21В, М-21Д, М-21Е |
| Название детали: | Реле включения стартера в сборе |
| Номер детали: | РС24-Б |
| Актуальность: | 01.01.1958 |
| Количество: | |
1
1
1 - для автомобилей ГАЗ М-21, ГАЗ М-21Е
№
Номер запчасти
Наименование запчасти