- Автозапчасти ВАЗ
- Автозапчасти ГАЗ
- Автозапчасти на иномарки
- Автохимия, масла
- Подбор масла
- Инструменты, аксессуары
- Метизы
- Прочее, Москвич
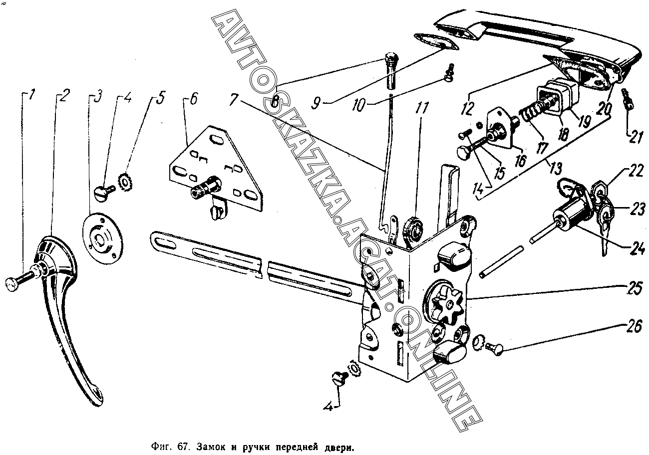
Замок и ручки передней двери ГАЗ 21 (М-21, М-21А, М-21В, М-21Д, М-21Е)
+
Увеличить изображение на 10%
-
Уменьшить изображение на 10%
Выделение детали в таблице
Прокрутка картинки
Увеличить масштаб
1
2
3
4
4
5
6
7
8
9
10
11
12
13
14
15
16
17
18
19
20
21
22
23
24
25
26
Подробная информация
| Автомобиль: | ГАЗ 21 |
| Модификации: | М-21, М-21А, М-21В, М-21Д, М-21Е |
| Название детали: | Винт М5х28 крепления выключателя |
| Номер детали: | 242477-П8 |
| Актуальность: | 01.01.1958 |
| Количество: | |
2
2
2 - для автомобилей ГАЗ М-21, ГАЗ М-21Е
Подробная информация
| Автомобиль: | ГАЗ 21 |
| Модификации: | М-21, М-21А, М-21В, М-21Д, М-21Е |
| Название детали: | Гайка М5 |
| Номер детали: | 250763-П8 |
| Актуальность: | 01.01.1958 |
| Количество: | |
2
2
2 - для автомобилей ГАЗ М-21, ГАЗ М-21Е
Подробная информация
| Автомобиль: | ГАЗ 21 |
| Модификации: | М-21, М-21А, М-21В, М-21Д, М-21Е |
| Название детали: | Замок передней двери с тягой в сборе - левый |
| Номер детали: | 21-6105011-Б |
| Актуальность: | 01.01.1958 |
| Количество: | |
1
1
1 - для автомобилей ГАЗ М-21, ГАЗ М-21Е
Подробная информация
| Автомобиль: | ГАЗ 21 |
| Модификации: | М-21, М-21А, М-21В, М-21Д, М-21Е |
| Название детали: | Привод замка передней двери левый в сборе |
| Номер детали: | 21-6105083 |
| Актуальность: | 01.01.1958 |
| Количество: | |
1
1
1 - для автомобилей ГАЗ М-21, ГАЗ М-21Е
Подробная информация
| Автомобиль: | ГАЗ 21 |
| Модификации: | М-21, М-21А, М-21В, М-21Д, М-21Е |
| Название детали: | Ручка передней двери наружная - левая |
| Номер детали: | 21-6105153 |
| Актуальность: | 01.01.1958 |
| Количество: | |
1
1
1 - для автомобилей ГАЗ М-21, ГАЗ М-21Е
Подробная информация
| Автомобиль: | ГАЗ 21 |
| Модификации: | М-21, М-21А, М-21В, М-21Д, М-21Е |
| Название детали: | Ручка передней двери наружная в сборе -левая |
| Номер детали: | 21-6105151-А |
| Актуальность: | 01.01.1958 |
| Количество: | |
1
1
1 - для автомобилей ГАЗ М-21, ГАЗ М-21Е
Подробная информация
| Автомобиль: | ГАЗ 21 |
| Модификации: | М-21, М-21А, М-21В, М-21Д, М-21Е |
| Название детали: | Тяга выключения замка передней двери - левая |
| Номер детали: | 21-6105071 |
| Актуальность: | 01.01.1958 |
| Количество: | |
1
1
1 - для автомобилей ГАЗ М-21, ГАЗ М-21Е
Подробная информация
| Автомобиль: | ГАЗ 21 |
| Модификации: | М-21, М-21А, М-21В, М-21Д, М-21Е |
| Название детали: | Шайба диаметром 3 |
| Номер детали: | 252130-П2 |
| Актуальность: | 01.01.1958 |
| Количество: | |
2
2
2 - для автомобилей ГАЗ М-21, ГАЗ М-21Е
Подробная информация
| Автомобиль: | ГАЗ 21 |
| Модификации: | М-21, М-21А, М-21В, М-21Д, М-21Е |
| Название детали: | Шайба диаметром 5 |
| Номер детали: | 252233-П8 |
| Актуальность: | 01.01.1958 |
| Количество: | |
4
4
4 - для автомобилей ГАЗ М-21, ГАЗ М-21Е
Подробная информация
| Автомобиль: | ГАЗ 21 |
| Модификации: | М-21, М-21А, М-21В, М-21Д, М-21Е |
| Название детали: | Шайба диаметром 5 пружинная |
| Номер детали: | 252133-П2 |
| Актуальность: | 01.01.1958 |
| Количество: | |
2
2
2 - для автомобилей ГАЗ М-21, ГАЗ М-21Е
Подробная информация
| Автомобиль: | ГАЗ 21 |
| Модификации: | М-21, М-21А, М-21В, М-21Д, М-21Е |
| Название детали: | Шайба диаметром 6 пружинная зубчатая |
| Номер детали: | 252263-П8 |
| Актуальность: | 01.01.1958 |
| Количество: | |
4
4
4 - для автомобилей ГАЗ М-21, ГАЗ М-21Е
Подробная информация
| Автомобиль: | ГАЗ 21 |
| Модификации: | М-21, М-21А, М-21В, М-21Д, М-21Е |
| Название детали: | Шайба диаметром 6 пружинная зубчатая |
| Номер детали: | 293226-П8 |
| Актуальность: | 01.01.1958 |
| Количество: | |
4
4
4 - для автомобилей ГАЗ М-21, ГАЗ М-21Е
Подробная информация
| Автомобиль: | ГАЗ 21 |
| Модификации: | М-21, М-21А, М-21В, М-21Д, М-21Е |
| Название детали: | Шайба пружинная диаметром 5 |
| Номер детали: | 252173-П8 |
| Актуальность: | 01.01.1958 |
| Количество: | |
2
2
2 - для автомобилей ГАЗ М-21, ГАЗ М-21Е
Подробная информация
| Автомобиль: | ГАЗ 21 |
| Модификации: | М-21, М-21А, М-21В, М-21Д, М-21Е |
| Название детали: | Винт М5х14 крепления внутренней ручки передней двери |
| Номер детали: | 224599-П13 |
| Актуальность: | 01.01.1958 |
| Количество: | |
2
2
2 - для автомобилей ГАЗ М-21, ГАЗ М-21Е
Подробная информация
| Автомобиль: | ГАЗ 21 |
| Модификации: | М-21, М-21А, М-21В, М-21Д, М-21Е |
| Название детали: | Ручка передней двери внутренняя |
| Номер детали: | 21-6105182 |
| Актуальность: | 01.01.1958 |
| Количество: | |
2
2
2 - для автомобилей ГАЗ М-21, ГАЗ М-21Е
Подробная информация
| Автомобиль: | ГАЗ 21 |
| Модификации: | М-21, М-21А, М-21В, М-21Д, М-21Е |
| Название детали: | Розетка внутренней ручки передней двери |
| Номер детали: | 21-6105188 |
| Актуальность: | 01.01.1958 |
| Количество: | |
2
2
2 - для автомобилей ГАЗ М-21, ГАЗ М-21Е
Подробная информация
| Автомобиль: | ГАЗ 21 |
| Модификации: | М-21, М-21А, М-21В, М-21Д, М-21Е |
| Название детали: | Винт М6х10 крепления замка |
| Номер детали: | 224622-П8 |
| Актуальность: | 01.01.1958 |
| Количество: | |
4
4
4 - для автомобилей ГАЗ М-21, ГАЗ М-21Е
Подробная информация
| Автомобиль: | ГАЗ 21 |
| Модификации: | М-21, М-21А, М-21В, М-21Д, М-21Е |
| Название детали: | Винт М6х10 крепления привода замка двери |
| Номер детали: | 224622-П8 |
| Актуальность: | 01.01.1958 |
| Количество: | |
6
6
6 - для автомобилей ГАЗ М-21, ГАЗ М-21Е
Подробная информация
| Автомобиль: | ГАЗ 21 |
| Модификации: | М-21, М-21А, М-21В, М-21Д, М-21Е |
| Название детали: | Шайба диаметром 6 пружинная |
| Номер детали: | 293226-П8 |
| Актуальность: | 01.01.1958 |
| Количество: | |
6
6
6 - для автомобилей ГАЗ М-21, ГАЗ М-21Е
Подробная информация
| Автомобиль: | ГАЗ 21 |
| Модификации: | М-21, М-21А, М-21В, М-21Д, М-21Е |
| Название детали: | Привод замка передней двери правый в сборе |
| Номер детали: | 21-6105082 |
| Актуальность: | 01.01.1958 |
| Количество: | |
1
1
1 - для автомобилей ГАЗ М-21, ГАЗ М-21Е
Подробная информация
| Автомобиль: | ГАЗ 21 |
| Модификации: | М-21, М-21А, М-21В, М-21Д, М-21Е |
| Название детали: | Тяга выключения замка передней двери - правая |
| Номер детали: | 21-6105070 |
| Актуальность: | 01.01.1958 |
| Количество: | |
1
1
1 - для автомобилей ГАЗ М-21, ГАЗ М-21Е
Подробная информация
| Автомобиль: | ГАЗ 21 |
| Модификации: | М-21, М-21А, М-21В, М-21Д, М-21Е |
| Название детали: | Наконечник тяги выключения замка передней двери |
| Номер детали: | 30-6105074 |
| Актуальность: | 01.01.1958 |
| Количество: | |
2
2
2 - для автомобилей ГАЗ М-21, ГАЗ М-21Е
Подробная информация
| Автомобиль: | ГАЗ 21 |
| Модификации: | М-21, М-21А, М-21В, М-21Д, М-21Е |
| Название детали: | Прокладка наружной ручки передней двери-малая |
| Номер детали: | 21-6105274 |
| Актуальность: | 01.01.1958 |
| Количество: | |
2
2
2 - для автомобилей ГАЗ М-21, ГАЗ М-21Е
Подробная информация
| Автомобиль: | ГАЗ 21 |
| Модификации: | М-21, М-21А, М-21В, М-21Д, М-21Е |
| Название детали: | Болт М5х9 крепления наружной ручки передней двери |
| Номер детали: | 290377-П8 |
| Актуальность: | 01.01.1958 |
| Количество: | |
2
2
2 - для автомобилей ГАЗ М-21, ГАЗ М-21Е
Подробная информация
| Автомобиль: | ГАЗ 21 |
| Модификации: | М-21, М-21А, М-21В, М-21Д, М-21Е |
| Название детали: | Пружина собачки храповика ротора замка передней двери |
| Номер детали: | 21-6105234 |
| Актуальность: | 01.01.1958 |
| Количество: | |
2
2
2 - для автомобилей ГАЗ М-21, ГАЗ М-21Е
Подробная информация
| Автомобиль: | ГАЗ 21 |
| Модификации: | М-21, М-21А, М-21В, М-21Д, М-21Е |
| Название детали: | Прокладка наружной ручки передней двери - большая |
| Номер детали: | 21-6105270 |
| Актуальность: | 01.01.1958 |
| Количество: | |
2
2
2 - для автомобилей ГАЗ М-21, ГАЗ М-21Е
Подробная информация
| Автомобиль: | ГАЗ 21 |
| Модификации: | М-21, М-21А, М-21В, М-21Д, М-21Е |
| Название детали: | Ручка передней двери наружная в сборе - правая |
| Номер детали: | 21-6105150-А |
| Актуальность: | 01.01.1958 |
| Количество: | |
1
1
1 - для автомобилей ГАЗ М-21, ГАЗ М-21Е
Подробная информация
| Автомобиль: | ГАЗ 21 |
| Модификации: | М-21, М-21А, М-21В, М-21Д, М-21Е |
| Название детали: | Винт М3х8 направляющей |
| Номер детали: | 220003-П8 |
| Актуальность: | 01.01.1958 |
| Количество: | |
2
2
2 - для автомобилей ГАЗ М-21, ГАЗ М-21Е
Подробная информация
| Автомобиль: | ГАЗ 21 |
| Модификации: | М-21, М-21А, М-21В, М-21Д, М-21Е |
| Название детали: | Болт М5х26 кнопки наружной ручки передней двери регулировочный |
| Номер детали: | 21-5606174 |
| Актуальность: | 01.01.1958 |
| Количество: | |
2
2
2 - для автомобилей ГАЗ М-21, ГАЗ М-21Е
Подробная информация
| Автомобиль: | ГАЗ 21 |
| Модификации: | М-21, М-21А, М-21В, М-21Д, М-21Е |
| Название детали: | Направляющая кнопки наружной ручки передней двери |
| Номер детали: | 21-6105294-Б |
| Актуальность: | 01.01.1958 |
| Количество: | |
2
2
2 - для автомобилей ГАЗ М-21, ГАЗ М-21Е
Подробная информация
| Автомобиль: | ГАЗ 21 |
| Модификации: | М-21, М-21А, М-21В, М-21Д, М-21Е |
| Название детали: | Пружина кнопки наружной ручки передней двери |
| Номер детали: | 21-6105290 |
| Актуальность: | 01.01.1958 |
| Количество: | |
2
2
2 - для автомобилей ГАЗ М-21, ГАЗ М-21Е
Подробная информация
| Автомобиль: | ГАЗ 21 |
| Модификации: | М-21, М-21А, М-21В, М-21Д, М-21Е |
| Название детали: | Кнопка наружной ручки передней двери |
| Номер детали: | 21-6105286-Б |
| Актуальность: | 01.01.1958 |
| Количество: | |
2
2
2 - для автомобилей ГАЗ М-21, ГАЗ М-21Е
Подробная информация
| Автомобиль: | ГАЗ 21 |
| Модификации: | М-21, М-21А, М-21В, М-21Д, М-21Е |
| Название детали: | Буфер кнопки наружной ручки передней двери |
| Номер детали: | 21-6105284 |
| Актуальность: | 01.01.1958 |
| Количество: | |
2
2
2 - для автомобилей ГАЗ М-21, ГАЗ М-21Е
Подробная информация
| Автомобиль: | ГАЗ 21 |
| Модификации: | М-21, М-21А, М-21В, М-21Д, М-21Е |
| Название детали: | Ручка передней двери наружная - правая |
| Номер детали: | 21-6105152 |
| Актуальность: | 01.01.1958 |
| Количество: | |
1
1
1 - для автомобилей ГАЗ М-21, ГАЗ М-21Е
Подробная информация
| Автомобиль: | ГАЗ 21 |
| Модификации: | М-21, М-21А, М-21В, М-21Д, М-21Е |
| Название детали: | Винт М5х22 крепления наружной ручки передней двери |
| Номер детали: | 220083-П8 |
| Актуальность: | 01.01.1958 |
| Количество: | |
2
2
2 - для автомобилей ГАЗ М-21, ГАЗ М-21Е
Подробная информация
| Автомобиль: | ГАЗ 21 |
| Модификации: | М-21, М-21А, М-21В, М-21Д, М-21Е |
| Название детали: | Ключ |
| Номер детали: | 51-3704100 |
| Актуальность: | 01.01.1958 |
| Количество: | |
Подробная информация
| Автомобиль: | ГАЗ 21 |
| Модификации: | М-21, М-21А, М-21В, М-21Д, М-21Е |
| Название детали: | Кольцо ключей |
| Номер детали: | R-11618 |
| Актуальность: | 01.01.1958 |
| Количество: | |
Подробная информация
| Автомобиль: | ГАЗ 21 |
| Модификации: | М-21, М-21А, М-21В, М-21Д, М-21Е |
| Название детали: | Выключатель замка передней двери в сборе |
| Номер детали: | 21-6105120 |
| Актуальность: | 01.01.1958 |
| Количество: | |
2
2
2 - для автомобилей ГАЗ М-21, ГАЗ М-21Е
Подробная информация
| Автомобиль: | ГАЗ 21 |
| Модификации: | М-21, М-21А, М-21В, М-21Д, М-21Е |
| Название детали: | Замок передней двери с тягой в сборе - правый |
| Номер детали: | 21-6105010-Б |
| Актуальность: | 01.01.1958 |
| Количество: | |
1
1
1 - для автомобилей ГАЗ М-21, ГАЗ М-21Е
Подробная информация
| Автомобиль: | ГАЗ 21 |
| Модификации: | М-21, М-21А, М-21В, М-21Д, М-21Е |
| Название детали: | Винт М6х14 крепления замка |
| Номер детали: | 223064-П8 |
| Актуальность: | 01.01.1958 |
| Количество: | |
4
4
4 - для автомобилей ГАЗ М-21, ГАЗ М-21Е
№
Номер запчасти
Наименование запчасти