- Автозапчасти ВАЗ
- Автозапчасти ГАЗ
- Автозапчасти на иномарки
- Автохимия, масла
- Подбор масла
- Инструменты, аксессуары
- Метизы
- Прочее, Москвич
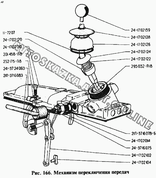
Механизм переключения передач ГАЗ 24 (24-01, 24-02, 24-03, 24-04, 24-07)
+
Увеличить изображение на 10%
-
Уменьшить изображение на 10%
Выделение детали в таблице
Прокрутка картинки
Увеличить масштаб
201458-П8
24-3716075
24-1702126
24-1702010
21П-3716078-Б
11-7207
24-1702014
24-1702122
24-1702159
24-1702102
24-1702120
24-1702124
24-3724093
24-1702104
24-1702128
21П-3716083
252175-П8
295032-П18
Подробная информация
| Автомобиль: | ГАЗ 24 |
| Модификации: | 24-01, 24-02, 24-03, 24-04, 24-07 |
| Название детали: | Болт |
| Номер детали: | 201458-П8 |
| Актуальность: | 01.01.1998 |
| Количество: | |
6 - для автомобилей ГАЗ-24 и его модификаций
Подробная информация
| Автомобиль: | ГАЗ 24 |
| Модификации: | 24-01, 24-02, 24-03, 24-04, 24-07 |
| Название детали: | Включатель фонаря заднего хода |
| Номер детали: | 24-3716075 |
| Актуальность: | 01.01.1998 |
| Количество: | |
1 - для автомобилей ГАЗ-24 и его модификаций
Подробная информация
| Автомобиль: | ГАЗ 24 |
| Модификации: | 24-01, 24-02, 24-03, 24-04, 24-07 |
| Название детали: | Колпак |
| Номер детали: | 24-1702126 |
| Актуальность: | 01.01.1998 |
| Количество: | |
1 - для автомобилей ГАЗ-24 и его модификаций
Подробная информация
| Автомобиль: | ГАЗ 24 |
| Модификации: | 24-01, 24-02, 24-03, 24-04, 24-07 |
| Название детали: | Механизм переключения в сборе |
| Номер детали: | 24-1702010 |
| Актуальность: | 01.01.1998 |
| Количество: | |
1 - для автомобилей ГАЗ-24 и его модификаций
Подробная информация
| Автомобиль: | ГАЗ 24 |
| Модификации: | 24-01, 24-02, 24-03, 24-04, 24-07 |
| Название детали: | Прокладка |
| Номер детали: | 21П-3716078-Б |
| Актуальность: | 01.01.1998 |
| Количество: | |
1 - для автомобилей ГАЗ-24 и его модификаций
Подробная информация
| Автомобиль: | ГАЗ 24 |
| Модификации: | 24-01, 24-02, 24-03, 24-04, 24-07 |
| Название детали: | Прокладка колпака |
| Номер детали: | 11-7207 |
| Актуальность: | 01.01.1998 |
| Количество: | |
1 - для автомобилей ГАЗ-24 и его модификаций
Подробная информация
| Автомобиль: | ГАЗ 24 |
| Модификации: | 24-01, 24-02, 24-03, 24-04, 24-07 |
| Название детали: | Прокладка механизма |
| Номер детали: | 24-1702014 |
| Актуальность: | 01.01.1998 |
| Количество: | |
1 - для автомобилей ГАЗ-24 и его модификаций
Подробная информация
| Автомобиль: | ГАЗ 24 |
| Модификации: | 24-01, 24-02, 24-03, 24-04, 24-07 |
| Название детали: | Пружина рычага |
| Номер детали: | 24-1702122 |
| Актуальность: | 01.01.1998 |
| Количество: | |
1 - для автомобилей ГАЗ-24 и его модификаций
Подробная информация
| Автомобиль: | ГАЗ 24 |
| Модификации: | 24-01, 24-02, 24-03, 24-04, 24-07 |
| Название детали: | Рукоятка рычага |
| Номер детали: | 24-1702159 |
| Актуальность: | 01.01.1998 |
| Количество: | |
1 - для автомобилей ГАЗ-24 и его модификаций
Подробная информация
| Автомобиль: | ГАЗ 24 |
| Модификации: | 24-01, 24-02, 24-03, 24-04, 24-07 |
| Название детали: | Рычаг заднего хода |
| Номер детали: | 24-1702102 |
| Актуальность: | 01.01.1998 |
| Количество: | |
1 - для автомобилей ГАЗ-24 и его модификаций
Подробная информация
| Автомобиль: | ГАЗ 24 |
| Модификации: | 24-01, 24-02, 24-03, 24-04, 24-07 |
| Название детали: | Рычаг переключения пере дач |
| Номер детали: | 24-1702120 |
| Актуальность: | 01.01.1998 |
| Количество: | |
1 - для автомобилей ГАЗ-24 и его модификаций
Подробная информация
| Автомобиль: | ГАЗ 24 |
| Модификации: | 24-01, 24-02, 24-03, 24-04, 24-07 |
| Название детали: | Седло пружины |
| Номер детали: | 24-1702124 |
| Актуальность: | 01.01.1998 |
| Количество: | |
1 - для автомобилей ГАЗ-24 и его модификаций
Подробная информация
| Автомобиль: | ГАЗ 24 |
| Модификации: | 24-01, 24-02, 24-03, 24-04, 24-07 |
| Название детали: | Скоба |
| Номер детали: | 24-3724093 |
| Актуальность: | 01.01.1998 |
| Количество: | |
1 - для автомобилей ГАЗ-24 и его модификаций
Подробная информация
| Автомобиль: | ГАЗ 24 |
| Модификации: | 24-01, 24-02, 24-03, 24-04, 24-07 |
| Название детали: | Сухарь рычага |
| Номер детали: | 24-1702104 |
| Актуальность: | 01.01.1998 |
| Количество: | |
1 - для автомобилей ГАЗ-24 и его модификаций
Подробная информация
| Автомобиль: | ГАЗ 24 |
| Модификации: | 24-01, 24-02, 24-03, 24-04, 24-07 |
| Название детали: | Уплотнитель крышки |
| Номер детали: | 24-1702128 |
| Актуальность: | 01.01.1998 |
| Количество: | |
1 - для автомобилей ГАЗ-24 и его модификаций
Подробная информация
| Автомобиль: | ГАЗ 24 |
| Модификации: | 24-01, 24-02, 24-03, 24-04, 24-07 |
| Название детали: | Чехол |
| Номер детали: | 21П-3716083 |
| Актуальность: | 01.01.1998 |
| Количество: | |
1 - для автомобилей ГАЗ-24 и его модификаций
Подробная информация
| Автомобиль: | ГАЗ 24 |
| Модификации: | 24-01, 24-02, 24-03, 24-04, 24-07 |
| Название детали: | Шайба |
| Номер детали: | 252175-П8 |
| Актуальность: | 01.01.1998 |
| Количество: | |
6 - для автомобилей ГАЗ-24 и его модификаций
Подробная информация
| Автомобиль: | ГАЗ 24 |
| Модификации: | 24-01, 24-02, 24-03, 24-04, 24-07 |
| Название детали: | Штифт |
| Номер детали: | 295032-П18 |
| Актуальность: | 01.01.1998 |
| Количество: | |
2 - для автомобилей ГАЗ-24 и его модификаций
№
Номер запчасти
Наименование запчасти