- Автозапчасти ВАЗ
- Автозапчасти ГАЗ
- Автозапчасти на иномарки
- Автохимия, масла
- Подбор масла
- Инструменты, аксессуары
- Метизы
- Прочее, Москвич
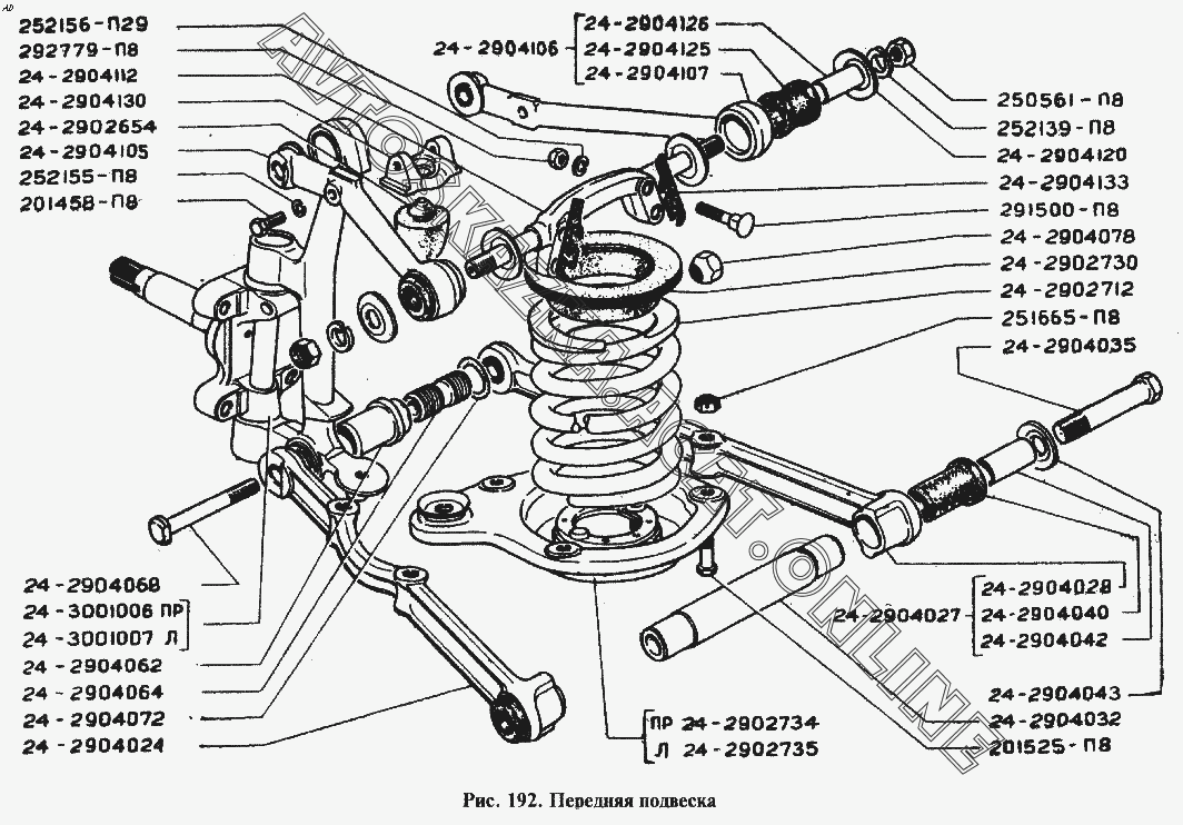
Передняя подвеска ГАЗ 24 (24-01, 24-02, 24-03, 24-04, 24-07)
+
Увеличить изображение на 10%
-
Уменьшить изображение на 10%
Выделение детали в таблице
Прокрутка картинки
Увеличить масштаб
201458-П8
201525-П8
291500-П8
24-2902654
24-2904040
24-2904042
24-2904062
24-2904064
24-2904125
24-2904126
24-2904078
250561-П8
251665-П8
292779-П8
24-2904072
24-3001007
24-3001006
24-2904130
24-2904032
24-2904112
24-2904035
24-2904068
24-2902730
24-2904133
24-2902712
24-2904107
24-2904106
24-2904105
24-2904028
24-2904027
24-2904024
24-2902735
24-2902734
24-2904043
24-2904120
252139-П8
252155-П8
252156-П29
Подробная информация
| Автомобиль: | ГАЗ 24 |
| Модификации: | 24-01, 24-02, 24-03, 24-04, 24-07 |
| Название детали: | Болт |
| Номер детали: | 201458-П8 |
| Актуальность: | 01.01.1998 |
| Количество: | |
4 - для автомобилей ГАЗ-24 и его модификаций
Подробная информация
| Автомобиль: | ГАЗ 24 |
| Модификации: | 24-01, 24-02, 24-03, 24-04, 24-07 |
| Название детали: | Болт |
| Номер детали: | 201525-П8 |
| Актуальность: | 01.01.1998 |
| Количество: | |
8 - для автомобилей ГАЗ-24 и его модификаций
Подробная информация
| Автомобиль: | ГАЗ 24 |
| Модификации: | 24-01, 24-02, 24-03, 24-04, 24-07 |
| Название детали: | Болт |
| Номер детали: | 291500-П8 |
| Актуальность: | 01.01.1998 |
| Количество: | |
4 - для автомобилей ГАЗ-24 и его модификаций
Подробная информация
| Автомобиль: | ГАЗ 24 |
| Модификации: | 24-01, 24-02, 24-03, 24-04, 24-07 |
| Название детали: | Буфер |
| Номер детали: | 24-2902654 |
| Актуальность: | 01.01.1998 |
| Количество: | |
2 - для автомобилей ГАЗ-24 и его модификаций
Подробная информация
| Автомобиль: | ГАЗ 24 |
| Модификации: | 24-01, 24-02, 24-03, 24-04, 24-07 |
| Название детали: | Втулка |
| Номер детали: | 24-2904040 |
| Актуальность: | 01.01.1998 |
| Количество: | |
4 - для автомобилей ГАЗ-24 и его модификаций
Подробная информация
| Автомобиль: | ГАЗ 24 |
| Модификации: | 24-01, 24-02, 24-03, 24-04, 24-07 |
| Название детали: | Втулка |
| Номер детали: | 24-2904042 |
| Актуальность: | 01.01.1998 |
| Количество: | |
4 - для автомобилей ГАЗ-24 и его модификаций
Подробная информация
| Автомобиль: | ГАЗ 24 |
| Модификации: | 24-01, 24-02, 24-03, 24-04, 24-07 |
| Название детали: | Втулка |
| Номер детали: | 24-2904062 |
| Актуальность: | 01.01.1998 |
| Количество: | |
4 - для автомобилей ГАЗ-24 и его модификаций
Подробная информация
| Автомобиль: | ГАЗ 24 |
| Модификации: | 24-01, 24-02, 24-03, 24-04, 24-07 |
| Название детали: | Втулка |
| Номер детали: | 24-2904064 |
| Актуальность: | 01.01.1998 |
| Количество: | |
4 - для автомобилей ГАЗ-24 и его модификаций
Подробная информация
| Автомобиль: | ГАЗ 24 |
| Модификации: | 24-01, 24-02, 24-03, 24-04, 24-07 |
| Название детали: | Втулка |
| Номер детали: | 24-2904125 |
| Актуальность: | 01.01.1998 |
| Количество: | |
4 - для автомобилей ГАЗ-24 и его модификаций
Подробная информация
| Автомобиль: | ГАЗ 24 |
| Модификации: | 24-01, 24-02, 24-03, 24-04, 24-07 |
| Название детали: | Втулка |
| Номер детали: | 24-2904126 |
| Актуальность: | 01.01.1998 |
| Количество: | |
4 - для автомобилей ГАЗ-24 и его модификаций
Подробная информация
| Автомобиль: | ГАЗ 24 |
| Модификации: | 24-01, 24-02, 24-03, 24-04, 24-07 |
| Название детали: | Гайка |
| Номер детали: | 24-2904078 |
| Актуальность: | 01.01.1998 |
| Количество: | |
4 - для автомобилей ГАЗ-24 и его модификаций
Подробная информация
| Автомобиль: | ГАЗ 24 |
| Модификации: | 24-01, 24-02, 24-03, 24-04, 24-07 |
| Название детали: | Гайка |
| Номер детали: | 250561-П8 |
| Актуальность: | 01.01.1998 |
| Количество: | |
4 - для автомобилей ГАЗ-24 и его модификаций
Подробная информация
| Автомобиль: | ГАЗ 24 |
| Модификации: | 24-01, 24-02, 24-03, 24-04, 24-07 |
| Название детали: | Гайка |
| Номер детали: | 251665-П8 |
| Актуальность: | 01.01.1998 |
| Количество: | |
8 - для автомобилей ГАЗ-24 и его модификаций
Подробная информация
| Автомобиль: | ГАЗ 24 |
| Модификации: | 24-01, 24-02, 24-03, 24-04, 24-07 |
| Название детали: | Гайка |
| Номер детали: | 292779-П8 |
| Актуальность: | 01.01.1998 |
| Количество: | |
4 - для автомобилей ГАЗ-24 и его модификаций
Подробная информация
| Автомобиль: | ГАЗ 24 |
| Модификации: | 24-01, 24-02, 24-03, 24-04, 24-07 |
| Название детали: | Кольцо |
| Номер детали: | 24-2904072 |
| Актуальность: | 01.01.1998 |
| Количество: | |
8 - для автомобилей ГАЗ-24 и его модификаций
Подробная информация
| Автомобиль: | ГАЗ 24 |
| Модификации: | 24-01, 24-02, 24-03, 24-04, 24-07 |
| Название детали: | Кулак поворотный в сборе левый |
| Номер детали: | 24-3001007 |
| Актуальность: | 01.01.1998 |
| Количество: | |
1 - для автомобилей ГАЗ-24 и его модификаций
Подробная информация
| Автомобиль: | ГАЗ 24 |
| Модификации: | 24-01, 24-02, 24-03, 24-04, 24-07 |
| Название детали: | Кулак поворотный в сборе правый |
| Номер детали: | 24-3001006 |
| Актуальность: | 01.01.1998 |
| Количество: | |
1 - для автомобилей ГАЗ-24 и его модификаций
Подробная информация
| Автомобиль: | ГАЗ 24 |
| Модификации: | 24-01, 24-02, 24-03, 24-04, 24-07 |
| Название детали: | Опора |
| Номер детали: | 24-2904130 |
| Актуальность: | 01.01.1998 |
| Количество: | |
2 - для автомобилей ГАЗ-24 и его модификаций
Подробная информация
| Автомобиль: | ГАЗ 24 |
| Модификации: | 24-01, 24-02, 24-03, 24-04, 24-07 |
| Название детали: | Ось |
| Номер детали: | 24-2904032 |
| Актуальность: | 01.01.1998 |
| Количество: | |
2 - для автомобилей ГАЗ-24 и его модификаций
Подробная информация
| Автомобиль: | ГАЗ 24 |
| Модификации: | 24-01, 24-02, 24-03, 24-04, 24-07 |
| Название детали: | Ось |
| Номер детали: | 24-2904112 |
| Актуальность: | 01.01.1998 |
| Количество: | |
2 - для автомобилей ГАЗ-24 и его модификаций
Подробная информация
| Автомобиль: | ГАЗ 24 |
| Модификации: | 24-01, 24-02, 24-03, 24-04, 24-07 |
| Название детали: | Палец |
| Номер детали: | 24-2904035 |
| Актуальность: | 01.01.1998 |
| Количество: | |
4 - для автомобилей ГАЗ-24 и его модификаций
Подробная информация
| Автомобиль: | ГАЗ 24 |
| Модификации: | 24-01, 24-02, 24-03, 24-04, 24-07 |
| Название детали: | Палец |
| Номер детали: | 24-2904068 |
| Актуальность: | 01.01.1998 |
| Количество: | |
4 - для автомобилей ГАЗ-24 и его модификаций
Подробная информация
| Автомобиль: | ГАЗ 24 |
| Модификации: | 24-01, 24-02, 24-03, 24-04, 24-07 |
| Название детали: | Подвеска в сборе |
| Номер детали: | 24-2901012 |
| Актуальность: | 01.01.1998 |
| Количество: | |
1 - для автомобилей ГАЗ-24 и его модификаций
Подробная информация
| Автомобиль: | ГАЗ 24 |
| Модификации: | 24-01, 24-02, 24-03, 24-04, 24-07 |
| Название детали: | Прокладка |
| Номер детали: | 24-2902730 |
| Актуальность: | 01.01.1998 |
| Количество: | |
2 - для автомобилей ГАЗ-24 и его модификаций
Подробная информация
| Автомобиль: | ГАЗ 24 |
| Модификации: | 24-01, 24-02, 24-03, 24-04, 24-07 |
| Название детали: | Прокладка |
| Номер детали: | 24-2904133 |
| Актуальность: | 01.01.1998 |
| Количество: | |
Подробная информация
| Автомобиль: | ГАЗ 24 |
| Модификации: | 24-01, 24-02, 24-03, 24-04, 24-07 |
| Название детали: | Пружина |
| Номер детали: | 24-2902712 |
| Актуальность: | 01.01.1998 |
| Количество: | |
2 - для автомобилей ГАЗ-24 и его модификаций
Подробная информация
| Автомобиль: | ГАЗ 24 |
| Модификации: | 24-01, 24-02, 24-03, 24-04, 24-07 |
| Название детали: | Рычаг верхний задний |
| Номер детали: | 24-2904107 |
| Актуальность: | 01.01.1998 |
| Количество: | |
2 - для автомобилей ГАЗ-24 и его модификаций
Подробная информация
| Автомобиль: | ГАЗ 24 |
| Модификации: | 24-01, 24-02, 24-03, 24-04, 24-07 |
| Название детали: | Рычаг верхний задний в сборе |
| Номер детали: | 24-2904106 |
| Актуальность: | 01.01.1998 |
| Количество: | |
2 - для автомобилей ГАЗ-24 и его модификаций
Подробная информация
| Автомобиль: | ГАЗ 24 |
| Модификации: | 24-01, 24-02, 24-03, 24-04, 24-07 |
| Название детали: | Рычаг верхний передний |
| Номер детали: | 24-2904105 |
| Актуальность: | 01.01.1998 |
| Количество: | |
2 - для автомобилей ГАЗ-24 и его модификаций
Подробная информация
| Автомобиль: | ГАЗ 24 |
| Модификации: | 24-01, 24-02, 24-03, 24-04, 24-07 |
| Название детали: | Рычаг верхний передний в сборе |
| Номер детали: | 24-2904104 |
| Актуальность: | 01.01.1998 |
| Количество: | |
2 - для автомобилей ГАЗ-24 и его модификаций
Подробная информация
| Автомобиль: | ГАЗ 24 |
| Модификации: | 24-01, 24-02, 24-03, 24-04, 24-07 |
| Название детали: | Рычаг нижний задний |
| Номер детали: | 24-2904028 |
| Актуальность: | 01.01.1998 |
| Количество: | |
2 - для автомобилей ГАЗ-24 и его модификаций
Подробная информация
| Автомобиль: | ГАЗ 24 |
| Модификации: | 24-01, 24-02, 24-03, 24-04, 24-07 |
| Название детали: | Рычаг нижний задний в сборе |
| Номер детали: | 24-2904027 |
| Актуальность: | 01.01.1998 |
| Количество: | |
2 - для автомобилей ГАЗ-24 и его модификаций
Подробная информация
| Автомобиль: | ГАЗ 24 |
| Модификации: | 24-01, 24-02, 24-03, 24-04, 24-07 |
| Название детали: | Рычаг нижний передний |
| Номер детали: | 24-2904024 |
| Актуальность: | 01.01.1998 |
| Количество: | |
2 - для автомобилей ГАЗ-24 и его модификаций
Подробная информация
| Автомобиль: | ГАЗ 24 |
| Модификации: | 24-01, 24-02, 24-03, 24-04, 24-07 |
| Название детали: | Рычаг нижний передний в сборе |
| Номер детали: | 24-2904023 |
| Актуальность: | 01.01.1998 |
| Количество: | |
2 - для автомобилей ГАЗ-24 и его модификаций
Подробная информация
| Автомобиль: | ГАЗ 24 |
| Модификации: | 24-01, 24-02, 24-03, 24-04, 24-07 |
| Название детали: | Чашка левая |
| Номер детали: | 24-2902735 |
| Актуальность: | 01.01.1998 |
| Количество: | |
1 - для автомобилей ГАЗ-24 и его модификаций
Подробная информация
| Автомобиль: | ГАЗ 24 |
| Модификации: | 24-01, 24-02, 24-03, 24-04, 24-07 |
| Название детали: | Чашка правая |
| Номер детали: | 24-2902734 |
| Актуальность: | 01.01.1998 |
| Количество: | |
1 - для автомобилей ГАЗ-24 и его модификаций
Подробная информация
| Автомобиль: | ГАЗ 24 |
| Модификации: | 24-01, 24-02, 24-03, 24-04, 24-07 |
| Название детали: | Шайба |
| Номер детали: | 24-2904043 |
| Актуальность: | 01.01.1998 |
| Количество: | |
4 - для автомобилей ГАЗ-24 и его модификаций
Подробная информация
| Автомобиль: | ГАЗ 24 |
| Модификации: | 24-01, 24-02, 24-03, 24-04, 24-07 |
| Название детали: | Шайба |
| Номер детали: | 24-2904120 |
| Актуальность: | 01.01.1998 |
| Количество: | |
8 - для автомобилей ГАЗ-24 и его модификаций
Подробная информация
| Автомобиль: | ГАЗ 24 |
| Модификации: | 24-01, 24-02, 24-03, 24-04, 24-07 |
| Название детали: | Шайба |
| Номер детали: | 252139-П8 |
| Актуальность: | 01.01.1998 |
| Количество: | |
4 - для автомобилей ГАЗ-24 и его модификаций
Подробная информация
| Автомобиль: | ГАЗ 24 |
| Модификации: | 24-01, 24-02, 24-03, 24-04, 24-07 |
| Название детали: | Шайба |
| Номер детали: | 252155-П8 |
| Актуальность: | 01.01.1998 |
| Количество: | |
4 - для автомобилей ГАЗ-24 и его модификаций
Подробная информация
| Автомобиль: | ГАЗ 24 |
| Модификации: | 24-01, 24-02, 24-03, 24-04, 24-07 |
| Название детали: | Шайба |
| Номер детали: | 252156-П29 |
| Актуальность: | 01.01.1998 |
| Количество: | |
4 - для автомобилей ГАЗ-24 и его модификаций
№
Номер запчасти
Наименование запчасти