- Автозапчасти ВАЗ
- Автозапчасти ГАЗ
- Автозапчасти на иномарки
- Автохимия, масла
- Подбор масла
- Инструменты, аксессуары
- Метизы
- Прочее, Москвич
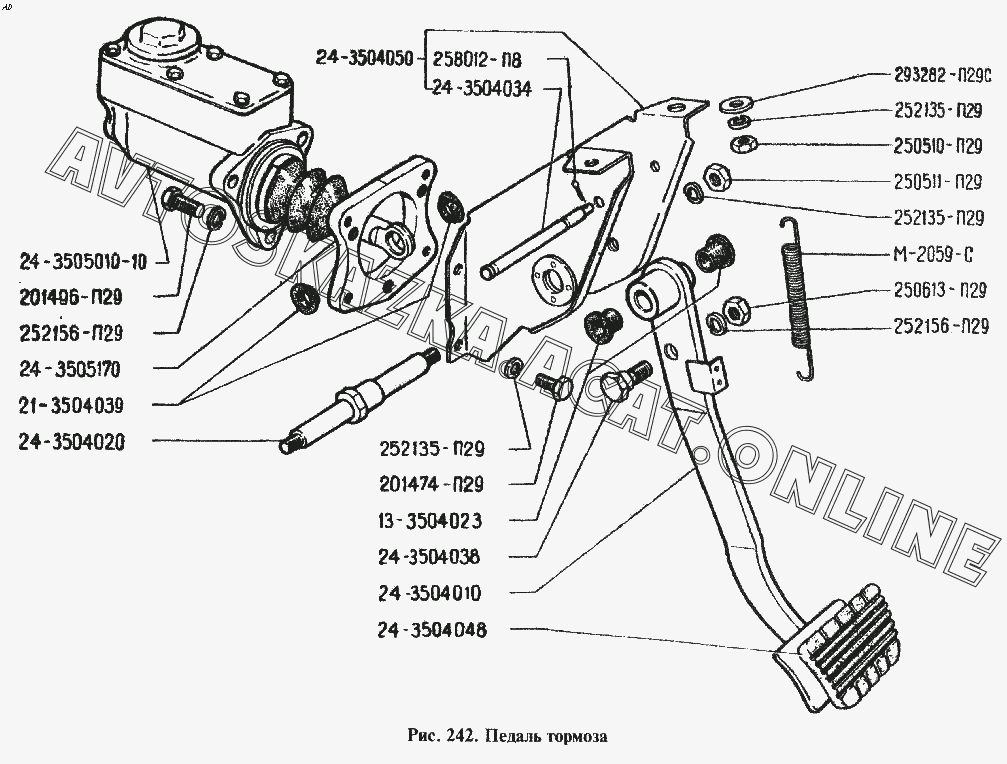
Педаль тормоза ГАЗ 24 (24-01, 24-02, 24-03, 24-04, 24-07)
+
Увеличить изображение на 10%
-
Уменьшить изображение на 10%
Выделение детали в таблице
Прокрутка картинки
Увеличить масштаб
201474-П29
201496-П29
13-3504023
21-3504039
250510-П29
250511-П29
250613-П29
24-3504050
24-3504048
24-3504020
24-3504034
24-3504038
24-3504010
24-3505170
М-2059-С
24-3505010-10
252135-П29
252135-П29
252135-П29
252156-П29
252156-П29
293282-П29С
258012-П8
Подробная информация
| Автомобиль: | ГАЗ 24 |
| Модификации: | 24-01, 24-02, 24-03, 24-04, 24-07 |
| Название детали: | Болт |
| Номер детали: | 201474-П29 |
| Актуальность: | 01.01.1998 |
| Количество: | |
4 - для автомобилей ГАЗ-24 и его модификаций
Подробная информация
| Автомобиль: | ГАЗ 24 |
| Модификации: | 24-01, 24-02, 24-03, 24-04, 24-07 |
| Название детали: | Болт |
| Номер детали: | 201496-П29 |
| Актуальность: | 01.01.1998 |
| Количество: | |
3 - для автомобилей ГАЗ-24 и его модификаций
Подробная информация
| Автомобиль: | ГАЗ 24 |
| Модификации: | 24-01, 24-02, 24-03, 24-04, 24-07 |
| Название детали: | Втулка |
| Номер детали: | 13-3504023 |
| Актуальность: | 01.01.1998 |
| Количество: | |
2 - для автомобилей ГАЗ-24 и его модификаций
Подробная информация
| Автомобиль: | ГАЗ 24 |
| Модификации: | 24-01, 24-02, 24-03, 24-04, 24-07 |
| Название детали: | Втулка |
| Номер детали: | 21-3504039 |
| Актуальность: | 01.01.1998 |
| Количество: | |
2 - для автомобилей ГАЗ-24 и его модификаций
Подробная информация
| Автомобиль: | ГАЗ 24 |
| Модификации: | 24-01, 24-02, 24-03, 24-04, 24-07 |
| Название детали: | Гайка |
| Номер детали: | 250510-П29 |
| Актуальность: | 01.01.1998 |
| Количество: | |
2 - для автомобилей ГАЗ-24 и его модификаций
Подробная информация
| Автомобиль: | ГАЗ 24 |
| Модификации: | 24-01, 24-02, 24-03, 24-04, 24-07 |
| Название детали: | Гайка |
| Номер детали: | 250511-П29 |
| Актуальность: | 01.01.1998 |
| Количество: | |
1 - для автомобилей ГАЗ-24 и его модификаций
Подробная информация
| Автомобиль: | ГАЗ 24 |
| Модификации: | 24-01, 24-02, 24-03, 24-04, 24-07 |
| Название детали: | Гайка |
| Номер детали: | 250613-П29 |
| Актуальность: | 01.01.1998 |
| Количество: | |
1 - для автомобилей ГАЗ-24 и его модификаций
Подробная информация
| Автомобиль: | ГАЗ 24 |
| Модификации: | 24-01, 24-02, 24-03, 24-04, 24-07 |
| Название детали: | Кронштейн в сборе |
| Номер детали: | 24-3504050 |
| Актуальность: | 01.01.1998 |
| Количество: | |
1 - для автомобилей ГАЗ-24 и его модификаций
Подробная информация
| Автомобиль: | ГАЗ 24 |
| Модификации: | 24-01, 24-02, 24-03, 24-04, 24-07 |
| Название детали: | Накладка |
| Номер детали: | 24-3504048 |
| Актуальность: | 01.01.1998 |
| Количество: | |
1 - для автомобилей ГАЗ-24 и его модификаций
Подробная информация
| Автомобиль: | ГАЗ 24 |
| Модификации: | 24-01, 24-02, 24-03, 24-04, 24-07 |
| Название детали: | Ось |
| Номер детали: | 24-3504020 |
| Актуальность: | 01.01.1998 |
| Количество: | |
1 - для автомобилей ГАЗ-24 и его модификаций
Подробная информация
| Автомобиль: | ГАЗ 24 |
| Модификации: | 24-01, 24-02, 24-03, 24-04, 24-07 |
| Название детали: | Ось |
| Номер детали: | 24-3504034 |
| Актуальность: | 01.01.1998 |
| Количество: | |
1 - для автомобилей ГАЗ-24 и его модификаций
Подробная информация
| Автомобиль: | ГАЗ 24 |
| Модификации: | 24-01, 24-02, 24-03, 24-04, 24-07 |
| Название детали: | Ось |
| Номер детали: | 24-3504038 |
| Актуальность: | 01.01.1998 |
| Количество: | |
1 - для автомобилей ГАЗ-24 и его модификаций
Подробная информация
| Автомобиль: | ГАЗ 24 |
| Модификации: | 24-01, 24-02, 24-03, 24-04, 24-07 |
| Название детали: | Педаль |
| Номер детали: | 24-3504010 |
| Актуальность: | 01.01.1998 |
| Количество: | |
1 - для автомобилей ГАЗ-24 и его модификаций
Подробная информация
| Автомобиль: | ГАЗ 24 |
| Модификации: | 24-01, 24-02, 24-03, 24-04, 24-07 |
| Название детали: | Педаль в сборе |
| Номер детали: | 24-3504007 |
| Актуальность: | 01.01.1998 |
| Количество: | |
1 - для автомобилей ГАЗ-24 и его модификаций
Подробная информация
| Автомобиль: | ГАЗ 24 |
| Модификации: | 24-01, 24-02, 24-03, 24-04, 24-07 |
| Название детали: | Переходник |
| Номер детали: | 24-3505170 |
| Актуальность: | 01.01.1998 |
| Количество: | |
1 - для автомобилей ГАЗ-24 и его модификаций
Подробная информация
| Автомобиль: | ГАЗ 24 |
| Модификации: | 24-01, 24-02, 24-03, 24-04, 24-07 |
| Название детали: | Пружина |
| Номер детали: | М-2059-С |
| Актуальность: | 01.01.1998 |
| Количество: | |
1 - для автомобилей ГАЗ-24 и его модификаций
Подробная информация
| Автомобиль: | ГАЗ 24 |
| Модификации: | 24-01, 24-02, 24-03, 24-04, 24-07 |
| Название детали: | Цилиндр в сборе |
| Номер детали: | 24-3505010-10 |
| Актуальность: | 01.01.1998 |
| Количество: | |
1 - для автомобилей ГАЗ-24 и его модификаций
Подробная информация
| Автомобиль: | ГАЗ 24 |
| Модификации: | 24-01, 24-02, 24-03, 24-04, 24-07 |
| Название детали: | Шайба |
| Номер детали: | 252135-П29 |
| Актуальность: | 01.01.1998 |
| Количество: | |
7 - для автомобилей ГАЗ-24 и его модификаций
Подробная информация
| Автомобиль: | ГАЗ 24 |
| Модификации: | 24-01, 24-02, 24-03, 24-04, 24-07 |
| Название детали: | Шайба |
| Номер детали: | 252156-П29 |
| Актуальность: | 01.01.1998 |
| Количество: | |
4 - для автомобилей ГАЗ-24 и его модификаций
Подробная информация
| Автомобиль: | ГАЗ 24 |
| Модификации: | 24-01, 24-02, 24-03, 24-04, 24-07 |
| Название детали: | Шайба |
| Номер детали: | 293282-П29С |
| Актуальность: | 01.01.1998 |
| Количество: | |
2 - для автомобилей ГАЗ-24 и его модификаций
Подробная информация
| Автомобиль: | ГАЗ 24 |
| Модификации: | 24-01, 24-02, 24-03, 24-04, 24-07 |
| Название детали: | Шплинт |
| Номер детали: | 258012-П8 |
| Актуальность: | 01.01.1998 |
| Количество: | |
1 - для автомобилей ГАЗ-24 и его модификаций
№
Номер запчасти
Наименование запчасти