- Автозапчасти ВАЗ
- Автозапчасти ГАЗ
- Автозапчасти на иномарки
- Автохимия, масла
- Подбор масла
- Инструменты, аксессуары
- Метизы
- Прочее, Москвич
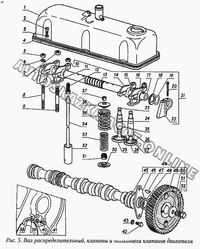
Вал распределительный, клапаны и толкатели клапанов двигателя ГАЗ 31029
+
Увеличить изображение на 10%
-
Уменьшить изображение на 10%
Выделение детали в таблице
Прокрутка картинки
Увеличить масштаб
1
2
3
4
5
6
7
8
9
10
11
12
13
14
15
16
17
18
19
20
21
22
23
24
25
26
27
28
29
30
31
32
33
34
35
36
37
38
39
40
41
42
43
44
45
46
47
48
49
50
51
52
Подробная информация
| Автомобиль: | ГАЗ 31029 |
| Модификации: | |
| Название детали: | Крышка коромысел в сборе |
| Номер детали: | 4021.1007230 |
| Актуальность: | 01.01.1995 |
| Количество: | |
1 - для автомобилей ГАЗ-31029 и его модификаций
Подробная информация
| Автомобиль: | ГАЗ 31029 |
| Модификации: | |
| Название детали: | Винт М6-6gх16 |
| Номер детали: | 222525-П29 |
| Актуальность: | 01.01.1995 |
| Количество: | |
6 - для автомобилей ГАЗ-31029 и его модификаций
Подробная информация
| Автомобиль: | ГАЗ 31029 |
| Модификации: | |
| Название детали: | Шайба 6 |
| Номер детали: | 252004-П29 |
| Актуальность: | 01.01.1995 |
| Количество: | |
6 - для автомобилей ГАЗ-31029 и его модификаций
Подробная информация
| Автомобиль: | ГАЗ 31029 |
| Модификации: | |
| Название детали: | Прокладка |
| Номер детали: | 21-1007245-Б1 |
| Актуальность: | 01.01.1995 |
| Количество: | |
1 - для автомобилей ГАЗ-31029 и его модификаций
Подробная информация
| Автомобиль: | ГАЗ 31029 |
| Модификации: | |
| Название детали: | Гайка М8х 1 - 6Н |
| Номер детали: | 250503-П |
| Актуальность: | 01.01.1995 |
| Количество: | |
2 - для автомобилей ГАЗ-31029 и его модификаций
Подробная информация
| Автомобиль: | ГАЗ 31029 |
| Модификации: | |
| Название детали: | Шайба 8 |
| Номер детали: | 252005-П |
| Актуальность: | 01.01.1995 |
| Количество: | |
2 - для автомобилей ГАЗ-31029 и его модификаций
Подробная информация
| Автомобиль: | ГАЗ 31029 |
| Модификации: | |
| Название детали: | Гайка М10х1-4Н5Н |
| Номер детали: | 250513-П |
| Актуальность: | 01.01.1995 |
| Количество: | |
4 - для автомобилей ГАЗ-31029 и его модификаций
Подробная информация
| Автомобиль: | ГАЗ 31029 |
| Модификации: | |
| Название детали: | Шпилька М8х1 -4hх58 |
| Номер детали: | 874335 |
| Актуальность: | 01.01.1995 |
| Количество: | |
2 - для автомобилей ГАЗ-31029 и его модификаций
Подробная информация
| Автомобиль: | ГАЗ 31029 |
| Модификации: | |
| Название детали: | Шпилька М10х1,5 - 4hх60 |
| Номер детали: | 291808-П |
| Актуальность: | 01.01.1995 |
| Количество: | |
4 - для автомобилей ГАЗ-31029 и его модификаций
Подробная информация
| Автомобиль: | ГАЗ 31029 |
| Модификации: | |
| Название детали: | Гайка |
| Номер детали: | 12-1007076 |
| Актуальность: | 01.01.1995 |
| Количество: | |
8 - для автомобилей ГАЗ-31029 и его модификаций
Подробная информация
| Автомобиль: | ГАЗ 31029 |
| Модификации: | |
| Название детали: | Стойка оси коромысел |
| Номер детали: | 21-1007106-Б |
| Актуальность: | 01.01.1995 |
| Количество: | |
1 - для автомобилей ГАЗ-31029 и его модификаций
Подробная информация
| Автомобиль: | ГАЗ 31029 |
| Модификации: | |
| Название детали: | Винт регулировочный |
| Номер детали: | 66-1007075-02 |
| Актуальность: | 01.01.1995 |
| Количество: | |
8 - для автомобилей ГАЗ-31029 и его модификаций
Подробная информация
| Автомобиль: | ГАЗ 31029 |
| Модификации: | |
| Название детали: | Пружина распорная |
| Номер детали: | 21-1007161-Б |
| Актуальность: | 01.01.1995 |
| Количество: | |
3 - для автомобилей ГАЗ-31029 и его модификаций
Подробная информация
| Автомобиль: | ГАЗ 31029 |
| Модификации: | |
| Название детали: | Коромысло клапана с втулкой |
| Номер детали: | 13-1007114-03 |
| Актуальность: | 01.01.1995 |
| Количество: | |
8 - для автомобилей ГАЗ-31029 и его модификаций
Подробная информация
| Автомобиль: | ГАЗ 31029 |
| Модификации: | |
| Название детали: | Стойка оси коромысел |
| Номер детали: | 21-1007105-Б |
| Актуальность: | 01.01.1995 |
| Количество: | |
3 - для автомобилей ГАЗ-31029 и его модификаций
Подробная информация
| Автомобиль: | ГАЗ 31029 |
| Модификации: | |
| Название детали: | Коромысло клапана с винтом регулировочным |
| Номер детали: | 13-1007112-01 |
| Актуальность: | 01.01.1995 |
| Количество: | |
8 - для автомобилей ГАЗ-31029 и его модификаций
Подробная информация
| Автомобиль: | ГАЗ 31029 |
| Модификации: | |
| Название детали: | Ось в сборе |
| Номер детали: | 21-1007100-Б |
| Актуальность: | 01.01.1995 |
| Количество: | |
1 - для автомобилей ГАЗ-31029 и его модификаций
Подробная информация
| Автомобиль: | ГАЗ 31029 |
| Модификации: | |
| Название детали: | Шайба |
| Номер детали: | 41-1007119 |
| Актуальность: | 01.01.1995 |
| Количество: | |
2 - для автомобилей ГАЗ-31029 и его модификаций
Подробная информация
| Автомобиль: | ГАЗ 31029 |
| Модификации: | |
| Название детали: | Шайба пружинная |
| Номер детали: | 21-1007135 |
| Актуальность: | 01.01.1995 |
| Количество: | |
2 - для автомобилей ГАЗ-31029 и его модификаций
Подробная информация
| Автомобиль: | ГАЗ 31029 |
| Модификации: | |
| Название детали: | Шплинт 4х36 |
| Номер детали: | 258055-П |
| Актуальность: | 01.01.1995 |
| Количество: | |
2 - для автомобилей ГАЗ-31029 и его модификаций
Подробная информация
| Автомобиль: | ГАЗ 31029 |
| Модификации: | |
| Название детали: | Ось с коромыслами и стойками в сборе |
| Номер детали: | 24-1007098-40 |
| Актуальность: | 01.01.1995 |
| Количество: | |
1 - для автомобилей ГАЗ-31029 и его модификаций
Подробная информация
| Автомобиль: | ГАЗ 31029 |
| Модификации: | |
| Название детали: | Стойка оси коромысел |
| Номер детали: | 24-1007107 |
| Актуальность: | 01.01.1995 |
| Количество: | |
2 - для автомобилей ГАЗ-31029 и его модификаций
Подробная информация
| Автомобиль: | ГАЗ 31029 |
| Модификации: | |
| Название детали: | Клапан впускной |
| Номер детали: | 402.1007010 |
| Актуальность: | 01.01.1995 |
| Количество: | |
4 - для автомобилей ГАЗ-31029 и его модификаций
Подробная информация
| Автомобиль: | ГАЗ 31029 |
| Модификации: | |
| Название детали: | Кольцо стопорное |
| Номер детали: | 13-1007034-21 |
| Актуальность: | 01.01.1995 |
| Количество: | |
4 - для автомобилей ГАЗ-31029 и его модификаций
Подробная информация
| Автомобиль: | ГАЗ 31029 |
| Модификации: | |
| Название детали: | Втулка направляющая |
| Номер детали: | 4022.1007033 |
| Актуальность: | 01.01.1995 |
| Количество: | |
4 - для автомобилей ГАЗ-31029 и его модификаций
Подробная информация
| Автомобиль: | ГАЗ 31029 |
| Модификации: | |
| Название детали: | Втулка направляющая |
| Номер детали: | 4022.1007038 |
| Актуальность: | 01.01.1995 |
| Количество: | |
4 - для автомобилей ГАЗ-31029 и его модификаций
Подробная информация
| Автомобиль: | ГАЗ 31029 |
| Модификации: | |
| Название детали: | Клапан выпускной |
| Номер детали: | 4022.1007015 |
| Актуальность: | 01.01.1995 |
| Количество: | |
4 - для автомобилей ГАЗ-31029 и его модификаций
Подробная информация
| Автомобиль: | ГАЗ 31029 |
| Модификации: | |
| Название детали: | Седло вставное выпускного клапана |
| Номер детали: | 4022.1007080 |
| Актуальность: | 01.01.1995 |
| Количество: | |
4 - для автомобилей ГАЗ-31029 и его модификаций
Подробная информация
| Автомобиль: | ГАЗ 31029 |
| Модификации: | |
| Название детали: | Седло вставное впускного клапана |
| Номер детали: | 4022.1007082-30 |
| Актуальность: | 01.01.1995 |
| Количество: | |
4 - для автомобилей ГАЗ-31029 и его модификаций
Подробная информация
| Автомобиль: | ГАЗ 31029 |
| Модификации: | |
| Название детали: | Шайба опорная |
| Номер детали: | 24-1007022 |
| Актуальность: | 01.01.1995 |
| Количество: | |
8 - для автомобилей ГАЗ-31029 и его модификаций
Подробная информация
| Автомобиль: | ГАЗ 31029 |
| Модификации: | |
| Название детали: | Колпачок в сборе |
| Номер детали: | 24-1007036-01 |
| Актуальность: | 01.01.1995 |
| Количество: | |
8 - для автомобилей ГАЗ-31029 и его модификаций
Подробная информация
| Автомобиль: | ГАЗ 31029 |
| Модификации: | |
| Название детали: | Толкатель клапана |
| Номер детали: | 21-1007055-А4 |
| Актуальность: | 01.01.1995 |
| Количество: | |
8 - для автомобилей ГАЗ-31029 и его модификаций
Подробная информация
| Автомобиль: | ГАЗ 31029 |
| Модификации: | |
| Название детали: | Пружина внутренняя |
| Номер детали: | 24-1007021 |
| Актуальность: | 01.01.1995 |
| Количество: | |
8 - для автомобилей ГАЗ-31029 и его модификаций
Подробная информация
| Автомобиль: | ГАЗ 31029 |
| Модификации: | |
| Название детали: | Штанга в сборе |
| Номер детали: | 54-1007175 |
| Актуальность: | 01.01.1995 |
| Количество: | |
8 - для автомобилей ГАЗ-31029 и его модификаций
Подробная информация
| Автомобиль: | ГАЗ 31029 |
| Модификации: | |
| Название детали: | Пружина наружная |
| Номер детали: | 24-1007020-11 |
| Актуальность: | 01.01.1995 |
| Количество: | |
8 - для автомобилей ГАЗ-31029 и его модификаций
Подробная информация
| Автомобиль: | ГАЗ 31029 |
| Модификации: | |
| Название детали: | Тарелка |
| Номер детали: | 24-1007025-11 |
| Актуальность: | 01.01.1995 |
| Количество: | |
8 - для автомобилей ГАЗ-31029 и его модификаций
Подробная информация
| Автомобиль: | ГАЗ 31029 |
| Модификации: | |
| Название детали: | Сухарь |
| Номер детали: | 66-1007028 |
| Актуальность: | 01.01.1995 |
| Количество: | |
16 - для автомобилей ГАЗ-31029 и его модификаций
Подробная информация
| Автомобиль: | ГАЗ 31029 |
| Модификации: | |
| Название детали: | Трубка |
| Номер детали: | 21-1006049-22 |
| Актуальность: | 01.01.1995 |
| Количество: | |
1 - для автомобилей ГАЗ-31029 и его модификаций
Подробная информация
| Автомобиль: | ГАЗ 31029 |
| Модификации: | |
| Название детали: | Скоба |
| Номер детали: | 12-1006267 |
| Актуальность: | 01.01.1995 |
| Количество: | |
1 - для автомобилей ГАЗ-31029 и его модификаций
Подробная информация
| Автомобиль: | ГАЗ 31029 |
| Модификации: | |
| Название детали: | Шайба 6Л |
| Номер детали: | 252154-П2 |
| Актуальность: | 01.01.1995 |
| Количество: | |
1 - для автомобилей ГАЗ-31029 и его модификаций
Подробная информация
| Автомобиль: | ГАЗ 31029 |
| Модификации: | |
| Название детали: | Болт М6-6gх12 |
| Номер детали: | 2904 89-П |
| Актуальность: | 01.01.1995 |
| Количество: | |
1 - для автомобилей ГАЗ-31029 и его модификаций
Подробная информация
| Автомобиль: | ГАЗ 31029 |
| Модификации: | |
| Название детали: | Болт М8-6gх20 |
| Номер детали: | 201456-П2 |
| Актуальность: | 01.01.1995 |
| Количество: | |
2 - для автомобилей ГАЗ-31029 и его модификаций
Подробная информация
| Автомобиль: | ГАЗ 31029 |
| Модификации: | |
| Название детали: | Шайба 8Т |
| Номер детали: | 252135-П2 |
| Актуальность: | 01.01.1995 |
| Количество: | |
2 - для автомобилей ГАЗ-31029 и его модификаций
Подробная информация
| Автомобиль: | ГАЗ 31029 |
| Модификации: | |
| Название детали: | Вал в сборе |
| Номер детали: | 4022.1006010-02 |
| Актуальность: | 01.01.1995 |
| Количество: | |
1 - для автомобилей ГАЗ-31029 и его модификаций
Подробная информация
| Автомобиль: | ГАЗ 31029 |
| Модификации: | |
| Название детали: | Вал |
| Номер детали: | 4022.1006015-20 |
| Актуальность: | 01.01.1995 |
| Количество: | |
1 - для автомобилей ГАЗ-31029 и его модификаций
Подробная информация
| Автомобиль: | ГАЗ 31029 |
| Модификации: | |
| Название детали: | Фланец упорный |
| Номер детали: | 11-6252 |
| Актуальность: | 01.01.1995 |
| Количество: | |
1 - для автомобилей ГАЗ-31029 и его модификаций
Подробная информация
| Автомобиль: | ГАЗ 31029 |
| Модификации: | |
| Название детали: | Шпонка 5х9 |
| Номер детали: | 45 9824 0264 |
| Актуальность: | 01.01.1995 |
| Количество: | |
1 - для автомобилей ГАЗ-31029 и его модификаций
Подробная информация
| Автомобиль: | ГАЗ 31029 |
| Модификации: | |
| Название детали: | Кольцо распорное |
| Номер детали: | 4022.1006029 |
| Актуальность: | 01.01.1995 |
| Количество: | |
1 - для автомобилей ГАЗ-31029 и его модификаций
Подробная информация
| Автомобиль: | ГАЗ 31029 |
| Модификации: | |
| Название детали: | Шестерня |
| Номер детали: | 11-6256-А4 |
| Актуальность: | 01.01.1995 |
| Количество: | |
1 - для автомобилей ГАЗ-31029 и его модификаций
Подробная информация
| Автомобиль: | ГАЗ 31029 |
| Модификации: | |
| Название детали: | Шайба |
| Номер детали: | 24-1006023 |
| Актуальность: | 01.01.1995 |
| Количество: | |
1 - для автомобилей ГАЗ-31029 и его модификаций
Подробная информация
| Автомобиль: | ГАЗ 31029 |
| Модификации: | |
| Название детали: | Болт М12х1,25-6gхЗ0 |
| Номер детали: | 201563-П |
| Актуальность: | 01.01.1995 |
| Количество: | |
1 - для автомобилей ГАЗ-31029 и его модификаций
Подробная информация
| Автомобиль: | ГАЗ 31029 |
| Модификации: | |
| Название детали: | Шайба 12.ОТ |
| Номер детали: | 252137-П2 |
| Актуальность: | 01.01.1995 |
| Количество: | |
1 - для автомобилей ГАЗ-31029 и его модификаций
№
Номер запчасти
Наименование запчасти