- Автозапчасти ВАЗ
- Автозапчасти ГАЗ
- Автозапчасти на иномарки
- Автохимия, масла
- Подбор масла
- Инструменты, аксессуары
- Метизы
- Прочее, Москвич
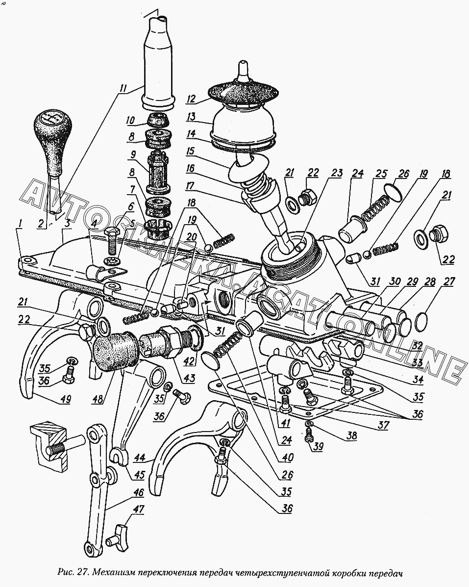
Механизм переключения передач четырехступенчатой коробки передач ГАЗ 31029
+
Увеличить изображение на 10%
-
Уменьшить изображение на 10%
Выделение детали в таблице
Прокрутка картинки
Увеличить масштаб
1
2
3
4
5
6
7
8
8
9
10
11
12
13
14
15
16
17
18
18
19
19
20
21
21
21
22
22
22
23
24
24
25
26
26
27
28
29
30
31
31
32
33
34
35
35
35
35
35
36
36
36
37
38
39
40
41
42
43
44
45
46
47
48
49
Подробная информация
| Автомобиль: | ГАЗ 31029 |
| Модификации: | |
| Название детали: | Прокладка |
| Номер детали: | 24-1702014 |
| Актуальность: | 01.01.1995 |
| Количество: | |
1 - для автомобилей ГАЗ-31029 и его модификаций
Подробная информация
| Автомобиль: | ГАЗ 31029 |
| Модификации: | |
| Название детали: | Рукоятка |
| Номер детали: | 3102-1702159 |
| Актуальность: | 01.01.1995 |
| Количество: | |
1 - для автомобилей ГАЗ-31029 и его модификаций
Подробная информация
| Автомобиль: | ГАЗ 31029 |
| Модификации: | |
| Название детали: | Крышка коробки передач |
| Номер детали: | 24-1702015-01 |
| Актуальность: | 01.01.1995 |
| Количество: | |
1 - для автомобилей ГАЗ-31029 и его модификаций
Подробная информация
| Автомобиль: | ГАЗ 31029 |
| Модификации: | |
| Название детали: | Скоба |
| Номер детали: | 24-3724093 |
| Актуальность: | 01.01.1995 |
| Количество: | |
1 - для автомобилей ГАЗ-31029 и его модификаций
Подробная информация
| Автомобиль: | ГАЗ 31029 |
| Модификации: | |
| Название детали: | Шайба 8 |
| Номер детали: | 252175-П29 |
| Актуальность: | 01.01.1995 |
| Количество: | |
6 - для автомобилей ГАЗ-31029 и его модификаций
Подробная информация
| Автомобиль: | ГАЗ 31029 |
| Модификации: | |
| Название детали: | Болт М8-6gх25 |
| Номер детали: | 201458-П29 |
| Актуальность: | 01.01.1995 |
| Количество: | |
6 - для автомобилей ГАЗ-31029 и его модификаций
Подробная информация
| Автомобиль: | ГАЗ 31029 |
| Модификации: | |
| Название детали: | Втулка запорная |
| Номер детали: | 24-1702150 |
| Актуальность: | 01.01.1995 |
| Количество: | |
1 - для автомобилей ГАЗ-31029 и его модификаций
Подробная информация
| Автомобиль: | ГАЗ 31029 |
| Модификации: | |
| Название детали: | Подушка |
| Номер детали: | 24-1702148 |
| Актуальность: | 01.01.1995 |
| Количество: | |
2 - для автомобилей ГАЗ-31029 и его модификаций
Подробная информация
| Автомобиль: | ГАЗ 31029 |
| Модификации: | |
| Название детали: | Втулка распорная |
| Номер детали: | 24-1702146 |
| Актуальность: | 01.01.1995 |
| Количество: | |
1 - для автомобилей ГАЗ-31029 и его модификаций
Подробная информация
| Автомобиль: | ГАЗ 31029 |
| Модификации: | |
| Название детали: | Конус |
| Номер детали: | 24-1702144-01 |
| Актуальность: | 01.01.1995 |
| Количество: | |
1 - для автомобилей ГАЗ-31029 и его модификаций
Подробная информация
| Автомобиль: | ГАЗ 31029 |
| Модификации: | |
| Название детали: | Рычаг (верхняя часть) |
| Номер детали: | 24-1702142 |
| Актуальность: | 01.01.1995 |
| Количество: | |
1 - для автомобилей ГАЗ-31029 и его модификаций
Подробная информация
| Автомобиль: | ГАЗ 31029 |
| Модификации: | |
| Название детали: | Уплотнитель |
| Номер детали: | 24-1702128 |
| Актуальность: | 01.01.1995 |
| Количество: | |
1 - для автомобилей ГАЗ-31029 и его модификаций
Подробная информация
| Автомобиль: | ГАЗ 31029 |
| Модификации: | |
| Название детали: | Колпак |
| Номер детали: | 24-1702126 |
| Актуальность: | 01.01.1995 |
| Количество: | |
1 - для автомобилей ГАЗ-31029 и его модификаций
Подробная информация
| Автомобиль: | ГАЗ 31029 |
| Модификации: | |
| Название детали: | Прокладка |
| Номер детали: | 11-7207 |
| Актуальность: | 01.01.1995 |
| Количество: | |
1 - для автомобилей ГАЗ-31029 и его модификаций
Подробная информация
| Автомобиль: | ГАЗ 31029 |
| Модификации: | |
| Название детали: | Седло |
| Номер детали: | 24-1702124 |
| Актуальность: | 01.01.1995 |
| Количество: | |
1 - для автомобилей ГАЗ-31029 и его модификаций
Подробная информация
| Автомобиль: | ГАЗ 31029 |
| Модификации: | |
| Название детали: | Пружина |
| Номер детали: | 24-1702122 |
| Актуальность: | 01.01.1995 |
| Количество: | |
1 - для автомобилей ГАЗ-31029 и его модификаций
Подробная информация
| Автомобиль: | ГАЗ 31029 |
| Модификации: | |
| Название детали: | Рычаг (нижняя часть) |
| Номер детали: | 24-1702140 |
| Актуальность: | 01.01.1995 |
| Количество: | |
1 - для автомобилей ГАЗ-31029 и его модификаций
Подробная информация
| Автомобиль: | ГАЗ 31029 |
| Модификации: | |
| Название детали: | Пружина |
| Номер детали: | 24-1702106 |
| Актуальность: | 01.01.1995 |
| Количество: | |
3 - для автомобилей ГАЗ-31029 и его модификаций
Подробная информация
| Автомобиль: | ГАЗ 31029 |
| Модификации: | |
| Название детали: | Шарик Б7,938-40 |
| Номер детали: | 46 9117 5585 |
| Актуальность: | 01.01.1995 |
| Количество: | |
3 - для автомобилей ГАЗ-31029 и его модификаций
Подробная информация
| Автомобиль: | ГАЗ 31029 |
| Модификации: | |
| Название детали: | Стопорный палец штока включения третьей и четвертой передач |
| Номер детали: | 24-1702075 |
| Актуальность: | 01.01.1995 |
| Количество: | |
1 - для автомобилей ГАЗ-31029 и его модификаций
Подробная информация
| Автомобиль: | ГАЗ 31029 |
| Модификации: | |
| Название детали: | Прокладка |
| Номер детали: | 51-3506013 |
| Актуальность: | 01.01.1995 |
| Количество: | |
3 - для автомобилей ГАЗ-31029 и его модификаций
Подробная информация
| Автомобиль: | ГАЗ 31029 |
| Модификации: | |
| Название детали: | Пробка М12х 1,25х10 |
| Номер детали: | 24-3546030 |
| Актуальность: | 01.01.1995 |
| Количество: | |
3 - для автомобилей ГАЗ-31029 и его модификаций
Подробная информация
| Автомобиль: | ГАЗ 31029 |
| Модификации: | |
| Название детали: | Штифт 6х 14 |
| Номер детали: | 295033-П |
| Актуальность: | 01.01.1995 |
| Количество: | |
2 - для автомобилей ГАЗ-31029 и его модификаций
Подробная информация
| Автомобиль: | ГАЗ 31029 |
| Модификации: | |
| Название детали: | Предохранитель включения первой и второй передач и заднего хода |
| Номер детали: | 52-1702097 |
| Актуальность: | 01.01.1995 |
| Количество: | |
2 - для автомобилей ГАЗ-31029 и его модификаций
Подробная информация
| Автомобиль: | ГАЗ 31029 |
| Модификации: | |
| Название детали: | Пружина предохранителя первой и второй передач |
| Номер детали: | 24-1702100 |
| Актуальность: | 01.01.1995 |
| Количество: | |
1 - для автомобилей ГАЗ-31029 и его модификаций
Подробная информация
| Автомобиль: | ГАЗ 31029 |
| Модификации: | |
| Название детали: | Заглушка 20 |
| Номер детали: | 260307-П |
| Актуальность: | 01.01.1995 |
| Количество: | |
2 - для автомобилей ГАЗ-31029 и его модификаций
Подробная информация
| Автомобиль: | ГАЗ 31029 |
| Модификации: | |
| Название детали: | Заглушка 16 |
| Номер детали: | 260305-П |
| Актуальность: | 01.01.1995 |
| Количество: | |
3 - для автомобилей ГАЗ-31029 и его модификаций
Подробная информация
| Автомобиль: | ГАЗ 31029 |
| Модификации: | |
| Название детали: | Шток включения первой и второй передач |
| Номер детали: | 24-1702040-11 |
| Актуальность: | 01.01.1995 |
| Количество: | |
1 - для автомобилей ГАЗ-31029 и его модификаций
Подробная информация
| Автомобиль: | ГАЗ 31029 |
| Модификации: | |
| Название детали: | Шток включения третьей и четвертой передач |
| Номер детали: | 24-1702041-11 |
| Актуальность: | 01.01.1995 |
| Количество: | |
1 - для автомобилей ГАЗ-31029 и его модификаций
Подробная информация
| Автомобиль: | ГАЗ 31029 |
| Модификации: | |
| Название детали: | Шток включения заднего хода |
| Номер детали: | 24-1702042-10 |
| Актуальность: | 01.01.1995 |
| Количество: | |
1 - для автомобилей ГАЗ-31029 и его модификаций
Подробная информация
| Автомобиль: | ГАЗ 31029 |
| Модификации: | |
| Название детали: | Плунжер |
| Номер детали: | 24-1702080 |
| Актуальность: | 01.01.1995 |
| Количество: | |
2 - для автомобилей ГАЗ-31029 и его модификаций
Подробная информация
| Автомобиль: | ГАЗ 31029 |
| Модификации: | |
| Название детали: | Прокладка |
| Номер детали: | 24-1702134 |
| Актуальность: | 01.01.1995 |
| Количество: | |
1 - для автомобилей ГАЗ-31029 и его модификаций
Подробная информация
| Автомобиль: | ГАЗ 31029 |
| Модификации: | |
| Название детали: | Головка штока включения первой и второй передач |
| Номер детали: | 24-1702054-10 |
| Актуальность: | 01.01.1995 |
| Количество: | |
1 - для автомобилей ГАЗ-31029 и его модификаций
Подробная информация
| Автомобиль: | ГАЗ 31029 |
| Модификации: | |
| Название детали: | Головка штока включения третьей и четвертой передач |
| Номер детали: | 24-1702052-11 |
| Актуальность: | 01.01.1995 |
| Количество: | |
1 - для автомобилей ГАЗ-31029 и его модификаций
Подробная информация
| Автомобиль: | ГАЗ 31029 |
| Модификации: | |
| Название детали: | Шайба 6Т |
| Номер детали: | 252134-П2 |
| Актуальность: | 01.01.1995 |
| Количество: | |
6 - для автомобилей ГАЗ-31029 и его модификаций
Подробная информация
| Автомобиль: | ГАЗ 31029 |
| Модификации: | |
| Название детали: | Болт М6-6gх20 |
| Номер детали: | 290517-П8 |
| Актуальность: | 01.01.1995 |
| Количество: | |
6 - для автомобилей ГАЗ-31029 и его модификаций
Подробная информация
| Автомобиль: | ГАЗ 31029 |
| Модификации: | |
| Название детали: | Поддон |
| Номер детали: | 24-1702133-10 |
| Актуальность: | 01.01.1995 |
| Количество: | |
1 - для автомобилей ГАЗ-31029 и его модификаций
Подробная информация
| Автомобиль: | ГАЗ 31029 |
| Модификации: | |
| Название детали: | Шайба 6Л |
| Номер детали: | 252154-П2 |
| Актуальность: | 01.01.1995 |
| Количество: | |
6 - для автомобилей ГАЗ-31029 и его модификаций
Подробная информация
| Автомобиль: | ГАЗ 31029 |
| Модификации: | |
| Название детали: | Винт М6 - 6gх 14 |
| Номер детали: | 224624-П8 |
| Актуальность: | 01.01.1995 |
| Количество: | |
6 - для автомобилей ГАЗ-31029 и его модификаций
Подробная информация
| Автомобиль: | ГАЗ 31029 |
| Модификации: | |
| Название детали: | Пружина предохранителя заднего хода |
| Номер детали: | 24-1702098 |
| Актуальность: | 01.01.1995 |
| Количество: | |
1 - для автомобилей ГАЗ-31029 и его модификаций
Подробная информация
| Автомобиль: | ГАЗ 31029 |
| Модификации: | |
| Название детали: | Головка штока включения заднего хода |
| Номер детали: | 24-1702095-10 |
| Актуальность: | 01.01.1995 |
| Количество: | |
1 - для автомобилей ГАЗ-31029 и его модификаций
Подробная информация
| Автомобиль: | ГАЗ 31029 |
| Модификации: | |
| Название детали: | Прокладка |
| Номер детали: | 21П-3716078-Б |
| Актуальность: | 01.01.1995 |
| Количество: | |
1 - для автомобилей ГАЗ-31029 и его модификаций
Подробная информация
| Автомобиль: | ГАЗ 31029 |
| Модификации: | |
| Название детали: | Выключатель света фонаря заднего хода |
| Номер детали: | ВК418А |
| Актуальность: | 01.01.1995 |
| Количество: | |
1 - для автомобилей ГАЗ-31029 и его модификаций
Подробная информация
| Автомобиль: | ГАЗ 31029 |
| Модификации: | |
| Название детали: | Вилка включения первой и второй передач |
| Номер детали: | 24-1702024-10 |
| Актуальность: | 01.01.1995 |
| Количество: | |
1 - для автомобилей ГАЗ-31029 и его модификаций
Подробная информация
| Автомобиль: | ГАЗ 31029 |
| Модификации: | |
| Название детали: | Вилка включения заднего хода |
| Номер детали: | 24-1702092-10 |
| Актуальность: | 01.01.1995 |
| Количество: | |
1 - для автомобилей ГАЗ-31029 и его модификаций
Подробная информация
| Автомобиль: | ГАЗ 31029 |
| Модификации: | |
| Название детали: | Рычаг включения заднего хода в сборе |
| Номер детали: | 24-1702102 |
| Актуальность: | 01.01.1995 |
| Количество: | |
1 - для автомобилей ГАЗ-31029 и его модификаций
Подробная информация
| Автомобиль: | ГАЗ 31029 |
| Модификации: | |
| Название детали: | Сухарь рычага включения заднего хода |
| Номер детали: | 24-1702104 |
| Актуальность: | 01.01.1995 |
| Количество: | |
1 - для автомобилей ГАЗ-31029 и его модификаций
Подробная информация
| Автомобиль: | ГАЗ 31029 |
| Модификации: | |
| Название детали: | Чехол защитный |
| Номер детали: | 21П-3716083 |
| Актуальность: | 01.01.1995 |
| Количество: | |
1 - для автомобилей ГАЗ-31029 и его модификаций
Подробная информация
| Автомобиль: | ГАЗ 31029 |
| Модификации: | |
| Название детали: | Вилка включения третьей и четвертой передач |
| Номер детали: | 24-1702030-10 |
| Актуальность: | 01.01.1995 |
| Количество: | |
1 - для автомобилей ГАЗ-31029 и его модификаций
№
Номер запчасти
Наименование запчасти