- Автозапчасти ВАЗ
- Автозапчасти ГАЗ
- Автозапчасти на иномарки
- Автохимия, масла
- Подбор масла
- Инструменты, аксессуары
- Метизы
- Прочее, Москвич
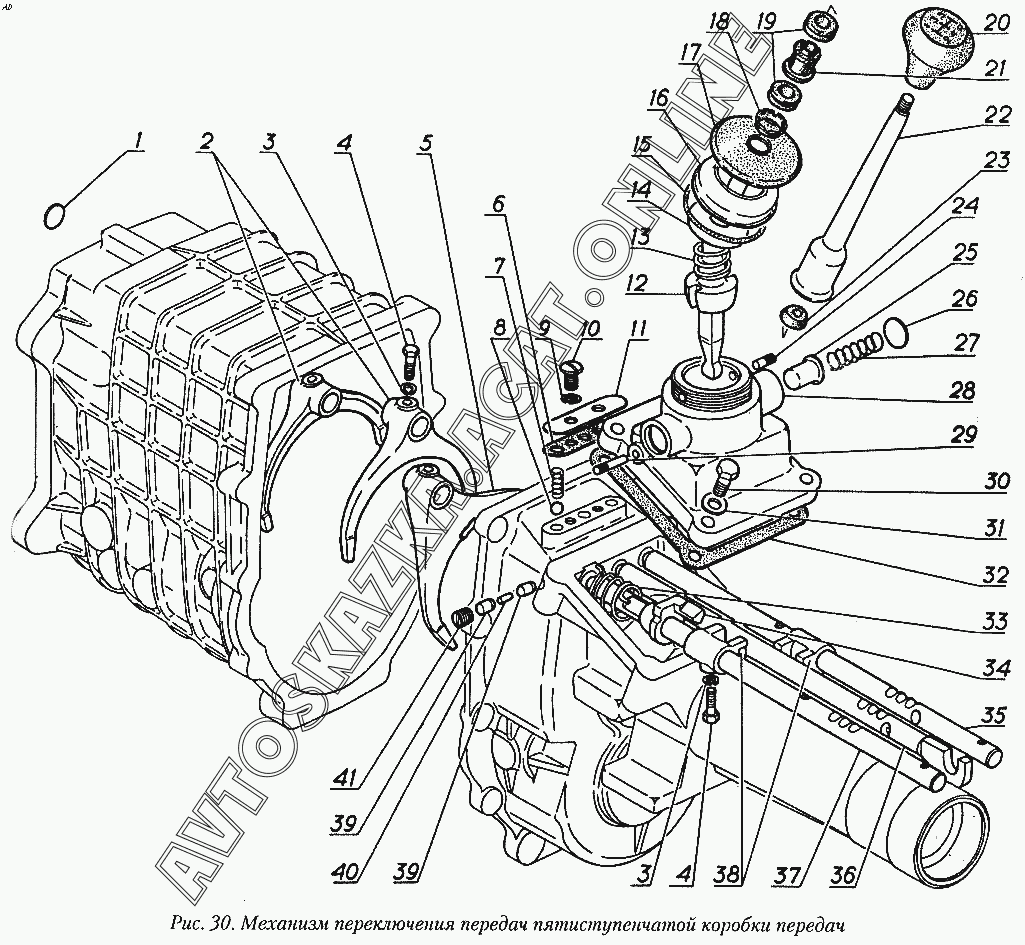
Механизм переключения передач пятиступенчатой коробки передач ГАЗ 31029
+
Увеличить изображение на 10%
-
Уменьшить изображение на 10%
Выделение детали в таблице
Прокрутка картинки
Увеличить масштаб
1
2
3
3
4
4
5
6
7
8
9
10
11
12
13
14
15
16
17
18
19
20
21
22
23
24
25
26
27
28
29
30
31
32
33
34
35
36
37
38
39
39
40
41
Подробная информация
| Автомобиль: | ГАЗ 31029 |
| Модификации: | |
| Название детали: | Заглушка 16 |
| Номер детали: | 260305-П |
| Актуальность: | 01.01.1995 |
| Количество: | |
3 - для автомобилей ГАЗ-31029 и его модификаций
Подробная информация
| Автомобиль: | ГАЗ 31029 |
| Модификации: | |
| Название детали: | Вилка переключения первой, второй, третьей, четвертой |
| Номер детали: | 31029-1702024 |
| Актуальность: | 01.01.1995 |
| Количество: | |
2 - для автомобилей ГАЗ-31029 и его модификаций
Подробная информация
| Автомобиль: | ГАЗ 31029 |
| Модификации: | |
| Название детали: | Шайба 6Т |
| Номер детали: | 252134-П2 |
| Актуальность: | 01.01.1995 |
| Количество: | |
5 - для автомобилей ГАЗ-31029 и его модификаций
Подробная информация
| Автомобиль: | ГАЗ 31029 |
| Модификации: | |
| Название детали: | Болт М6-6gх20 |
| Номер детали: | 290517-П8 |
| Актуальность: | 01.01.1995 |
| Количество: | |
5 - для автомобилей ГАЗ-31029 и его модификаций
Подробная информация
| Автомобиль: | ГАЗ 31029 |
| Модификации: | |
| Название детали: | Вилка переключения пятой передачи и заднего хода |
| Номер детали: | 31029-1702092 |
| Актуальность: | 01.01.1995 |
| Количество: | |
1 - для автомобилей ГАЗ-31029 и его модификаций
Подробная информация
| Автомобиль: | ГАЗ 31029 |
| Модификации: | |
| Название детали: | Прокладка |
| Номер детали: | 31029-1702085 |
| Актуальность: | 01.01.1995 |
| Количество: | |
1 - для автомобилей ГАЗ-31029 и его модификаций
Подробная информация
| Автомобиль: | ГАЗ 31029 |
| Модификации: | |
| Название детали: | Пружина |
| Номер детали: | 21-2905661 |
| Актуальность: | 01.01.1995 |
| Количество: | |
3 - для автомобилей ГАЗ-31029 и его модификаций
Подробная информация
| Автомобиль: | ГАЗ 31029 |
| Модификации: | |
| Название детали: | Шарик Б7.938 - 40 |
| Номер детали: | 46 9117 5585 |
| Актуальность: | 01.01.1995 |
| Количество: | |
3 - для автомобилей ГАЗ-31029 и его модификаций
Подробная информация
| Автомобиль: | ГАЗ 31029 |
| Модификации: | |
| Название детали: | Шайба 8Л |
| Номер детали: | 252155-П29 |
| Актуальность: | 01.01.1995 |
| Количество: | |
2 - для автомобилей ГАЗ-31029 и его модификаций
Подробная информация
| Автомобиль: | ГАЗ 31029 |
| Модификации: | |
| Название детали: | Болт М8 - 6gх 16 |
| Номер детали: | 201454-П29 |
| Актуальность: | 01.01.1995 |
| Количество: | |
2 - для автомобилей ГАЗ-31029 и его модификаций
Подробная информация
| Автомобиль: | ГАЗ 31029 |
| Модификации: | |
| Название детали: | Пластина |
| Номер детали: | 31029-1702084 |
| Актуальность: | 01.01.1995 |
| Количество: | |
1 - для автомобилей ГАЗ-31029 и его модификаций
Подробная информация
| Автомобиль: | ГАЗ 31029 |
| Модификации: | |
| Название детали: | Рычаг переключения передач нижняя часть |
| Номер детали: | 31029-1702140 |
| Актуальность: | 01.01.1995 |
| Количество: | |
1 - для автомобилей ГАЗ-31029 и его модификаций
Подробная информация
| Автомобиль: | ГАЗ 31029 |
| Модификации: | |
| Название детали: | Пружина рычага переключения передач |
| Номер детали: | 24-1702122 |
| Актуальность: | 01.01.1995 |
| Количество: | |
1 - для автомобилей ГАЗ-31029 и его модификаций
Подробная информация
| Автомобиль: | ГАЗ 31029 |
| Модификации: | |
| Название детали: | Седло пружины рычага переключения передач |
| Номер детали: | 24-1702124 |
| Актуальность: | 01.01.1995 |
| Количество: | |
1 - для автомобилей ГАЗ-31029 и его модификаций
Подробная информация
| Автомобиль: | ГАЗ 31029 |
| Модификации: | |
| Название детали: | Прокладка |
| Номер детали: | 11-7207 |
| Актуальность: | 01.01.1995 |
| Количество: | |
1 - для автомобилей ГАЗ-31029 и его модификаций
Подробная информация
| Автомобиль: | ГАЗ 31029 |
| Модификации: | |
| Название детали: | Колпак корпуса рычага |
| Номер детали: | 24-1702126 |
| Актуальность: | 01.01.1995 |
| Количество: | |
1 - для автомобилей ГАЗ-31029 и его модификаций
Подробная информация
| Автомобиль: | ГАЗ 31029 |
| Модификации: | |
| Название детали: | Уплотнитель |
| Номер детали: | 24-1702128 |
| Актуальность: | 01.01.1995 |
| Количество: | |
1 - для автомобилей ГАЗ-31029 и его модификаций
Подробная информация
| Автомобиль: | ГАЗ 31029 |
| Модификации: | |
| Название детали: | Втулка запорная |
| Номер детали: | 24-1702150 |
| Актуальность: | 01.01.1995 |
| Количество: | |
1 - для автомобилей ГАЗ-31029 и его модификаций
Подробная информация
| Автомобиль: | ГАЗ 31029 |
| Модификации: | |
| Название детали: | Подушка |
| Номер детали: | 24-1702148 |
| Актуальность: | 01.01.1995 |
| Количество: | |
2 - для автомобилей ГАЗ-31029 и его модификаций
Подробная информация
| Автомобиль: | ГАЗ 31029 |
| Модификации: | |
| Название детали: | Рукоятка рычага переключения передач в сборе |
| Номер детали: | 31029-1702159 |
| Актуальность: | 01.01.1995 |
| Количество: | |
1 - для автомобилей ГАЗ-31029 и его модификаций
Подробная информация
| Автомобиль: | ГАЗ 31029 |
| Модификации: | |
| Название детали: | Втулка распорная |
| Номер детали: | 24-1702146 |
| Актуальность: | 01.01.1995 |
| Количество: | |
1 - для автомобилей ГАЗ-31029 и его модификаций
Подробная информация
| Автомобиль: | ГАЗ 31029 |
| Модификации: | |
| Название детали: | Рычаг переключения передач верхняя часть |
| Номер детали: | 24-1702142 |
| Актуальность: | 01.01.1995 |
| Количество: | |
1 - для автомобилей ГАЗ-31029 и его модификаций
Подробная информация
| Автомобиль: | ГАЗ 31029 |
| Модификации: | |
| Название детали: | Конус упорный рычага |
| Номер детали: | 24-1702144-01 |
| Актуальность: | 01.01.1995 |
| Количество: | |
1 - для автомобилей ГАЗ-31029 и его модификаций
Подробная информация
| Автомобиль: | ГАЗ 31029 |
| Модификации: | |
| Название детали: | Штифт 6х14 установочный |
| Номер детали: | 295033-П |
| Актуальность: | 01.01.1995 |
| Количество: | |
2 - для автомобилей ГАЗ-31029 и его модификаций
Подробная информация
| Автомобиль: | ГАЗ 31029 |
| Модификации: | |
| Название детали: | Предохранитель включения передач |
| Номер детали: | 52-1702097 |
| Актуальность: | 01.01.1995 |
| Количество: | |
2 - для автомобилей ГАЗ-31029 и его модификаций
Подробная информация
| Автомобиль: | ГАЗ 31029 |
| Модификации: | |
| Название детали: | Заглушка 20 |
| Номер детали: | 260307-П |
| Актуальность: | 01.01.1995 |
| Количество: | |
2 - для автомобилей ГАЗ-31029 и его модификаций
Подробная информация
| Автомобиль: | ГАЗ 31029 |
| Модификации: | |
| Название детали: | Пружина предохранителя |
| Номер детали: | 24-1702100 |
| Актуальность: | 01.01.1995 |
| Количество: | |
2 - для автомобилей ГАЗ-31029 и его модификаций
Подробная информация
| Автомобиль: | ГАЗ 31029 |
| Модификации: | |
| Название детали: | Корпус рычага переключения передач |
| Номер детали: | 31029-1702244 |
| Актуальность: | 01.01.1995 |
| Количество: | |
1 - для автомобилей ГАЗ-31029 и его модификаций
Подробная информация
| Автомобиль: | ГАЗ 31029 |
| Модификации: | |
| Название детали: | Штифт 5х25 |
| Номер детали: | 258948-П29 |
| Актуальность: | 01.01.1995 |
| Количество: | |
1 - для автомобилей ГАЗ-31029 и его модификаций
Подробная информация
| Автомобиль: | ГАЗ 31029 |
| Модификации: | |
| Название детали: | Болт М8-61х25 |
| Номер детали: | 201458-П29 |
| Актуальность: | 01.01.1995 |
| Количество: | |
4 - для автомобилей ГАЗ-31029 и его модификаций
Подробная информация
| Автомобиль: | ГАЗ 31029 |
| Модификации: | |
| Название детали: | Шайба 8 |
| Номер детали: | 252175-П29 |
| Актуальность: | 01.01.1995 |
| Количество: | |
4 - для автомобилей ГАЗ-31029 и его модификаций
Подробная информация
| Автомобиль: | ГАЗ 31029 |
| Модификации: | |
| Название детали: | Прокладка |
| Номер детали: | 31029-1702246 |
| Актуальность: | 01.01.1995 |
| Количество: | |
1 - для автомобилей ГАЗ-31029 и его модификаций
Подробная информация
| Автомобиль: | ГАЗ 31029 |
| Модификации: | |
| Название детали: | Пружина блокировочной втулки |
| Номер детали: | 31029-1702314 |
| Актуальность: | 01.01.1995 |
| Количество: | |
1 - для автомобилей ГАЗ-31029 и его модификаций
Подробная информация
| Автомобиль: | ГАЗ 31029 |
| Модификации: | |
| Название детали: | Втулка блокировочная |
| Номер детали: | 31029-1702310 |
| Актуальность: | 01.01.1995 |
| Количество: | |
1 - для автомобилей ГАЗ-31029 и его модификаций
Подробная информация
| Автомобиль: | ГАЗ 31029 |
| Модификации: | |
| Название детали: | Шток включения первой и второй передач |
| Номер детали: | 31029-1702040 |
| Актуальность: | 01.01.1995 |
| Количество: | |
1 - для автомобилей ГАЗ-31029 и его модификаций
Подробная информация
| Автомобиль: | ГАЗ 31029 |
| Модификации: | |
| Название детали: | Шток включения третьей и четвертой передач |
| Номер детали: | 31029-1702041 |
| Актуальность: | 01.01.1995 |
| Количество: | |
1 - для автомобилей ГАЗ-31029 и его модификаций
Подробная информация
| Автомобиль: | ГАЗ 31029 |
| Модификации: | |
| Название детали: | Шток включения пятой передачи и заднего хода |
| Номер детали: | 31029-1702042 |
| Актуальность: | 01.01.1995 |
| Количество: | |
1 - для автомобилей ГАЗ-31029 и его модификаций
Подробная информация
| Автомобиль: | ГАЗ 31029 |
| Модификации: | |
| Название детали: | Головка штока включения первой, второй, пятой передач и заднего хода |
| Номер детали: | 31029-1702054 |
| Актуальность: | 01.01.1995 |
| Количество: | |
2 - для автомобилей ГАЗ-31029 и его модификаций
Подробная информация
| Автомобиль: | ГАЗ 31029 |
| Модификации: | |
| Название детали: | Плунжер стопорный штоков |
| Номер детали: | 31029-1702080 |
| Актуальность: | 01.01.1995 |
| Количество: | |
2 - для автомобилей ГАЗ-31029 и его модификаций
Подробная информация
| Автомобиль: | ГАЗ 31029 |
| Модификации: | |
| Название детали: | Стопорный палец штоков |
| Номер детали: | 31029-1702075 |
| Актуальность: | 01.01.1995 |
| Количество: | |
1 - для автомобилей ГАЗ-31029 и его модификаций
Подробная информация
| Автомобиль: | ГАЗ 31029 |
| Модификации: | |
| Название детали: | Заглушка 9 |
| Номер детали: | 296906-П |
| Актуальность: | 01.01.1995 |
| Количество: | |
1 - для автомобилей ГАЗ-31029 и его модификаций
№
Номер запчасти
Наименование запчасти