- Автозапчасти ВАЗ
- Автозапчасти ГАЗ
- Автозапчасти на иномарки
- Автохимия, масла
- Подбор масла
- Инструменты, аксессуары
- Метизы
- Прочее, Москвич
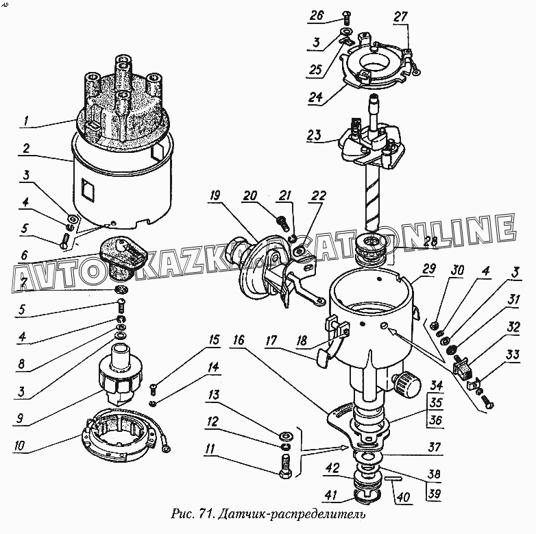
Датчик-распределитель ГАЗ 31029
+
Увеличить изображение на 10%
-
Уменьшить изображение на 10%
Выделение детали в таблице
Прокрутка картинки
Увеличить масштаб
1
2
3
3
3
3
4
4
4
5
5
6
7
8
9
10
11
12
13
14
15
16
17
18
19
20
21
22
23
24
25
26
27
28
29
30
31
32
33
34
35
36
37
38
39
40
41
42
Подробная информация
| Автомобиль: | ГАЗ 31029 |
| Модификации: | |
| Название детали: | Крышка распределителя |
| Номер детали: | Р119-3706500-08 |
| Актуальность: | 01.01.1995 |
| Количество: | |
1 - для автомобилей ГАЗ-31029 и его модификаций
Подробная информация
| Автомобиль: | ГАЗ 31029 |
| Модификации: | |
| Название детали: | Экран |
| Номер детали: | 19.3706003 |
| Актуальность: | 01.01.1995 |
| Количество: | |
1 - для автомобилей ГАЗ-31029 и его модификаций
Подробная информация
| Автомобиль: | ГАЗ 31029 |
| Модификации: | |
| Название детали: | Шайба 4 |
| Номер детали: | |
| Актуальность: | 01.01.1995 |
| Количество: | |
7 - для автомобилей ГАЗ-31029 и его модификаций
Подробная информация
| Автомобиль: | ГАЗ 31029 |
| Модификации: | |
| Название детали: | Шайба 4 |
| Номер детали: | |
| Актуальность: | 01.01.1995 |
| Количество: | |
4 - для автомобилей ГАЗ-31029 и его модификаций
Подробная информация
| Автомобиль: | ГАЗ 31029 |
| Модификации: | |
| Название детали: | Винт М4х10 |
| Номер детали: | |
| Актуальность: | 01.01.1995 |
| Количество: | |
3 - для автомобилей ГАЗ-31029 и его модификаций
Подробная информация
| Автомобиль: | ГАЗ 31029 |
| Модификации: | |
| Название детали: | Бегунок с резистором |
| Номер детали: | 1901.3706020-08 |
| Актуальность: | 01.01.1995 |
| Количество: | |
1 - для автомобилей ГАЗ-31029 и его модификаций
Подробная информация
| Автомобиль: | ГАЗ 31029 |
| Модификации: | |
| Название детали: | Уплотнение |
| Номер детали: | Р34-3706006 |
| Актуальность: | 01.01.1995 |
| Количество: | |
1 - для автомобилей ГАЗ-31029 и его модификаций
Подробная информация
| Автомобиль: | ГАЗ 31029 |
| Модификации: | |
| Название детали: | Шайба 7 |
| Номер детали: | |
| Актуальность: | 01.01.1995 |
| Количество: | |
Подробная информация
| Автомобиль: | ГАЗ 31029 |
| Модификации: | |
| Название детали: | Ротор |
| Номер детали: | 1901.3706400 |
| Актуальность: | 01.01.1995 |
| Количество: | |
1 - для автомобилей ГАЗ-31029 и его модификаций
Подробная информация
| Автомобиль: | ГАЗ 31029 |
| Модификации: | |
| Название детали: | Статор |
| Номер детали: | 1901.3706300 |
| Актуальность: | 01.01.1995 |
| Количество: | |
1 - для автомобилей ГАЗ-31029 и его модификаций
Подробная информация
| Автомобиль: | ГАЗ 31029 |
| Модификации: | |
| Название детали: | Болт М6х18 |
| Номер детали: | |
| Актуальность: | 01.01.1995 |
| Количество: | |
1 - для автомобилей ГАЗ-31029 и его модификаций
Подробная информация
| Автомобиль: | ГАЗ 31029 |
| Модификации: | |
| Название детали: | Шайба 6 |
| Номер детали: | |
| Актуальность: | 01.01.1995 |
| Количество: | |
Подробная информация
| Автомобиль: | ГАЗ 31029 |
| Модификации: | |
| Название детали: | Шайба 6 |
| Номер детали: | |
| Актуальность: | 01.01.1995 |
| Количество: | |
1 - для автомобилей ГАЗ-31029 и его модификаций
Подробная информация
| Автомобиль: | ГАЗ 31029 |
| Модификации: | |
| Название детали: | Шайба 3 |
| Номер детали: | |
| Актуальность: | 01.01.1995 |
| Количество: | |
3 - для автомобилей ГАЗ-31029 и его модификаций
Подробная информация
| Автомобиль: | ГАЗ 31029 |
| Модификации: | |
| Название детали: | Винт М3х8 |
| Номер детали: | |
| Актуальность: | 01.01.1995 |
| Количество: | |
3 - для автомобилей ГАЗ-31029 и его модификаций
Подробная информация
| Автомобиль: | ГАЗ 31029 |
| Модификации: | |
| Название детали: | Пластина установочная |
| Номер детали: | Р119-3706008-08 |
| Актуальность: | 01.01.1995 |
| Количество: | |
1 - для автомобилей ГАЗ-31029 и его модификаций
Подробная информация
| Автомобиль: | ГАЗ 31029 |
| Модификации: | |
| Название детали: | Пружина крышки |
| Номер детали: | Р3-3706103 |
| Актуальность: | 01.01.1995 |
| Количество: | |
2 - для автомобилей ГАЗ-31029 и его модификаций
Подробная информация
| Автомобиль: | ГАЗ 31029 |
| Модификации: | |
| Название детали: | Шплинт 3,2х20 |
| Номер детали: | |
| Актуальность: | 01.01.1995 |
| Количество: | |
2 - для автомобилей ГАЗ-31029 и его модификаций
Подробная информация
| Автомобиль: | ГАЗ 31029 |
| Модификации: | |
| Название детали: | Регулятор вакуумный |
| Номер детали: | 1901.3706600 |
| Актуальность: | 01.01.1995 |
| Количество: | |
1 - для автомобилей ГАЗ-31029 и его модификаций
Подробная информация
| Автомобиль: | ГАЗ 31029 |
| Модификации: | |
| Название детали: | Винт М5х12 |
| Номер детали: | |
| Актуальность: | 01.01.1995 |
| Количество: | |
2 - для автомобилей ГАЗ-31029 и его модификаций
Подробная информация
| Автомобиль: | ГАЗ 31029 |
| Модификации: | |
| Название детали: | Шайба 5 |
| Номер детали: | |
| Актуальность: | 01.01.1995 |
| Количество: | |
2 - для автомобилей ГАЗ-31029 и его модификаций
Подробная информация
| Автомобиль: | ГАЗ 31029 |
| Модификации: | |
| Название детали: | Шайба 5 |
| Номер детали: | |
| Актуальность: | 01.01.1995 |
| Количество: | |
2 - для автомобилей ГАЗ-31029 и его модификаций
Подробная информация
| Автомобиль: | ГАЗ 31029 |
| Модификации: | |
| Название детали: | Валик с автоматом |
| Номер детали: | 1901.3706200 |
| Актуальность: | 01.01.1995 |
| Количество: | |
1 - для автомобилей ГАЗ-31029 и его модификаций
Подробная информация
| Автомобиль: | ГАЗ 31029 |
| Модификации: | |
| Название детали: | Обойма шарикоподшипника |
| Номер детали: | 19.3706001 |
| Актуальность: | 01.01.1995 |
| Количество: | |
1 - для автомобилей ГАЗ-31029 и его модификаций
Подробная информация
| Автомобиль: | ГАЗ 31029 |
| Модификации: | |
| Название детали: | Держатель |
| Номер детали: | 19.3706002 |
| Актуальность: | 01.01.1995 |
| Количество: | |
2 - для автомобилей ГАЗ-31029 и его модификаций
Подробная информация
| Автомобиль: | ГАЗ 31029 |
| Модификации: | |
| Название детали: | Винт М4х12 |
| Номер детали: | |
| Актуальность: | 01.01.1995 |
| Количество: | |
2 - для автомобилей ГАЗ-31029 и его модификаций
Подробная информация
| Автомобиль: | ГАЗ 31029 |
| Модификации: | |
| Название детали: | Опора статора |
| Номер детали: | 19.3706800 |
| Актуальность: | 01.01.1995 |
| Количество: | |
1 - для автомобилей ГАЗ-31029 и его модификаций
Подробная информация
| Автомобиль: | ГАЗ 31029 |
| Модификации: | |
| Название детали: | Шарикоподшипник |
| Номер детали: | 8102 |
| Актуальность: | 01.01.1995 |
| Количество: | |
1 - для автомобилей ГАЗ-31029 и его модификаций
Подробная информация
| Автомобиль: | ГАЗ 31029 |
| Модификации: | |
| Название детали: | Корпус |
| Номер детали: | 1901.3706100 |
| Актуальность: | 01.01.1995 |
| Количество: | |
1 - для автомобилей ГАЗ-31029 и его модификаций
Подробная информация
| Автомобиль: | ГАЗ 31029 |
| Модификации: | |
| Название детали: | Гайка М4 |
| Номер детали: | |
| Актуальность: | 01.01.1995 |
| Количество: | |
2 - для автомобилей ГАЗ-31029 и его модификаций
Подробная информация
| Автомобиль: | ГАЗ 31029 |
| Модификации: | |
| Название детали: | Зажим изоляционный |
| Номер детали: | 19.3706004 |
| Актуальность: | 01.01.1995 |
| Количество: | |
1 - для автомобилей ГАЗ-31029 и его модификаций
Подробная информация
| Автомобиль: | ГАЗ 31029 |
| Модификации: | |
| Название детали: | Болт специальный Н-1958 |
| Номер детали: | |
| Актуальность: | 01.01.1995 |
| Количество: | |
1 - для автомобилей ГАЗ-31029 и его модификаций
Подробная информация
| Автомобиль: | ГАЗ 31029 |
| Модификации: | |
| Название детали: | Скоба |
| Номер детали: | Р4-3706006 |
| Актуальность: | 01.01.1995 |
| Количество: | |
1 - для автомобилей ГАЗ-31029 и его модификаций
Подробная информация
| Автомобиль: | ГАЗ 31029 |
| Модификации: | |
| Название детали: | Шайба регулировочная |
| Номер детали: | Р20-370600Г-Б |
| Актуальность: | 01.01.1995 |
| Количество: | |
Подробная информация
| Автомобиль: | ГАЗ 31029 |
| Модификации: | |
| Название детали: | Шайба регулировочная |
| Номер детали: | Р20-3706002-Б |
| Актуальность: | 01.01.1995 |
| Количество: | |
Подробная информация
| Автомобиль: | ГАЗ 31029 |
| Модификации: | |
| Название детали: | Шайба регулировочная |
| Номер детали: | Р20-3706003-Б |
| Актуальность: | 01.01.1995 |
| Количество: | |
Подробная информация
| Автомобиль: | ГАЗ 31029 |
| Модификации: | |
| Название детали: | Пластина установочная |
| Номер детали: | Р352-3706008 |
| Актуальность: | 01.01.1995 |
| Количество: | |
1 - для автомобилей ГАЗ-31029 и его модификаций
Подробная информация
| Автомобиль: | ГАЗ 31029 |
| Модификации: | |
| Название детали: | Шайба 13 |
| Номер детали: | |
| Актуальность: | 01.01.1995 |
| Количество: | |
Подробная информация
| Автомобиль: | ГАЗ 31029 |
| Модификации: | |
| Название детали: | Шайба 13 |
| Номер детали: | |
| Актуальность: | 01.01.1995 |
| Количество: | |
3 - для автомобилей ГАЗ-31029 и его модификаций
Подробная информация
| Автомобиль: | ГАЗ 31029 |
| Модификации: | |
| Название детали: | Штифт Н-1941 |
| Номер детали: | |
| Актуальность: | 01.01.1995 |
| Количество: | |
1 - для автомобилей ГАЗ-31029 и его модификаций
Подробная информация
| Автомобиль: | ГАЗ 31029 |
| Модификации: | |
| Название детали: | Кольцо пружинное |
| Номер детали: | Р35-3706014-В |
| Актуальность: | 01.01.1995 |
| Количество: | |
1 - для автомобилей ГАЗ-31029 и его модификаций
Подробная информация
| Автомобиль: | ГАЗ 31029 |
| Модификации: | |
| Название детали: | Муфта |
| Номер детали: | Р35-3706011-В |
| Актуальность: | 01.01.1995 |
| Количество: | |
1 - для автомобилей ГАЗ-31029 и его модификаций
№
Номер запчасти
Наименование запчасти