- Автозапчасти ВАЗ
- Автозапчасти ГАЗ
- Автозапчасти на иномарки
- Автохимия, масла
- Подбор масла
- Инструменты, аксессуары
- Метизы
- Прочее, Москвич
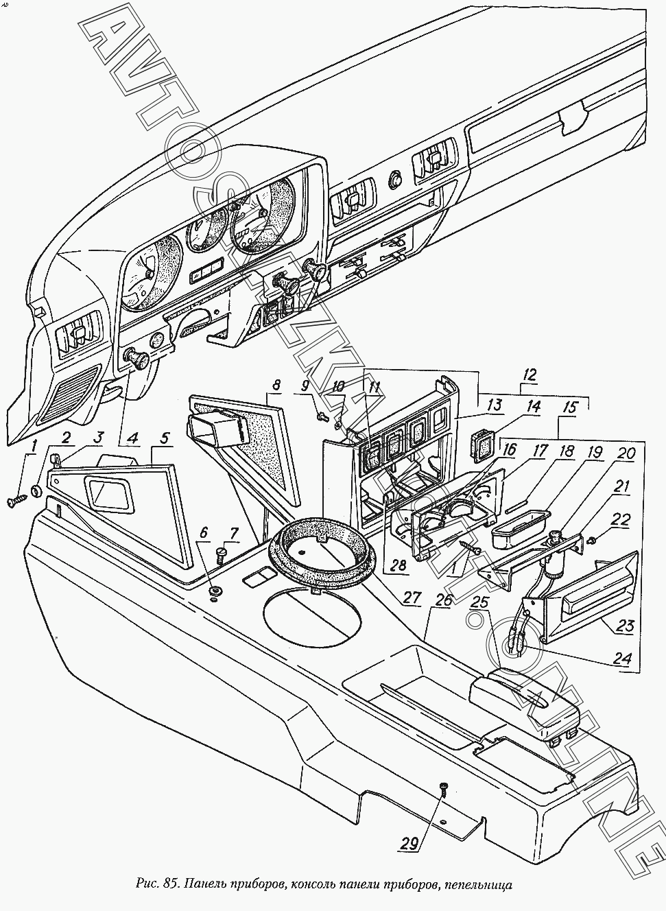
Панель приборов, консоль панели приборов, пепельница ГАЗ 31029
+
Увеличить изображение на 10%
-
Уменьшить изображение на 10%
Выделение детали в таблице
Прокрутка картинки
Увеличить масштаб
1
2
3
4
5
6
7
8
9
10
11
12
13
14
15
16
17
18
19
20
21
22
23
24
25
26
27
28
29
Подробная информация
| Автомобиль: | ГАЗ 31029 |
| Модификации: | |
| Название детали: | Винт 4х30 |
| Номер детали: | 290303 |
| Актуальность: | 01.01.1995 |
| Количество: | |
2 - для автомобилей ГАЗ-31029 и его модификаций
Подробная информация
| Автомобиль: | ГАЗ 31029 |
| Модификации: | |
| Название детали: | Шайба 4 |
| Номер детали: | 293157 |
| Актуальность: | 01.01.1995 |
| Количество: | |
2 - для автомобилей ГАЗ-31029 и его модификаций
Подробная информация
| Автомобиль: | ГАЗ 31029 |
| Модификации: | |
| Название детали: | Гайка 4 |
| Номер детали: | 3102-5303320 |
| Актуальность: | 01.01.1995 |
| Количество: | |
2 - для автомобилей ГАЗ-31029 и его модификаций
Подробная информация
| Автомобиль: | ГАЗ 31029 |
| Модификации: | |
| Название детали: | Панель с приборами |
| Номер детали: | 31029-5325010 |
| Актуальность: | 01.01.1995 |
| Количество: | |
1 - для автомобилей ГАЗ-31029 и его модификаций
Подробная информация
| Автомобиль: | ГАЗ 31029 |
| Модификации: | |
| Название детали: | Боковина консоли левая с патрубком |
| Номер детали: | 3102-5326021 |
| Актуальность: | 01.01.1995 |
| Количество: | |
1 - для автомобилей ГАЗ-31029 и его модификаций
Подробная информация
| Автомобиль: | ГАЗ 31029 |
| Модификации: | |
| Название детали: | Шайба 6 |
| Номер детали: | 252037-П29 |
| Актуальность: | 01.01.1995 |
| Количество: | |
2 - для автомобилей ГАЗ-31029 и его модификаций
Подробная информация
| Автомобиль: | ГАЗ 31029 |
| Модификации: | |
| Название детали: | Винт М6-6gх14 |
| Номер детали: | 224624-П29 |
| Актуальность: | 01.01.1995 |
| Количество: | |
2 - для автомобилей ГАЗ-31029 и его модификаций
Подробная информация
| Автомобиль: | ГАЗ 31029 |
| Модификации: | |
| Название детали: | Боковина консоли правая с патрубком |
| Номер детали: | 3102-5326020 |
| Актуальность: | 01.01.1995 |
| Количество: | |
1 - для автомобилей ГАЗ-31029 и его модификаций
Подробная информация
| Автомобиль: | ГАЗ 31029 |
| Модификации: | |
| Название детали: | Винт 4х12 |
| Номер детали: | 240818-П29 |
| Актуальность: | 01.01.1995 |
| Количество: | |
2 - для автомобилей ГАЗ-31029 и его модификаций
Подробная информация
| Автомобиль: | ГАЗ 31029 |
| Модификации: | |
| Название детали: | Шайба 4 |
| Номер детали: | 252272-П29 |
| Актуальность: | 01.01.1995 |
| Количество: | |
2 - для автомобилей ГАЗ-31029 и его модификаций
Подробная информация
| Автомобиль: | ГАЗ 31029 |
| Модификации: | |
| Название детали: | Переключатель антенны |
| Номер детали: | П 150-05.20 |
| Актуальность: | 01.01.1995 |
| Количество: | |
1 - для автомобилей ГАЗ-31029 и его модификаций
Подробная информация
| Автомобиль: | ГАЗ 31029 |
| Модификации: | |
| Название детали: | Надставка консоли передняя в сборе |
| Номер детали: | 24-10-5326054 |
| Актуальность: | 01.01.1995 |
| Количество: | |
1 - для автомобилей ГАЗ-31029 и его модификаций
Подробная информация
| Автомобиль: | ГАЗ 31029 |
| Модификации: | |
| Название детали: | Надставка консоли передняя |
| Номер детали: | 3102-5326056 |
| Актуальность: | 01.01.1995 |
| Количество: | |
1 - для автомобилей ГАЗ-31029 и его модификаций
Подробная информация
| Автомобиль: | ГАЗ 31029 |
| Модификации: | |
| Название детали: | Заглушка |
| Номер детали: | 3102-5326070 |
| Актуальность: | 01.01.1995 |
| Количество: | |
3 - для автомобилей ГАЗ-31029 и его модификаций
Подробная информация
| Автомобиль: | ГАЗ 31029 |
| Модификации: | |
| Название детали: | Пепельница передняя в сборе |
| Номер детали: | 3102-8203006 |
| Актуальность: | 01.01.1995 |
| Количество: | |
1 - для автомобилей ГАЗ-31029 и его модификаций
Подробная информация
| Автомобиль: | ГАЗ 31029 |
| Модификации: | |
| Название детали: | Направляющая |
| Номер детали: | 3102-8203030 |
| Актуальность: | 01.01.1995 |
| Количество: | |
2 - для автомобилей ГАЗ-31029 и его модификаций
Подробная информация
| Автомобиль: | ГАЗ 31029 |
| Модификации: | |
| Название детали: | Обойма |
| Номер детали: | 3102-8203046 |
| Актуальность: | 01.01.1995 |
| Количество: | |
1 - для автомобилей ГАЗ-31029 и его модификаций
Подробная информация
| Автомобиль: | ГАЗ 31029 |
| Модификации: | |
| Название детали: | Штифт 3х25 |
| Номер детали: | 258604-П29 |
| Актуальность: | 01.01.1995 |
| Количество: | |
2 - для автомобилей ГАЗ-31029 и его модификаций
Подробная информация
| Автомобиль: | ГАЗ 31029 |
| Модификации: | |
| Название детали: | Коробка в сборе |
| Номер детали: | 3102-8203010 |
| Актуальность: | 01.01.1995 |
| Количество: | |
1 - для автомобилей ГАЗ-31029 и его модификаций
Подробная информация
| Автомобиль: | ГАЗ 31029 |
| Модификации: | |
| Название детали: | Прикуриватель |
| Номер детали: | ПТ10-01 |
| Актуальность: | 01.01.1995 |
| Количество: | |
1 - для автомобилей ГАЗ-31029 и его модификаций
Подробная информация
| Автомобиль: | ГАЗ 31029 |
| Модификации: | |
| Название детали: | Облицовка |
| Номер детали: | 3102-8203026 |
| Актуальность: | 01.01.1995 |
| Количество: | |
1 - для автомобилей ГАЗ-31029 и его модификаций
Подробная информация
| Автомобиль: | ГАЗ 31029 |
| Модификации: | |
| Название детали: | Заклепка 3х6 |
| Номер детали: | 255683-П21 |
| Актуальность: | 01.01.1995 |
| Количество: | |
4 - для автомобилей ГАЗ-31029 и его модификаций
Подробная информация
| Автомобиль: | ГАЗ 31029 |
| Модификации: | |
| Название детали: | Корпус |
| Номер детали: | 3102-8203028 |
| Актуальность: | 01.01.1995 |
| Количество: | |
1 - для автомобилей ГАЗ-31029 и его модификаций
Подробная информация
| Автомобиль: | ГАЗ 31029 |
| Модификации: | |
| Название детали: | Трубка защитная |
| Номер детали: | 14-3711082 |
| Актуальность: | 01.01.1995 |
| Количество: | |
2 - для автомобилей ГАЗ-31029 и его модификаций
Подробная информация
| Автомобиль: | ГАЗ 31029 |
| Модификации: | |
| Название детали: | Надставка консоли задняя |
| Номер детали: | 3102-5326074 |
| Актуальность: | 01.01.1995 |
| Количество: | |
1 - для автомобилей ГАЗ-31029 и его модификаций
Подробная информация
| Автомобиль: | ГАЗ 31029 |
| Модификации: | |
| Название детали: | Консоль панели приборов |
| Номер детали: | 3102-5326028 |
| Актуальность: | 01.01.1995 |
| Количество: | |
1 - для автомобилей ГАЗ-31029 и его модификаций
Подробная информация
| Автомобиль: | ГАЗ 31029 |
| Модификации: | |
| Название детали: | Надставка консоли |
| Номер детали: | 3102-5326052 |
| Актуальность: | 01.01.1995 |
| Количество: | |
1 - для автомобилей ГАЗ-31029 и его модификаций
Подробная информация
| Автомобиль: | ГАЗ 31029 |
| Модификации: | |
| Название детали: | Гайка 4 |
| Номер детали: | 292665 |
| Актуальность: | 01.01.1995 |
| Количество: | |
1 - для автомобилей ГАЗ-31029 и его модификаций
Подробная информация
| Автомобиль: | ГАЗ 31029 |
| Модификации: | |
| Название детали: | Винт 4х 16 |
| Номер детали: | 241819-П29 |
| Актуальность: | 01.01.1995 |
| Количество: | |
2 - для автомобилей ГАЗ-31029 и его модификаций
№
Номер запчасти
Наименование запчасти