- Автозапчасти ВАЗ
- Автозапчасти ГАЗ
- Автозапчасти на иномарки
- Автохимия, масла
- Подбор масла
- Инструменты, аксессуары
- Метизы
- Прочее, Москвич
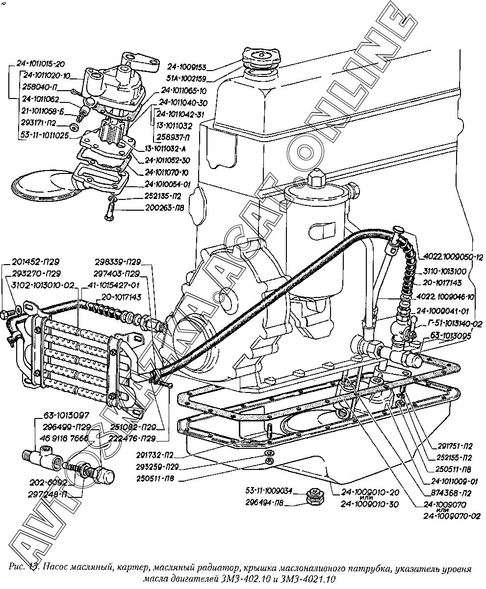
Насос масляный, картер, масляный радиатор, крышка маслоналивного патрубка, указатель уровня масла двигателей ЗМЗ-402.10 и ЗМЗ-4021.10 ГАЗ 3110 (3110-101, 3110-111, 3110-311, 3110-331, 3110-341, 3110-411, 3110-441)
Насос масляный, картер, масляный радиатор, крышка маслоналивного патрубка, указатель уровня масла двигателей ЗМЗ-402.10 и ЗМЗ-4021.10
+
Увеличить изображение на 10%
-
Уменьшить изображение на 10%
Выделение детали в таблице
Прокрутка картинки
Увеличить масштаб
3102-1013010-02
252155-П2
13-1011032-А
24-1011015-20
24-1011052-30
24-1010054-01
296499-П29
24-1011065-10
202-6092
252135-П2
293270-П
24-1009041-01
24-1009153
53-11-1011025
296494-П8
297248-П
24-1009070
51А-1002159
293259-П29
874368-П2
201452-П29
200263-П8
24-1011042-31
24-1011040-30
222476-П29
251082-П29
250511-П8
250511-П8
24-1009010-20
24-1009010-30
63-1013095
63-1013097
20-1017143
20-1017143
53-11-1009034
24-1009070-02
4022.1009046-10
3110-1013100
41-1015427-01
291751-П2
291732-П2
4022.1009050-12
46 9116 7666
298339-П29
24-1011020-10
Г-51-1013140-02
24-1011009-01
21-1011058-Б
13-1011032
297403-П29
258040-П
24-1011062
24-1011070-10
293171-П2
258937-П
Подробная информация
| Автомобиль: | ГАЗ 3110 |
| Модификации: | 3110-101, 3110-111, 3110-311, 3110-331, 3110-341, 3110-411, 3110-441 |
| Название детали: | Радиатор масляный |
| Номер детали: | 3102-1013010-02 |
| Актуальность: | 01.10.1997 |
| Количество: | |
1 - для автомобилей с двигателем ЗМЗ-4062.10
1 - для автомобилей с двигателями ЗМЗ-402.10 и ЗМЗ-4021.10
Подробная информация
| Автомобиль: | ГАЗ 3110 |
| Модификации: | 3110-101, 3110-111, 3110-311, 3110-331, 3110-341, 3110-411, 3110-441 |
| Название детали: | Шайба 8Л |
| Номер детали: | 252155-П2 |
| Актуальность: | 01.10.1997 |
| Количество: | |
60 - для автомобилей с двигателем ЗМЗ-4062.10
105 - для автомобилей с двигателями ЗМЗ-402.10 и ЗМЗ-4021.10
Подробная информация
| Автомобиль: | ГАЗ 3110 |
| Модификации: | 3110-101, 3110-111, 3110-311, 3110-331, 3110-341, 3110-411, 3110-441 |
| Название детали: | Шестерня масляного насоса ведомая |
| Номер детали: | 13-1011032-А |
| Актуальность: | 01.10.1997 |
| Количество: | |
1 - для автомобилей с двигателем ЗМЗ-4062.10
1 - для автомобилей с двигателями ЗМЗ-402.10 и ЗМЗ-4021.10
Подробная информация
| Автомобиль: | ГАЗ 3110 |
| Модификации: | 3110-101, 3110-111, 3110-311, 3110-331, 3110-341, 3110-411, 3110-441 |
| Название детали: | Корпус масляного насоса с осью |
| Номер детали: | 24-1011015-20 |
| Актуальность: | 01.10.1997 |
| Количество: | |
1 - для автомобилей с двигателями ЗМЗ-402.10 и ЗМЗ-4021.10
Подробная информация
| Автомобиль: | ГАЗ 3110 |
| Модификации: | 3110-101, 3110-111, 3110-311, 3110-331, 3110-341, 3110-411, 3110-441 |
| Название детали: | Крышка масляного насоса |
| Номер детали: | 24-1011052-30 |
| Актуальность: | 01.10.1997 |
| Количество: | |
1 - для автомобилей с двигателями ЗМЗ-402.10 и ЗМЗ-4021.10
Подробная информация
| Автомобиль: | ГАЗ 3110 |
| Модификации: | 3110-101, 3110-111, 3110-311, 3110-331, 3110-341, 3110-411, 3110-441 |
| Название детали: | Патрубок приемный масляного насоса с сеткой |
| Номер детали: | 24-1010054-01 |
| Актуальность: | 01.10.1997 |
| Количество: | |
1 - для автомобилей с двигателями ЗМЗ-402.10 и ЗМЗ-4021.10
Подробная информация
| Автомобиль: | ГАЗ 3110 |
| Модификации: | 3110-101, 3110-111, 3110-311, 3110-331, 3110-341, 3110-411, 3110-441 |
| Название детали: | Пробка М18х1,5х12 |
| Номер детали: | 296499-П29 |
| Актуальность: | 01.10.1997 |
| Количество: | |
1 - для автомобилей с двигателем ЗМЗ-4062.10
1 - для автомобилей с двигателями ЗМЗ-402.10 и ЗМЗ-4021.10
Подробная информация
| Автомобиль: | ГАЗ 3110 |
| Модификации: | 3110-101, 3110-111, 3110-311, 3110-331, 3110-341, 3110-411, 3110-441 |
| Название детали: | Прокладка крышки |
| Номер детали: | 24-1011065-10 |
| Актуальность: | 01.10.1997 |
| Количество: | |
1 - для автомобилей с двигателями ЗМЗ-402.10 и ЗМЗ-4021.10
Подробная информация
| Автомобиль: | ГАЗ 3110 |
| Модификации: | 3110-101, 3110-111, 3110-311, 3110-331, 3110-341, 3110-411, 3110-441 |
| Название детали: | Пружина перепускного клапана масляного радиатора |
| Номер детали: | 202-6092 |
| Актуальность: | 01.10.1997 |
| Количество: | |
1 - для автомобилей с двигателем ЗМЗ-4062.10
1 - для автомобилей с двигателями ЗМЗ-402.10 и ЗМЗ-4021.10
Подробная информация
| Автомобиль: | ГАЗ 3110 |
| Модификации: | 3110-101, 3110-111, 3110-311, 3110-331, 3110-341, 3110-411, 3110-441 |
| Название детали: | Шайба 8Т |
| Номер детали: | 252135-П2 |
| Актуальность: | 01.10.1997 |
| Количество: | |
112 - для автомобилей с двигателем ЗМЗ-4062.10
117 - для автомобилей с двигателями ЗМЗ-402.10 и ЗМЗ-4021.10
Подробная информация
| Автомобиль: | ГАЗ 3110 |
| Модификации: | 3110-101, 3110-111, 3110-311, 3110-331, 3110-341, 3110-411, 3110-441 |
| Название детали: | Шайба стопорная |
| Номер детали: | 293270-П |
| Актуальность: | 01.10.1997 |
| Количество: | |
4 - для автомобилей с двигателем ЗМЗ-4062.10
4 - для автомобилей с двигателями ЗМЗ-402.10 и ЗМЗ-4021.10
Подробная информация
| Автомобиль: | ГАЗ 3110 |
| Модификации: | 3110-101, 3110-111, 3110-311, 3110-331, 3110-341, 3110-411, 3110-441 |
| Название детали: | Штуцер трубки указателя уровня масла |
| Номер детали: | 24-1009041-01 |
| Актуальность: | 01.10.1997 |
| Количество: | |
1 - для автомобилей с двигателями ЗМЗ-402.10 и ЗМЗ-4021.10
Подробная информация
| Автомобиль: | ГАЗ 3110 |
| Модификации: | 3110-101, 3110-111, 3110-311, 3110-331, 3110-341, 3110-411, 3110-441 |
| Название детали: | Крышка маслоналивного патрубка |
| Номер детали: | 24-1009153 |
| Актуальность: | 01.10.1997 |
| Количество: | |
1 - для автомобилей с двигателями ЗМЗ-402.10 и ЗМЗ-4021.10
Подробная информация
| Автомобиль: | ГАЗ 3110 |
| Модификации: | 3110-101, 3110-111, 3110-311, 3110-331, 3110-341, 3110-411, 3110-441 |
| Название детали: | Ось ведомой шестерни |
| Номер детали: | 53-11-1011025 |
| Актуальность: | 01.10.1997 |
| Количество: | |
1 - для автомобилей с двигателем ЗМЗ-4062.10
1 - для автомобилей с двигателями ЗМЗ-402.10 и ЗМЗ-4021.10
Подробная информация
| Автомобиль: | ГАЗ 3110 |
| Модификации: | 3110-101, 3110-111, 3110-311, 3110-331, 3110-341, 3110-411, 3110-441 |
| Название детали: | Пробка М18х1,5х12 |
| Номер детали: | 296494-П8 |
| Актуальность: | 01.10.1997 |
| Количество: | |
1 - для автомобилей с двигателем ЗМЗ-4062.10
2 - для автомобилей с двигателями ЗМЗ-402.10 и ЗМЗ-4021.10
Подробная информация
| Автомобиль: | ГАЗ 3110 |
| Модификации: | 3110-101, 3110-111, 3110-311, 3110-331, 3110-341, 3110-411, 3110-441 |
| Название детали: | Прокладка |
| Номер детали: | 297248-П |
| Актуальность: | 01.10.1997 |
| Количество: | |
2 - для автомобилей с двигателем ЗМЗ-4062.10
2 - для автомобилей с двигателями ЗМЗ-402.10 и ЗМЗ-4021.10
Подробная информация
| Автомобиль: | ГАЗ 3110 |
| Модификации: | 3110-101, 3110-111, 3110-311, 3110-331, 3110-341, 3110-411, 3110-441 |
| Название детали: | Прокладка масляного картера |
| Номер детали: | 24-1009070 |
| Актуальность: | 01.10.1997 |
| Количество: | |
1 - для автомобилей с двигателями ЗМЗ-402.10 и ЗМЗ-4021.10
Подробная информация
| Автомобиль: | ГАЗ 3110 |
| Модификации: | 3110-101, 3110-111, 3110-311, 3110-331, 3110-341, 3110-411, 3110-441 |
| Название детали: | Прокладка уплотнительная |
| Номер детали: | 51А-1002159 |
| Актуальность: | 01.10.1997 |
| Количество: | |
1 - для автомобилей с двигателем ЗМЗ-4062.10
1 - для автомобилей с двигателями ЗМЗ-402.10 и ЗМЗ-4021.10
Подробная информация
| Автомобиль: | ГАЗ 3110 |
| Модификации: | 3110-101, 3110-111, 3110-311, 3110-331, 3110-341, 3110-411, 3110-441 |
| Название детали: | Шайба 8,5 |
| Номер детали: | 293259-П29 |
| Актуальность: | 01.10.1997 |
| Количество: | |
25 - для автомобилей с двигателями ЗМЗ-402.10 и ЗМЗ-4021.10
Подробная информация
| Автомобиль: | ГАЗ 3110 |
| Модификации: | 3110-101, 3110-111, 3110-311, 3110-331, 3110-341, 3110-411, 3110-441 |
| Название детали: | Шпилька М8х1-4hх60 |
| Номер детали: | 874368-П2 |
| Актуальность: | 01.10.1997 |
| Количество: | |
4 - для автомобилей с двигателями ЗМЗ-402.10 и ЗМЗ-4021.10
Подробная информация
| Автомобиль: | ГАЗ 3110 |
| Модификации: | 3110-101, 3110-111, 3110-311, 3110-331, 3110-341, 3110-411, 3110-441 |
| Название детали: | Болт М8-6gх12 |
| Номер детали: | 201452-П29 |
| Актуальность: | 01.10.1997 |
| Количество: | |
5 - для автомобилей с двигателем ЗМЗ-4062.10
8 - для автомобилей с двигателями ЗМЗ-402.10 и ЗМЗ-4021.10
Подробная информация
| Автомобиль: | ГАЗ 3110 |
| Модификации: | 3110-101, 3110-111, 3110-311, 3110-331, 3110-341, 3110-411, 3110-441 |
| Название детали: | Болт М8-6gх35 |
| Номер детали: | 200263-П8 |
| Актуальность: | 01.10.1997 |
| Количество: | |
4 - для автомобилей с двигателями ЗМЗ-402.10 и ЗМЗ-4021.10
Подробная информация
| Автомобиль: | ГАЗ 3110 |
| Модификации: | 3110-101, 3110-111, 3110-311, 3110-331, 3110-341, 3110-411, 3110-441 |
| Название детали: | Валик масляного насоса и привода распределителя |
| Номер детали: | 24-1011042-31 |
| Актуальность: | 01.10.1997 |
| Количество: | |
2 - для автомобилей с двигателями ЗМЗ-402.10 и ЗМЗ-4021.10
Подробная информация
| Автомобиль: | ГАЗ 3110 |
| Модификации: | 3110-101, 3110-111, 3110-311, 3110-331, 3110-341, 3110-411, 3110-441 |
| Название детали: | Валик масляного насоса с ведущей шестерней |
| Номер детали: | 24-1011040-30 |
| Актуальность: | 01.10.1997 |
| Количество: | |
1 - для автомобилей с двигателями ЗМЗ-402.10 и ЗМЗ-4021.10
Подробная информация
| Автомобиль: | ГАЗ 3110 |
| Модификации: | 3110-101, 3110-111, 3110-311, 3110-331, 3110-341, 3110-411, 3110-441 |
| Название детали: | Винт М4-6gх20 |
| Номер детали: | 222476-П29 |
| Актуальность: | 01.10.1997 |
| Количество: | |
2 - для автомобилей с двигателем ЗМЗ-4062.10
2 - для автомобилей с двигателями ЗМЗ-402.10 и ЗМЗ-4021.10
Подробная информация
| Автомобиль: | ГАЗ 3110 |
| Модификации: | 3110-101, 3110-111, 3110-311, 3110-331, 3110-341, 3110-411, 3110-441 |
| Название детали: | Гайка М4-6Н |
| Номер детали: | 251082-П29 |
| Актуальность: | 01.10.1997 |
| Количество: | |
45 - для автомобилей с двигателем ЗМЗ-4062.10
34 - для автомобилей с двигателями ЗМЗ-402.10 и ЗМЗ-4021.10
Подробная информация
| Автомобиль: | ГАЗ 3110 |
| Модификации: | 3110-101, 3110-111, 3110-311, 3110-331, 3110-341, 3110-411, 3110-441 |
| Название детали: | Гайка М8х1-6Н |
| Номер детали: | 250511-П8 |
| Актуальность: | 01.10.1997 |
| Количество: | |
2 - для автомобилей с двигателем ЗМЗ-4062.10
35 - для автомобилей с двигателями ЗМЗ-402.10 и ЗМЗ-4021.10
Подробная информация
| Автомобиль: | ГАЗ 3110 |
| Модификации: | 3110-101, 3110-111, 3110-311, 3110-331, 3110-341, 3110-411, 3110-441 |
| Название детали: | Картер масляный |
| Номер детали: | 24-1009010-20 |
| Актуальность: | 01.10.1997 |
| Количество: | |
1 - для автомобилей с двигателями ЗМЗ-402.10 и ЗМЗ-4021.10
Подробная информация
| Автомобиль: | ГАЗ 3110 |
| Модификации: | 3110-101, 3110-111, 3110-311, 3110-331, 3110-341, 3110-411, 3110-441 |
| Название детали: | Картер масляный |
| Номер детали: | 24-1009010-30 |
| Актуальность: | 01.10.1997 |
| Количество: | |
1 - для автомобилей с двигателями ЗМЗ-402.10 и ЗМЗ-4021.10
Подробная информация
| Автомобиль: | ГАЗ 3110 |
| Модификации: | 3110-101, 3110-111, 3110-311, 3110-331, 3110-341, 3110-411, 3110-441 |
| Название детали: | Клапан масляного радиатора |
| Номер детали: | 63-1013095 |
| Актуальность: | 01.10.1997 |
| Количество: | |
1 - для автомобилей с двигателем ЗМЗ-4062.10
1 - для автомобилей с двигателями ЗМЗ-402.10 и ЗМЗ-4021.10
Подробная информация
| Автомобиль: | ГАЗ 3110 |
| Модификации: | 3110-101, 3110-111, 3110-311, 3110-331, 3110-341, 3110-411, 3110-441 |
| Название детали: | Корпус клапана масляного радиатора |
| Номер детали: | 63-1013097 |
| Актуальность: | 01.10.1997 |
| Количество: | |
1 - для автомобилей с двигателем ЗМЗ-4062.10
1 - для автомобилей с двигателями ЗМЗ-402.10 и ЗМЗ-4021.10
Подробная информация
| Автомобиль: | ГАЗ 3110 |
| Модификации: | 3110-101, 3110-111, 3110-311, 3110-331, 3110-341, 3110-411, 3110-441 |
| Название детали: | Оболочка защитная |
| Номер детали: | 20-1017143 |
| Актуальность: | 01.10.1997 |
| Количество: | |
2 - для автомобилей с двигателем ЗМЗ-4062.10
2 - для автомобилей с двигателями ЗМЗ-402.10 и ЗМЗ-4021.10
Подробная информация
| Автомобиль: | ГАЗ 3110 |
| Модификации: | 3110-101, 3110-111, 3110-311, 3110-331, 3110-341, 3110-411, 3110-441 |
| Название детали: | Прокладка |
| Номер детали: | 53-11-1009034 |
| Актуальность: | 01.10.1997 |
| Количество: | |
2 - для автомобилей с двигателем ЗМЗ-4062.10
3 - для автомобилей с двигателями ЗМЗ-402.10 и ЗМЗ-4021.10
Подробная информация
| Автомобиль: | ГАЗ 3110 |
| Модификации: | 3110-101, 3110-111, 3110-311, 3110-331, 3110-341, 3110-411, 3110-441 |
| Название детали: | Прокладка масляного картера |
| Номер детали: | 24-1009070-02 |
| Актуальность: | 01.10.1997 |
| Количество: | |
1 - для автомобилей с двигателями ЗМЗ-402.10 и ЗМЗ-4021.10
Подробная информация
| Автомобиль: | ГАЗ 3110 |
| Модификации: | 3110-101, 3110-111, 3110-311, 3110-331, 3110-341, 3110-411, 3110-441 |
| Название детали: | Трубка указателя уровня масла |
| Номер детали: | 4022.1009046-10 |
| Актуальность: | 01.10.1997 |
| Количество: | |
1 - для автомобилей с двигателями ЗМЗ-402.10 и ЗМЗ-4021.10
Подробная информация
| Автомобиль: | ГАЗ 3110 |
| Модификации: | 3110-101, 3110-111, 3110-311, 3110-331, 3110-341, 3110-411, 3110-441 |
| Название детали: | Шланг впускной |
| Номер детали: | 3110-1013100 |
| Актуальность: | 01.10.1997 |
| Количество: | |
1 - для автомобилей с двигателями ЗМЗ-402.10 и ЗМЗ-4021.10
Подробная информация
| Автомобиль: | ГАЗ 3110 |
| Модификации: | 3110-101, 3110-111, 3110-311, 3110-331, 3110-341, 3110-411, 3110-441 |
| Название детали: | Шланг отводящий |
| Номер детали: | 41-1015427-01 |
| Актуальность: | 01.10.1997 |
| Количество: | |
1 - для автомобилей с двигателями ЗМЗ-402.10 и ЗМЗ-4021.10
Подробная информация
| Автомобиль: | ГАЗ 3110 |
| Модификации: | 3110-101, 3110-111, 3110-311, 3110-331, 3110-341, 3110-411, 3110-441 |
| Название детали: | Шпилька М8х1-4hх 30 |
| Номер детали: | 291751-П2 |
| Актуальность: | 01.10.1997 |
| Количество: | |
3 - для автомобилей с двигателями ЗМЗ-402.10 и ЗМЗ-4021.10
Подробная информация
| Автомобиль: | ГАЗ 3110 |
| Модификации: | 3110-101, 3110-111, 3110-311, 3110-331, 3110-341, 3110-411, 3110-441 |
| Название детали: | Шпилька М8х1-4hх14 |
| Номер детали: | 291732-П2 |
| Актуальность: | 01.10.1997 |
| Количество: | |
21 - для автомобилей с двигателями ЗМЗ-402.10 и ЗМЗ-4021.10
Подробная информация
| Автомобиль: | ГАЗ 3110 |
| Модификации: | 3110-101, 3110-111, 3110-311, 3110-331, 3110-341, 3110-411, 3110-441 |
| Название детали: | Указатель уровня масла |
| Номер детали: | 4022.1009050-12 |
| Актуальность: | 01.10.1997 |
| Количество: | |
1 - для автомобилей с двигателями ЗМЗ-402.10 и ЗМЗ-4021.10
Подробная информация
| Автомобиль: | ГАЗ 3110 |
| Модификации: | 3110-101, 3110-111, 3110-311, 3110-331, 3110-341, 3110-411, 3110-441 |
| Название детали: | Шарик Б11,906-60 |
| Номер детали: | 46 9116 7666 |
| Актуальность: | 01.10.1997 |
| Количество: | |
1 - для автомобилей с двигателем ЗМЗ-4062.10
1 - для автомобилей с двигателями ЗМЗ-402.10 и ЗМЗ-4021.10
Подробная информация
| Автомобиль: | ГАЗ 3110 |
| Модификации: | 3110-101, 3110-111, 3110-311, 3110-331, 3110-341, 3110-411, 3110-441 |
| Название детали: | Штуцер прямой КГ1/4" |
| Номер детали: | 298339-П29 |
| Актуальность: | 01.10.1997 |
| Количество: | |
1 - для автомобилей с двигателем ЗМЗ-4062.10
2 - для автомобилей с двигателями ЗМЗ-402.10 и ЗМЗ-4021.10
Подробная информация
| Автомобиль: | ГАЗ 3110 |
| Модификации: | 3110-101, 3110-111, 3110-311, 3110-331, 3110-341, 3110-411, 3110-441 |
| Название детали: | Корпус масляного насоса |
| Номер детали: | 24-1011020-10 |
| Актуальность: | 01.10.1997 |
| Количество: | |
1 - для автомобилей с двигателями ЗМЗ-402.10 и ЗМЗ-4021.10
Подробная информация
| Автомобиль: | ГАЗ 3110 |
| Модификации: | 3110-101, 3110-111, 3110-311, 3110-331, 3110-341, 3110-411, 3110-441 |
| Название детали: | Кран ПП6-1 |
| Номер детали: | Г-51-1013140-02 |
| Актуальность: | 01.10.1997 |
| Количество: | |
1 - для автомобилей с двигателем ЗМЗ-4062.10
1 - для автомобилей с двигателями ЗМЗ-402.10 и ЗМЗ-4021.10
Подробная информация
| Автомобиль: | ГАЗ 3110 |
| Модификации: | 3110-101, 3110-111, 3110-311, 3110-331, 3110-341, 3110-411, 3110-441 |
| Название детали: | Насос масляный с маслоприемником |
| Номер детали: | 24-1011009-01 |
| Актуальность: | 01.10.1997 |
| Количество: | |
1 - для автомобилей с двигателями ЗМЗ-402.10 и ЗМЗ-4021.10
Подробная информация
| Автомобиль: | ГАЗ 3110 |
| Модификации: | 3110-101, 3110-111, 3110-311, 3110-331, 3110-341, 3110-411, 3110-441 |
| Название детали: | Пружина редукционного клапана |
| Номер детали: | 21-1011058-Б |
| Актуальность: | 01.10.1997 |
| Количество: | |
1 - для автомобилей с двигателем ЗМЗ-4062.10
1 - для автомобилей с двигателями ЗМЗ-402.10 и ЗМЗ-4021.10
Подробная информация
| Автомобиль: | ГАЗ 3110 |
| Модификации: | 3110-101, 3110-111, 3110-311, 3110-331, 3110-341, 3110-411, 3110-441 |
| Название детали: | Шестерня масляного насоса ведущая |
| Номер детали: | 13-1011032 |
| Актуальность: | 01.10.1997 |
| Количество: | |
1 - для автомобилей с двигателем ЗМЗ-4062.10
1 - для автомобилей с двигателями ЗМЗ-402.10 и ЗМЗ-4021.10
Подробная информация
| Автомобиль: | ГАЗ 3110 |
| Модификации: | 3110-101, 3110-111, 3110-311, 3110-331, 3110-341, 3110-411, 3110-441 |
| Название детали: | Хомут 14 |
| Номер детали: | 297403-П29 |
| Актуальность: | 01.10.1997 |
| Количество: | |
20 - для автомобилей с двигателем ЗМЗ-4062.10
15 - для автомобилей с двигателями ЗМЗ-402.10 и ЗМЗ-4021.10
Подробная информация
| Автомобиль: | ГАЗ 3110 |
| Модификации: | 3110-101, 3110-111, 3110-311, 3110-331, 3110-341, 3110-411, 3110-441 |
| Название детали: | Шплинт 3,2х25 |
| Номер детали: | 258040-П |
| Актуальность: | 01.10.1997 |
| Количество: | |
1 - для автомобилей с двигателем ЗМЗ-4062.10
1 - для автомобилей с двигателями ЗМЗ-402.10 и ЗМЗ-4021.10
Подробная информация
| Автомобиль: | ГАЗ 3110 |
| Модификации: | 3110-101, 3110-111, 3110-311, 3110-331, 3110-341, 3110-411, 3110-441 |
| Название детали: | Плунжер редукционного клапана |
| Номер детали: | 24-1011062 |
| Актуальность: | 01.10.1997 |
| Количество: | |
1 - для автомобилей с двигателем ЗМЗ-4062.10
1 - для автомобилей с двигателями ЗМЗ-402.10 и ЗМЗ-4021.10
Подробная информация
| Автомобиль: | ГАЗ 3110 |
| Модификации: | 3110-101, 3110-111, 3110-311, 3110-331, 3110-341, 3110-411, 3110-441 |
| Название детали: | Прокладка приемного патрубка |
| Номер детали: | 24-1011070-10 |
| Актуальность: | 01.10.1997 |
| Количество: | |
1 - для автомобилей с двигателями ЗМЗ-402.10 и ЗМЗ-4021.10
Подробная информация
| Автомобиль: | ГАЗ 3110 |
| Модификации: | 3110-101, 3110-111, 3110-311, 3110-331, 3110-341, 3110-411, 3110-441 |
| Название детали: | Шайба 5 |
| Номер детали: | 293171-П2 |
| Актуальность: | 01.10.1997 |
| Количество: | |
1 - для автомобилей с двигателем ЗМЗ-4062.10
2 - для автомобилей с двигателями ЗМЗ-402.10 и ЗМЗ-4021.10
Подробная информация
| Автомобиль: | ГАЗ 3110 |
| Модификации: | 3110-101, 3110-111, 3110-311, 3110-331, 3110-341, 3110-411, 3110-441 |
| Название детали: | Штифт 4х22 |
| Номер детали: | 258937-П |
| Актуальность: | 01.10.1997 |
| Количество: | |
1 - для автомобилей с двигателями ЗМЗ-402.10 и ЗМЗ-4021.10
№
Номер запчасти
Наименование запчасти