- Автозапчасти ВАЗ
- Автозапчасти ГАЗ
- Автозапчасти на иномарки
- Автохимия, масла
- Подбор масла
- Инструменты, аксессуары
- Метизы
- Прочее, Москвич
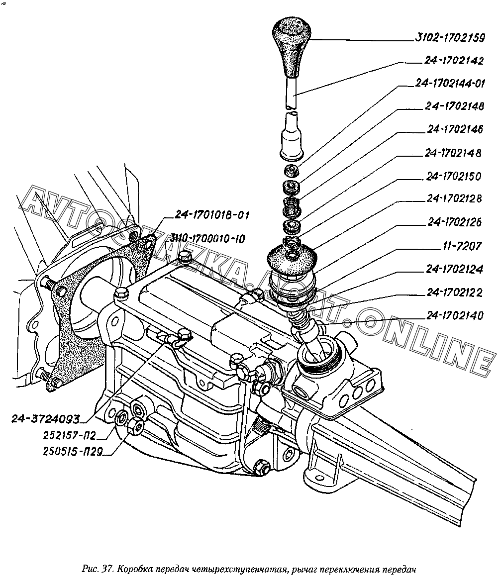
Коробка передач четырехступенчатая, рычаг переключения передач ГАЗ 3110 (3110-101, 3110-111, 3110-311, 3110-331, 3110-341, 3110-411, 3110-441)
+
Увеличить изображение на 10%
-
Уменьшить изображение на 10%
Выделение детали в таблице
Прокрутка картинки
Увеличить масштаб
24-1702150
24-1702146
250515-П29
24-1702126
24-1702144-01
3110-1700010-10
24-1702148
24-1702148
11-7207
24-1701018-01
24-1702122
24-1702142
24-1702124
3102-1702159
24-1702140
24-3724093
24-1702128
252157-П2
Подробная информация
| Автомобиль: | ГАЗ 3110 |
| Модификации: | 3110-101, 3110-111, 3110-311, 3110-331, 3110-341, 3110-411, 3110-441 |
| Название детали: | Втулка запорная |
| Номер детали: | 24-1702150 |
| Актуальность: | 01.10.1997 |
| Количество: | |
1 - для автомобилей с двигателем ЗМЗ-4062.10
1 - для автомобилей с двигателями ЗМЗ-402.10 и ЗМЗ-4021.10
Подробная информация
| Автомобиль: | ГАЗ 3110 |
| Модификации: | 3110-101, 3110-111, 3110-311, 3110-331, 3110-341, 3110-411, 3110-441 |
| Название детали: | Втулка распорная |
| Номер детали: | 24-1702146 |
| Актуальность: | 01.10.1997 |
| Количество: | |
1 - для автомобилей с двигателем ЗМЗ-4062.10
1 - для автомобилей с двигателями ЗМЗ-402.10 и ЗМЗ-4021.10
Подробная информация
| Автомобиль: | ГАЗ 3110 |
| Модификации: | 3110-101, 3110-111, 3110-311, 3110-331, 3110-341, 3110-411, 3110-441 |
| Название детали: | Гайка М12х1,25-6Н |
| Номер детали: | 250515-П29 |
| Актуальность: | 01.10.1997 |
| Количество: | |
16 - для автомобилей с двигателем ЗМЗ-4062.10
20 - для автомобилей с двигателями ЗМЗ-402.10 и ЗМЗ-4021.10
Подробная информация
| Автомобиль: | ГАЗ 3110 |
| Модификации: | 3110-101, 3110-111, 3110-311, 3110-331, 3110-341, 3110-411, 3110-441 |
| Название детали: | Колпак рычага |
| Номер детали: | 24-1702126 |
| Актуальность: | 01.10.1997 |
| Количество: | |
1 - для автомобилей с двигателем ЗМЗ-4062.10
1 - для автомобилей с двигателями ЗМЗ-402.10 и ЗМЗ-4021.10
Подробная информация
| Автомобиль: | ГАЗ 3110 |
| Модификации: | 3110-101, 3110-111, 3110-311, 3110-331, 3110-341, 3110-411, 3110-441 |
| Название детали: | Конус упорный |
| Номер детали: | 24-1702144-01 |
| Актуальность: | 01.10.1997 |
| Количество: | |
1 - для автомобилей с двигателем ЗМЗ-4062.10
1 - для автомобилей с двигателями ЗМЗ-402.10 и ЗМЗ-4021.10
Подробная информация
| Автомобиль: | ГАЗ 3110 |
| Модификации: | 3110-101, 3110-111, 3110-311, 3110-331, 3110-341, 3110-411, 3110-441 |
| Название детали: | Коробка передач 4-х ступенчатая |
| Номер детали: | 3110-1700010-10 |
| Актуальность: | 01.10.1997 |
| Количество: | |
1 - для автомобилей с двигателями ЗМЗ-402.10 и ЗМЗ-4021.10
Подробная информация
| Автомобиль: | ГАЗ 3110 |
| Модификации: | 3110-101, 3110-111, 3110-311, 3110-331, 3110-341, 3110-411, 3110-441 |
| Название детали: | Подушка рычага |
| Номер детали: | 24-1702148 |
| Актуальность: | 01.10.1997 |
| Количество: | |
2 - для автомобилей с двигателем ЗМЗ-4062.10
2 - для автомобилей с двигателями ЗМЗ-402.10 и ЗМЗ-4021.10
Подробная информация
| Автомобиль: | ГАЗ 3110 |
| Модификации: | 3110-101, 3110-111, 3110-311, 3110-331, 3110-341, 3110-411, 3110-441 |
| Название детали: | Прокладка колпака |
| Номер детали: | 11-7207 |
| Актуальность: | 01.10.1997 |
| Количество: | |
1 - для автомобилей с двигателем ЗМЗ-4062.10
1 - для автомобилей с двигателями ЗМЗ-402.10 и ЗМЗ-4021.10
Подробная информация
| Автомобиль: | ГАЗ 3110 |
| Модификации: | 3110-101, 3110-111, 3110-311, 3110-331, 3110-341, 3110-411, 3110-441 |
| Название детали: | Прокладка передняя картера |
| Номер детали: | 24-1701018-01 |
| Актуальность: | 01.10.1997 |
| Количество: | |
1 - для автомобилей с двигателями ЗМЗ-402.10 и ЗМЗ-4021.10
Подробная информация
| Автомобиль: | ГАЗ 3110 |
| Модификации: | 3110-101, 3110-111, 3110-311, 3110-331, 3110-341, 3110-411, 3110-441 |
| Название детали: | Пружина рычага |
| Номер детали: | 24-1702122 |
| Актуальность: | 01.10.1997 |
| Количество: | |
1 - для автомобилей с двигателем ЗМЗ-4062.10
1 - для автомобилей с двигателями ЗМЗ-402.10 и ЗМЗ-4021.10
Подробная информация
| Автомобиль: | ГАЗ 3110 |
| Модификации: | 3110-101, 3110-111, 3110-311, 3110-331, 3110-341, 3110-411, 3110-441 |
| Название детали: | Рычаг переключения передач - верхняя часть |
| Номер детали: | 24-1702142 |
| Актуальность: | 01.10.1997 |
| Количество: | |
1 - для автомобилей с двигателем ЗМЗ-4062.10
1 - для автомобилей с двигателями ЗМЗ-402.10 и ЗМЗ-4021.10
Подробная информация
| Автомобиль: | ГАЗ 3110 |
| Модификации: | 3110-101, 3110-111, 3110-311, 3110-331, 3110-341, 3110-411, 3110-441 |
| Название детали: | Седло пружины |
| Номер детали: | 24-1702124 |
| Актуальность: | 01.10.1997 |
| Количество: | |
1 - для автомобилей с двигателем ЗМЗ-4062.10
1 - для автомобилей с двигателями ЗМЗ-402.10 и ЗМЗ-4021.10
Подробная информация
| Автомобиль: | ГАЗ 3110 |
| Модификации: | 3110-101, 3110-111, 3110-311, 3110-331, 3110-341, 3110-411, 3110-441 |
| Название детали: | Рукоятка рычага переключения передач |
| Номер детали: | 3102-1702159 |
| Актуальность: | 01.10.1997 |
| Количество: | |
1 - для автомобилей с двигателями ЗМЗ-402.10 и ЗМЗ-4021.10
Подробная информация
| Автомобиль: | ГАЗ 3110 |
| Модификации: | 3110-101, 3110-111, 3110-311, 3110-331, 3110-341, 3110-411, 3110-441 |
| Название детали: | Рычаг переключения передач - нижняя часть |
| Номер детали: | 24-1702140 |
| Актуальность: | 01.10.1997 |
| Количество: | |
1 - для автомобилей с двигателями ЗМЗ-402.10 и ЗМЗ-4021.10
Подробная информация
| Автомобиль: | ГАЗ 3110 |
| Модификации: | 3110-101, 3110-111, 3110-311, 3110-331, 3110-341, 3110-411, 3110-441 |
| Название детали: | Скоба |
| Номер детали: | 24-3724093 |
| Актуальность: | 01.10.1997 |
| Количество: | |
4 - для автомобилей с двигателем ЗМЗ-4062.10
3 - для автомобилей с двигателями ЗМЗ-402.10 и ЗМЗ-4021.10
Подробная информация
| Автомобиль: | ГАЗ 3110 |
| Модификации: | 3110-101, 3110-111, 3110-311, 3110-331, 3110-341, 3110-411, 3110-441 |
| Название детали: | Уплотнитель верхней крышки |
| Номер детали: | 24-1702128 |
| Актуальность: | 01.10.1997 |
| Количество: | |
1 - для автомобилей с двигателем ЗМЗ-4062.10
1 - для автомобилей с двигателями ЗМЗ-402.10 и ЗМЗ-4021.10
Подробная информация
| Автомобиль: | ГАЗ 3110 |
| Модификации: | 3110-101, 3110-111, 3110-311, 3110-331, 3110-341, 3110-411, 3110-441 |
| Название детали: | Шайба 12Л |
| Номер детали: | 252157-П2 |
| Актуальность: | 01.10.1997 |
| Количество: | |
28 - для автомобилей с двигателем ЗМЗ-4062.10
32 - для автомобилей с двигателями ЗМЗ-402.10 и ЗМЗ-4021.10
№
Номер запчасти
Наименование запчасти