- Автозапчасти ВАЗ
- Автозапчасти ГАЗ
- Автозапчасти на иномарки
- Автохимия, масла
- Подбор масла
- Инструменты, аксессуары
- Метизы
- Прочее, Москвич
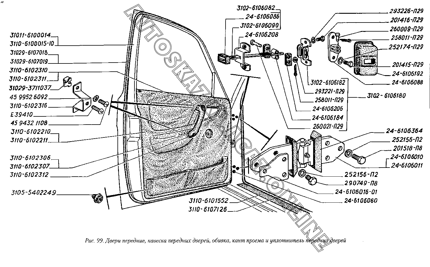
Двери передние, навеска передних дверей, обивка, кант проема и уплотнитель передних дверей ГАЗ 3110 (3110-101, 3110-111, 3110-311, 3110-331, 3110-341, 3110-411, 3110-441)
Двери передние, навеска передних дверей, обивка, кант проема и уплотнитель передних дверей
+
Увеличить изображение на 10%
-
Уменьшить изображение на 10%
Выделение детали в таблице
Прокрутка картинки
Увеличить масштаб
290749-П8
45 9432 1108
3102-6106090
293226-П29
258011-П29
258011-П29
Е39410
24-6106086
3110-6107126
3102-6106182
3110-6102316
24-6106088
24-6106208
3110-6101552
3110-6102211
3110-6102210
24-6106192
3102.6106082
260009-П29
260021-П29
24-6106011
24-6106010
3105-5402249
24-6106016-01
3110-6102311
3110-6102310
3110-6102312
24-6106364
24-6106206
3110-6102306
293221-П29
201416-П29
24-6106060
31029-6107018
201415-П29
31011-6100014
3110-6102307
252156-П2
252156-П2
201518-П8
3110-6100015-10
3102-6106180
252174-П29
31029-3711037
24-6106184
45 9952 6092
31029-6107019
Подробная информация
| Автомобиль: | ГАЗ 3110 |
| Модификации: | 3110-101, 3110-111, 3110-311, 3110-331, 3110-341, 3110-411, 3110-441 |
| Название детали: | Болт М10х1-6gх18 |
| Номер детали: | 290749-П8 |
| Актуальность: | 01.10.1997 |
| Количество: | |
24 - для автомобилей с двигателем ЗМЗ-4062.10
24 - для автомобилей с двигателями ЗМЗ-402.10 и ЗМЗ-4021.10
Подробная информация
| Автомобиль: | ГАЗ 3110 |
| Модификации: | 3110-101, 3110-111, 3110-311, 3110-331, 3110-341, 3110-411, 3110-441 |
| Название детали: | Винт М6-6gх14 |
| Номер детали: | 45 9432 1108 |
| Актуальность: | 01.10.1997 |
| Количество: | |
16 - для автомобилей с двигателем ЗМЗ-4062.10
16 - для автомобилей с двигателями ЗМЗ-402.10 и ЗМЗ-4021.10
Подробная информация
| Автомобиль: | ГАЗ 3110 |
| Модификации: | 3110-101, 3110-111, 3110-311, 3110-331, 3110-341, 3110-411, 3110-441 |
| Название детали: | Рычаг, ограничителя передней двери |
| Номер детали: | 3102-6106090 |
| Актуальность: | 01.10.1997 |
| Количество: | |
2 - для автомобилей с двигателем ЗМЗ-4062.10
2 - для автомобилей с двигателями ЗМЗ-402.10 и ЗМЗ-4021.10
Подробная информация
| Автомобиль: | ГАЗ 3110 |
| Модификации: | 3110-101, 3110-111, 3110-311, 3110-331, 3110-341, 3110-411, 3110-441 |
| Название детали: | Шайба 6 |
| Номер детали: | 293226-П29 |
| Актуальность: | 01.10.1997 |
| Количество: | |
94 - для автомобилей с двигателем ЗМЗ-4062.10
96 - для автомобилей с двигателями ЗМЗ-402.10 и ЗМЗ-4021.10
Подробная информация
| Автомобиль: | ГАЗ 3110 |
| Модификации: | 3110-101, 3110-111, 3110-311, 3110-331, 3110-341, 3110-411, 3110-441 |
| Название детали: | Шплинт 2х10 |
| Номер детали: | 258011-П29 |
| Актуальность: | 01.10.1997 |
| Количество: | |
13 - для автомобилей с двигателем ЗМЗ-4062.10
13 - для автомобилей с двигателями ЗМЗ-402.10 и ЗМЗ-4021.10
Подробная информация
| Автомобиль: | ГАЗ 3110 |
| Модификации: | 3110-101, 3110-111, 3110-311, 3110-331, 3110-341, 3110-411, 3110-441 |
| Название детали: | Винт специальный обивки дверей |
| Номер детали: | Е39410 |
| Актуальность: | 01.10.1997 |
| Количество: | |
8 - для автомобилей с двигателем ЗМЗ-4062.10
8 - для автомобилей с двигателями ЗМЗ-402.10 и ЗМЗ-4021.10
Подробная информация
| Автомобиль: | ГАЗ 3110 |
| Модификации: | 3110-101, 3110-111, 3110-311, 3110-331, 3110-341, 3110-411, 3110-441 |
| Название детали: | Буфер ограничителя двери |
| Номер детали: | 24-6106086 |
| Актуальность: | 01.10.1997 |
| Количество: | |
4 - для автомобилей с двигателем ЗМЗ-4062.10
4 - для автомобилей с двигателями ЗМЗ-402.10 и ЗМЗ-4021.10
Подробная информация
| Автомобиль: | ГАЗ 3110 |
| Модификации: | 3110-101, 3110-111, 3110-311, 3110-331, 3110-341, 3110-411, 3110-441 |
| Название детали: | Кант проема передних дверей |
| Номер детали: | 3110-6107126 |
| Актуальность: | 01.10.1997 |
| Количество: | |
2 - для автомобилей с двигателем ЗМЗ-4062.10
2 - для автомобилей с двигателями ЗМЗ-402.10 и ЗМЗ-4021.10
Подробная информация
| Автомобиль: | ГАЗ 3110 |
| Модификации: | 3110-101, 3110-111, 3110-311, 3110-331, 3110-341, 3110-411, 3110-441 |
| Название детали: | Корпус стопора ограничителя |
| Номер детали: | 3102-6106182 |
| Актуальность: | 01.10.1997 |
| Количество: | |
4 - для автомобилей с двигателем ЗМЗ-4062.10
4 - для автомобилей с двигателями ЗМЗ-402.10 и ЗМЗ-4021.10
Подробная информация
| Автомобиль: | ГАЗ 3110 |
| Модификации: | 3110-101, 3110-111, 3110-311, 3110-331, 3110-341, 3110-411, 3110-441 |
| Название детали: | Кронштейн |
| Номер детали: | 3110-6102316 |
| Актуальность: | 01.10.1997 |
| Количество: | |
8 - для автомобилей с двигателем ЗМЗ-4062.10
8 - для автомобилей с двигателями ЗМЗ-402.10 и ЗМЗ-4021.10
Подробная информация
| Автомобиль: | ГАЗ 3110 |
| Модификации: | 3110-101, 3110-111, 3110-311, 3110-331, 3110-341, 3110-411, 3110-441 |
| Название детали: | Кронштейн ограничителя |
| Номер детали: | 24-6106088 |
| Актуальность: | 01.10.1997 |
| Количество: | |
4 - для автомобилей с двигателем ЗМЗ-4062.10
4 - для автомобилей с двигателями ЗМЗ-402.10 и ЗМЗ-4021.10
Подробная информация
| Автомобиль: | ГАЗ 3110 |
| Модификации: | 3110-101, 3110-111, 3110-311, 3110-331, 3110-341, 3110-411, 3110-441 |
| Название детали: | Крышка стопора ограничителя дверей |
| Номер детали: | 24-6106208 |
| Актуальность: | 01.10.1997 |
| Количество: | |
4 - для автомобилей с двигателем ЗМЗ-4062.10
4 - для автомобилей с двигателями ЗМЗ-402.10 и ЗМЗ-4021.10
Подробная информация
| Автомобиль: | ГАЗ 3110 |
| Модификации: | 3110-101, 3110-111, 3110-311, 3110-331, 3110-341, 3110-411, 3110-441 |
| Название детали: | Накладка порога передней двери |
| Номер детали: | 3110-6101552 |
| Актуальность: | 01.10.1997 |
| Количество: | |
2 - для автомобилей с двигателем ЗМЗ-4062.10
2 - для автомобилей с двигателями ЗМЗ-402.10 и ЗМЗ-4021.10
Подробная информация
| Автомобиль: | ГАЗ 3110 |
| Модификации: | 3110-101, 3110-111, 3110-311, 3110-331, 3110-341, 3110-411, 3110-441 |
| Название детали: | Обивка передней двери левая |
| Номер детали: | 3110-6102211 |
| Актуальность: | 01.10.1997 |
| Количество: | |
1 - для автомобилей с двигателем ЗМЗ-4062.10
1 - для автомобилей с двигателями ЗМЗ-402.10 и ЗМЗ-4021.10
Подробная информация
| Автомобиль: | ГАЗ 3110 |
| Модификации: | 3110-101, 3110-111, 3110-311, 3110-331, 3110-341, 3110-411, 3110-441 |
| Название детали: | Обивка передней двери правая |
| Номер детали: | 3110-6102210 |
| Актуальность: | 01.10.1997 |
| Количество: | |
1 - для автомобилей с двигателем ЗМЗ-4062.10
1 - для автомобилей с двигателями ЗМЗ-402.10 и ЗМЗ-4021.10
Подробная информация
| Автомобиль: | ГАЗ 3110 |
| Модификации: | 3110-101, 3110-111, 3110-311, 3110-331, 3110-341, 3110-411, 3110-441 |
| Название детали: | Облицовка стопора ограничителя |
| Номер детали: | 24-6106192 |
| Актуальность: | 01.10.1997 |
| Количество: | |
4 - для автомобилей с двигателем ЗМЗ-4062.10
4 - для автомобилей с двигателями ЗМЗ-402.10 и ЗМЗ-4021.10
Подробная информация
| Автомобиль: | ГАЗ 3110 |
| Модификации: | 3110-101, 3110-111, 3110-311, 3110-331, 3110-341, 3110-411, 3110-441 |
| Название детали: | Ограничитель передней двери |
| Номер детали: | 3102.6106082 |
| Актуальность: | 01.10.1997 |
| Количество: | |
2 - для автомобилей с двигателем ЗМЗ-4062.10
2 - для автомобилей с двигателями ЗМЗ-402.10 и ЗМЗ-4021.10
Подробная информация
| Автомобиль: | ГАЗ 3110 |
| Модификации: | 3110-101, 3110-111, 3110-311, 3110-331, 3110-341, 3110-411, 3110-441 |
| Название детали: | Палец 6х14 |
| Номер детали: | 260009-П29 |
| Актуальность: | 01.10.1997 |
| Количество: | |
4 - для автомобилей с двигателем ЗМЗ-4062.10
4 - для автомобилей с двигателями ЗМЗ-402.10 и ЗМЗ-4021.10
Подробная информация
| Автомобиль: | ГАЗ 3110 |
| Модификации: | 3110-101, 3110-111, 3110-311, 3110-331, 3110-341, 3110-411, 3110-441 |
| Название детали: | Палец 6х42 |
| Номер детали: | 260021-П29 |
| Актуальность: | 01.10.1997 |
| Количество: | |
12 - для автомобилей с двигателем ЗМЗ-4062.10
12 - для автомобилей с двигателями ЗМЗ-402.10 и ЗМЗ-4021.10
Подробная информация
| Автомобиль: | ГАЗ 3110 |
| Модификации: | 3110-101, 3110-111, 3110-311, 3110-331, 3110-341, 3110-411, 3110-441 |
| Название детали: | Петля передней двери левая |
| Номер детали: | 24-6106011 |
| Актуальность: | 01.10.1997 |
| Количество: | |
2 - для автомобилей с двигателем ЗМЗ-4062.10
2 - для автомобилей с двигателями ЗМЗ-402.10 и ЗМЗ-4021.10
Подробная информация
| Автомобиль: | ГАЗ 3110 |
| Модификации: | 3110-101, 3110-111, 3110-311, 3110-331, 3110-341, 3110-411, 3110-441 |
| Название детали: | Петля передней двери правая |
| Номер детали: | 24-6106010 |
| Актуальность: | 01.10.1997 |
| Количество: | |
2 - для автомобилей с двигателем ЗМЗ-4062.10
2 - для автомобилей с двигателями ЗМЗ-402.10 и ЗМЗ-4021.10
Подробная информация
| Автомобиль: | ГАЗ 3110 |
| Модификации: | 3110-101, 3110-111, 3110-311, 3110-331, 3110-341, 3110-411, 3110-441 |
| Название детали: | Пистон |
| Номер детали: | 3105-5402249 |
| Актуальность: | 01.10.1997 |
| Количество: | |
30 - для автомобилей с двигателем ЗМЗ-4062.10
30 - для автомобилей с двигателями ЗМЗ-402.10 и ЗМЗ-4021.10
Подробная информация
| Автомобиль: | ГАЗ 3110 |
| Модификации: | 3110-101, 3110-111, 3110-311, 3110-331, 3110-341, 3110-411, 3110-441 |
| Название детали: | Пластина крепления петли к двери |
| Номер детали: | 24-6106016-01 |
| Актуальность: | 01.10.1997 |
| Количество: | |
8 - для автомобилей с двигателем ЗМЗ-4062.10
8 - для автомобилей с двигателями ЗМЗ-402.10 и ЗМЗ-4021.10
Подробная информация
| Автомобиль: | ГАЗ 3110 |
| Модификации: | 3110-101, 3110-111, 3110-311, 3110-331, 3110-341, 3110-411, 3110-441 |
| Название детали: | Пробка верхняя левая |
| Номер детали: | 3110-6102311 |
| Актуальность: | 01.10.1997 |
| Количество: | |
2 - для автомобилей с двигателем ЗМЗ-4062.10
2 - для автомобилей с двигателями ЗМЗ-402.10 и ЗМЗ-4021.10
Подробная информация
| Автомобиль: | ГАЗ 3110 |
| Модификации: | 3110-101, 3110-111, 3110-311, 3110-331, 3110-341, 3110-411, 3110-441 |
| Название детали: | Пробка верхняя правая |
| Номер детали: | 3110-6102310 |
| Актуальность: | 01.10.1997 |
| Количество: | |
2 - для автомобилей с двигателем ЗМЗ-4062.10
2 - для автомобилей с двигателями ЗМЗ-402.10 и ЗМЗ-4021.10
Подробная информация
| Автомобиль: | ГАЗ 3110 |
| Модификации: | 3110-101, 3110-111, 3110-311, 3110-331, 3110-341, 3110-411, 3110-441 |
| Название детали: | Пробка нижняя |
| Номер детали: | 3110-6102312 |
| Актуальность: | 01.10.1997 |
| Количество: | |
4 - для автомобилей с двигателем ЗМЗ-4062.10
4 - для автомобилей с двигателями ЗМЗ-402.10 и ЗМЗ-4021.10
Подробная информация
| Автомобиль: | ГАЗ 3110 |
| Модификации: | 3110-101, 3110-111, 3110-311, 3110-331, 3110-341, 3110-411, 3110-441 |
| Название детали: | Уплотнитель петли передних дверей |
| Номер детали: | 24-6106364 |
| Актуальность: | 01.10.1997 |
| Количество: | |
8 - для автомобилей с двигателем ЗМЗ-4062.10
8 - для автомобилей с двигателями ЗМЗ-402.10 и ЗМЗ-4021.10
Подробная информация
| Автомобиль: | ГАЗ 3110 |
| Модификации: | 3110-101, 3110-111, 3110-311, 3110-331, 3110-341, 3110-411, 3110-441 |
| Название детали: | Буфер стопора ограничителя |
| Номер детали: | 24-6106206 |
| Актуальность: | 01.10.1997 |
| Количество: | |
8 - для автомобилей с двигателем ЗМЗ-4062.10
8 - для автомобилей с двигателями ЗМЗ-402.10 и ЗМЗ-4021.10
Подробная информация
| Автомобиль: | ГАЗ 3110 |
| Модификации: | 3110-101, 3110-111, 3110-311, 3110-331, 3110-341, 3110-411, 3110-441 |
| Название детали: | Ручка подлокотника правая |
| Номер детали: | 3110-6102306 |
| Актуальность: | 01.10.1997 |
| Количество: | |
2 - для автомобилей с двигателем ЗМЗ-4062.10
2 - для автомобилей с двигателями ЗМЗ-402.10 и ЗМЗ-4021.10
Подробная информация
| Автомобиль: | ГАЗ 3110 |
| Модификации: | 3110-101, 3110-111, 3110-311, 3110-331, 3110-341, 3110-411, 3110-441 |
| Название детали: | Шайба 6 |
| Номер детали: | 293221-П29 |
| Актуальность: | 01.10.1997 |
| Количество: | |
10 - для автомобилей с двигателем ЗМЗ-4062.10
10 - для автомобилей с двигателями ЗМЗ-402.10 и ЗМЗ-4021.10
Подробная информация
| Автомобиль: | ГАЗ 3110 |
| Модификации: | 3110-101, 3110-111, 3110-311, 3110-331, 3110-341, 3110-411, 3110-441 |
| Название детали: | Болт М6-6gх12 |
| Номер детали: | 201416-П29 |
| Актуальность: | 01.10.1997 |
| Количество: | |
64 - для автомобилей с двигателем ЗМЗ-4062.10
63 - для автомобилей с двигателями ЗМЗ-402.10 и ЗМЗ-4021.10
Подробная информация
| Автомобиль: | ГАЗ 3110 |
| Модификации: | 3110-101, 3110-111, 3110-311, 3110-331, 3110-341, 3110-411, 3110-441 |
| Название детали: | Заглушка |
| Номер детали: | 24-6106060 |
| Актуальность: | 01.10.1997 |
| Количество: | |
20 - для автомобилей с двигателем ЗМЗ-4062.10
20 - для автомобилей с двигателями ЗМЗ-402.10 и ЗМЗ-4021.10
Подробная информация
| Автомобиль: | ГАЗ 3110 |
| Модификации: | 3110-101, 3110-111, 3110-311, 3110-331, 3110-341, 3110-411, 3110-441 |
| Название детали: | Уплотнитель передней двери правый и задней двери левый |
| Номер детали: | 31029-6107018 |
| Актуальность: | 01.10.1997 |
| Количество: | |
2 - для автомобилей с двигателем ЗМЗ-4062.10
2 - для автомобилей с двигателями ЗМЗ-402.10 и ЗМЗ-4021.10
Подробная информация
| Автомобиль: | ГАЗ 3110 |
| Модификации: | 3110-101, 3110-111, 3110-311, 3110-331, 3110-341, 3110-411, 3110-441 |
| Название детали: | Болт М6-6gх10 |
| Номер детали: | 201415-П29 |
| Актуальность: | 01.10.1997 |
| Количество: | |
17 - для автомобилей с двигателем ЗМЗ-4062.10
17 - для автомобилей с двигателями ЗМЗ-402.10 и ЗМЗ-4021.10
Подробная информация
| Автомобиль: | ГАЗ 3110 |
| Модификации: | 3110-101, 3110-111, 3110-311, 3110-331, 3110-341, 3110-411, 3110-441 |
| Название детали: | Дверь передняя правая (сварка) |
| Номер детали: | 31011-6100014 |
| Актуальность: | 01.10.1997 |
| Количество: | |
1 - для автомобилей с двигателем ЗМЗ-4062.10
1 - для автомобилей с двигателями ЗМЗ-402.10 и ЗМЗ-4021.10
Подробная информация
| Автомобиль: | ГАЗ 3110 |
| Модификации: | 3110-101, 3110-111, 3110-311, 3110-331, 3110-341, 3110-411, 3110-441 |
| Название детали: | Ручка подлокотника левая |
| Номер детали: | 3110-6102307 |
| Актуальность: | 01.10.1997 |
| Количество: | |
2 - для автомобилей с двигателем ЗМЗ-4062.10
2 - для автомобилей с двигателями ЗМЗ-402.10 и ЗМЗ-4021.10
Подробная информация
| Автомобиль: | ГАЗ 3110 |
| Модификации: | 3110-101, 3110-111, 3110-311, 3110-331, 3110-341, 3110-411, 3110-441 |
| Название детали: | Шайба 10Л |
| Номер детали: | 252156-П2 |
| Актуальность: | 01.10.1997 |
| Количество: | |
57 - для автомобилей с двигателем ЗМЗ-4062.10
80 - для автомобилей с двигателями ЗМЗ-402.10 и ЗМЗ-4021.10
Подробная информация
| Автомобиль: | ГАЗ 3110 |
| Модификации: | 3110-101, 3110-111, 3110-311, 3110-331, 3110-341, 3110-411, 3110-441 |
| Название детали: | Болт М10х1-6gх25 |
| Номер детали: | 201518-П8 |
| Актуальность: | 01.10.1997 |
| Количество: | |
20 - для автомобилей с двигателем ЗМЗ-4062.10
20 - для автомобилей с двигателями ЗМЗ-402.10 и ЗМЗ-4021.10
Подробная информация
| Автомобиль: | ГАЗ 3110 |
| Модификации: | 3110-101, 3110-111, 3110-311, 3110-331, 3110-341, 3110-411, 3110-441 |
| Название детали: | Дверь передняя левая (сварка) |
| Номер детали: | 3110-6100015-10 |
| Актуальность: | 01.10.1997 |
| Количество: | |
1 - для автомобилей с двигателем ЗМЗ-4062.10
1 - для автомобилей с двигателями ЗМЗ-402.10 и ЗМЗ-4021.10
Подробная информация
| Автомобиль: | ГАЗ 3110 |
| Модификации: | 3110-101, 3110-111, 3110-311, 3110-331, 3110-341, 3110-411, 3110-441 |
| Название детали: | Стопор ограничителя дверей |
| Номер детали: | 3102-6106180 |
| Актуальность: | 01.10.1997 |
| Количество: | |
4 - для автомобилей с двигателем ЗМЗ-4062.10
4 - для автомобилей с двигателями ЗМЗ-402.10 и ЗМЗ-4021.10
Подробная информация
| Автомобиль: | ГАЗ 3110 |
| Модификации: | 3110-101, 3110-111, 3110-311, 3110-331, 3110-341, 3110-411, 3110-441 |
| Название детали: | Шайба 6 |
| Номер детали: | 252174-П29 |
| Актуальность: | 01.10.1997 |
| Количество: | |
20 - для автомобилей с двигателем ЗМЗ-4062.10
22 - для автомобилей с двигателями ЗМЗ-402.10 и ЗМЗ-4021.10
Подробная информация
| Автомобиль: | ГАЗ 3110 |
| Модификации: | 3110-101, 3110-111, 3110-311, 3110-331, 3110-341, 3110-411, 3110-441 |
| Название детали: | Болт М10х1-6gх25 |
| Номер детали: | 201518-П29 |
| Актуальность: | 01.10.1997 |
| Количество: | |
4 - для автомобилей с двигателем ЗМЗ-4062.10
4 - для автомобилей с двигателями ЗМЗ-402.10 и ЗМЗ-4021.10
Подробная информация
| Автомобиль: | ГАЗ 3110 |
| Модификации: | 3110-101, 3110-111, 3110-311, 3110-331, 3110-341, 3110-411, 3110-441 |
| Название детали: | Гайкодержатель с гайкой |
| Номер детали: | 31029-3711037 |
| Актуальность: | 01.10.1997 |
| Количество: | |
29 - для автомобилей с двигателем ЗМЗ-4062.10
29 - для автомобилей с двигателями ЗМЗ-402.10 и ЗМЗ-4021.10
Подробная информация
| Автомобиль: | ГАЗ 3110 |
| Модификации: | 3110-101, 3110-111, 3110-311, 3110-331, 3110-341, 3110-411, 3110-441 |
| Название детали: | Ролик стопора ограничителя |
| Номер детали: | 24-6106184 |
| Актуальность: | 01.10.1997 |
| Количество: | |
8 - для автомобилей с двигателем ЗМЗ-4062.10
8 - для автомобилей с двигателями ЗМЗ-402.10 и ЗМЗ-4021.10
Подробная информация
| Автомобиль: | ГАЗ 3110 |
| Модификации: | 3110-101, 3110-111, 3110-311, 3110-331, 3110-341, 3110-411, 3110-441 |
| Название детали: | Шайба 6 |
| Номер детали: | 45 9952 6092 |
| Актуальность: | 01.10.1997 |
| Количество: | |
38 - для автомобилей с двигателем ЗМЗ-4062.10
37 - для автомобилей с двигателями ЗМЗ-402.10 и ЗМЗ-4021.10
Подробная информация
| Автомобиль: | ГАЗ 3110 |
| Модификации: | 3110-101, 3110-111, 3110-311, 3110-331, 3110-341, 3110-411, 3110-441 |
| Название детали: | Уплотнитель передней двери левый и задней двери правый |
| Номер детали: | 31029-6107019 |
| Актуальность: | 01.10.1997 |
| Количество: | |
2 - для автомобилей с двигателем ЗМЗ-4062.10
2 - для автомобилей с двигателями ЗМЗ-402.10 и ЗМЗ-4021.10
№
Номер запчасти
Наименование запчасти