- Автозапчасти ВАЗ
- Автозапчасти ГАЗ
- Автозапчасти на иномарки
- Автохимия, масла
- Подбор масла
- Инструменты, аксессуары
- Метизы
- Прочее, Москвич
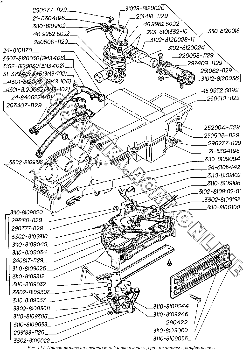
Привод управления вентиляцией и отоплением, кран отопителя, трубопроводы ГАЗ 3110 (3110-101, 3110-111, 3110-311, 3110-331, 3110-341, 3110-411, 3110-441)
Привод управления вентиляцией и отоплением, кран отопителя, трубопроводы
+
Увеличить изображение на 10%
-
Уменьшить изображение на 10%
Выделение детали в таблице
Прокрутка картинки
Увеличить масштаб
290277-П29
290277-П29
290377-П29
201418-П29
240817-П29
290422
220058-П29
24-8406224-01
251082-П29
24-6105442
31029-8120020
3110-8120018
3110-8109026
3110-8109312
3110-8109060
3110-8109246
3102-8109102-01
3110-8109102
3110-8109102
3302-8109307
3110-8109306
3102-8120024
3110-8109033
3302-8109022
3110-8109020
2101-8101332-10
3110-8109056
3110-8109037
3110-8109034
21-5304198
21-5304198
3302-8109198
3302-8109198
250610-П29
3110-8109032
3110-8109040
51-3724073-Б
3102-8120028-11
3110-8109244
3110-8109100
3110-8109094
3110-8109106
24-8101170
297409-П29
297407-П29
293188-П29
293188-П29
45 9952 6092
45 9952 6092
45 9952 6092
252004-П29
3302-8109310
3302-8109308
31012-8120036
3102-8120030
3307-8120030
4301-8120032
250508-П29
4301-8120034
250608-П29
Подробная информация
| Автомобиль: | ГАЗ 3110 |
| Модификации: | 3110-101, 3110-111, 3110-311, 3110-331, 3110-341, 3110-411, 3110-441 |
| Название детали: | Болт М4-6hх8 |
| Номер детали: | 290277-П29 |
| Актуальность: | 01.10.1997 |
| Количество: | |
4 - для автомобилей с двигателем ЗМЗ-4062.10
4 - для автомобилей с двигателями ЗМЗ-402.10 и ЗМЗ-4021.10
Подробная информация
| Автомобиль: | ГАЗ 3110 |
| Модификации: | 3110-101, 3110-111, 3110-311, 3110-331, 3110-341, 3110-411, 3110-441 |
| Название детали: | Болт М5-6gх9 |
| Номер детали: | 290377-П29 |
| Актуальность: | 01.10.1997 |
| Количество: | |
11 - для автомобилей с двигателем ЗМЗ-4062.10
11 - для автомобилей с двигателями ЗМЗ-402.10 и ЗМЗ-4021.10
Подробная информация
| Автомобиль: | ГАЗ 3110 |
| Модификации: | 3110-101, 3110-111, 3110-311, 3110-331, 3110-341, 3110-411, 3110-441 |
| Название детали: | Болт М6-6gх16 |
| Номер детали: | 201418-П29 |
| Актуальность: | 01.10.1997 |
| Количество: | |
54 - для автомобилей с двигателем ЗМЗ-4062.10
52 - для автомобилей с двигателями ЗМЗ-402.10 и ЗМЗ-4021.10
Подробная информация
| Автомобиль: | ГАЗ 3110 |
| Модификации: | 3110-101, 3110-111, 3110-311, 3110-331, 3110-341, 3110-411, 3110-441 |
| Название детали: | Винт 4х10 |
| Номер детали: | 240817-П29 |
| Актуальность: | 01.10.1997 |
| Количество: | |
21 - для автомобилей с двигателем ЗМЗ-4062.10
21 - для автомобилей с двигателями ЗМЗ-402.10 и ЗМЗ-4021.10
Подробная информация
| Автомобиль: | ГАЗ 3110 |
| Модификации: | 3110-101, 3110-111, 3110-311, 3110-331, 3110-341, 3110-411, 3110-441 |
| Название детали: | Винт 5х35 |
| Номер детали: | 290422 |
| Актуальность: | 01.10.1997 |
| Количество: | |
2 - для автомобилей с двигателем ЗМЗ-4062.10
2 - для автомобилей с двигателями ЗМЗ-402.10 и ЗМЗ-4021.10
Подробная информация
| Автомобиль: | ГАЗ 3110 |
| Модификации: | 3110-101, 3110-111, 3110-311, 3110-331, 3110-341, 3110-411, 3110-441 |
| Название детали: | Винт М4-6gх25 |
| Номер детали: | 220058-П29 |
| Актуальность: | 01.10.1997 |
| Количество: | |
8 - для автомобилей с двигателем ЗМЗ-4062.10
8 - для автомобилей с двигателями ЗМЗ-402.10 и ЗМЗ-4021.10
Подробная информация
| Автомобиль: | ГАЗ 3110 |
| Модификации: | 3110-101, 3110-111, 3110-311, 3110-331, 3110-341, 3110-411, 3110-441 |
| Название детали: | Втулка |
| Номер детали: | 24-8406224-01 |
| Актуальность: | 01.10.1997 |
| Количество: | |
Подробная информация
| Автомобиль: | ГАЗ 3110 |
| Модификации: | 3110-101, 3110-111, 3110-311, 3110-331, 3110-341, 3110-411, 3110-441 |
| Название детали: | Гайка М4-6Н |
| Номер детали: | 251082-П29 |
| Актуальность: | 01.10.1997 |
| Количество: | |
45 - для автомобилей с двигателем ЗМЗ-4062.10
34 - для автомобилей с двигателями ЗМЗ-402.10 и ЗМЗ-4021.10
Подробная информация
| Автомобиль: | ГАЗ 3110 |
| Модификации: | 3110-101, 3110-111, 3110-311, 3110-331, 3110-341, 3110-411, 3110-441 |
| Название детали: | Зажим тяги |
| Номер детали: | 24-6105442 |
| Актуальность: | 01.10.1997 |
| Количество: | |
13 - для автомобилей с двигателем ЗМЗ-4062.10
13 - для автомобилей с двигателями ЗМЗ-402.10 и ЗМЗ-4021.10
Подробная информация
| Автомобиль: | ГАЗ 3110 |
| Модификации: | 3110-101, 3110-111, 3110-311, 3110-331, 3110-341, 3110-411, 3110-441 |
| Название детали: | Кран отопителя |
| Номер детали: | 31029-8120020 |
| Актуальность: | 01.10.1997 |
| Количество: | |
1 - для автомобилей с двигателем ЗМЗ-4062.10
1 - для автомобилей с двигателями ЗМЗ-402.10 и ЗМЗ-4021.10
Подробная информация
| Автомобиль: | ГАЗ 3110 |
| Модификации: | 3110-101, 3110-111, 3110-311, 3110-331, 3110-341, 3110-411, 3110-441 |
| Название детали: | Кран отопителя с трубкой и шлангом |
| Номер детали: | 3110-8120018 |
| Актуальность: | 01.10.1997 |
| Количество: | |
1 - для автомобилей с двигателем ЗМЗ-4062.10
1 - для автомобилей с двигателями ЗМЗ-402.10 и ЗМЗ-4021.10
Подробная информация
| Автомобиль: | ГАЗ 3110 |
| Модификации: | 3110-101, 3110-111, 3110-311, 3110-331, 3110-341, 3110-411, 3110-441 |
| Название детали: | Кронштейн привода |
| Номер детали: | 3110-8109026 |
| Актуальность: | 01.10.1997 |
| Количество: | |
1 - для автомобилей с двигателем ЗМЗ-4062.10
1 - для автомобилей с двигателями ЗМЗ-402.10 и ЗМЗ-4021.10
Подробная информация
| Автомобиль: | ГАЗ 3110 |
| Модификации: | 3110-101, 3110-111, 3110-311, 3110-331, 3110-341, 3110-411, 3110-441 |
| Название детали: | Направляющая привода |
| Номер детали: | 3110-8109312 |
| Актуальность: | 01.10.1997 |
| Количество: | |
2 - для автомобилей с двигателем ЗМЗ-4062.10
2 - для автомобилей с двигателями ЗМЗ-402.10 и ЗМЗ-4021.10
Подробная информация
| Автомобиль: | ГАЗ 3110 |
| Модификации: | 3110-101, 3110-111, 3110-311, 3110-331, 3110-341, 3110-411, 3110-441 |
| Название детали: | Облицовка привода вентиляции и отопления |
| Номер детали: | 3110-8109060 |
| Актуальность: | 01.10.1997 |
| Количество: | |
1 - для автомобилей с двигателем ЗМЗ-4062.10
1 - для автомобилей с двигателями ЗМЗ-402.10 и ЗМЗ-4021.10
Подробная информация
| Автомобиль: | ГАЗ 3110 |
| Модификации: | 3110-101, 3110-111, 3110-311, 3110-331, 3110-341, 3110-411, 3110-441 |
| Название детали: | Оболочка тяги вентиляции |
| Номер детали: | 3110-8109246 |
| Актуальность: | 01.10.1997 |
| Количество: | |
1 - для автомобилей с двигателем ЗМЗ-4062.10
1 - для автомобилей с двигателями ЗМЗ-402.10 и ЗМЗ-4021.10
Подробная информация
| Автомобиль: | ГАЗ 3110 |
| Модификации: | 3110-101, 3110-111, 3110-311, 3110-331, 3110-341, 3110-411, 3110-441 |
| Название детали: | Оболочка тяги заслонки воздухопритока |
| Номер детали: | 3102-8109102-01 |
| Актуальность: | 01.10.1997 |
| Количество: | |
1 - для автомобилей с двигателем ЗМЗ-4062.10
1 - для автомобилей с двигателями ЗМЗ-402.10 и ЗМЗ-4021.10
Подробная информация
| Автомобиль: | ГАЗ 3110 |
| Модификации: | 3110-101, 3110-111, 3110-311, 3110-331, 3110-341, 3110-411, 3110-441 |
| Название детали: | Оболочка тяги крана |
| Номер детали: | 3110-8109102 |
| Актуальность: | 01.10.1997 |
| Количество: | |
1 - для автомобилей с двигателем ЗМЗ-4062.10
1 - для автомобилей с двигателями ЗМЗ-402.10 и ЗМЗ-4021.10
Подробная информация
| Автомобиль: | ГАЗ 3110 |
| Модификации: | 3110-101, 3110-111, 3110-311, 3110-331, 3110-341, 3110-411, 3110-441 |
| Название детали: | Ось рычага |
| Номер детали: | 3302-8109307 |
| Актуальность: | 01.10.1997 |
| Количество: | |
4 - для автомобилей с двигателем ЗМЗ-4062.10
4 - для автомобилей с двигателями ЗМЗ-402.10 и ЗМЗ-4021.10
Подробная информация
| Автомобиль: | ГАЗ 3110 |
| Модификации: | 3110-101, 3110-111, 3110-311, 3110-331, 3110-341, 3110-411, 3110-441 |
| Название детали: | Ось рычага длинная |
| Номер детали: | 3110-8109306 |
| Актуальность: | 01.10.1997 |
| Количество: | |
1 - для автомобилей с двигателем ЗМЗ-4062.10
1 - для автомобилей с двигателями ЗМЗ-402.10 и ЗМЗ-4021.10
Подробная информация
| Автомобиль: | ГАЗ 3110 |
| Модификации: | 3110-101, 3110-111, 3110-311, 3110-331, 3110-341, 3110-411, 3110-441 |
| Название детали: | Переходник под кран отопителя |
| Номер детали: | 3102-8120024 |
| Актуальность: | 01.10.1997 |
| Количество: | |
1 - для автомобилей с двигателем ЗМЗ-4062.10
1 - для автомобилей с двигателями ЗМЗ-402.10 и ЗМЗ-4021.10
Подробная информация
| Автомобиль: | ГАЗ 3110 |
| Модификации: | 3110-101, 3110-111, 3110-311, 3110-331, 3110-341, 3110-411, 3110-441 |
| Название детали: | Поводок ползуна |
| Номер детали: | 3110-8109033 |
| Актуальность: | 01.10.1997 |
| Количество: | |
4 - для автомобилей с двигателем ЗМЗ-4062.10
4 - для автомобилей с двигателями ЗМЗ-402.10 и ЗМЗ-4021.10
Подробная информация
| Автомобиль: | ГАЗ 3110 |
| Модификации: | 3110-101, 3110-111, 3110-311, 3110-331, 3110-341, 3110-411, 3110-441 |
| Название детали: | Ползун привода управления |
| Номер детали: | 3302-8109022 |
| Актуальность: | 01.10.1997 |
| Количество: | |
2 - для автомобилей с двигателем ЗМЗ-4062.10
2 - для автомобилей с двигателями ЗМЗ-402.10 и ЗМЗ-4021.10
Подробная информация
| Автомобиль: | ГАЗ 3110 |
| Модификации: | 3110-101, 3110-111, 3110-311, 3110-331, 3110-341, 3110-411, 3110-441 |
| Название детали: | Привод управления вентиляцией и отоплением |
| Номер детали: | 3110-8109020 |
| Актуальность: | 01.10.1997 |
| Количество: | |
1 - для автомобилей с двигателем ЗМЗ-4062.10
1 - для автомобилей с двигателями ЗМЗ-402.10 и ЗМЗ-4021.10
Подробная информация
| Автомобиль: | ГАЗ 3110 |
| Модификации: | 3110-101, 3110-111, 3110-311, 3110-331, 3110-341, 3110-411, 3110-441 |
| Название детали: | Прокладка крана отопителя |
| Номер детали: | 2101-8101332-10 |
| Актуальность: | 01.10.1997 |
| Количество: | |
2 - для автомобилей с двигателем ЗМЗ-4062.10
2 - для автомобилей с двигателями ЗМЗ-402.10 и ЗМЗ-4021.10
Подробная информация
| Автомобиль: | ГАЗ 3110 |
| Модификации: | 3110-101, 3110-111, 3110-311, 3110-331, 3110-341, 3110-411, 3110-441 |
| Название детали: | Ручка привода вентиляции и отопления |
| Номер детали: | 3110-8109056 |
| Актуальность: | 01.10.1997 |
| Количество: | |
2 - для автомобилей с двигателем ЗМЗ-4062.10
2 - для автомобилей с двигателями ЗМЗ-402.10 и ЗМЗ-4021.10
Подробная информация
| Автомобиль: | ГАЗ 3110 |
| Модификации: | 3110-101, 3110-111, 3110-311, 3110-331, 3110-341, 3110-411, 3110-441 |
| Название детали: | Рычаг привода заслонки вентиляции |
| Номер детали: | 3110-8109037 |
| Актуальность: | 01.10.1997 |
| Количество: | |
1 - для автомобилей с двигателем ЗМЗ-4062.10
1 - для автомобилей с двигателями ЗМЗ-402.10 и ЗМЗ-4021.10
Подробная информация
| Автомобиль: | ГАЗ 3110 |
| Модификации: | 3110-101, 3110-111, 3110-311, 3110-331, 3110-341, 3110-411, 3110-441 |
| Название детали: | Рычаг привода заслонки воздухопритока |
| Номер детали: | 3110-8109034 |
| Актуальность: | 01.10.1997 |
| Количество: | |
1 - для автомобилей с двигателем ЗМЗ-4062.10
1 - для автомобилей с двигателями ЗМЗ-402.10 и ЗМЗ-4021.10
Подробная информация
| Автомобиль: | ГАЗ 3110 |
| Модификации: | 3110-101, 3110-111, 3110-311, 3110-331, 3110-341, 3110-411, 3110-441 |
| Название детали: | Зажим оболочки |
| Номер детали: | 21-5304198 |
| Актуальность: | 01.10.1997 |
| Количество: | |
2 - для автомобилей с двигателем ЗМЗ-4062.10
2 - для автомобилей с двигателями ЗМЗ-402.10 и ЗМЗ-4021.10
Подробная информация
| Автомобиль: | ГАЗ 3110 |
| Модификации: | 3110-101, 3110-111, 3110-311, 3110-331, 3110-341, 3110-411, 3110-441 |
| Название детали: | Зажим оболочки |
| Номер детали: | 3302-8109198 |
| Актуальность: | 01.10.1997 |
| Количество: | |
4 - для автомобилей с двигателем ЗМЗ-4062.10
4 - для автомобилей с двигателями ЗМЗ-402.10 и ЗМЗ-4021.10
Подробная информация
| Автомобиль: | ГАЗ 3110 |
| Модификации: | 3110-101, 3110-111, 3110-311, 3110-331, 3110-341, 3110-411, 3110-441 |
| Название детали: | Гайка М8-6Н |
| Номер детали: | 250610-П29 |
| Актуальность: | 01.10.1997 |
| Количество: | |
12 - для автомобилей с двигателем ЗМЗ-4062.10
8 - для автомобилей с двигателями ЗМЗ-402.10 и ЗМЗ-4021.10
Подробная информация
| Автомобиль: | ГАЗ 3110 |
| Модификации: | 3110-101, 3110-111, 3110-311, 3110-331, 3110-341, 3110-411, 3110-441 |
| Название детали: | Рычаг привода заслонки отопителя |
| Номер детали: | 3110-8109032 |
| Актуальность: | 01.10.1997 |
| Количество: | |
1 - для автомобилей с двигателем ЗМЗ-4062.10
1 - для автомобилей с двигателями ЗМЗ-402.10 и ЗМЗ-4021.10
Подробная информация
| Автомобиль: | ГАЗ 3110 |
| Модификации: | 3110-101, 3110-111, 3110-311, 3110-331, 3110-341, 3110-411, 3110-441 |
| Название детали: | Рычаг привода крана |
| Номер детали: | 3110-8109040 |
| Актуальность: | 01.10.1997 |
| Количество: | |
1 - для автомобилей с двигателем ЗМЗ-4062.10
1 - для автомобилей с двигателями ЗМЗ-402.10 и ЗМЗ-4021.10
Подробная информация
| Автомобиль: | ГАЗ 3110 |
| Модификации: | 3110-101, 3110-111, 3110-311, 3110-331, 3110-341, 3110-411, 3110-441 |
| Название детали: | Скоба крепления проводов |
| Номер детали: | 51-3724073-Б |
| Актуальность: | 01.10.1997 |
| Количество: | |
1 - для автомобилей с двигателями ЗМЗ-402.10 и ЗМЗ-4021.10
Подробная информация
| Автомобиль: | ГАЗ 3110 |
| Модификации: | 3110-101, 3110-111, 3110-311, 3110-331, 3110-341, 3110-411, 3110-441 |
| Название детали: | Трубка крана отопителя |
| Номер детали: | 3102-8120028-11 |
| Актуальность: | 01.10.1997 |
| Количество: | |
1 - для автомобилей с двигателем ЗМЗ-4062.10
1 - для автомобилей с двигателями ЗМЗ-402.10 и ЗМЗ-4021.10
Подробная информация
| Автомобиль: | ГАЗ 3110 |
| Модификации: | 3110-101, 3110-111, 3110-311, 3110-331, 3110-341, 3110-411, 3110-441 |
| Название детали: | Тяга управления заслонкой вентиляции |
| Номер детали: | 3110-8109244 |
| Актуальность: | 01.10.1997 |
| Количество: | |
1 - для автомобилей с двигателем ЗМЗ-4062.10
1 - для автомобилей с двигателями ЗМЗ-402.10 и ЗМЗ-4021.10
Подробная информация
| Автомобиль: | ГАЗ 3110 |
| Модификации: | 3110-101, 3110-111, 3110-311, 3110-331, 3110-341, 3110-411, 3110-441 |
| Название детали: | Тяга управления заслонкой воздухопритока |
| Номер детали: | 3110-8109100 |
| Актуальность: | 01.10.1997 |
| Количество: | |
1 - для автомобилей с двигателем ЗМЗ-4062.10
1 - для автомобилей с двигателями ЗМЗ-402.10 и ЗМЗ-4021.10
Подробная информация
| Автомобиль: | ГАЗ 3110 |
| Модификации: | 3110-101, 3110-111, 3110-311, 3110-331, 3110-341, 3110-411, 3110-441 |
| Название детали: | Тяга управления заслонкой отопителя |
| Номер детали: | 3110-8109094 |
| Актуальность: | 01.10.1997 |
| Количество: | |
1 - для автомобилей с двигателем ЗМЗ-4062.10
1 - для автомобилей с двигателями ЗМЗ-402.10 и ЗМЗ-4021.10
Подробная информация
| Автомобиль: | ГАЗ 3110 |
| Модификации: | 3110-101, 3110-111, 3110-311, 3110-331, 3110-341, 3110-411, 3110-441 |
| Название детали: | Тяга управления краном |
| Номер детали: | 3110-8109106 |
| Актуальность: | 01.10.1997 |
| Количество: | |
1 - для автомобилей с двигателем ЗМЗ-4062.10
1 - для автомобилей с двигателями ЗМЗ-402.10 и ЗМЗ-4021.10
Подробная информация
| Автомобиль: | ГАЗ 3110 |
| Модификации: | 3110-101, 3110-111, 3110-311, 3110-331, 3110-341, 3110-411, 3110-441 |
| Название детали: | Уплотнитель трубок радиатора |
| Номер детали: | 24-8101170 |
| Актуальность: | 01.10.1997 |
| Количество: | |
2 - для автомобилей с двигателем ЗМЗ-4062.10
2 - для автомобилей с двигателями ЗМЗ-402.10 и ЗМЗ-4021.10
Подробная информация
| Автомобиль: | ГАЗ 3110 |
| Модификации: | 3110-101, 3110-111, 3110-311, 3110-331, 3110-341, 3110-411, 3110-441 |
| Название детали: | Хомут 24 |
| Номер детали: | 297409-П29 |
| Актуальность: | 01.10.1997 |
| Количество: | |
4 - для автомобилей с двигателем ЗМЗ-4062.10
4 - для автомобилей с двигателями ЗМЗ-402.10 и ЗМЗ-4021.10
Подробная информация
| Автомобиль: | ГАЗ 3110 |
| Модификации: | 3110-101, 3110-111, 3110-311, 3110-331, 3110-341, 3110-411, 3110-441 |
| Название детали: | Хомут 26 |
| Номер детали: | 297407-П29 |
| Актуальность: | 01.10.1997 |
| Количество: | |
4 - для автомобилей с двигателем ЗМЗ-4062.10
4 - для автомобилей с двигателями ЗМЗ-402.10 и ЗМЗ-4021.10
Подробная информация
| Автомобиль: | ГАЗ 3110 |
| Модификации: | 3110-101, 3110-111, 3110-311, 3110-331, 3110-341, 3110-411, 3110-441 |
| Название детали: | Шайба 5 |
| Номер детали: | 293188-П29 |
| Актуальность: | 01.10.1997 |
| Количество: | |
5 - для автомобилей с двигателем ЗМЗ-4062.10
5 - для автомобилей с двигателями ЗМЗ-402.10 и ЗМЗ-4021.10
Подробная информация
| Автомобиль: | ГАЗ 3110 |
| Модификации: | 3110-101, 3110-111, 3110-311, 3110-331, 3110-341, 3110-411, 3110-441 |
| Название детали: | Шайба 6 |
| Номер детали: | 45 9952 6092 |
| Актуальность: | 01.10.1997 |
| Количество: | |
38 - для автомобилей с двигателем ЗМЗ-4062.10
37 - для автомобилей с двигателями ЗМЗ-402.10 и ЗМЗ-4021.10
Подробная информация
| Автомобиль: | ГАЗ 3110 |
| Модификации: | 3110-101, 3110-111, 3110-311, 3110-331, 3110-341, 3110-411, 3110-441 |
| Название детали: | Шайба 6 |
| Номер детали: | 252004-П29 |
| Актуальность: | 01.10.1997 |
| Количество: | |
80 - для автомобилей с двигателем ЗМЗ-4062.10
66 - для автомобилей с двигателями ЗМЗ-402.10 и ЗМЗ-4021.10
Подробная информация
| Автомобиль: | ГАЗ 3110 |
| Модификации: | 3110-101, 3110-111, 3110-311, 3110-331, 3110-341, 3110-411, 3110-441 |
| Название детали: | Шайба опорная |
| Номер детали: | 3302-8109310 |
| Актуальность: | 01.10.1997 |
| Количество: | |
4 - для автомобилей с двигателем ЗМЗ-4062.10
4 - для автомобилей с двигателями ЗМЗ-402.10 и ЗМЗ-4021.10
Подробная информация
| Автомобиль: | ГАЗ 3110 |
| Модификации: | 3110-101, 3110-111, 3110-311, 3110-331, 3110-341, 3110-411, 3110-441 |
| Название детали: | Шайба пружинная |
| Номер детали: | 3302-8109308 |
| Актуальность: | 01.10.1997 |
| Количество: | |
5 - для автомобилей с двигателем ЗМЗ-4062.10
5 - для автомобилей с двигателями ЗМЗ-402.10 и ЗМЗ-4021.10
Подробная информация
| Автомобиль: | ГАЗ 3110 |
| Модификации: | 3110-101, 3110-111, 3110-311, 3110-331, 3110-341, 3110-411, 3110-441 |
| Название детали: | Шланг от крана к отопителю |
| Номер детали: | 31012-8120036 |
| Актуальность: | 01.10.1997 |
| Количество: | |
1 - для автомобилей с двигателем ЗМЗ-4062.10
1 - для автомобилей с двигателями ЗМЗ-402.10 и ЗМЗ-4021.10
Подробная информация
| Автомобиль: | ГАЗ 3110 |
| Модификации: | 3110-101, 3110-111, 3110-311, 3110-331, 3110-341, 3110-411, 3110-441 |
| Название детали: | Шланг отводящий |
| Номер детали: | 3102-8120030 |
| Актуальность: | 01.10.1997 |
| Количество: | |
1 - для автомобилей с двигателями ЗМЗ-402.10 и ЗМЗ-4021.10
Подробная информация
| Автомобиль: | ГАЗ 3110 |
| Модификации: | 3110-101, 3110-111, 3110-311, 3110-331, 3110-341, 3110-411, 3110-441 |
| Название детали: | Шланг отводящий |
| Номер детали: | 3307-8120030 |
| Актуальность: | 01.10.1997 |
| Количество: | |
1 - для автомобилей с двигателем ЗМЗ-4062.10
Подробная информация
| Автомобиль: | ГАЗ 3110 |
| Модификации: | 3110-101, 3110-111, 3110-311, 3110-331, 3110-341, 3110-411, 3110-441 |
| Название детали: | Шланг подводящий |
| Номер детали: | 4301-8120032 |
| Актуальность: | 01.10.1997 |
| Количество: | |
1 - для автомобилей с двигателями ЗМЗ-402.10 и ЗМЗ-4021.10
Подробная информация
| Автомобиль: | ГАЗ 3110 |
| Модификации: | 3110-101, 3110-111, 3110-311, 3110-331, 3110-341, 3110-411, 3110-441 |
| Название детали: | Гайка М6-6Н |
| Номер детали: | 250508-П29 |
| Актуальность: | 01.10.1997 |
| Количество: | |
32 - для автомобилей с двигателем ЗМЗ-4062.10
32 - для автомобилей с двигателями ЗМЗ-402.10 и ЗМЗ-4021.10
Подробная информация
| Автомобиль: | ГАЗ 3110 |
| Модификации: | 3110-101, 3110-111, 3110-311, 3110-331, 3110-341, 3110-411, 3110-441 |
| Название детали: | Шланг подводящий |
| Номер детали: | 4301-8120034 |
| Актуальность: | 01.10.1997 |
| Количество: | |
1 - для автомобилей с двигателем ЗМЗ-4062.10
Подробная информация
| Автомобиль: | ГАЗ 3110 |
| Модификации: | 3110-101, 3110-111, 3110-311, 3110-331, 3110-341, 3110-411, 3110-441 |
| Название детали: | Гайка М6-6Н |
| Номер детали: | 250608-П29 |
| Актуальность: | 01.10.1997 |
| Количество: | |
43 - для автомобилей с двигателем ЗМЗ-4062.10
30 - для автомобилей с двигателями ЗМЗ-402.10 и ЗМЗ-4021.10
№
Номер запчасти
Наименование запчасти