- Автозапчасти ВАЗ
- Автозапчасти ГАЗ
- Автозапчасти на иномарки
- Автохимия, масла
- Подбор масла
- Инструменты, аксессуары
- Метизы
- Прочее, Москвич
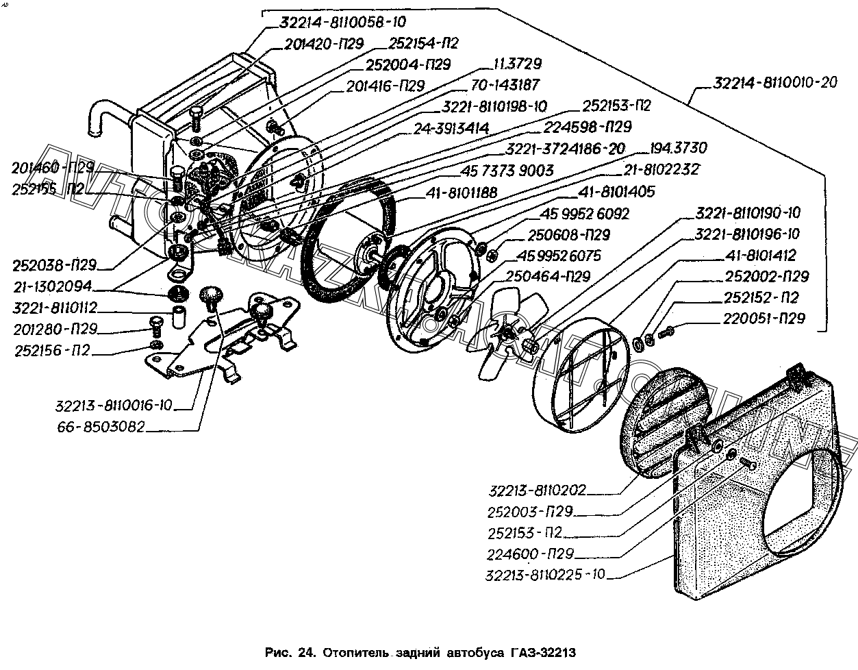
Отопитель задний автобуса ГАЗ-32213 ГАЗ 3221 (3221-000012, 3221-000014, 3221-000024, 32213, 32213-000012, 32213-000014, 32213-000024)
+
Увеличить изображение на 10%
-
Уменьшить изображение на 10%
Выделение детали в таблице
Прокрутка картинки
Увеличить масштаб
224598-П29
3221-8110196-10
32213-8110225-10
32214-8110010-20
21-1302094
41-8101188
21-8102232
32214-8110058-10
32213-8110202
41-8101405
45 9952 6075
252153-П2
252153-П2
252154-П2
252155-П29
24-3913414
45 7373 9003
11.3729
70-143187
252156-П2
252002-П29
252152-П2
252003-П29
45 9952 6092
252038-П29
220051-П29
3221-8110112
3221-8110198-10
201280-П29
201416-П29
201420-П29
201460-П29
66-8503082
3221-8110190-10
41-8101412
224600-П29
3221-3724186-20
32213-8110016-10
250464-П29
250608-П29
252004-П29
194.3730
Подробная информация
| Автомобиль: | ГАЗ 3221 |
| Модификации: | 3221-000012, 3221-000014, 3221-000024, 32213, 32213-000012, 32213-000014, 32213-000024 |
| Название детали: | Корпус переднего отопителя |
| Номер детали: | 3221-8101200 |
| Актуальность: | 01.09.1999 |
| Количество: | |
1 - для автомобилей ГАЗ-2705 с двигателями ЗМЗ-4061.10 и ЗМЗ-4063.10 / (доп. 3221)
1 - для автомобилей ГАЗ-2705 с двигателями ЗМЗ-4025.10 и ЗМЗ-4026.10 / (доп. 32213)
Подробная информация
| Автомобиль: | ГАЗ 3221 |
| Модификации: | 3221-000012, 3221-000014, 3221-000024, 32213, 32213-000012, 32213-000014, 32213-000024 |
| Название детали: | Винт М5-6gх12 |
| Номер детали: | 224598-П29 |
| Актуальность: | 01.09.1999 |
| Количество: | |
2 - для автомобилей ГАЗ-2705 с двигателями ЗМЗ-4025.10 и ЗМЗ-4026.10 / (доп. 32213)
Подробная информация
| Автомобиль: | ГАЗ 3221 |
| Модификации: | 3221-000012, 3221-000014, 3221-000024, 32213, 32213-000012, 32213-000014, 32213-000024 |
| Название детали: | Гайка крепления вентилятора |
| Номер детали: | 3221-8110196-10 |
| Актуальность: | 01.09.1999 |
| Количество: | |
1 - для автомобилей ГАЗ-2705 с двигателями ЗМЗ-4025.10 и ЗМЗ-4026.10 / (доп. 32213)
Подробная информация
| Автомобиль: | ГАЗ 3221 |
| Модификации: | 3221-000012, 3221-000014, 3221-000024, 32213, 32213-000012, 32213-000014, 32213-000024 |
| Название детали: | Ограждение отопителя |
| Номер детали: | 32213-8110225-10 |
| Актуальность: | 01.09.1999 |
| Количество: | |
1 - для автомобилей ГАЗ-2705 с двигателями ЗМЗ-4025.10 и ЗМЗ-4026.10 / (доп. 32213)
Подробная информация
| Автомобиль: | ГАЗ 3221 |
| Модификации: | 3221-000012, 3221-000014, 3221-000024, 32213, 32213-000012, 32213-000014, 32213-000024 |
| Название детали: | Отопитель задний |
| Номер детали: | 32214-8110010-20 |
| Актуальность: | 01.09.1999 |
| Количество: | |
1 - для автомобилей ГАЗ-2705 с двигателями ЗМЗ-4025.10 и ЗМЗ-4026.10 / (доп. 32213)
Подробная информация
| Автомобиль: | ГАЗ 3221 |
| Модификации: | 3221-000012, 3221-000014, 3221-000024, 32213, 32213-000012, 32213-000014, 32213-000024 |
| Название детали: | Прокладка |
| Номер детали: | 21-1302094 |
| Актуальность: | 01.09.1999 |
| Количество: | |
4 - для автомобилей ГАЗ-2705 с двигателями ЗМЗ-4061.10 и ЗМЗ-4063.10 / (доп. 3221)
4 - для автомобилей ГАЗ-2705 с двигателями ЗМЗ-4025.10 и ЗМЗ-4026.10 / (доп. 32213)
Подробная информация
| Автомобиль: | ГАЗ 3221 |
| Модификации: | 3221-000012, 3221-000014, 3221-000024, 32213, 32213-000012, 32213-000014, 32213-000024 |
| Название детали: | Прокладка кожуха отопителя |
| Номер детали: | 41-8101188 |
| Актуальность: | 01.09.1999 |
| Количество: | |
1 - для автомобилей ГАЗ-2705 с двигателями ЗМЗ-4025.10 и ЗМЗ-4026.10 / (доп. 32213)
Подробная информация
| Автомобиль: | ГАЗ 3221 |
| Модификации: | 3221-000012, 3221-000014, 3221-000024, 32213, 32213-000012, 32213-000014, 32213-000024 |
| Название детали: | Прокладка электродвигателя |
| Номер детали: | 21-8102232 |
| Актуальность: | 01.09.1999 |
| Количество: | |
1 - для автомобилей ГАЗ-2705 с двигателями ЗМЗ-4061.10 и ЗМЗ-4063.10 / (доп. 3221)
1 - для автомобилей ГАЗ-2705 с двигателями ЗМЗ-4025.10 и ЗМЗ-4026.10 / (доп. 32213)
Подробная информация
| Автомобиль: | ГАЗ 3221 |
| Модификации: | 3221-000012, 3221-000014, 3221-000024, 32213, 32213-000012, 32213-000014, 32213-000024 |
| Название детали: | Радиатор заднего отопителя с кожухом |
| Номер детали: | 32214-8110058-10 |
| Актуальность: | 01.09.1999 |
| Количество: | |
1 - для автомобилей ГАЗ-2705 с двигателями ЗМЗ-4025.10 и ЗМЗ-4026.10 / (доп. 32213)
Подробная информация
| Автомобиль: | ГАЗ 3221 |
| Модификации: | 3221-000012, 3221-000014, 3221-000024, 32213, 32213-000012, 32213-000014, 32213-000024 |
| Название детали: | Решетка ограждения |
| Номер детали: | 32213-8110202 |
| Актуальность: | 01.09.1999 |
| Количество: | |
1 - для автомобилей ГАЗ-2705 с двигателями ЗМЗ-4025.10 и ЗМЗ-4026.10 / (доп. 32213)
Подробная информация
| Автомобиль: | ГАЗ 3221 |
| Модификации: | 3221-000012, 3221-000014, 3221-000024, 32213, 32213-000012, 32213-000014, 32213-000024 |
| Название детали: | Фланец крепления электродвигателя |
| Номер детали: | 41-8101405 |
| Актуальность: | 01.09.1999 |
| Количество: | |
1 - для автомобилей ГАЗ-2705 с двигателями ЗМЗ-4025.10 и ЗМЗ-4026.10 / (доп. 32213)
Подробная информация
| Автомобиль: | ГАЗ 3221 |
| Модификации: | 3221-000012, 3221-000014, 3221-000024, 32213, 32213-000012, 32213-000014, 32213-000024 |
| Название детали: | Шайба 5 |
| Номер детали: | 45 9952 6075 |
| Актуальность: | 01.09.1999 |
| Количество: | |
Подробная информация
| Автомобиль: | ГАЗ 3221 |
| Модификации: | 3221-000012, 3221-000014, 3221-000024, 32213, 32213-000012, 32213-000014, 32213-000024 |
| Название детали: | Шайба 5Л |
| Номер детали: | 252153-П2 |
| Актуальность: | 01.09.1999 |
| Количество: | |
80 - для автомобилей ГАЗ-2705 с двигателями ЗМЗ-4061.10 и ЗМЗ-4063.10 / (доп. 3221)
49 - для автомобилей ГАЗ-2705 с двигателями ЗМЗ-4025.10 и ЗМЗ-4026.10 / (доп. 32213)
Подробная информация
| Автомобиль: | ГАЗ 3221 |
| Модификации: | 3221-000012, 3221-000014, 3221-000024, 32213, 32213-000012, 32213-000014, 32213-000024 |
| Название детали: | Шайба 6,1Л |
| Номер детали: | 252154-П2 |
| Актуальность: | 01.09.1999 |
| Количество: | |
Подробная информация
| Автомобиль: | ГАЗ 3221 |
| Модификации: | 3221-000012, 3221-000014, 3221-000024, 32213, 32213-000012, 32213-000014, 32213-000024 |
| Название детали: | Шайба 8,1Л |
| Номер детали: | 252155-П29 |
| Актуальность: | 01.09.1999 |
| Количество: | |
Подробная информация
| Автомобиль: | ГАЗ 3221 |
| Модификации: | 3221-000012, 3221-000014, 3221-000024, 32213, 32213-000012, 32213-000014, 32213-000024 |
| Название детали: | Буфер головки |
| Номер детали: | 24-3913414 |
| Актуальность: | 01.09.1999 |
| Количество: | |
1 - для автомобилей ГАЗ-2705 с двигателями ЗМЗ-4025.10 и ЗМЗ-4026.10 / (доп. 32213)
Подробная информация
| Автомобиль: | ГАЗ 3221 |
| Модификации: | 3221-000012, 3221-000014, 3221-000024, 32213, 32213-000012, 32213-000014, 32213-000024 |
| Название детали: | Колодка гнездовая |
| Номер детали: | 45 7373 9003 |
| Актуальность: | 01.09.1999 |
| Количество: | |
Подробная информация
| Автомобиль: | ГАЗ 3221 |
| Модификации: | 3221-000012, 3221-000014, 3221-000024, 32213, 32213-000012, 32213-000014, 32213-000024 |
| Название детали: | Сопротивление в цепи заднего отопителя |
| Номер детали: | 11.3729 |
| Актуальность: | 01.09.1999 |
| Количество: | |
1 - для автомобилей ГАЗ-2705 с двигателями ЗМЗ-4061.10 и ЗМЗ-4063.10 / (доп. 3221)
1 - для автомобилей ГАЗ-2705 с двигателями ЗМЗ-4025.10 и ЗМЗ-4026.10 / (доп. 32213)
Подробная информация
| Автомобиль: | ГАЗ 3221 |
| Модификации: | 3221-000012, 3221-000014, 3221-000024, 32213, 32213-000012, 32213-000014, 32213-000024 |
| Название детали: | Уплотнитель проводов |
| Номер детали: | 70-143187 |
| Актуальность: | 01.09.1999 |
| Количество: | |
1 - для автомобилей ГАЗ-2705 с двигателями ЗМЗ-4025.10 и ЗМЗ-4026.10 / (доп. 32213)
Подробная информация
| Автомобиль: | ГАЗ 3221 |
| Модификации: | 3221-000012, 3221-000014, 3221-000024, 32213, 32213-000012, 32213-000014, 32213-000024 |
| Название детали: | Шайба 10Л |
| Номер детали: | 252156-П2 |
| Актуальность: | 01.09.1999 |
| Количество: | |
104 - для автомобилей ГАЗ-2705 с двигателями ЗМЗ-4061.10 и ЗМЗ-4063.10 / (доп. 3221)
32 - для автомобилей ГАЗ-2705 с двигателями ЗМЗ-4025.10 и ЗМЗ-4026.10 / (доп. 32213)
Подробная информация
| Автомобиль: | ГАЗ 3221 |
| Модификации: | 3221-000012, 3221-000014, 3221-000024, 32213, 32213-000012, 32213-000014, 32213-000024 |
| Название детали: | Шайба 4,2 |
| Номер детали: | 252002-П29 |
| Актуальность: | 01.09.1999 |
| Количество: | |
Подробная информация
| Автомобиль: | ГАЗ 3221 |
| Модификации: | 3221-000012, 3221-000014, 3221-000024, 32213, 32213-000012, 32213-000014, 32213-000024 |
| Название детали: | Шайба 4Л |
| Номер детали: | 252152-П2 |
| Актуальность: | 01.09.1999 |
| Количество: | |
16 - для автомобилей ГАЗ-2705 с двигателями ЗМЗ-4061.10 и ЗМЗ-4063.10 / (доп. 3221)
3 - для автомобилей ГАЗ-2705 с двигателями ЗМЗ-4025.10 и ЗМЗ-4026.10 / (доп. 32213)
Подробная информация
| Автомобиль: | ГАЗ 3221 |
| Модификации: | 3221-000012, 3221-000014, 3221-000024, 32213, 32213-000012, 32213-000014, 32213-000024 |
| Название детали: | Шайба 5,3 |
| Номер детали: | 252003-П29 |
| Актуальность: | 01.09.1999 |
| Количество: | |
Подробная информация
| Автомобиль: | ГАЗ 3221 |
| Модификации: | 3221-000012, 3221-000014, 3221-000024, 32213, 32213-000012, 32213-000014, 32213-000024 |
| Название детали: | Шайба 6 |
| Номер детали: | 45 9952 6092 |
| Актуальность: | 01.09.1999 |
| Количество: | |
Подробная информация
| Автомобиль: | ГАЗ 3221 |
| Модификации: | 3221-000012, 3221-000014, 3221-000024, 32213, 32213-000012, 32213-000014, 32213-000024 |
| Название детали: | Шайба 8 |
| Номер детали: | 252038-П29 |
| Актуальность: | 01.09.1999 |
| Количество: | |
73 - для автомобилей ГАЗ-2705 с двигателями ЗМЗ-4061.10 и ЗМЗ-4063.10 / (доп. 3221)
77 - для автомобилей ГАЗ-2705 с двигателями ЗМЗ-4025.10 и ЗМЗ-4026.10 / (доп. 32213)
Подробная информация
| Автомобиль: | ГАЗ 3221 |
| Модификации: | 3221-000012, 3221-000014, 3221-000024, 32213, 32213-000012, 32213-000014, 32213-000024 |
| Название детали: | Винт М4-6gх10 |
| Номер детали: | 220051-П29 |
| Актуальность: | 01.09.1999 |
| Количество: | |
8 - для автомобилей ГАЗ-2705 с двигателями ЗМЗ-4061.10 и ЗМЗ-4063.10 / (доп. 3221)
3 - для автомобилей ГАЗ-2705 с двигателями ЗМЗ-4025.10 и ЗМЗ-4026.10 / (доп. 32213)
Подробная информация
| Автомобиль: | ГАЗ 3221 |
| Модификации: | 3221-000012, 3221-000014, 3221-000024, 32213, 32213-000012, 32213-000014, 32213-000024 |
| Название детали: | Втулка распорная |
| Номер детали: | 3221-8110112 |
| Актуальность: | 01.09.1999 |
| Количество: | |
2 - для автомобилей ГАЗ-2705 с двигателями ЗМЗ-4061.10 и ЗМЗ-4063.10 / (доп. 3221)
2 - для автомобилей ГАЗ-2705 с двигателями ЗМЗ-4025.10 и ЗМЗ-4026.10 / (доп. 32213)
Подробная информация
| Автомобиль: | ГАЗ 3221 |
| Модификации: | 3221-000012, 3221-000014, 3221-000024, 32213, 32213-000012, 32213-000014, 32213-000024 |
| Название детали: | Кронштейн сопротивления |
| Номер детали: | 3221-8110198-10 |
| Актуальность: | 01.09.1999 |
| Количество: | |
1 - для автомобилей ГАЗ-2705 с двигателями ЗМЗ-4025.10 и ЗМЗ-4026.10 / (доп. 32213)
Подробная информация
| Автомобиль: | ГАЗ 3221 |
| Модификации: | 3221-000012, 3221-000014, 3221-000024, 32213, 32213-000012, 32213-000014, 32213-000024 |
| Название детали: | Болт М10-4hх20 |
| Номер детали: | 201280-П29 |
| Актуальность: | 01.09.1999 |
| Количество: | |
2 - для автомобилей ГАЗ-2705 с двигателями ЗМЗ-4025.10 и ЗМЗ-4026.10 / (доп. 32213)
Подробная информация
| Автомобиль: | ГАЗ 3221 |
| Модификации: | 3221-000012, 3221-000014, 3221-000024, 32213, 32213-000012, 32213-000014, 32213-000024 |
| Название детали: | Болт М6-6gх12 |
| Номер детали: | 201416-П29 |
| Актуальность: | 01.09.1999 |
| Количество: | |
25 - для автомобилей ГАЗ-2705 с двигателями ЗМЗ-4061.10 и ЗМЗ-4063.10 / (доп. 3221)
25 - для автомобилей ГАЗ-2705 с двигателями ЗМЗ-4025.10 и ЗМЗ-4026.10 / (доп. 32213)
Подробная информация
| Автомобиль: | ГАЗ 3221 |
| Модификации: | 3221-000012, 3221-000014, 3221-000024, 32213, 32213-000012, 32213-000014, 32213-000024 |
| Название детали: | Болт М6-6gх20 |
| Номер детали: | 201420-П29 |
| Актуальность: | 01.09.1999 |
| Количество: | |
55 - для автомобилей ГАЗ-2705 с двигателями ЗМЗ-4061.10 и ЗМЗ-4063.10 / (доп. 3221)
23 - для автомобилей ГАЗ-2705 с двигателями ЗМЗ-4025.10 и ЗМЗ-4026.10 / (доп. 32213)
Подробная информация
| Автомобиль: | ГАЗ 3221 |
| Модификации: | 3221-000012, 3221-000014, 3221-000024, 32213, 32213-000012, 32213-000014, 32213-000024 |
| Название детали: | Болт М8-6gх30 |
| Номер детали: | 201460-П29 |
| Актуальность: | 01.09.1999 |
| Количество: | |
15 - для автомобилей ГАЗ-2705 с двигателями ЗМЗ-4061.10 и ЗМЗ-4063.10 / (доп. 3221)
15 - для автомобилей ГАЗ-2705 с двигателями ЗМЗ-4025.10 и ЗМЗ-4026.10 / (доп. 32213)
Подробная информация
| Автомобиль: | ГАЗ 3221 |
| Модификации: | 3221-000012, 3221-000014, 3221-000024, 32213, 32213-000012, 32213-000014, 32213-000024 |
| Название детали: | Буфер |
| Номер детали: | 66-8503082 |
| Актуальность: | 01.09.1999 |
| Количество: | |
1 - для автомобилей ГАЗ-2705 с двигателями ЗМЗ-4061.10 и ЗМЗ-4063.10 / (доп. 3221)
2 - для автомобилей ГАЗ-2705 с двигателями ЗМЗ-4025.10 и ЗМЗ-4026.10 / (доп. 32213)
Подробная информация
| Автомобиль: | ГАЗ 3221 |
| Модификации: | 3221-000012, 3221-000014, 3221-000024, 32213, 32213-000012, 32213-000014, 32213-000024 |
| Название детали: | Вентилятор со ступицей |
| Номер детали: | 3221-8110190-10 |
| Актуальность: | 01.09.1999 |
| Количество: | |
1 - для автомобилей ГАЗ-2705 с двигателями ЗМЗ-4025.10 и ЗМЗ-4026.10 / (доп. 32213)
Подробная информация
| Автомобиль: | ГАЗ 3221 |
| Модификации: | 3221-000012, 3221-000014, 3221-000024, 32213, 32213-000012, 32213-000014, 32213-000024 |
| Название детали: | Кольцо вентилятора |
| Номер детали: | 41-8101412 |
| Актуальность: | 01.09.1999 |
| Количество: | |
1 - для автомобилей ГАЗ-2705 с двигателями ЗМЗ-4025.10 и ЗМЗ-4026.10 / (доп. 32213)
Подробная информация
| Автомобиль: | ГАЗ 3221 |
| Модификации: | 3221-000012, 3221-000014, 3221-000024, 32213, 32213-000012, 32213-000014, 32213-000024 |
| Название детали: | Винт М5-6gх16 |
| Номер детали: | 224600-П29 |
| Актуальность: | 01.09.1999 |
| Количество: | |
2 - для автомобилей ГАЗ-2705 с двигателями ЗМЗ-4025.10 и ЗМЗ-4026.10 / (доп. 32213)
Подробная информация
| Автомобиль: | ГАЗ 3221 |
| Модификации: | 3221-000012, 3221-000014, 3221-000024, 32213, 32213-000012, 32213-000014, 32213-000024 |
| Название детали: | Жгут 186 |
| Номер детали: | 3221-3724186-20 |
| Актуальность: | 01.09.1999 |
| Количество: | |
1 - для автомобилей ГАЗ-2705 с двигателями ЗМЗ-4025.10 и ЗМЗ-4026.10 / (доп. 32213)
Подробная информация
| Автомобиль: | ГАЗ 3221 |
| Модификации: | 3221-000012, 3221-000014, 3221-000024, 32213, 32213-000012, 32213-000014, 32213-000024 |
| Название детали: | Кронштейн опорный |
| Номер детали: | 32213-8110016-10 |
| Актуальность: | 01.09.1999 |
| Количество: | |
1 - для автомобилей ГАЗ-2705 с двигателями ЗМЗ-4025.10 и ЗМЗ-4026.10 / (доп. 32213)
Подробная информация
| Автомобиль: | ГАЗ 3221 |
| Модификации: | 3221-000012, 3221-000014, 3221-000024, 32213, 32213-000012, 32213-000014, 32213-000024 |
| Название детали: | Гайка М5-6Н |
| Номер детали: | 250464-П29 |
| Актуальность: | 01.09.1999 |
| Количество: | |
Подробная информация
| Автомобиль: | ГАЗ 3221 |
| Модификации: | 3221-000012, 3221-000014, 3221-000024, 32213, 32213-000012, 32213-000014, 32213-000024 |
| Название детали: | Гайка М6-6Н |
| Номер детали: | 250608-П29 |
| Актуальность: | 01.09.1999 |
| Количество: | |
Подробная информация
| Автомобиль: | ГАЗ 3221 |
| Модификации: | 3221-000012, 3221-000014, 3221-000024, 32213, 32213-000012, 32213-000014, 32213-000024 |
| Название детали: | Шайба 6,4 |
| Номер детали: | 252004-П29 |
| Актуальность: | 01.09.1999 |
| Количество: | |
Подробная информация
| Автомобиль: | ГАЗ 3221 |
| Модификации: | 3221-000012, 3221-000014, 3221-000024, 32213, 32213-000012, 32213-000014, 32213-000024 |
| Название детали: | Электродвигатель вентилятора заднего отопителя |
| Номер детали: | 194.3730 |
| Актуальность: | 01.09.1999 |
| Количество: | |
1 - для автомобилей ГАЗ-2705 с двигателями ЗМЗ-4061.10 и ЗМЗ-4063.10 / (доп. 3221)
1 - для автомобилей ГАЗ-2705 с двигателями ЗМЗ-4025.10 и ЗМЗ-4026.10 / (доп. 32213)
№
Номер запчасти
Наименование запчасти