- Автозапчасти ВАЗ
- Автозапчасти ГАЗ
- Автозапчасти на иномарки
- Автохимия, масла
- Подбор масла
- Инструменты, аксессуары
- Метизы
- Прочее, Москвич
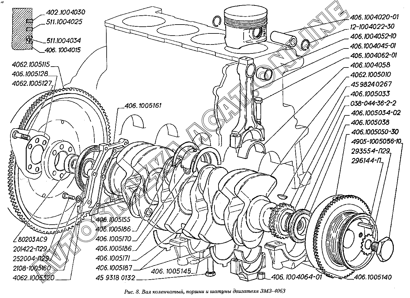
Вал коленчатый, поршни и шатуны двигателя ЗМЗ-4063 ГАЗ 2217 (22171)
+
Увеличить изображение на 10%
-
Уменьшить изображение на 10%
Выделение детали в таблице
Прокрутка картинки
Увеличить масштаб
511.1004025
12-1004022-30
038-044-36-2-2
406.1005140
406.1005145
406.1005034-02
2108-1005160
4062.1005115
406.1004020-01
80203АС9
406.1005187
406.1004015
406.1005155
406.1005128
406.1004045-01
406.1005050-30
45 9824 0267
296144-П
45 9318 0132
201422-П29
4062.1005127
4905-1005056-10
406.1004062-01
4062.1005010
406.1005170
406.1005171
406.1004058
406.1005038
4062.1005320
406.1004052-10
406.1004064-01
406.1005033
511.1004034
402.1004030
252004-П29
406.1005186
406.1005186
406.1005161
293554-П29
Подробная информация
| Автомобиль: | ГАЗ 2217 |
| Модификации: | 22171 |
| Название детали: | Кольцо поршневое компрессионное нижнее |
| Номер детали: | 511.1004025 |
| Актуальность: | 01.10.1998 |
| Количество: | |
4 - для автомобилей ГАЗ-2217, -22171
Подробная информация
| Автомобиль: | ГАЗ 2217 |
| Модификации: | 22171 |
| Название детали: | Кольцо стопорное поршневого пальца |
| Номер детали: | 12-1004022-30 |
| Актуальность: | 01.10.1998 |
| Количество: | |
8 - для автомобилей ГАЗ-2217, -22171
Подробная информация
| Автомобиль: | ГАЗ 2217 |
| Модификации: | 22171 |
| Название детали: | Кольцо уплотнительное |
| Номер детали: | 038-044-36-2-2 |
| Актуальность: | 01.10.1998 |
| Количество: | |
1 - для автомобилей ГАЗ-2217, -22171
Подробная информация
| Автомобиль: | ГАЗ 2217 |
| Модификации: | 22171 |
| Название детали: | Крышка коренного подшипника |
| Номер детали: | 406.1005140 |
| Актуальность: | 01.10.1998 |
| Количество: | |
4 - для автомобилей ГАЗ-2217, -22171
Подробная информация
| Автомобиль: | ГАЗ 2217 |
| Модификации: | 22171 |
| Название детали: | Крышка среднего коренного подшипника |
| Номер детали: | 406.1005145 |
| Актуальность: | 01.10.1998 |
| Количество: | |
1 - для автомобилей ГАЗ-2217, -22171
Подробная информация
| Автомобиль: | ГАЗ 2217 |
| Модификации: | 22171 |
| Название детали: | Манжета с пружиной 2,2-55х70-4 |
| Номер детали: | 406.1005034-02 |
| Актуальность: | 01.10.1998 |
| Количество: | |
1 - для автомобилей ГАЗ-2217, -22171
Подробная информация
| Автомобиль: | ГАЗ 2217 |
| Модификации: | 22171 |
| Название детали: | Манжета с пружиной 2.2-80х 100-4 |
| Номер детали: | 2108-1005160 |
| Актуальность: | 01.10.1998 |
| Количество: | |
1 - для автомобилей ГАЗ-2217, -22171
Подробная информация
| Автомобиль: | ГАЗ 2217 |
| Модификации: | 22171 |
| Название детали: | Маховик с ободом |
| Номер детали: | 4062.1005115 |
| Актуальность: | 01.10.1998 |
| Количество: | |
1 - для автомобилей ГАЗ-2217, -22171
Подробная информация
| Автомобиль: | ГАЗ 2217 |
| Модификации: | 22171 |
| Название детали: | Палец поршневой |
| Номер детали: | 406.1004020-01 |
| Актуальность: | 01.10.1998 |
| Количество: | |
4 - для автомобилей ГАЗ-2217, -22171
Подробная информация
| Автомобиль: | ГАЗ 2217 |
| Модификации: | 22171 |
| Название детали: | Подшипник носка первичного вала КП |
| Номер детали: | 80203АС9 |
| Актуальность: | 01.10.1998 |
| Количество: | |
1 - для автомобилей ГАЗ-2217, -22171
1 - для автомобилей ГАЗ-2752
Подробная информация
| Автомобиль: | ГАЗ 2217 |
| Модификации: | 22171 |
| Название детали: | Полушайба упорного подшипника нижняя |
| Номер детали: | 406.1005187 |
| Актуальность: | 01.10.1998 |
| Количество: | |
2 - для автомобилей ГАЗ-2217, -22171
Подробная информация
| Автомобиль: | ГАЗ 2217 |
| Модификации: | 22171 |
| Название детали: | Поршень |
| Номер детали: | 406.1004015 |
| Актуальность: | 01.10.1998 |
| Количество: | |
4 - для автомобилей ГАЗ-2217, -22171
Подробная информация
| Автомобиль: | ГАЗ 2217 |
| Модификации: | 22171 |
| Название детали: | Прокладка сальникодержателя |
| Номер детали: | 406.1005155 |
| Актуальность: | 01.10.1998 |
| Количество: | |
1 - для автомобилей ГАЗ-2217, -22171
Подробная информация
| Автомобиль: | ГАЗ 2217 |
| Модификации: | 22171 |
| Название детали: | Хомут 60 |
| Номер детали: | 288019-П29 |
| Актуальность: | 01.10.1998 |
| Количество: | |
2 - для автомобилей ГАЗ-2217, -22171
2 - для автомобилей ГАЗ-2752
Подробная информация
| Автомобиль: | ГАЗ 2217 |
| Модификации: | 22171 |
| Название детали: | Шайба болтов маховика |
| Номер детали: | 406.1005128 |
| Актуальность: | 01.10.1998 |
| Количество: | |
1 - для автомобилей ГАЗ-2217, -22171
Подробная информация
| Автомобиль: | ГАЗ 2217 |
| Модификации: | 22171 |
| Название детали: | Шатун с крышкой и втулкой |
| Номер детали: | 406.1004045-01 |
| Актуальность: | 01.10.1998 |
| Количество: | |
4 - для автомобилей ГАЗ-2217, -22171
Подробная информация
| Автомобиль: | ГАЗ 2217 |
| Модификации: | 22171 |
| Название детали: | Шкив коленчатого вала с демпфером |
| Номер детали: | 406.1005050-30 |
| Актуальность: | 01.10.1998 |
| Количество: | |
1 - для автомобилей ГАЗ-2217, -22171
Подробная информация
| Автомобиль: | ГАЗ 2217 |
| Модификации: | 22171 |
| Название детали: | Шпонка 6х 10 |
| Номер детали: | 45 9824 0267 |
| Актуальность: | 01.10.1998 |
| Количество: | |
1 - для автомобилей ГАЗ-2217, -22171
Подробная информация
| Автомобиль: | ГАЗ 2217 |
| Модификации: | 22171 |
| Название детали: | Шпонка призматическая |
| Номер детали: | 296144-П |
| Актуальность: | 01.10.1998 |
| Количество: | |
1 - для автомобилей ГАЗ-2217, -22171
Подробная информация
| Автомобиль: | ГАЗ 2217 |
| Модификации: | 22171 |
| Название детали: | Болт М12х1,25-6gх70 |
| Номер детали: | 45 9318 0132 |
| Актуальность: | 01.10.1998 |
| Количество: | |
10 - для автомобилей ГАЗ-2217, -22171
Подробная информация
| Автомобиль: | ГАЗ 2217 |
| Модификации: | 22171 |
| Название детали: | Болт М6-6gх25 |
| Номер детали: | 201422-П29 |
| Актуальность: | 01.10.1998 |
| Количество: | |
8 - для автомобилей ГАЗ-2217, -22171
2 - для автомобилей ГАЗ-2752
Подробная информация
| Автомобиль: | ГАЗ 2217 |
| Модификации: | 22171 |
| Название детали: | Болт самоблокирующийся крепления маховика |
| Номер детали: | 4062.1005127 |
| Актуальность: | 01.10.1998 |
| Количество: | |
6 - для автомобилей ГАЗ-2217, -22171
Подробная информация
| Автомобиль: | ГАЗ 2217 |
| Модификации: | 22171 |
| Название детали: | Болт стяжной коленчатого вала |
| Номер детали: | 4905-1005056-10 |
| Актуальность: | 01.10.1998 |
| Количество: | |
1 - для автомобилей ГАЗ-2217, -22171
Подробная информация
| Автомобиль: | ГАЗ 2217 |
| Модификации: | 22171 |
| Название детали: | Болт шатуна |
| Номер детали: | 406.1004062-01 |
| Актуальность: | 01.10.1998 |
| Количество: | |
8 - для автомобилей ГАЗ-2217, -22171
Подробная информация
| Автомобиль: | ГАЗ 2217 |
| Модификации: | 22171 |
| Название детали: | Вал коленчатый со штифтом |
| Номер детали: | 4062.1005010 |
| Актуальность: | 01.10.1998 |
| Количество: | |
1 - для автомобилей ГАЗ-2217, -22171
Подробная информация
| Автомобиль: | ГАЗ 2217 |
| Модификации: | 22171 |
| Название детали: | Вкладыш коренного подшипника верхний |
| Номер детали: | 406.1005170 |
| Актуальность: | 01.10.1998 |
| Количество: | |
5 - для автомобилей ГАЗ-2217, -22171
Подробная информация
| Автомобиль: | ГАЗ 2217 |
| Модификации: | 22171 |
| Название детали: | Вкладыш коренного подшипника нижний |
| Номер детали: | 406.1005171 |
| Актуальность: | 01.10.1998 |
| Количество: | |
5 - для автомобилей ГАЗ-2217, -22171
Подробная информация
| Автомобиль: | ГАЗ 2217 |
| Модификации: | 22171 |
| Название детали: | Вкладыш шатуна |
| Номер детали: | 406.1004058 |
| Актуальность: | 01.10.1998 |
| Количество: | |
8 - для автомобилей ГАЗ-2217, -22171
Подробная информация
| Автомобиль: | ГАЗ 2217 |
| Модификации: | 22171 |
| Название детали: | Втулка |
| Номер детали: | 406.1005038 |
| Актуальность: | 01.10.1998 |
| Количество: | |
1 - для автомобилей ГАЗ-2217, -22171
Подробная информация
| Автомобиль: | ГАЗ 2217 |
| Модификации: | 22171 |
| Название детали: | Втулка распорная |
| Номер детали: | 4062.1005320 |
| Актуальность: | 01.10.1998 |
| Количество: | |
1 - для автомобилей ГАЗ-2217, -22171
Подробная информация
| Автомобиль: | ГАЗ 2217 |
| Модификации: | 22171 |
| Название детали: | Втулка шатуна |
| Номер детали: | 406.1004052-10 |
| Актуальность: | 01.10.1998 |
| Количество: | |
4 - для автомобилей ГАЗ-2217, -22171
Подробная информация
| Автомобиль: | ГАЗ 2217 |
| Модификации: | 22171 |
| Название детали: | Гайка болта шатуна |
| Номер детали: | 406.1004064-01 |
| Актуальность: | 01.10.1998 |
| Количество: | |
8 - для автомобилей ГАЗ-2217, -22171
Подробная информация
| Автомобиль: | ГАЗ 2217 |
| Модификации: | 22171 |
| Название детали: | Звездочка коленчатого вала |
| Номер детали: | 406.1005033 |
| Актуальность: | 01.10.1998 |
| Количество: | |
1 - для автомобилей ГАЗ-2217, -22171
Подробная информация
| Автомобиль: | ГАЗ 2217 |
| Модификации: | 22171 |
| Название детали: | Кольцо маслосъемное |
| Номер детали: | 511.1004034 |
| Актуальность: | 01.10.1998 |
| Количество: | |
4 - для автомобилей ГАЗ-2217, -22171
Подробная информация
| Автомобиль: | ГАЗ 2217 |
| Модификации: | 22171 |
| Название детали: | Кольцо поршневое компрессионное верхнее |
| Номер детали: | 402.1004030 |
| Актуальность: | 01.10.1998 |
| Количество: | |
4 - для автомобилей ГАЗ-2217, -22171
4 - для автомобилей ГАЗ-2752
Подробная информация
| Автомобиль: | ГАЗ 2217 |
| Модификации: | 22171 |
| Название детали: | Шайба 6 |
| Номер детали: | 252004-П29 |
| Актуальность: | 01.10.1998 |
| Количество: | |
137 - для автомобилей ГАЗ-2217, -22171
77 - для автомобилей ГАЗ-2752
Подробная информация
| Автомобиль: | ГАЗ 2217 |
| Модификации: | 22171 |
| Название детали: | Полушайба упорного подшипника верхняя |
| Номер детали: | 406.1005186 |
| Актуальность: | 01.10.1998 |
| Количество: | |
2 - для автомобилей ГАЗ-2217, -22171
Подробная информация
| Автомобиль: | ГАЗ 2217 |
| Модификации: | 22171 |
| Название детали: | Сальникодержатель |
| Номер детали: | 406.1005161 |
| Актуальность: | 01.10.1998 |
| Количество: | |
1 - для автомобилей ГАЗ-2217, -22171
Подробная информация
| Автомобиль: | ГАЗ 2217 |
| Модификации: | 22171 |
| Название детали: | Шайба 28 |
| Номер детали: | 293554-П29 |
| Актуальность: | 01.10.1998 |
| Количество: | |
1 - для автомобилей ГАЗ-2217, -22171
№
Номер запчасти
Наименование запчасти