- Автозапчасти ВАЗ
- Автозапчасти ГАЗ
- Автозапчасти на иномарки
- Автохимия, масла
- Подбор масла
- Инструменты, аксессуары
- Метизы
- Прочее, Москвич
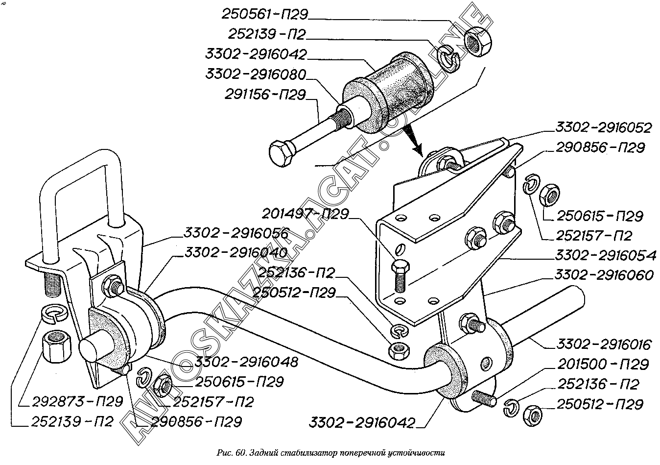
Задний стабилизатор поперечной устойчивости ГАЗ 2217 (22171)
+
Увеличить изображение на 10%
-
Уменьшить изображение на 10%
Выделение детали в таблице
Прокрутка картинки
Увеличить масштаб
201497-П29
201500-П29
290856-П29
290856-П29
291156-П29
3302-2916080
250512-П29
250512-П29
250615-П29
250615-П29
292873-П29
250561-П29
3302-2916052
3302-2916056
3302-2916048
3302-2916054
3302-2916040
3302-2916042
3302-2916042
252136-П2
252136-П2
252157-П2
252157-П2
252139-П2
252139-П2
3302-2916016
3302-2916060
Подробная информация
| Автомобиль: | ГАЗ 2217 |
| Модификации: | 22171 |
| Название детали: | Болт М10-6gх25 |
| Номер детали: | 201497-П29 |
| Актуальность: | 01.10.1998 |
| Количество: | |
53 - для автомобилей ГАЗ-2217, -22171
39 - для автомобилей ГАЗ-2752
Подробная информация
| Автомобиль: | ГАЗ 2217 |
| Модификации: | 22171 |
| Название детали: | Болт М10х32 |
| Номер детали: | 201500-П29 |
| Актуальность: | 01.10.1998 |
| Количество: | |
Подробная информация
| Автомобиль: | ГАЗ 2217 |
| Модификации: | 22171 |
| Название детали: | Болт М12х1,25-4hх22 |
| Номер детали: | 290856-П29 |
| Актуальность: | 01.10.1998 |
| Количество: | |
12 - для автомобилей ГАЗ-2217, -22171
12 - для автомобилей ГАЗ-2752
Подробная информация
| Автомобиль: | ГАЗ 2217 |
| Модификации: | 22171 |
| Название детали: | Болт М16х1,5-6gх110 |
| Номер детали: | 291156-П29 |
| Актуальность: | 01.10.1998 |
| Количество: | |
Подробная информация
| Автомобиль: | ГАЗ 2217 |
| Модификации: | 22171 |
| Название детали: | Втулка серьги стабилизатора |
| Номер детали: | 3302-2916080 |
| Актуальность: | 01.10.1998 |
| Количество: | |
2 - для автомобилей ГАЗ-2217, -22171
2 - для автомобилей ГАЗ-2752
Подробная информация
| Автомобиль: | ГАЗ 2217 |
| Модификации: | 22171 |
| Название детали: | Гайка М10-6Н |
| Номер детали: | 250512-П29 |
| Актуальность: | 01.10.1998 |
| Количество: | |
111 - для автомобилей ГАЗ-2217, -22171
106 - для автомобилей ГАЗ-2752
Подробная информация
| Автомобиль: | ГАЗ 2217 |
| Модификации: | 22171 |
| Название детали: | Гайка М12х1,25-6Н |
| Номер детали: | 250615-П29 |
| Актуальность: | 01.10.1998 |
| Количество: | |
Подробная информация
| Автомобиль: | ГАЗ 2217 |
| Модификации: | 22171 |
| Название детали: | Гайка М16х1,5-4Н5Н |
| Номер детали: | 292873-П29 |
| Актуальность: | 01.10.1998 |
| Количество: | |
Подробная информация
| Автомобиль: | ГАЗ 2217 |
| Модификации: | 22171 |
| Название детали: | Гайка М16х1,5-6Н |
| Номер детали: | 250561-П29 |
| Актуальность: | 01.10.1998 |
| Количество: | |
18 - для автомобилей ГАЗ-2217, -22171
18 - для автомобилей ГАЗ-2752
Подробная информация
| Автомобиль: | ГАЗ 2217 |
| Модификации: | 22171 |
| Название детали: | Кронштейн стабилизатора верхний |
| Номер детали: | 3302-2916052 |
| Актуальность: | 01.10.1998 |
| Количество: | |
2 - для автомобилей ГАЗ-2217, -22171
2 - для автомобилей ГАЗ-2752
Подробная информация
| Автомобиль: | ГАЗ 2217 |
| Модификации: | 22171 |
| Название детали: | Кронштейн стабилизатора нижний |
| Номер детали: | 3302-2916056 |
| Актуальность: | 01.10.1998 |
| Количество: | |
2 - для автомобилей ГАЗ-2217, -22171
2 - для автомобилей ГАЗ-2752
Подробная информация
| Автомобиль: | ГАЗ 2217 |
| Модификации: | 22171 |
| Название детали: | Обойма подушки штанги |
| Номер детали: | 3302-2916048 |
| Актуальность: | 01.10.1998 |
| Количество: | |
2 - для автомобилей ГАЗ-2217, -22171
2 - для автомобилей ГАЗ-2752
Подробная информация
| Автомобиль: | ГАЗ 2217 |
| Модификации: | 22171 |
| Название детали: | Опора верхнего кронштейна стабилизатора |
| Номер детали: | 3302-2916054 |
| Актуальность: | 01.10.1998 |
| Количество: | |
2 - для автомобилей ГАЗ-2217, -22171
2 - для автомобилей ГАЗ-2752
Подробная информация
| Автомобиль: | ГАЗ 2217 |
| Модификации: | 22171 |
| Название детали: | Подушка штанги стабилизатора |
| Номер детали: | 3302-2916040 |
| Актуальность: | 01.10.1998 |
| Количество: | |
2 - для автомобилей ГАЗ-2217, -22171
2 - для автомобилей ГАЗ-2752
Подробная информация
| Автомобиль: | ГАЗ 2217 |
| Модификации: | 22171 |
| Название детали: | Подушка штанги стабилизатора |
| Номер детали: | 3302-2916042 |
| Актуальность: | 01.10.1998 |
| Количество: | |
4 - для автомобилей ГАЗ-2217, -22171
4 - для автомобилей ГАЗ-2752
Подробная информация
| Автомобиль: | ГАЗ 2217 |
| Модификации: | 22171 |
| Название детали: | Шайба 10.ОТ |
| Номер детали: | 252136-П2 |
| Актуальность: | 01.10.1998 |
| Количество: | |
132 - для автомобилей ГАЗ-2217, -22171
126 - для автомобилей ГАЗ-2752
Подробная информация
| Автомобиль: | ГАЗ 2217 |
| Модификации: | 22171 |
| Название детали: | Шайба 12Л |
| Номер детали: | 252157-П2 |
| Актуальность: | 01.10.1998 |
| Количество: | |
60 - для автомобилей ГАЗ-2217, -22171
34 - для автомобилей ГАЗ-2752
Подробная информация
| Автомобиль: | ГАЗ 2217 |
| Модификации: | 22171 |
| Название детали: | Шайба 16.ОТ |
| Номер детали: | 252139-П2 |
| Актуальность: | 01.10.1998 |
| Количество: | |
22 - для автомобилей ГАЗ-2217, -22171
22 - для автомобилей ГАЗ-2752
Подробная информация
| Автомобиль: | ГАЗ 2217 |
| Модификации: | 22171 |
| Название детали: | Штанга стабилизатора задней подвески |
| Номер детали: | 3302-2916016 |
| Актуальность: | 01.10.1998 |
| Количество: | |
1 - для автомобилей ГАЗ-2217, -22171
1 - для автомобилей ГАЗ-2752
Подробная информация
| Автомобиль: | ГАЗ 2217 |
| Модификации: | 22171 |
| Название детали: | Щека серьги стабилизатора |
| Номер детали: | 3302-2916060 |
| Актуальность: | 01.10.1998 |
| Количество: | |
4 - для автомобилей ГАЗ-2217, -22171
4 - для автомобилей ГАЗ-2752
№
Номер запчасти
Наименование запчасти