- Автозапчасти ВАЗ
- Автозапчасти ГАЗ
- Автозапчасти на иномарки
- Автохимия, масла
- Подбор масла
- Инструменты, аксессуары
- Метизы
- Прочее, Москвич
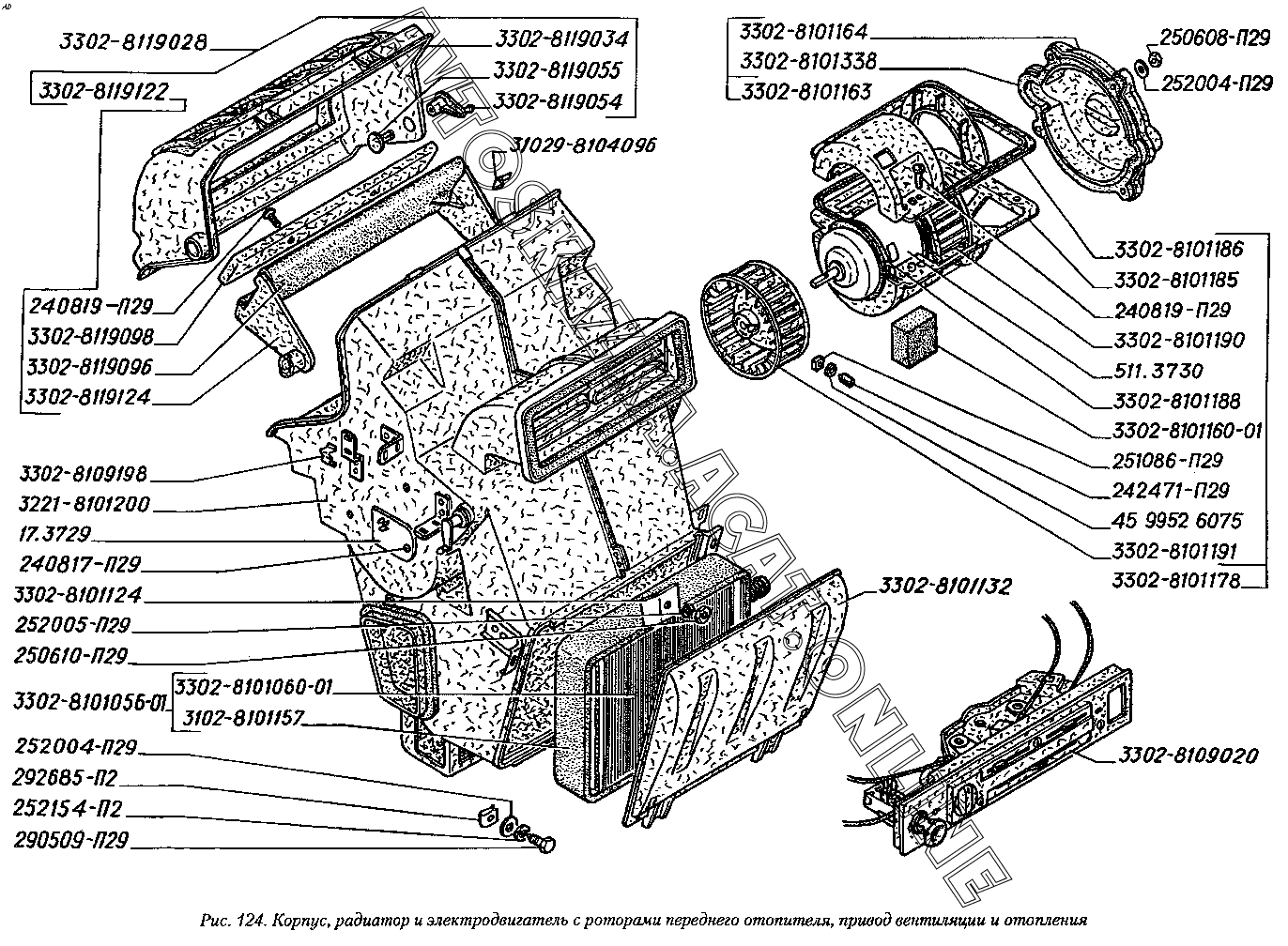
Корпус, радиатор и электродвигатель с роторами переднего отопителя, привод вентиляции и отопления ГАЗ 2217 (22171)
Корпус, радиатор и электродвигатель с роторами переднего отопителя, привод вентиляции и отопления
+
Увеличить изображение на 10%
-
Уменьшить изображение на 10%
Выделение детали в таблице
Прокрутка картинки
Увеличить масштаб
290509-П29
240819-П29
240819-П29
292685-П2
250608-П29
3302-8101124
3302-8109198
3302-8119122
3302-8119034
240817-П29
242471-П29
251086-П29
250610-П29
3302-8119098
3302-8119124
3221-8101200
3302-8101338
3302-8119028
3302-8101164
3302-8101163
3302-8101186
3302-8101185
3302-8101132
3302-8119054
3302-8109020
3302-8101188
3302-8101060-01
3302-8101191
31029-8104096
3302-8119055
252004-П29
252004-П29
252005-П29
3302-8101160-01
3102-8101157
3302-8101056-01
17.3729
3302-8101190
3302-8119096
45 9952 6075
252154-П2
511.3730
3302-8101178
Подробная информация
| Автомобиль: | ГАЗ 2217 |
| Модификации: | 22171 |
| Название детали: | Болт М6-6gх25 |
| Номер детали: | 290509-П29 |
| Актуальность: | 01.10.1998 |
| Количество: | |
4 - для автомобилей ГАЗ-2217, -22171
4 - для автомобилей ГАЗ-2752
Подробная информация
| Автомобиль: | ГАЗ 2217 |
| Модификации: | 22171 |
| Название детали: | Винт 4х16 |
| Номер детали: | 240819-П29 |
| Актуальность: | 01.10.1998 |
| Количество: | |
34 - для автомобилей ГАЗ-2217, -22171
30 - для автомобилей ГАЗ-2752
Подробная информация
| Автомобиль: | ГАЗ 2217 |
| Модификации: | 22171 |
| Название детали: | Гайка 5 |
| Номер детали: | 292685-П2 |
| Актуальность: | 01.10.1998 |
| Количество: | |
4 - для автомобилей ГАЗ-2217, -22171
4 - для автомобилей ГАЗ-2752
Подробная информация
| Автомобиль: | ГАЗ 2217 |
| Модификации: | 22171 |
| Название детали: | Гайка М6-6Н |
| Номер детали: | 250608-П29 |
| Актуальность: | 01.10.1998 |
| Количество: | |
44 - для автомобилей ГАЗ-2217, -22171
27 - для автомобилей ГАЗ-2752
Подробная информация
| Автомобиль: | ГАЗ 2217 |
| Модификации: | 22171 |
| Название детали: | Держатель радиатора |
| Номер детали: | 3302-8101124 |
| Актуальность: | 01.10.1998 |
| Количество: | |
1 - для автомобилей ГАЗ-2217, -22171
1 - для автомобилей ГАЗ-2752
Подробная информация
| Автомобиль: | ГАЗ 2217 |
| Модификации: | 22171 |
| Название детали: | Зажим оболочки |
| Номер детали: | 3302-8109198 |
| Актуальность: | 01.10.1998 |
| Количество: | |
13 - для автомобилей ГАЗ-2217, -22171
13 - для автомобилей ГАЗ-2752
Подробная информация
| Автомобиль: | ГАЗ 2217 |
| Модификации: | 22171 |
| Название детали: | Заслонка крышки с уплотнителем |
| Номер детали: | 3302-8119122 |
| Актуальность: | 01.10.1998 |
| Количество: | |
1 - для автомобилей ГАЗ-2217, -22171
1 - для автомобилей ГАЗ-2752
Подробная информация
| Автомобиль: | ГАЗ 2217 |
| Модификации: | 22171 |
| Название детали: | Крышка верхняя |
| Номер детали: | 3302-8119034 |
| Актуальность: | 01.10.1998 |
| Количество: | |
1 - для автомобилей ГАЗ-2217, -22171
1 - для автомобилей ГАЗ-2752
Подробная информация
| Автомобиль: | ГАЗ 2217 |
| Модификации: | 22171 |
| Название детали: | Винт 4х10 |
| Номер детали: | 240817-П29 |
| Актуальность: | 01.10.1998 |
| Количество: | |
14 - для автомобилей ГАЗ-2217, -22171
14 - для автомобилей ГАЗ-2752
Подробная информация
| Автомобиль: | ГАЗ 2217 |
| Модификации: | 22171 |
| Название детали: | Винт М5-6gх12 |
| Номер детали: | 242471-П29 |
| Актуальность: | 01.10.1998 |
| Количество: | |
2 - для автомобилей ГАЗ-2217, -22171
2 - для автомобилей ГАЗ-2752
Подробная информация
| Автомобиль: | ГАЗ 2217 |
| Модификации: | 22171 |
| Название детали: | Гайка М5-6Н |
| Номер детали: | 251086-П29 |
| Актуальность: | 01.10.1998 |
| Количество: | |
13 - для автомобилей ГАЗ-2217, -22171
10 - для автомобилей ГАЗ-2752
Подробная информация
| Автомобиль: | ГАЗ 2217 |
| Модификации: | 22171 |
| Название детали: | Гайка М8-6Н |
| Номер детали: | 250610-П29 |
| Актуальность: | 01.10.1998 |
| Количество: | |
14 - для автомобилей ГАЗ-2217, -22171
27 - для автомобилей ГАЗ-2752
Подробная информация
| Автомобиль: | ГАЗ 2217 |
| Модификации: | 22171 |
| Название детали: | Держатель уплотнителя |
| Номер детали: | 3302-8119098 |
| Актуальность: | 01.10.1998 |
| Количество: | |
1 - для автомобилей ГАЗ-2217, -22171
1 - для автомобилей ГАЗ-2752
Подробная информация
| Автомобиль: | ГАЗ 2217 |
| Модификации: | 22171 |
| Название детали: | Заслонка крышки |
| Номер детали: | 3302-8119124 |
| Актуальность: | 01.10.1998 |
| Количество: | |
1 - для автомобилей ГАЗ-2217, -22171
1 - для автомобилей ГАЗ-2752
Подробная информация
| Автомобиль: | ГАЗ 2217 |
| Модификации: | 22171 |
| Название детали: | Корпус переднего отопителя |
| Номер детали: | 3221-8101200 |
| Актуальность: | 01.10.1998 |
| Количество: | |
1 - для автомобилей ГАЗ-2217, -22171
1 - для автомобилей ГАЗ-2752
Подробная информация
| Автомобиль: | ГАЗ 2217 |
| Модификации: | 22171 |
| Название детали: | Прокладка крышки электродвигателя |
| Номер детали: | 3302-8101338 |
| Актуальность: | 01.10.1998 |
| Количество: | |
1 - для автомобилей ГАЗ-2217, -22171
1 - для автомобилей ГАЗ-2752
Подробная информация
| Автомобиль: | ГАЗ 2217 |
| Модификации: | 22171 |
| Название детали: | Крышка верхняя переднего отопителя в сборе |
| Номер детали: | 3302-8119028 |
| Актуальность: | 01.10.1998 |
| Количество: | |
1 - для автомобилей ГАЗ-2217, -22171
1 - для автомобилей ГАЗ-2752
Подробная информация
| Автомобиль: | ГАЗ 2217 |
| Модификации: | 22171 |
| Название детали: | Крышка электродвигателя боковая |
| Номер детали: | 3302-8101164 |
| Актуальность: | 01.10.1998 |
| Количество: | |
1 - для автомобилей ГАЗ-2217, -22171
1 - для автомобилей ГАЗ-2752
Подробная информация
| Автомобиль: | ГАЗ 2217 |
| Модификации: | 22171 |
| Название детали: | Крышка электродвигателя боковая с прокладкой |
| Номер детали: | 3302-8101163 |
| Актуальность: | 01.10.1998 |
| Количество: | |
1 - для автомобилей ГАЗ-2217, -22171
1 - для автомобилей ГАЗ-2752
Подробная информация
| Автомобиль: | ГАЗ 2217 |
| Модификации: | 22171 |
| Название детали: | Накладка электродвигателя верхняя |
| Номер детали: | 3302-8101186 |
| Актуальность: | 01.10.1998 |
| Количество: | |
1 - для автомобилей ГАЗ-2217, -22171
1 - для автомобилей ГАЗ-2752
Подробная информация
| Автомобиль: | ГАЗ 2217 |
| Модификации: | 22171 |
| Название детали: | Накладка электродвигателя нижняя |
| Номер детали: | 3302-8101185 |
| Актуальность: | 01.10.1998 |
| Количество: | |
1 - для автомобилей ГАЗ-2217, -22171
1 - для автомобилей ГАЗ-2752
Подробная информация
| Автомобиль: | ГАЗ 2217 |
| Модификации: | 22171 |
| Название детали: | Облицовка кожуха |
| Номер детали: | 3302-8101132 |
| Актуальность: | 01.10.1998 |
| Количество: | |
1 - для автомобилей ГАЗ-2217, -22171
1 - для автомобилей ГАЗ-2752
Подробная информация
| Автомобиль: | ГАЗ 2217 |
| Модификации: | 22171 |
| Название детали: | Поводок заслонки |
| Номер детали: | 3302-8119054 |
| Актуальность: | 01.10.1998 |
| Количество: | |
2 - для автомобилей ГАЗ-2217, -22171
2 - для автомобилей ГАЗ-2752
Подробная информация
| Автомобиль: | ГАЗ 2217 |
| Модификации: | 22171 |
| Название детали: | Привод вентиляции и отопления в сборе |
| Номер детали: | 3302-8109020 |
| Актуальность: | 01.10.1998 |
| Количество: | |
1 - для автомобилей ГАЗ-2217, -22171
1 - для автомобилей ГАЗ-2752
Подробная информация
| Автомобиль: | ГАЗ 2217 |
| Модификации: | 22171 |
| Название детали: | Прокладка электродвигателя |
| Номер детали: | 3302-8101188 |
| Актуальность: | 01.10.1998 |
| Количество: | |
2 - для автомобилей ГАЗ-2217, -22171
2 - для автомобилей ГАЗ-2752
Подробная информация
| Автомобиль: | ГАЗ 2217 |
| Модификации: | 22171 |
| Название детали: | Радиатор переднего отопителя |
| Номер детали: | 3302-8101060-01 |
| Актуальность: | 01.10.1998 |
| Количество: | |
1 - для автомобилей ГАЗ-2217, -22171
1 - для автомобилей ГАЗ-2752
Подробная информация
| Автомобиль: | ГАЗ 2217 |
| Модификации: | 22171 |
| Название детали: | Ротор обогрева ветрового стекла |
| Номер детали: | 3302-8101191 |
| Актуальность: | 01.10.1998 |
| Количество: | |
1 - для автомобилей ГАЗ-2217, -22171
1 - для автомобилей ГАЗ-2752
Подробная информация
| Автомобиль: | ГАЗ 2217 |
| Модификации: | 22171 |
| Название детали: | Скоба |
| Номер детали: | 31029-8104096 |
| Актуальность: | 01.10.1998 |
| Количество: | |
16 - для автомобилей ГАЗ-2217, -22171
16 - для автомобилей ГАЗ-2752
Подробная информация
| Автомобиль: | ГАЗ 2217 |
| Модификации: | 22171 |
| Название детали: | Фиксатор заслонки |
| Номер детали: | 3302-8119055 |
| Актуальность: | 01.10.1998 |
| Количество: | |
1 - для автомобилей ГАЗ-2217, -22171
1 - для автомобилей ГАЗ-2752
Подробная информация
| Автомобиль: | ГАЗ 2217 |
| Модификации: | 22171 |
| Название детали: | Шайба 6 |
| Номер детали: | 252004-П29 |
| Актуальность: | 01.10.1998 |
| Количество: | |
137 - для автомобилей ГАЗ-2217, -22171
77 - для автомобилей ГАЗ-2752
Подробная информация
| Автомобиль: | ГАЗ 2217 |
| Модификации: | 22171 |
| Название детали: | Шайба 8 |
| Номер детали: | 252005-П29 |
| Актуальность: | 01.10.1998 |
| Количество: | |
91 - для автомобилей ГАЗ-2217, -22171
100 - для автомобилей ГАЗ-2752
Подробная информация
| Автомобиль: | ГАЗ 2217 |
| Модификации: | 22171 |
| Название детали: | Прокладка |
| Номер детали: | 3302-8101160-01 |
| Актуальность: | 01.10.1998 |
| Количество: | |
4 - для автомобилей ГАЗ-2217, -22171
4 - для автомобилей ГАЗ-2752
Подробная информация
| Автомобиль: | ГАЗ 2217 |
| Модификации: | 22171 |
| Название детали: | Прокладка радиатора отопителя |
| Номер детали: | 3102-8101157 |
| Актуальность: | 01.10.1998 |
| Количество: | |
1 - для автомобилей ГАЗ-2217, -22171
1 - для автомобилей ГАЗ-2752
Подробная информация
| Автомобиль: | ГАЗ 2217 |
| Модификации: | 22171 |
| Название детали: | Радиатор переднего отопителя с прокладкой |
| Номер детали: | 3302-8101056-01 |
| Актуальность: | 01.10.1998 |
| Количество: | |
1 - для автомобилей ГАЗ-2217, -22171
1 - для автомобилей ГАЗ-2752
Подробная информация
| Автомобиль: | ГАЗ 2217 |
| Модификации: | 22171 |
| Название детали: | Резистор добавочный |
| Номер детали: | 17.3729 |
| Актуальность: | 01.10.1998 |
| Количество: | |
1 - для автомобилей ГАЗ-2217, -22171
1 - для автомобилей ГАЗ-2752
Подробная информация
| Автомобиль: | ГАЗ 2217 |
| Модификации: | 22171 |
| Название детали: | Ротор обогрева ветрового стекла |
| Номер детали: | 3302-8101190 |
| Актуальность: | 01.10.1998 |
| Количество: | |
1 - для автомобилей ГАЗ-2217, -22171
1 - для автомобилей ГАЗ-2752
Подробная информация
| Автомобиль: | ГАЗ 2217 |
| Модификации: | 22171 |
| Название детали: | Уплотнитель заслонки |
| Номер детали: | 3302-8119096 |
| Актуальность: | 01.10.1998 |
| Количество: | |
1 - для автомобилей ГАЗ-2217, -22171
1 - для автомобилей ГАЗ-2752
Подробная информация
| Автомобиль: | ГАЗ 2217 |
| Модификации: | 22171 |
| Название детали: | Шайба 5,2 |
| Номер детали: | 45 9952 6075 |
| Актуальность: | 01.10.1998 |
| Количество: | |
13 - для автомобилей ГАЗ-2217, -22171
10 - для автомобилей ГАЗ-2752
Подробная информация
| Автомобиль: | ГАЗ 2217 |
| Модификации: | 22171 |
| Название детали: | Шайба 6Л |
| Номер детали: | 252154-П2 |
| Актуальность: | 01.10.1998 |
| Количество: | |
143 - для автомобилей ГАЗ-2217, -22171
105 - для автомобилей ГАЗ-2752
Подробная информация
| Автомобиль: | ГАЗ 2217 |
| Модификации: | 22171 |
| Название детали: | Электродвигатель вентилятора переднего отопителя |
| Номер детали: | 511.3730 |
| Актуальность: | 01.10.1998 |
| Количество: | |
1 - для автомобилей ГАЗ-2217, -22171
1 - для автомобилей ГАЗ-2752
Подробная информация
| Автомобиль: | ГАЗ 2217 |
| Модификации: | 22171 |
| Название детали: | Электродвигатель переднего отопителя с роторами |
| Номер детали: | 3302-8101178 |
| Актуальность: | 01.10.1998 |
| Количество: | |
1 - для автомобилей ГАЗ-2217, -22171
1 - для автомобилей ГАЗ-2752
№
Номер запчасти
Наименование запчасти