- Автозапчасти ВАЗ
- Автозапчасти ГАЗ
- Автозапчасти на иномарки
- Автохимия, масла
- Подбор масла
- Инструменты, аксессуары
- Метизы
- Прочее, Москвич
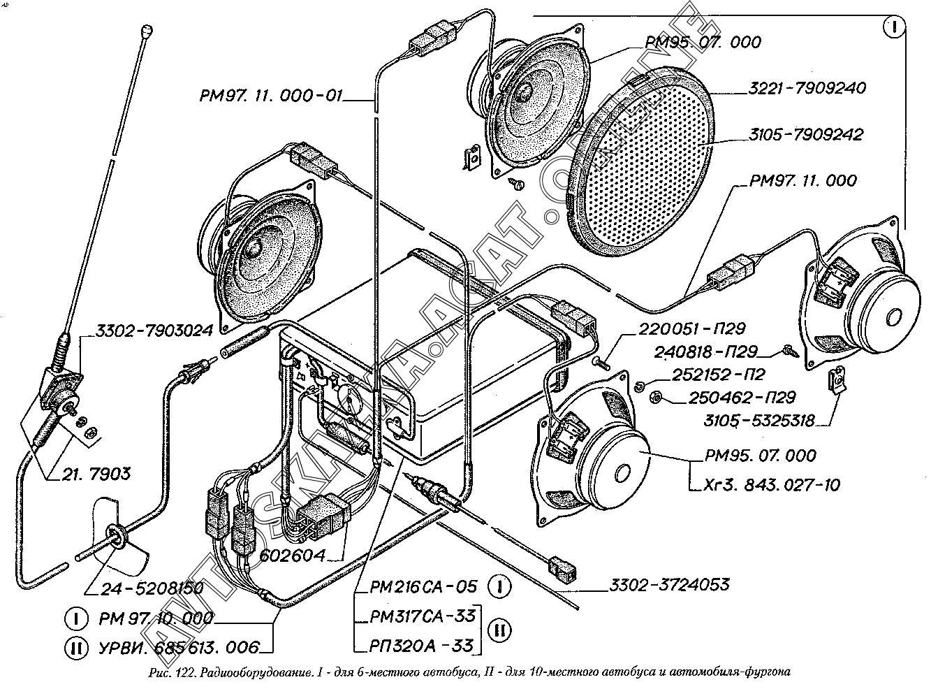
Радиооборудование. I - для 6-местного автобуса, II - для 10-местного автобуса и автомобиля-фургона ГАЗ 2217 (22171)
Радиооборудование. I - для 6-местного автобуса, II - для 10-местного автобуса и автомобиля-фургона
+
Увеличить изображение на 10%
-
Уменьшить изображение на 10%
Выделение детали в таблице
Прокрутка картинки
Увеличить масштаб
21.7903
240818-П29
220051-П29
24-5208150
3105-5325318
250462-П29
РМ95.07.000
РМ95.07.000
Хг3.843.027-10
602604
РМ317СА-33
РМ216СА-05
3221-7909240
РП320А-33
3302-3724053
РМ97.10.000
РМ97.11.000
РМ97.11.000-01
УРВИ.685613.006
3302-7903024
3105-7909242
252152-П2
Подробная информация
| Автомобиль: | ГАЗ 2217 |
| Модификации: | 22171 |
| Название детали: | Антенна |
| Номер детали: | 21.7903 |
| Актуальность: | 01.10.1998 |
| Количество: | |
1 - для автомобилей ГАЗ-2217, -22171
1 - для автомобилей ГАЗ-2752
Подробная информация
| Автомобиль: | ГАЗ 2217 |
| Модификации: | 22171 |
| Название детали: | Винт 4х12 |
| Номер детали: | 240818-П29 |
| Актуальность: | 01.10.1998 |
| Количество: | |
43 - для автомобилей ГАЗ-2217, -22171
33 - для автомобилей ГАЗ-2752
Подробная информация
| Автомобиль: | ГАЗ 2217 |
| Модификации: | 22171 |
| Название детали: | Винт М4-6gх10 |
| Номер детали: | 220051-П29 |
| Актуальность: | 01.10.1998 |
| Количество: | |
8 - для автомобилей ГАЗ-2217, -22171
Подробная информация
| Автомобиль: | ГАЗ 2217 |
| Модификации: | 22171 |
| Название детали: | Втулка уплотнительная |
| Номер детали: | 24-5208150 |
| Актуальность: | 01.10.1998 |
| Количество: | |
1 - для автомобилей ГАЗ-2217, -22171
1 - для автомобилей ГАЗ-2752
Подробная информация
| Автомобиль: | ГАЗ 2217 |
| Модификации: | 22171 |
| Название детали: | Гайка |
| Номер детали: | 3105-5325318 |
| Актуальность: | 01.10.1998 |
| Количество: | |
8 - для автомобилей ГАЗ-2217, -22171
Подробная информация
| Автомобиль: | ГАЗ 2217 |
| Модификации: | 22171 |
| Название детали: | Гайка М4-6Н |
| Номер детали: | 250462-П29 |
| Актуальность: | 01.10.1998 |
| Количество: | |
8 - для автомобилей ГАЗ-2217, -22171
Подробная информация
| Автомобиль: | ГАЗ 2217 |
| Модификации: | 22171 |
| Название детали: | Громкоговоритель |
| Номер детали: | РМ95.07.000 |
| Актуальность: | 01.10.1998 |
| Количество: | |
2 - для автомобилей ГАЗ-2217, -22171
2 - для автомобилей ГАЗ-2752
Подробная информация
| Автомобиль: | ГАЗ 2217 |
| Модификации: | 22171 |
| Название детали: | Громкоговоритель |
| Номер детали: | РМ95.07.000 |
| Актуальность: | 01.10.1998 |
| Количество: | |
4 - для автомобилей ГАЗ-2217, -22171
2 - для автомобилей ГАЗ-2752
Подробная информация
| Автомобиль: | ГАЗ 2217 |
| Модификации: | 22171 |
| Название детали: | Громкоговоритель |
| Номер детали: | Хг3.843.027-10 |
| Актуальность: | 01.10.1998 |
| Количество: | |
2 - для автомобилей ГАЗ-2217, -22171
2 - для автомобилей ГАЗ-2752
Подробная информация
| Автомобиль: | ГАЗ 2217 |
| Модификации: | 22171 |
| Название детали: | Колодка гнездовая |
| Номер детали: | 602604 |
| Актуальность: | 01.10.1998 |
| Количество: | |
1 - для автомобилей ГАЗ-2217, -22171
Подробная информация
| Автомобиль: | ГАЗ 2217 |
| Модификации: | 22171 |
| Название детали: | Магнитола автомобильная "Былина" |
| Номер детали: | РМ317СА-33 |
| Актуальность: | 01.10.1998 |
| Количество: | |
1 - для автомобилей ГАЗ-2217, -22171
1 - для автомобилей ГАЗ-2752
Подробная информация
| Автомобиль: | ГАЗ 2217 |
| Модификации: | 22171 |
| Название детали: | Магнитола автомобильная "Романтик" |
| Номер детали: | РМ216СА-05 |
| Актуальность: | 01.10.1998 |
| Количество: | |
1 - для автомобилей ГАЗ-2217, -22171
Подробная информация
| Автомобиль: | ГАЗ 2217 |
| Модификации: | 22171 |
| Название детали: | Облицовка громкоговорителя |
| Номер детали: | 3221-7909240 |
| Актуальность: | 01.10.1998 |
| Количество: | |
2 - для автомобилей ГАЗ-2217, -22171
Подробная информация
| Автомобиль: | ГАЗ 2217 |
| Модификации: | 22171 |
| Название детали: | Приемник автомобильный "Былина" |
| Номер детали: | РП320А-33 |
| Актуальность: | 01.10.1998 |
| Количество: | |
1 - для автомобилей ГАЗ-2217, -22171
1 - для автомобилей ГАЗ-2752
Подробная информация
| Автомобиль: | ГАЗ 2217 |
| Модификации: | 22171 |
| Название детали: | Провод 53 "массы" РМ или РП |
| Номер детали: | 3302-3724053 |
| Актуальность: | 01.10.1998 |
| Количество: | |
1 - для автомобилей ГАЗ-2217, -22171
1 - для автомобилей ГАЗ-2752
Подробная информация
| Автомобиль: | ГАЗ 2217 |
| Модификации: | 22171 |
| Название детали: | Провод соединительный |
| Номер детали: | РМ97.10.000 |
| Актуальность: | 01.10.1998 |
| Количество: | |
1 - для автомобилей ГАЗ-2217, -22171
Подробная информация
| Автомобиль: | ГАЗ 2217 |
| Модификации: | 22171 |
| Название детали: | Провод соединительный |
| Номер детали: | РМ97.11.000 |
| Актуальность: | 01.10.1998 |
| Количество: | |
1 - для автомобилей ГАЗ-2217, -22171
Подробная информация
| Автомобиль: | ГАЗ 2217 |
| Модификации: | 22171 |
| Название детали: | Провод соединительный |
| Номер детали: | РМ97.11.000-01 |
| Актуальность: | 01.10.1998 |
| Количество: | |
1 - для автомобилей ГАЗ-2217, -22171
Подробная информация
| Автомобиль: | ГАЗ 2217 |
| Модификации: | 22171 |
| Название детали: | Провод соединительный |
| Номер детали: | УРВИ.685613.006 |
| Актуальность: | 01.10.1998 |
| Количество: | |
1 - для автомобилей ГАЗ-2217, -22171
1 - для автомобилей ГАЗ-2752
Подробная информация
| Автомобиль: | ГАЗ 2217 |
| Модификации: | 22171 |
| Название детали: | Прокладка антенны |
| Номер детали: | 3302-7903024 |
| Актуальность: | 01.10.1998 |
| Количество: | |
1 - для автомобилей ГАЗ-2217, -22171
1 - для автомобилей ГАЗ-2752
Подробная информация
| Автомобиль: | ГАЗ 2217 |
| Модификации: | 22171 |
| Название детали: | Решетка громкоговорителя |
| Номер детали: | 3105-7909242 |
| Актуальность: | 01.10.1998 |
| Количество: | |
2 - для автомобилей ГАЗ-2217, -22171
Подробная информация
| Автомобиль: | ГАЗ 2217 |
| Модификации: | 22171 |
| Название детали: | Шайба 4Л |
| Номер детали: | 252152-П2 |
| Актуальность: | 01.10.1998 |
| Количество: | |
8 - для автомобилей ГАЗ-2217, -22171
№
Номер запчасти
Наименование запчасти