- Автозапчасти ВАЗ
- Автозапчасти ГАЗ
- Автозапчасти на иномарки
- Автохимия, масла
- Подбор масла
- Инструменты, аксессуары
- Метизы
- Прочее, Москвич
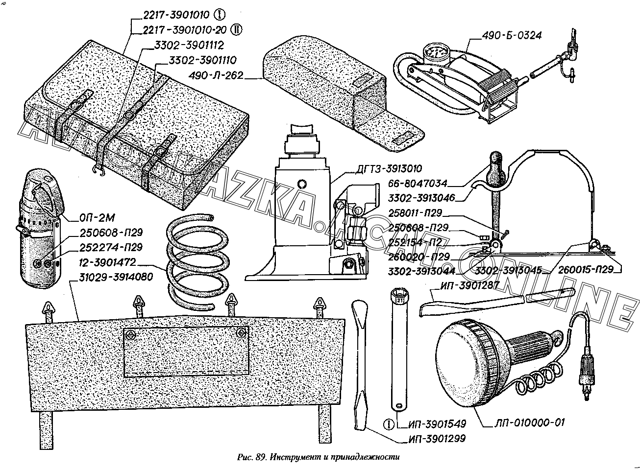
Инструмент и принадлежности ГАЗ 2217 (22171)
+
Увеличить изображение на 10%
-
Уменьшить изображение на 10%
Выделение детали в таблице
Прокрутка картинки
Увеличить масштаб
250608-П29
250608-П29
ДГТ3-3913010
66-8047034
ИП-3901549
2217-3901010
2217-3901010-20
3302-3913045
3302-3913044
ЛП-010000-01
ИП-3901299
ИП-3901287
490-Б-0324
ОП-2М
260015-П29
260020-П29
3302-3901110
3302-3901112
31029-3914080
3302-3913046
490-Л-262
252274-П29
252154-П2
12-3901472
258011-П29
Подробная информация
| Автомобиль: | ГАЗ 2217 |
| Модификации: | 22171 |
| Название детали: | Гайка М6-6Н |
| Номер детали: | 250608-П29 |
| Актуальность: | 01.10.1998 |
| Количество: | |
44 - для автомобилей ГАЗ-2217, -22171
27 - для автомобилей ГАЗ-2752
Подробная информация
| Автомобиль: | ГАЗ 2217 |
| Модификации: | 22171 |
| Название детали: | Домкрат гидравлический |
| Номер детали: | ДГТ3-3913010 |
| Актуальность: | 01.10.1998 |
| Количество: | |
1 - для автомобилей ГАЗ-2217, -22171
1 - для автомобилей ГАЗ-2752
Подробная информация
| Автомобиль: | ГАЗ 2217 |
| Модификации: | 22171 |
| Название детали: | Застежка хомута |
| Номер детали: | 66-8047034 |
| Актуальность: | 01.10.1998 |
| Количество: | |
1 - для автомобилей ГАЗ-2217, -22171
1 - для автомобилей ГАЗ-2752
Подробная информация
| Автомобиль: | ГАЗ 2217 |
| Модификации: | 22171 |
| Название детали: | Ключ торцовый для свечей зажигания |
| Номер детали: | ИП-3901549 |
| Актуальность: | 01.10.1998 |
| Количество: | |
1 - для автомобилей ГАЗ-2217, -22171
Подробная информация
| Автомобиль: | ГАЗ 2217 |
| Модификации: | 22171 |
| Название детали: | Комплект инструмента и принадлежностей |
| Номер детали: | 2217-3901010 |
| Актуальность: | 01.10.1998 |
| Количество: | |
1 - для автомобилей ГАЗ-2217, -22171
Подробная информация
| Автомобиль: | ГАЗ 2217 |
| Модификации: | 22171 |
| Название детали: | Комплект инструмента и принадлежностей |
| Номер детали: | 2217-3901010-20 |
| Актуальность: | 01.10.1998 |
| Количество: | |
1 - для автомобилей ГАЗ-2752
Подробная информация
| Автомобиль: | ГАЗ 2217 |
| Модификации: | 22171 |
| Название детали: | Кронштейн задний |
| Номер детали: | 3302-3913045 |
| Актуальность: | 01.10.1998 |
| Количество: | |
1 - для автомобилей ГАЗ-2217, -22171
1 - для автомобилей ГАЗ-2752
Подробная информация
| Автомобиль: | ГАЗ 2217 |
| Модификации: | 22171 |
| Название детали: | Кронштейн передний |
| Номер детали: | 3302-3913044 |
| Актуальность: | 01.10.1998 |
| Количество: | |
1 - для автомобилей ГАЗ-2217, -22171
1 - для автомобилей ГАЗ-2752
Подробная информация
| Автомобиль: | ГАЗ 2217 |
| Модификации: | 22171 |
| Название детали: | Лампа переносная |
| Номер детали: | ЛП-010000-01 |
| Актуальность: | 01.10.1998 |
| Количество: | |
1 - для автомобилей ГАЗ-2217, -22171
1 - для автомобилей ГАЗ-2752
Подробная информация
| Автомобиль: | ГАЗ 2217 |
| Модификации: | 22171 |
| Название детали: | Лопатка для монтажа |
| Номер детали: | ИП-3901299 |
| Актуальность: | 01.10.1998 |
| Количество: | |
1 - для автомобилей ГАЗ-2217, -22171
1 - для автомобилей ГАЗ-2752
Подробная информация
| Автомобиль: | ГАЗ 2217 |
| Модификации: | 22171 |
| Название детали: | Лопатка монтажная и вороток гидродомкрата |
| Номер детали: | ИП-3901287 |
| Актуальность: | 01.10.1998 |
| Количество: | |
1 - для автомобилей ГАЗ-2217, -22171
1 - для автомобилей ГАЗ-2752
Подробная информация
| Автомобиль: | ГАЗ 2217 |
| Модификации: | 22171 |
| Название детали: | Насос ножной |
| Номер детали: | 490-Б-0324 |
| Актуальность: | 01.10.1998 |
| Количество: | |
1 - для автомобилей ГАЗ-2217, -22171
1 - для автомобилей ГАЗ-2752
Подробная информация
| Автомобиль: | ГАЗ 2217 |
| Модификации: | 22171 |
| Название детали: | Огнетушитель порошковый |
| Номер детали: | ОП-2М |
| Актуальность: | 01.10.1998 |
| Количество: | |
1 - для автомобилей ГАЗ-2217, -22171
1 - для автомобилей ГАЗ-2752
Подробная информация
| Автомобиль: | ГАЗ 2217 |
| Модификации: | 22171 |
| Название детали: | Палец 6х28 |
| Номер детали: | 260015-П29 |
| Актуальность: | 01.10.1998 |
| Количество: | |
1 - для автомобилей ГАЗ-2217, -22171
1 - для автомобилей ГАЗ-2752
Подробная информация
| Автомобиль: | ГАЗ 2217 |
| Модификации: | 22171 |
| Название детали: | Палец 6х40 |
| Номер детали: | 260020-П29 |
| Актуальность: | 01.10.1998 |
| Количество: | |
1 - для автомобилей ГАЗ-2217, -22171
1 - для автомобилей ГАЗ-2752
Подробная информация
| Автомобиль: | ГАЗ 2217 |
| Модификации: | 22171 |
| Название детали: | Скоба с застежкой в сборе |
| Номер детали: | 3302-3901110 |
| Актуальность: | 01.10.1998 |
| Количество: | |
1 - для автомобилей ГАЗ-2217, -22171
1 - для автомобилей ГАЗ-2752
Подробная информация
| Автомобиль: | ГАЗ 2217 |
| Модификации: | 22171 |
| Название детали: | Скоба с застежкой в сборе |
| Номер детали: | 3302-3901112 |
| Актуальность: | 01.10.1998 |
| Количество: | |
1 - для автомобилей ГАЗ-2217, -22171
1 - для автомобилей ГАЗ-2752
Подробная информация
| Автомобиль: | ГАЗ 2217 |
| Модификации: | 22171 |
| Название детали: | Утеплитель облицовки радиатора |
| Номер детали: | 31029-3914080 |
| Актуальность: | 01.10.1998 |
| Количество: | |
1 - для автомобилей ГАЗ-2217, -22171
1 - для автомобилей ГАЗ-2752
Подробная информация
| Автомобиль: | ГАЗ 2217 |
| Модификации: | 22171 |
| Название детали: | Хомут крепления домкрата |
| Номер детали: | 3302-3913046 |
| Актуальность: | 01.10.1998 |
| Количество: | |
1 - для автомобилей ГАЗ-2217, -22171
1 - для автомобилей ГАЗ-2752
Подробная информация
| Автомобиль: | ГАЗ 2217 |
| Модификации: | 22171 |
| Название детали: | Чехол на насос ножной |
| Номер детали: | 490-Л-262 |
| Актуальность: | 01.10.1998 |
| Количество: | |
1 - для автомобилей ГАЗ-2217, -22171
1 - для автомобилей ГАЗ-2752
Подробная информация
| Автомобиль: | ГАЗ 2217 |
| Модификации: | 22171 |
| Название детали: | Шайба 6 |
| Номер детали: | 252274-П29 |
| Актуальность: | 01.10.1998 |
| Количество: | |
18 - для автомобилей ГАЗ-2217, -22171
18 - для автомобилей ГАЗ-2752
Подробная информация
| Автомобиль: | ГАЗ 2217 |
| Модификации: | 22171 |
| Название детали: | Шайба 6Л |
| Номер детали: | 252154-П2 |
| Актуальность: | 01.10.1998 |
| Количество: | |
143 - для автомобилей ГАЗ-2217, -22171
105 - для автомобилей ГАЗ-2752
Подробная информация
| Автомобиль: | ГАЗ 2217 |
| Модификации: | 22171 |
| Название детали: | Шланг для прокачивания гидротормозов |
| Номер детали: | 12-3901472 |
| Актуальность: | 01.10.1998 |
| Количество: | |
1 - для автомобилей ГАЗ-2217, -22171
1 - для автомобилей ГАЗ-2752
Подробная информация
| Автомобиль: | ГАЗ 2217 |
| Модификации: | 22171 |
| Название детали: | Шплинт 2х10 |
| Номер детали: | 258011-П29 |
| Актуальность: | 01.10.1998 |
| Количество: | |
7 - для автомобилей ГАЗ-2217, -22171
3 - для автомобилей ГАЗ-2752
№
Номер запчасти
Наименование запчасти