- Автозапчасти ВАЗ
- Автозапчасти ГАЗ
- Автозапчасти на иномарки
- Автохимия, масла
- Подбор масла
- Инструменты, аксессуары
- Метизы
- Прочее, Москвич
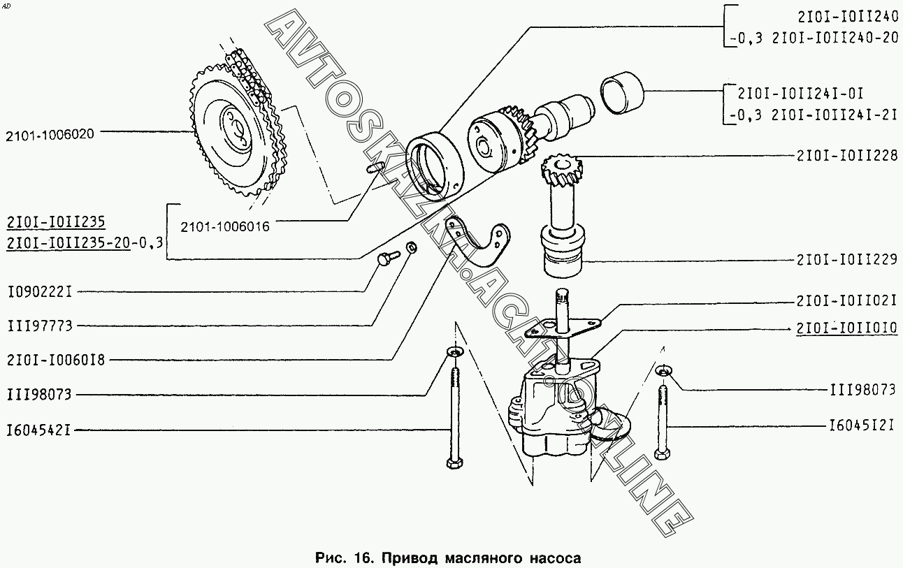
Привод масляного насоса ИЖ 2126 (2126 "Ода" с двигателями УЗАМ, ВАЗ-2106)
+
Увеличить изображение на 10%
-
Уменьшить изображение на 10%
Выделение детали в таблице
Прокрутка картинки
Увеличить масштаб
16045121
16045421
2101-1011235-20
2101-1011235
2101-1011241-01
2101-1011241-21
2101-1011240
2101-1011240-20
2101-1011021
2101-1006016
11197773
11198073
11198073
10902221
2101-1011010
2101-1011229
2101-1006020
2101-1006018
2101-1011228
Подробная информация
| Автомобиль: | ИЖ 2126 |
| Модификации: | 2126 "Ода" с двигателями УЗАМ, ВАЗ-2106 |
| Название детали: | Болт М6х95 |
| Номер детали: | 16045121 |
| Актуальность: | 01.01.2004 |
| Количество: | |
1 - для автомобилей ИЖ-2126 и его модификаций
Подробная информация
| Автомобиль: | ИЖ 2126 |
| Модификации: | 2126 "Ода" с двигателями УЗАМ, ВАЗ-2106 |
| Название детали: | Болт М8х110 |
| Номер детали: | 16045421 |
| Актуальность: | 01.01.2004 |
| Количество: | |
1 - для автомобилей ИЖ-2126 и его модификаций
Подробная информация
| Автомобиль: | ИЖ 2126 |
| Модификации: | 2126 "Ода" с двигателями УЗАМ, ВАЗ-2106 |
| Название детали: | Вал привода |
| Номер детали: | 2101-1011235-20 |
| Актуальность: | 01.01.2004 |
| Количество: | |
1 - для автомобилей ИЖ-2126 и его модификаций
Подробная информация
| Автомобиль: | ИЖ 2126 |
| Модификации: | 2126 "Ода" с двигателями УЗАМ, ВАЗ-2106 |
| Название детали: | Зал привода |
| Номер детали: | 2101-1011235 |
| Актуальность: | 01.01.2004 |
| Количество: | |
1 - для автомобилей ИЖ-2126 и его модификаций
Подробная информация
| Автомобиль: | ИЖ 2126 |
| Модификации: | 2126 "Ода" с двигателями УЗАМ, ВАЗ-2106 |
| Название детали: | Подшипник вала задний |
| Номер детали: | 2101-1011241-01 |
| Актуальность: | 01.01.2004 |
| Количество: | |
1 - для автомобилей ИЖ-2126 и его модификаций
Подробная информация
| Автомобиль: | ИЖ 2126 |
| Модификации: | 2126 "Ода" с двигателями УЗАМ, ВАЗ-2106 |
| Название детали: | Подшипник вала задний |
| Номер детали: | 2101-1011241-21 |
| Актуальность: | 01.01.2004 |
| Количество: | |
1 - для автомобилей ИЖ-2126 и его модификаций
Подробная информация
| Автомобиль: | ИЖ 2126 |
| Модификации: | 2126 "Ода" с двигателями УЗАМ, ВАЗ-2106 |
| Название детали: | Подшипник вала передний |
| Номер детали: | 2101-1011240 |
| Актуальность: | 01.01.2004 |
| Количество: | |
1 - для автомобилей ИЖ-2126 и его модификаций
Подробная информация
| Автомобиль: | ИЖ 2126 |
| Модификации: | 2126 "Ода" с двигателями УЗАМ, ВАЗ-2106 |
| Название детали: | Подшипник вала передний |
| Номер детали: | 2101-1011240-20 |
| Актуальность: | 01.01.2004 |
| Количество: | |
1 - для автомобилей ИЖ-2126 и его модификаций
Подробная информация
| Автомобиль: | ИЖ 2126 |
| Модификации: | 2126 "Ода" с двигателями УЗАМ, ВАЗ-2106 |
| Название детали: | Прокладка |
| Номер детали: | 2101-1011021 |
| Актуальность: | 01.01.2004 |
| Количество: | |
1 - для автомобилей ИЖ-2126 и его модификаций
Подробная информация
| Автомобиль: | ИЖ 2126 |
| Модификации: | 2126 "Ода" с двигателями УЗАМ, ВАЗ-2106 |
| Название детали: | Фланец упорный |
| Номер детали: | 2101-1006016 |
| Актуальность: | 01.01.2004 |
| Количество: | |
1 - для автомобилей ИЖ-2126 и его модификаций
Подробная информация
| Автомобиль: | ИЖ 2126 |
| Модификации: | 2126 "Ода" с двигателями УЗАМ, ВАЗ-2106 |
| Название детали: | Шайба 6 пружинная коническая |
| Номер детали: | 11197773 |
| Актуальность: | 01.01.2004 |
| Количество: | |
Подробная информация
| Автомобиль: | ИЖ 2126 |
| Модификации: | 2126 "Ода" с двигателями УЗАМ, ВАЗ-2106 |
| Название детали: | Шайба 8 пружинная коническая |
| Номер детали: | 11198073 |
| Актуальность: | 01.01.2004 |
| Количество: | |
2 - для автомобилей ИЖ-2126 и его модификаций
Подробная информация
| Автомобиль: | ИЖ 2126 |
| Модификации: | 2126 "Ода" с двигателями УЗАМ, ВАЗ-2106 |
| Название детали: | Болт М6х16 |
| Номер детали: | 10902221 |
| Актуальность: | 01.01.2004 |
| Количество: | |
2 - для автомобилей ИЖ-2126 и его модификаций
Подробная информация
| Автомобиль: | ИЖ 2126 |
| Модификации: | 2126 "Ода" с двигателями УЗАМ, ВАЗ-2106 |
| Название детали: | Насос |
| Номер детали: | 2101-1011010 |
| Актуальность: | 01.01.2004 |
| Количество: | |
1 - для автомобилей ИЖ-2126 и его модификаций
Подробная информация
| Автомобиль: | ИЖ 2126 |
| Модификации: | 2126 "Ода" с двигателями УЗАМ, ВАЗ-2106 |
| Название детали: | Втулка шестерни |
| Номер детали: | 2101-1011229 |
| Актуальность: | 01.01.2004 |
| Количество: | |
1 - для автомобилей ИЖ-2126 и его модификаций
Подробная информация
| Автомобиль: | ИЖ 2126 |
| Модификации: | 2126 "Ода" с двигателями УЗАМ, ВАЗ-2106 |
| Название детали: | Звездочка распредвала |
| Номер детали: | 2101-1006020 |
| Актуальность: | 01.01.2004 |
| Количество: | |
2 - для автомобилей ИЖ-2126 и его модификаций
Подробная информация
| Автомобиль: | ИЖ 2126 |
| Модификации: | 2126 "Ода" с двигателями УЗАМ, ВАЗ-2106 |
| Название детали: | Фланец упорный |
| Номер детали: | 2101-1006018 |
| Актуальность: | 01.01.2004 |
| Количество: | |
1 - для автомобилей ИЖ-2126 и его модификаций
Подробная информация
| Автомобиль: | ИЖ 2126 |
| Модификации: | 2126 "Ода" с двигателями УЗАМ, ВАЗ-2106 |
| Название детали: | Шестерня привода |
| Номер детали: | 2101-1011228 |
| Актуальность: | 01.01.2004 |
| Количество: | |
1 - для автомобилей ИЖ-2126 и его модификаций
№
Номер запчасти
Наименование запчасти