- Автозапчасти ВАЗ
- Автозапчасти ГАЗ
- Автозапчасти на иномарки
- Автохимия, масла
- Подбор масла
- Инструменты, аксессуары
- Метизы
- Прочее, Москвич
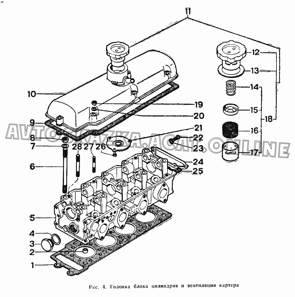
Головка блока цилиндров и вентиляции картера ИЖ 2126
+
Увеличить изображение на 10%
-
Уменьшить изображение на 10%
Выделение детали в таблице
Прокрутка картинки
Увеличить масштаб
1
2
3
4
5
6
7
8
9
10
11
12
13
14
15
16
17
18
19
20
21
22
23
24
25
26
27
28
Подробная информация
| Автомобиль: | ИЖ 2126 |
| Модификации: | |
| Название детали: | Головка цилиндров в сборе |
| Номер детали: | 331.1003010-10 |
| Актуальность: | 01.03.1995 |
| Количество: | |
1 - для автомобилей ИЖ-2126 и его модификаций
Подробная информация
| Автомобиль: | ИЖ 2126 |
| Модификации: | |
| Название детали: | Головка цилиндров с седлами и втулками в сборе |
| Номер детали: | 331.1003011 |
| Актуальность: | 01.03.1995 |
| Количество: | |
1 - для автомобилей ИЖ-2126 и его модификаций
Подробная информация
| Автомобиль: | ИЖ 2126 |
| Модификации: | |
| Название детали: | Крышка головки в сборе |
| Номер детали: | 412.1003260-01 |
| Актуальность: | 01.03.1995 |
| Количество: | |
1 - для автомобилей ИЖ-2126 и его модификаций
Подробная информация
| Автомобиль: | ИЖ 2126 |
| Модификации: | |
| Название детали: | Прокладка головки в сборе |
| Номер детали: | 412-1003020-01 |
| Актуальность: | 01.03.1995 |
| Количество: | |
1 - для автомобилей ИЖ-2126 и его модификаций
Подробная информация
| Автомобиль: | ИЖ 2126 |
| Модификации: | |
| Название детали: | Штифт 16,5х15 |
| Номер детали: | 361981 |
| Актуальность: | 01.03.1995 |
| Количество: | |
2 - для автомобилей ИЖ-2126 и его модификаций
Подробная информация
| Автомобиль: | ИЖ 2126 |
| Модификации: | |
| Название детали: | Пробка М36х1,5 |
| Номер детали: | 367105 |
| Актуальность: | 01.03.1995 |
| Количество: | |
2 - для автомобилей ИЖ-2126 и его модификаций
Подробная информация
| Автомобиль: | ИЖ 2126 |
| Модификации: | |
| Название детали: | Шайба 36 уплотнительная |
| Номер детали: | 365154 |
| Актуальность: | 01.03.1995 |
| Количество: | |
2 - для автомобилей ИЖ-2126 и его модификаций
Подробная информация
| Автомобиль: | ИЖ 2126 |
| Модификации: | |
| Название детали: | Головка цилиндров |
| Номер детали: | 331.1003015 |
| Актуальность: | 01.03.1995 |
| Количество: | |
1 - для автомобилей ИЖ-2126 и его модификаций
Подробная информация
| Автомобиль: | ИЖ 2126 |
| Модификации: | |
| Название детали: | Шпилька М12Х1,25-260 |
| Номер детали: | 412-1003016-10 |
| Актуальность: | 01.03.1995 |
| Количество: | |
10 - для автомобилей ИЖ-2126 и его модификаций
Подробная информация
| Автомобиль: | ИЖ 2126 |
| Модификации: | |
| Название детали: | Шайба 12,5 |
| Номер детали: | 365153 |
| Актуальность: | 01.03.1995 |
| Количество: | |
10 - для автомобилей ИЖ-2126 и его модификаций
Подробная информация
| Автомобиль: | ИЖ 2126 |
| Модификации: | |
| Название детали: | Гайка М12Х1.25 |
| Номер детали: | 362042 |
| Актуальность: | 01.03.1995 |
| Количество: | |
10 - для автомобилей ИЖ-2126 и его модификаций
Подробная информация
| Автомобиль: | ИЖ 2126 |
| Модификации: | |
| Название детали: | Прокладка крышки |
| Номер детали: | 412-1003270-01 |
| Актуальность: | 01.03.1995 |
| Количество: | |
1 - для автомобилей ИЖ-2126 и его модификаций
Подробная информация
| Автомобиль: | ИЖ 2126 |
| Модификации: | |
| Название детали: | Крышка головки |
| Номер детали: | 412-1003264-02 |
| Актуальность: | 01.03.1995 |
| Количество: | |
1 - для автомобилей ИЖ-2126 и его модификаций
Подробная информация
| Автомобиль: | ИЖ 2126 |
| Модификации: | |
| Название детали: | Пробка с фильтром в сборе |
| Номер детали: | 412-1003145-01 |
| Актуальность: | 01.03.1995 |
| Количество: | |
1 - для автомобилей ИЖ-2126 и его модификаций
Подробная информация
| Автомобиль: | ИЖ 2126 |
| Модификации: | |
| Название детали: | Пробка в сборе |
| Номер детали: | 412-1003146-10 |
| Актуальность: | 01.03.1995 |
| Количество: | |
1 - для автомобилей ИЖ-2126 и его модификаций
Подробная информация
| Автомобиль: | ИЖ 2126 |
| Модификации: | |
| Название детали: | Прокладка пробки |
| Номер детали: | 412-1003262 |
| Актуальность: | 01.03.1995 |
| Количество: | |
1 - для автомобилей ИЖ-2126 и его модификаций
Подробная информация
| Автомобиль: | ИЖ 2126 |
| Модификации: | |
| Название детали: | Пружина фильтра |
| Номер детали: | 412-1014154 |
| Актуальность: | 01.03.1995 |
| Количество: | |
1 - для автомобилей ИЖ-2126 и его модификаций
Подробная информация
| Автомобиль: | ИЖ 2126 |
| Модификации: | |
| Название детали: | Крышка фильтра |
| Номер детали: | 412-1014159-10 |
| Актуальность: | 01.03.1995 |
| Количество: | |
1 - для автомобилей ИЖ-2126 и его модификаций
Подробная информация
| Автомобиль: | ИЖ 2126 |
| Модификации: | |
| Название детали: | Элемент фильтрующий |
| Номер детали: | 412-1014165 |
| Актуальность: | 01.03.1995 |
| Количество: | |
1 - для автомобилей ИЖ-2126 и его модификаций
Подробная информация
| Автомобиль: | ИЖ 2126 |
| Модификации: | |
| Название детали: | Корпус фильтра |
| Номер детали: | 412-1014182 |
| Актуальность: | 01.03.1995 |
| Количество: | |
1 - для автомобилей ИЖ-2126 и его модификаций
Подробная информация
| Автомобиль: | ИЖ 2126 |
| Модификации: | |
| Название детали: | Фильтр вентиляции картера в сборе |
| Номер детали: | 412-1014150-01 |
| Актуальность: | 01.03.1995 |
| Количество: | |
1 - для автомобилей ИЖ-2126 и его модификаций
Подробная информация
| Автомобиль: | ИЖ 2126 |
| Модификации: | |
| Название детали: | Гайка М6 |
| Номер детали: | 250508-29 |
| Актуальность: | 01.03.1995 |
| Количество: | |
7 - для автомобилей ИЖ-2126 и его модификаций
Подробная информация
| Автомобиль: | ИЖ 2126 |
| Модификации: | |
| Название детали: | Шайба 6 |
| Номер детали: | 252004-29 |
| Актуальность: | 01.03.1995 |
| Количество: | |
8 - для автомобилей ИЖ-2126 и его модификаций
Подробная информация
| Автомобиль: | ИЖ 2126 |
| Модификации: | |
| Название детали: | Пластина крышки |
| Номер детали: | 412-1003265 |
| Актуальность: | 01.03.1995 |
| Количество: | |
1 - для автомобилей ИЖ-2126 и его модификаций
Подробная информация
| Автомобиль: | ИЖ 2126 |
| Модификации: | |
| Название детали: | Болт М6Х25 |
| Номер детали: | 201422-29 |
| Актуальность: | 01.03.1995 |
| Количество: | |
4 - для автомобилей ИЖ-2126 и его модификаций
Подробная информация
| Автомобиль: | ИЖ 2126 |
| Модификации: | |
| Название детали: | Шайба 6 |
| Номер детали: | 252004-29 |
| Актуальность: | 01.03.1995 |
| Количество: | |
8 - для автомобилей ИЖ-2126 и его модификаций
Подробная информация
| Автомобиль: | ИЖ 2126 |
| Модификации: | |
| Название детали: | Крышка головки |
| Номер детали: | 412-1003302 |
| Актуальность: | 01.03.1995 |
| Количество: | |
1 - для автомобилей ИЖ-2126 и его модификаций
Подробная информация
| Автомобиль: | ИЖ 2126 |
| Модификации: | |
| Название детали: | Прокладка задней крышки |
| Номер детали: | 412-1003303 |
| Актуальность: | 01.03.1995 |
| Количество: | |
1 - для автомобилей ИЖ-2126 и его модификаций
Подробная информация
| Автомобиль: | ИЖ 2126 |
| Модификации: | |
| Название детали: | Винт М5Х12 |
| Номер детали: | 224598 |
| Актуальность: | 01.03.1995 |
| Количество: | |
3 - для автомобилей ИЖ-2126 и его модификаций
Подробная информация
| Автомобиль: | ИЖ 2126 |
| Модификации: | |
| Название детали: | Шпилька М6Х38 |
| Номер детали: | 363077-29 |
| Актуальность: | 01.03.1995 |
| Количество: | |
5 - для автомобилей ИЖ-2126 и его модификаций
Подробная информация
| Автомобиль: | ИЖ 2126 |
| Модификации: | |
| Название детали: | Шпилька М6х55 |
| Номер детали: | 363078-29 |
| Актуальность: | 01.03.1995 |
| Количество: | |
1 - для автомобилей ИЖ-2126 и его модификаций
№
Номер запчасти
Наименование запчасти
