- Автозапчасти ВАЗ
- Автозапчасти ГАЗ
- Автозапчасти на иномарки
- Автохимия, масла
- Подбор масла
- Инструменты, аксессуары
- Метизы
- Прочее, Москвич
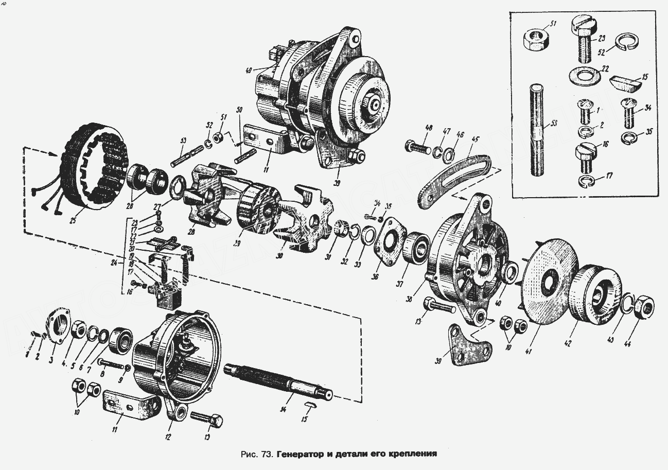
Генератор и детали его крепления ИЖ 434 (434П)
+
Увеличить изображение на 10%
-
Уменьшить изображение на 10%
Выделение детали в таблице
Прокрутка картинки
Увеличить масштаб
1
1
2
2
3
4
5
6
7
8
9
10
10
11
11
12
13
13
14
15
15
16
16
17
17
17
18
19
20
21
22
22
23
23
24
25
26
27
28
29
30
31
32
33
34
34
35
35
36
37
38
39
39
40
41
42
43
44
45
46
47
48
49
50
51
51
52
52
53
53
Подробная информация
| Автомобиль: | ИЖ 434 |
| Модификации: | 434П |
| Название детали: | Панель соединительная |
| Номер детали: | Г250-3701315 |
| Актуальность: | 01.01.1995 |
| Количество: | |
1 - для автомобиля ИЖ-412
1 - для автомобиля ИЖ-427
1 - для автомобиля ИЖ-434
Подробная информация
| Автомобиль: | ИЖ 434 |
| Модификации: | 434П |
| Название детали: | Шайба пружинная |
| Номер детали: | Х-4001 |
| Актуальность: | 01.01.1995 |
| Количество: | |
2 - для автомобиля ИЖ-412
2 - для автомобиля ИЖ-427
2 - для автомобиля ИЖ-434
Подробная информация
| Автомобиль: | ИЖ 434 |
| Модификации: | 434П |
| Название детали: | Шайба пружинная |
| Номер детали: | Х-1012 |
| Актуальность: | 01.01.1995 |
| Количество: | |
3 - для автомобиля ИЖ-412
3 - для автомобиля ИЖ-427
3 - для автомобиля ИЖ-434
Подробная информация
| Автомобиль: | ИЖ 434 |
| Модификации: | 434П |
| Название детали: | Шайба специальная |
| Номер детали: | МХ-1185 |
| Актуальность: | 01.01.1995 |
| Количество: | |
3 - для автомобиля ИЖ-412
3 - для автомобиля ИЖ-427
3 - для автомобиля ИЖ-434
Подробная информация
| Автомобиль: | ИЖ 434 |
| Модификации: | 434П |
| Название детали: | Втулка изоляционная |
| Номер детали: | Г21-3701107 |
| Актуальность: | 01.01.1995 |
| Количество: | |
3 - для автомобиля ИЖ-412
3 - для автомобиля ИЖ-427
3 - для автомобиля ИЖ-434
Подробная информация
| Автомобиль: | ИЖ 434 |
| Модификации: | 434П |
| Название детали: | Крышка со стороны привода в сборе |
| Номер детали: | Г250Ж-3701400 |
| Актуальность: | 01.01.1995 |
| Количество: | |
1 - для автомобиля ИЖ-412
1 - для автомобиля ИЖ-427
1 - для автомобиля ИЖ-434
Подробная информация
| Автомобиль: | ИЖ 434 |
| Модификации: | 434П |
| Название детали: | Болт контактный |
| Номер детали: | Г250-37-1181 |
| Актуальность: | 01.01.1995 |
| Количество: | |
1 - для автомобиля ИЖ-412
1 - для автомобиля ИЖ-427
1 - для автомобиля ИЖ-434
Подробная информация
| Автомобиль: | ИЖ 434 |
| Модификации: | 434П |
| Название детали: | Винт крепления вывода диода к соединительной панели |
| Номер детали: | 8Х-1548 |
| Актуальность: | 01.01.1995 |
| Количество: | |
3 - для автомобиля ИЖ-412
3 - для автомобиля ИЖ-427
3 - для автомобиля ИЖ-434
Подробная информация
| Автомобиль: | ИЖ 434 |
| Модификации: | 434П |
| Название детали: | Радиатор с диодами в сборе |
| Номер детали: | Г250-3701310 |
| Актуальность: | 01.01.1995 |
| Количество: | |
1 - для автомобиля ИЖ-412
1 - для автомобиля ИЖ-427
1 - для автомобиля ИЖ-434
Подробная информация
| Автомобиль: | ИЖ 434 |
| Модификации: | 434П |
| Название детали: | Винт |
| Номер детали: | МХ-1020 |
| Актуальность: | 01.01.1995 |
| Количество: | |
1 - для автомобиля ИЖ-412
1 - для автомобиля ИЖ-427
1 - для автомобиля ИЖ-434
Подробная информация
| Автомобиль: | ИЖ 434 |
| Модификации: | 434П |
| Название детали: | Вывод диода, короткий |
| Номер детали: | Г250-3701314 |
| Актуальность: | 01.01.1995 |
| Количество: | |
1 - для автомобиля ИЖ-412
1 - для автомобиля ИЖ-427
1 - для автомобиля ИЖ-434
Подробная информация
| Автомобиль: | ИЖ 434 |
| Модификации: | 434П |
| Название детали: | Вывод диода, средний |
| Номер детали: | Г250-3701313 |
| Актуальность: | 01.01.1995 |
| Количество: | |
1 - для автомобиля ИЖ-412
1 - для автомобиля ИЖ-427
1 - для автомобиля ИЖ-434
Подробная информация
| Автомобиль: | ИЖ 434 |
| Модификации: | 434П |
| Название детали: | Винт крепления минусового провода |
| Номер детали: | 8Х-1598 |
| Актуальность: | 01.01.1995 |
| Количество: | |
1 - для автомобиля ИЖ-412
1 - для автомобиля ИЖ-427
1 - для автомобиля ИЖ-434
Подробная информация
| Автомобиль: | ИЖ 434 |
| Модификации: | 434П |
| Название детали: | Шайба пружинная |
| Номер детали: | Х-4001 |
| Актуальность: | 01.01.1995 |
| Количество: | |
1 - для автомобиля ИЖ-412
1 - для автомобиля ИЖ-427
1 - для автомобиля ИЖ-434
Подробная информация
| Автомобиль: | ИЖ 434 |
| Модификации: | 434П |
| Название детали: | Шайба |
| Номер детали: | 8Х-1497 |
| Актуальность: | 01.01.1995 |
| Количество: | |
1 - для автомобиля ИЖ-412
1 - для автомобиля ИЖ-427
1 - для автомобиля ИЖ-434
Подробная информация
| Автомобиль: | ИЖ 434 |
| Модификации: | 434П |
| Название детали: | Шайба свинцовая |
| Номер детали: | МХ-1111 |
| Актуальность: | 01.01.1995 |
| Количество: | |
3 - для автомобиля ИЖ-412
3 - для автомобиля ИЖ-427
3 - для автомобиля ИЖ-434
Подробная информация
| Автомобиль: | ИЖ 434 |
| Модификации: | 434П |
| Название детали: | Вывод диода, длинный |
| Номер детали: | Г250-3701312 |
| Актуальность: | 01.01.1995 |
| Количество: | |
1 - для автомобиля ИЖ-412
1 - для автомобиля ИЖ-427
1 - для автомобиля ИЖ-434
Подробная информация
| Автомобиль: | ИЖ 434 |
| Модификации: | 434П |
| Название детали: | Ротор в сборе |
| Номер детали: | Г250Ж-3701200 |
| Актуальность: | 01.01.1995 |
| Количество: | |
1 - для автомобиля ИЖ-412
1 - для автомобиля ИЖ-427
1 - для автомобиля ИЖ-434
Подробная информация
| Автомобиль: | ИЖ 434 |
| Модификации: | 434П |
| Название детали: | Гайка крепления диода |
| Номер детали: | 8Х-1533 |
| Актуальность: | 01.01.1995 |
| Количество: | |
3 - для автомобиля ИЖ-412
3 - для автомобиля ИЖ-427
3 - для автомобиля ИЖ-434
Подробная информация
| Автомобиль: | ИЖ 434 |
| Модификации: | 434П |
| Название детали: | Диод кремниевый Д242А (ТУ УЖ0321049ТУ) |
| Номер детали: | Д242А |
| Актуальность: | 01.01.1995 |
| Количество: | |
3 - для автомобиля ИЖ-412
3 - для автомобиля ИЖ-427
3 - для автомобиля ИЖ-434
Подробная информация
| Автомобиль: | ИЖ 434 |
| Модификации: | 434П |
| Название детали: | Диод кремниевый Д242АП (ТУ УЖ0321049ТУ) |
| Номер детали: | Д242АП |
| Актуальность: | 01.01.1995 |
| Количество: | |
3 - для автомобиля ИЖ-412
3 - для автомобиля ИЖ-427
3 - для автомобиля ИЖ-434
Подробная информация
| Автомобиль: | ИЖ 434 |
| Модификации: | 434П |
| Название детали: | Крышка со стороны контактных колец |
| Номер детали: | Г250Ж-3701301 |
| Актуальность: | 01.01.1995 |
| Количество: | |
1 - для автомобиля ИЖ-412
1 - для автомобиля ИЖ-427
1 - для автомобиля ИЖ-434
Подробная информация
| Автомобиль: | ИЖ 434 |
| Модификации: | 434П |
| Название детали: | Шайба |
| Номер детали: | МХ-0157 |
| Актуальность: | 01.01.1995 |
| Количество: | |
1 - для автомобиля ИЖ-412
1 - для автомобиля ИЖ-427
1 - для автомобиля ИЖ-434
Подробная информация
| Автомобиль: | ИЖ 434 |
| Модификации: | 434П |
| Название детали: | Радиатор |
| Номер детали: | Г250-3701311 |
| Актуальность: | 01.01.1995 |
| Количество: | |
1 - для автомобиля ИЖ-412
1 - для автомобиля ИЖ-427
1 - для автомобиля ИЖ-434
Подробная информация
| Автомобиль: | ИЖ 434 |
| Модификации: | 434П |
| Название детали: | Шайба пружинная |
| Номер детали: | Х-1482 |
| Актуальность: | 01.01.1995 |
| Количество: | |
3 - для автомобиля ИЖ-412
3 - для автомобиля ИЖ-427
3 - для автомобиля ИЖ-434
Подробная информация
| Автомобиль: | ИЖ 434 |
| Модификации: | 434П |
| Название детали: | Винт крепления крышки заднего подшипника |
| Номер детали: | Х-1541 |
| Актуальность: | 01.01.1995 |
| Количество: | |
3 - для автомобиля ИЖ-412
3 - для автомобиля ИЖ-427
3 - для автомобиля ИЖ-434
Подробная информация
| Автомобиль: | ИЖ 434 |
| Модификации: | 434П |
| Название детали: | Шайба пружинная |
| Номер детали: | Х-1012 |
| Актуальность: | 01.01.1995 |
| Количество: | |
3 - для автомобиля ИЖ-412
3 - для автомобиля ИЖ-427
3 - для автомобиля ИЖ-434
Подробная информация
| Автомобиль: | ИЖ 434 |
| Модификации: | 434П |
| Название детали: | Крышка заднего подшипника |
| Номер детали: | Г253-3701060 |
| Актуальность: | 01.01.1995 |
| Количество: | |
1 - для автомобиля ИЖ-412
1 - для автомобиля ИЖ-427
1 - для автомобиля ИЖ-434
Подробная информация
| Автомобиль: | ИЖ 434 |
| Модификации: | 434П |
| Название детали: | Гайка вала ротора со стороны контактных колец (крепления подшипника) |
| Номер детали: | МХ-0015 |
| Актуальность: | 01.01.1995 |
| Количество: | |
1 - для автомобиля ИЖ-412
1 - для автомобиля ИЖ-427
1 - для автомобиля ИЖ-434
Подробная информация
| Автомобиль: | ИЖ 434 |
| Модификации: | 434П |
| Название детали: | Шайба пружинная |
| Номер детали: | 7Х-4289 |
| Актуальность: | 01.01.1995 |
| Количество: | |
1 - для автомобиля ИЖ-412
1 - для автомобиля ИЖ-427
1 - для автомобиля ИЖ-434
Подробная информация
| Автомобиль: | ИЖ 434 |
| Модификации: | 434П |
| Название детали: | Шайба |
| Номер детали: | МХ-0825 |
| Актуальность: | 01.01.1995 |
| Количество: | |
1 - для автомобиля ИЖ-412
1 - для автомобиля ИЖ-427
1 - для автомобиля ИЖ-434
Подробная информация
| Автомобиль: | ИЖ 434 |
| Модификации: | 434П |
| Название детали: | Шарикоподшипник со стороны контактных колец |
| Номер детали: | П180502Кс9 |
| Актуальность: | 01.01.1995 |
| Количество: | |
1 - для автомобиля ИЖ-412
1 - для автомобиля ИЖ-427
1 - для автомобиля ИЖ-434
Подробная информация
| Автомобиль: | ИЖ 434 |
| Модификации: | 434П |
| Название детали: | Винт для стяжки крышек |
| Номер детали: | МХ-1156 |
| Актуальность: | 01.01.1995 |
| Количество: | |
3 - для автомобиля ИЖ-412
3 - для автомобиля ИЖ-427
3 - для автомобиля ИЖ-434
Подробная информация
| Автомобиль: | ИЖ 434 |
| Модификации: | 434П |
| Название детали: | Шайба пружинная |
| Номер детали: | Х-4001 |
| Актуальность: | 01.01.1995 |
| Количество: | |
3 - для автомобиля ИЖ-412
3 - для автомобиля ИЖ-427
3 - для автомобиля ИЖ-434
Подробная информация
| Автомобиль: | ИЖ 434 |
| Модификации: | 434П |
| Название детали: | Гайка |
| Номер детали: | 250773-П29 |
| Актуальность: | 01.01.1995 |
| Количество: | |
2 - для автомобиля ИЖ-412
2 - для автомобиля ИЖ-427
2 - для автомобиля ИЖ-434
Подробная информация
| Автомобиль: | ИЖ 434 |
| Модификации: | 434П |
| Название детали: | Кронштейн, задний |
| Номер детали: | 412-3701632 |
| Актуальность: | 01.01.1995 |
| Количество: | |
1 - для автомобиля ИЖ-412
1 - для автомобиля ИЖ-427
1 - для автомобиля ИЖ-434
Подробная информация
| Автомобиль: | ИЖ 434 |
| Модификации: | 434П |
| Название детали: | Крышка со стороны контактных колец с радиатором и диодами в сборе |
| Номер детали: | Г250Ж-3701300 |
| Актуальность: | 01.01.1995 |
| Количество: | |
1 - для автомобиля ИЖ-412
1 - для автомобиля ИЖ-427
1 - для автомобиля ИЖ-434
Подробная информация
| Автомобиль: | ИЖ 434 |
| Модификации: | 434П |
| Название детали: | Болт крепления генератора |
| Номер детали: | 201682-П29 |
| Актуальность: | 01.01.1995 |
| Количество: | |
1 - для автомобиля ИЖ-412
1 - для автомобиля ИЖ-427
1 - для автомобиля ИЖ-434
Подробная информация
| Автомобиль: | ИЖ 434 |
| Модификации: | 434П |
| Название детали: | Вал ротора |
| Номер детали: | Г250-3701211 |
| Актуальность: | 01.01.1995 |
| Количество: | |
1 - для автомобиля ИЖ-412
1 - для автомобиля ИЖ-427
1 - для автомобиля ИЖ-434
Подробная информация
| Автомобиль: | ИЖ 434 |
| Модификации: | 434П |
| Название детали: | Шпонка шкива, сегментная |
| Номер детали: | Б-16 |
| Актуальность: | 01.01.1995 |
| Количество: | |
1 - для автомобиля ИЖ-412
1 - для автомобиля ИЖ-427
1 - для автомобиля ИЖ-434
Подробная информация
| Автомобиль: | ИЖ 434 |
| Модификации: | 434П |
| Название детали: | Болт специальный |
| Номер детали: | НО-4503 |
| Актуальность: | 01.01.1995 |
| Количество: | |
1 - для автомобиля ИЖ-412
1 - для автомобиля ИЖ-427
1 - для автомобиля ИЖ-434
Подробная информация
| Автомобиль: | ИЖ 434 |
| Модификации: | 434П |
| Название детали: | Шайба пружинная |
| Номер детали: | Х-4001 |
| Актуальность: | 01.01.1995 |
| Количество: | |
3 - для автомобиля ИЖ-412
3 - для автомобиля ИЖ-427
3 - для автомобиля ИЖ-434
Подробная информация
| Автомобиль: | ИЖ 434 |
| Модификации: | 434П |
| Название детали: | Щеткодержатель с втулкой в сборе |
| Номер детали: | Г250И-3701013 |
| Актуальность: | 01.01.1995 |
| Количество: | |
1 - для автомобиля ИЖ-412
1 - для автомобиля ИЖ-427
1 - для автомобиля ИЖ-434
Подробная информация
| Автомобиль: | ИЖ 434 |
| Модификации: | 434П |
| Название детали: | Изолированная щетка в сборе |
| Номер детали: | Г250-3701030 |
| Актуальность: | 01.01.1995 |
| Количество: | |
1 - для автомобиля ИЖ-412
1 - для автомобиля ИЖ-427
1 - для автомобиля ИЖ-434
Подробная информация
| Автомобиль: | ИЖ 434 |
| Модификации: | 434П |
| Название детали: | Массовая щетка в сборе |
| Номер детали: | Г250-3701020 |
| Актуальность: | 01.01.1995 |
| Количество: | |
1 - для автомобиля ИЖ-412
1 - для автомобиля ИЖ-427
1 - для автомобиля ИЖ-434
Подробная информация
| Автомобиль: | ИЖ 434 |
| Модификации: | 434П |
| Название детали: | Крышка щеткодержателя |
| Номер детали: | Г250И-3701012 |
| Актуальность: | 01.01.1995 |
| Количество: | |
1 - для автомобиля ИЖ-412
1 - для автомобиля ИЖ-427
1 - для автомобиля ИЖ-434
Подробная информация
| Автомобиль: | ИЖ 434 |
| Модификации: | 434П |
| Название детали: | Шайба |
| Номер детали: | 8Х-1497 |
| Актуальность: | 01.01.1995 |
| Количество: | |
2 - для автомобиля ИЖ-412
2 - для автомобиля ИЖ-427
2 - для автомобиля ИЖ-434
Подробная информация
| Автомобиль: | ИЖ 434 |
| Модификации: | 434П |
| Название детали: | Болт крепления крышки и щеткодержателя к крышке со стороны контактных колец |
| Номер детали: | Г250-3701016 |
| Актуальность: | 01.01.1995 |
| Количество: | |
2 - для автомобиля ИЖ-412
2 - для автомобиля ИЖ-427
2 - для автомобиля ИЖ-434
Подробная информация
| Автомобиль: | ИЖ 434 |
| Модификации: | 434П |
| Название детали: | Щеткодержатель в сборе |
| Номер детали: | Г250И-3701010 |
| Актуальность: | 01.01.1995 |
| Количество: | |
1 - для автомобиля ИЖ-412
1 - для автомобиля ИЖ-427
1 - для автомобиля ИЖ-434
Подробная информация
| Автомобиль: | ИЖ 434 |
| Модификации: | 434П |
| Название детали: | Статор с обмотками в сборе |
| Номер детали: | Г250-3701100 |
| Актуальность: | 01.01.1995 |
| Количество: | |
1 - для автомобиля ИЖ-412
1 - для автомобиля ИЖ-427
1 - для автомобиля ИЖ-434
Подробная информация
| Автомобиль: | ИЖ 434 |
| Модификации: | 434П |
| Название детали: | Кольцо контактное в сборе |
| Номер детали: | Г250-3701205 |
| Актуальность: | 01.01.1995 |
| Количество: | |
2 - для автомобиля ИЖ-412
2 - для автомобиля ИЖ-427
2 - для автомобиля ИЖ-434
Подробная информация
| Автомобиль: | ИЖ 434 |
| Модификации: | 434П |
| Название детали: | Шайба изоляционная |
| Номер детали: | Г250-3701208 |
| Актуальность: | 01.01.1995 |
| Количество: | |
1 - для автомобиля ИЖ-412
1 - для автомобиля ИЖ-427
1 - для автомобиля ИЖ-434
Подробная информация
| Автомобиль: | ИЖ 434 |
| Модификации: | 434П |
| Название детали: | Наконечник полюсный со стороны контактных колец |
| Номер детали: | Г250Ж-3701213 |
| Актуальность: | 01.01.1995 |
| Количество: | |
1 - для автомобиля ИЖ-412
1 - для автомобиля ИЖ-427
1 - для автомобиля ИЖ-434
Подробная информация
| Автомобиль: | ИЖ 434 |
| Модификации: | 434П |
| Название детали: | Катушка возбуждения в сборе |
| Номер детали: | Г250-3701220 |
| Актуальность: | 01.01.1995 |
| Количество: | |
1 - для автомобиля ИЖ-412
1 - для автомобиля ИЖ-427
1 - для автомобиля ИЖ-434
Подробная информация
| Автомобиль: | ИЖ 434 |
| Модификации: | 434П |
| Название детали: | Наконечник полюсный со стороны привода |
| Номер детали: | Г250Ж-3701212 |
| Актуальность: | 01.01.1995 |
| Количество: | |
1 - для автомобиля ИЖ-412
1 - для автомобиля ИЖ-427
1 - для автомобиля ИЖ-434
Подробная информация
| Автомобиль: | ИЖ 434 |
| Модификации: | 434П |
| Название детали: | Втулка упорная |
| Номер детали: | Г250-3701216 |
| Актуальность: | 01.01.1995 |
| Количество: | |
1 - для автомобиля ИЖ-412
1 - для автомобиля ИЖ-427
1 - для автомобиля ИЖ-434
Подробная информация
| Автомобиль: | ИЖ 434 |
| Модификации: | 434П |
| Название детали: | Кольцо разрезное |
| Номер детали: | Г210-3701202 |
| Актуальность: | 01.01.1995 |
| Количество: | |
1 - для автомобиля ИЖ-412
1 - для автомобиля ИЖ-427
1 - для автомобиля ИЖ-434
Подробная информация
| Автомобиль: | ИЖ 434 |
| Модификации: | 434П |
| Название детали: | Чашка опорная |
| Номер детали: | Г21-3701005 |
| Актуальность: | 01.01.1995 |
| Количество: | |
1 - для автомобиля ИЖ-412
1 - для автомобиля ИЖ-427
1 - для автомобиля ИЖ-434
Подробная информация
| Автомобиль: | ИЖ 434 |
| Модификации: | 434П |
| Название детали: | Винт крепления шайбы (крышки подшипника) |
| Номер детали: | МХ-0093 |
| Актуальность: | 01.01.1995 |
| Количество: | |
4 - для автомобиля ИЖ-412
4 - для автомобиля ИЖ-427
4 - для автомобиля ИЖ-434
Подробная информация
| Автомобиль: | ИЖ 434 |
| Модификации: | 434П |
| Название детали: | Шайба пружинная |
| Номер детали: | Х-4001 |
| Актуальность: | 01.01.1995 |
| Количество: | |
4 - для автомобиля ИЖ-412
4 - для автомобиля ИЖ-427
4 - для автомобиля ИЖ-434
Подробная информация
| Автомобиль: | ИЖ 434 |
| Модификации: | 434П |
| Название детали: | Шайба специальная (крышка подшипника) |
| Номер детали: | Г250-3701404 |
| Актуальность: | 01.01.1995 |
| Количество: | |
1 - для автомобиля ИЖ-412
1 - для автомобиля ИЖ-427
1 - для автомобиля ИЖ-434
Подробная информация
| Автомобиль: | ИЖ 434 |
| Модификации: | 434П |
| Название детали: | Шарикоподшипник со стороны привода |
| Номер детали: | П180603с9 |
| Актуальность: | 01.01.1995 |
| Количество: | |
1 - для автомобиля ИЖ-412
1 - для автомобиля ИЖ-427
1 - для автомобиля ИЖ-434
Подробная информация
| Автомобиль: | ИЖ 434 |
| Модификации: | 434П |
| Название детали: | Крышка со стороны привода |
| Номер детали: | Г250Ж-3701401 |
| Актуальность: | 01.01.1995 |
| Количество: | |
1 - для автомобиля ИЖ-412
1 - для автомобиля ИЖ-427
1 - для автомобиля ИЖ-434
Подробная информация
| Автомобиль: | ИЖ 434 |
| Модификации: | 434П |
| Название детали: | Кронштейн передний |
| Номер детали: | 412-3701630 |
| Актуальность: | 01.01.1995 |
| Количество: | |
1 - для автомобиля ИЖ-412
1 - для автомобиля ИЖ-427
1 - для автомобиля ИЖ-434
Подробная информация
| Автомобиль: | ИЖ 434 |
| Модификации: | 434П |
| Название детали: | Втулка |
| Номер детали: | Г250-3701054 |
| Актуальность: | 01.01.1995 |
| Количество: | |
1 - для автомобиля ИЖ-412
1 - для автомобиля ИЖ-427
1 - для автомобиля ИЖ-434
Подробная информация
| Автомобиль: | ИЖ 434 |
| Модификации: | 434П |
| Название детали: | Вентилятор в сборе |
| Номер детали: | Г250Ж-3701055 |
| Актуальность: | 01.01.1995 |
| Количество: | |
1 - для автомобиля ИЖ-412
1 - для автомобиля ИЖ-427
1 - для автомобиля ИЖ-434
Подробная информация
| Автомобиль: | ИЖ 434 |
| Модификации: | 434П |
| Название детали: | Шкив вала ротора |
| Номер детали: | Г250Ж-3701051 |
| Актуальность: | 01.01.1995 |
| Количество: | |
1 - для автомобиля ИЖ-412
1 - для автомобиля ИЖ-427
1 - для автомобиля ИЖ-434
Подробная информация
| Автомобиль: | ИЖ 434 |
| Модификации: | 434П |
| Название детали: | Шайба пружинная |
| Номер детали: | МХ-0234 |
| Актуальность: | 01.01.1995 |
| Количество: | |
1 - для автомобиля ИЖ-412
1 - для автомобиля ИЖ-427
1 - для автомобиля ИЖ-434
Подробная информация
| Автомобиль: | ИЖ 434 |
| Модификации: | 434П |
| Название детали: | Гайка крепления шкива на валу |
| Номер детали: | МХ-0235 |
| Актуальность: | 01.01.1995 |
| Количество: | |
1 - для автомобиля ИЖ-412
1 - для автомобиля ИЖ-427
1 - для автомобиля ИЖ-434
Подробная информация
| Автомобиль: | ИЖ 434 |
| Модификации: | 434П |
| Название детали: | Планка, установочная |
| Номер детали: | 412-3701635 |
| Актуальность: | 01.01.1995 |
| Количество: | |
1 - для автомобиля ИЖ-412
1 - для автомобиля ИЖ-427
1 - для автомобиля ИЖ-434
Подробная информация
| Автомобиль: | ИЖ 434 |
| Модификации: | 434П |
| Название детали: | Шайба |
| Номер детали: | 252038-П29 |
| Актуальность: | 01.01.1995 |
| Количество: | |
1 - для автомобиля ИЖ-412
1 - для автомобиля ИЖ-427
1 - для автомобиля ИЖ-434
Подробная информация
| Автомобиль: | ИЖ 434 |
| Модификации: | 434П |
| Название детали: | Шайба пружинная |
| Номер детали: | 252135-П29 |
| Актуальность: | 01.01.1995 |
| Количество: | |
1 - для автомобиля ИЖ-412
1 - для автомобиля ИЖ-427
1 - для автомобиля ИЖ-434
Подробная информация
| Автомобиль: | ИЖ 434 |
| Модификации: | 434П |
| Название детали: | Болт крепления установочной планки |
| Номер детали: | 201460-П29 |
| Актуальность: | 01.01.1995 |
| Количество: | |
1 - для автомобиля ИЖ-412
1 - для автомобиля ИЖ-427
1 - для автомобиля ИЖ-434
Подробная информация
| Автомобиль: | ИЖ 434 |
| Модификации: | 434П |
| Название детали: | Генератор переменного тока в сборе |
| Номер детали: | 412-3701010 |
| Актуальность: | 01.01.1995 |
| Количество: | |
1 - для автомобиля ИЖ-412
1 - для автомобиля ИЖ-427
1 - для автомобиля ИЖ-434
Подробная информация
| Автомобиль: | ИЖ 434 |
| Модификации: | 434П |
| Название детали: | Генератор переменного тока в сборе |
| Номер детали: | Г250-Ж |
| Актуальность: | 01.01.1995 |
| Количество: | |
1 - для автомобиля ИЖ-412
1 - для автомобиля ИЖ-427
1 - для автомобиля ИЖ-434
Подробная информация
| Автомобиль: | ИЖ 434 |
| Модификации: | 434П |
| Название детали: | Шпилька крепления заднего кронштейна |
| Номер детали: | 363071-П29 |
| Актуальность: | 01.01.1995 |
| Количество: | |
1 - для автомобиля ИЖ-412
1 - для автомобиля ИЖ-427
1 - для автомобиля ИЖ-434
Подробная информация
| Автомобиль: | ИЖ 434 |
| Модификации: | 434П |
| Название детали: | Гайка |
| Номер детали: | 250511-П29 |
| Актуальность: | 01.01.1995 |
| Количество: | |
2 - для автомобиля ИЖ-412
2 - для автомобиля ИЖ-427
2 - для автомобиля ИЖ-434
Подробная информация
| Автомобиль: | ИЖ 434 |
| Модификации: | 434П |
| Название детали: | Шайба пружинная |
| Номер детали: | 252135-П29 |
| Актуальность: | 01.01.1995 |
| Количество: | |
2 - для автомобиля ИЖ-412
2 - для автомобиля ИЖ-427
2 - для автомобиля ИЖ-434
Подробная информация
| Автомобиль: | ИЖ 434 |
| Модификации: | 434П |
| Название детали: | Шпилька крепления заднего кронштейна |
| Номер детали: | 363079-П29 |
| Актуальность: | 01.01.1995 |
| Количество: | |
1 - для автомобиля ИЖ-412
1 - для автомобиля ИЖ-427
1 - для автомобиля ИЖ-434
№
Номер запчасти
Наименование запчасти
23
Г250-3701016
Болт крепления крышки и щеткодержателя к крышке со стороны контактных колец
Нет в продаже