- Автозапчасти ВАЗ
- Автозапчасти ГАЗ
- Автозапчасти на иномарки
- Автохимия, масла
- Подбор масла
- Инструменты, аксессуары
- Метизы
- Прочее, Москвич
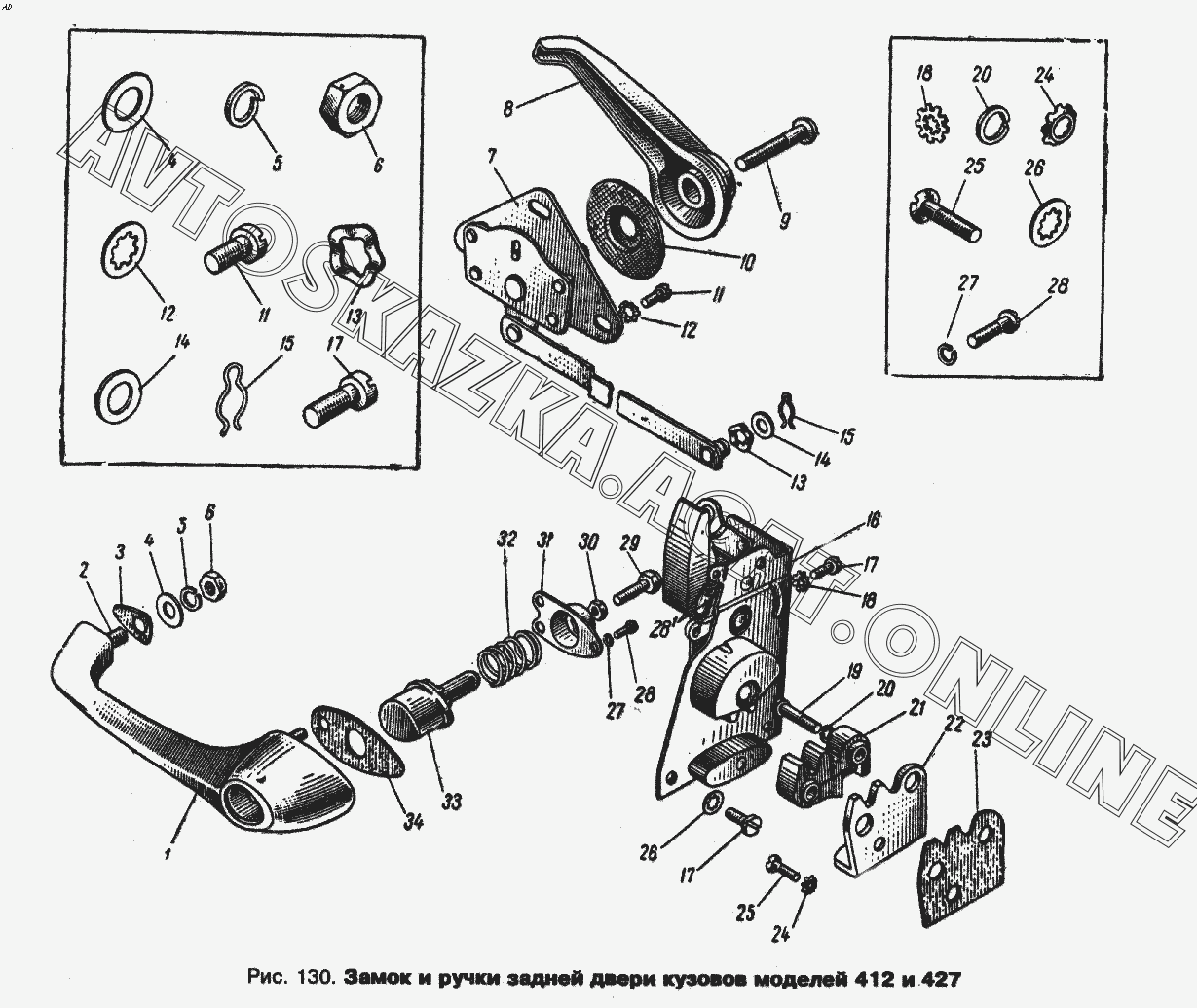
Замок и ручка задней двери кузовов моделей 412 и 427 ИЖ 434 (434П)
+
Увеличить изображение на 10%
-
Уменьшить изображение на 10%
Выделение детали в таблице
Прокрутка картинки
Увеличить масштаб
1
2
3
4
4
5
5
6
6
7
8
9
10
11
11
12
12
13
13
14
14
15
15
16
17
17
17
18
18
19
20
20
21
22
23
24
24
25
25
26
26
27
27
28
28
28
29
30
31
32
33
34
Подробная информация
| Автомобиль: | ИЖ 434 |
| Модификации: | 434П |
| Название детали: | Шайба колпачковая |
| Номер детали: | 365170-П29 |
| Актуальность: | 01.01.1995 |
| Количество: | |
2 - для автомобиля ИЖ-412
2 - для автомобиля ИЖ-427
Подробная информация
| Автомобиль: | ИЖ 434 |
| Модификации: | 434П |
| Название детали: | Сухарь защелки замка задней двери |
| Номер детали: | 408-6105084 |
| Актуальность: | 01.01.1995 |
| Количество: | |
2 - для автомобиля ИЖ-412
2 - для автомобиля ИЖ-427
Подробная информация
| Автомобиль: | ИЖ 434 |
| Модификации: | 434П |
| Название детали: | Штифт крепления пружины и сухаря |
| Номер детали: | 367179-П8 |
| Актуальность: | 01.01.1995 |
| Количество: | |
2 - для автомобиля ИЖ-412
2 - для автомобиля ИЖ-427
Подробная информация
| Автомобиль: | ИЖ 434 |
| Модификации: | 434П |
| Название детали: | Привод замка задней двери в сборе, правый |
| Номер детали: | 408-6205110 |
| Актуальность: | 01.01.1995 |
| Количество: | |
1 - для автомобиля ИЖ-412
1 - для автомобиля ИЖ-427
Подробная информация
| Автомобиль: | ИЖ 434 |
| Модификации: | 434П |
| Название детали: | Сухарь защелки замка задней двери |
| Номер детали: | ОК-4833 |
| Актуальность: | 01.01.1995 |
| Количество: | |
2 - для автомобиля ИЖ-412
2 - для автомобиля ИЖ-427
Подробная информация
| Автомобиль: | ИЖ 434 |
| Модификации: | 434П |
| Название детали: | Замок задней двери в сборе, правый |
| Номер детали: | 408-6105012 |
| Актуальность: | 01.01.1995 |
| Количество: | |
1 - для автомобиля ИЖ-412
1 - для автомобиля ИЖ-427
Подробная информация
| Автомобиль: | ИЖ 434 |
| Модификации: | 434П |
| Название детали: | Защелка замка задней двери в сборе, правая |
| Номер детали: | 408-6105070 |
| Актуальность: | 01.01.1995 |
| Количество: | |
1 - для автомобиля ИЖ-412
1 - для автомобиля ИЖ-427
Подробная информация
| Автомобиль: | ИЖ 434 |
| Модификации: | 434П |
| Название детали: | Защелка замка задней двери, левая |
| Номер детали: | 408-6105081 |
| Актуальность: | 01.01.1995 |
| Количество: | |
1 - для автомобиля ИЖ-412
1 - для автомобиля ИЖ-427
Подробная информация
| Автомобиль: | ИЖ 434 |
| Модификации: | 434П |
| Название детали: | Защелка замка задней двери, правая |
| Номер детали: | 408-6105080 |
| Актуальность: | 01.01.1995 |
| Количество: | |
1 - для автомобиля ИЖ-412
1 - для автомобиля ИЖ-427
Подробная информация
| Автомобиль: | ИЖ 434 |
| Модификации: | 434П |
| Название детали: | Корпус защелки задней двери замка, правый |
| Номер детали: | 408-6105090 |
| Актуальность: | 01.01.1995 |
| Количество: | |
1 - для автомобиля ИЖ-412
1 - для автомобиля ИЖ-427
Подробная информация
| Автомобиль: | ИЖ 434 |
| Модификации: | 434П |
| Название детали: | Прокладка тяги привода замка задней двери |
| Номер детали: | 408-6205140 |
| Актуальность: | 01.01.1995 |
| Количество: | |
2 - для автомобиля ИЖ-412
2 - для автомобиля ИЖ-427
Подробная информация
| Автомобиль: | ИЖ 434 |
| Модификации: | 434П |
| Название детали: | Пружина защелки замка задней двери |
| Номер детали: | 425-6105086 |
| Актуальность: | 01.01.1995 |
| Количество: | |
2 - для автомобиля ИЖ-412
2 - для автомобиля ИЖ-427
Подробная информация
| Автомобиль: | ИЖ 434 |
| Модификации: | 434П |
| Название детали: | Ручка задней двери в сборе, наружная |
| Номер детали: | 408-6205150-А |
| Актуальность: | 01.01.1995 |
| Количество: | |
2 - для автомобиля ИЖ-412
2 - для автомобиля ИЖ-427
Подробная информация
| Автомобиль: | ИЖ 434 |
| Модификации: | 434П |
| Название детали: | Ручка задней двери, наружная |
| Номер детали: | 408-615210 |
| Актуальность: | 01.01.1995 |
| Количество: | |
2 - для автомобиля ИЖ-412
2 - для автомобиля ИЖ-427
Подробная информация
| Автомобиль: | ИЖ 434 |
| Модификации: | 434П |
| Название детали: | Шпилька крепления ручки к двери |
| Номер детали: | 363006-П8 |
| Актуальность: | 01.01.1995 |
| Количество: | |
4 - для автомобиля ИЖ-412
4 - для автомобиля ИЖ-427
Подробная информация
| Автомобиль: | ИЖ 434 |
| Модификации: | 434П |
| Название детали: | Прокладка наружной ручки, передняя |
| Номер детали: | 408-6105222-Б |
| Актуальность: | 01.01.1995 |
| Количество: | |
2 - для автомобиля ИЖ-412
2 - для автомобиля ИЖ-427
Подробная информация
| Автомобиль: | ИЖ 434 |
| Модификации: | 434П |
| Название детали: | Шайба |
| Номер детали: | 252004-П29 |
| Актуальность: | 01.01.1995 |
| Количество: | |
4 - для автомобиля ИЖ-412
4 - для автомобиля ИЖ-427
Подробная информация
| Автомобиль: | ИЖ 434 |
| Модификации: | 434П |
| Название детали: | Шайба пружинная |
| Номер детали: | 252134-П2 |
| Актуальность: | 01.01.1995 |
| Количество: | |
4 - для автомобиля ИЖ-412
4 - для автомобиля ИЖ-427
Подробная информация
| Автомобиль: | ИЖ 434 |
| Модификации: | 434П |
| Название детали: | Гайка |
| Номер детали: | 250508-П29 |
| Актуальность: | 01.01.1995 |
| Количество: | |
4 - для автомобиля ИЖ-412
4 - для автомобиля ИЖ-427
Подробная информация
| Автомобиль: | ИЖ 434 |
| Модификации: | 434П |
| Название детали: | Привод замка задней двери в сборе, левый |
| Номер детали: | 408-6205111 |
| Актуальность: | 01.01.1995 |
| Количество: | |
1 - для автомобиля ИЖ-412
1 - для автомобиля ИЖ-427
Подробная информация
| Автомобиль: | ИЖ 434 |
| Модификации: | 434П |
| Название детали: | Ручка двери, внутренняя |
| Номер детали: | 425-6105260 |
| Актуальность: | 01.01.1995 |
| Количество: | |
2 - для автомобиля ИЖ-412
2 - для автомобиля ИЖ-427
Подробная информация
| Автомобиль: | ИЖ 434 |
| Модификации: | 434П |
| Название детали: | Винт крепления внутренней ручки к валику |
| Номер детали: | 233040-П13 |
| Актуальность: | 01.01.1995 |
| Количество: | |
2 - для автомобиля ИЖ-412
2 - для автомобиля ИЖ-427
Подробная информация
| Автомобиль: | ИЖ 434 |
| Модификации: | 434П |
| Название детали: | Розетка внутренней ручки |
| Номер детали: | 407-6105264 |
| Актуальность: | 01.01.1995 |
| Количество: | |
2 - для автомобиля ИЖ-412
2 - для автомобиля ИЖ-427
Подробная информация
| Автомобиль: | ИЖ 434 |
| Модификации: | 434П |
| Название детали: | Винт крепления привода замка к двери |
| Номер детали: | 224622-П8 |
| Актуальность: | 01.01.1995 |
| Количество: | |
6 - для автомобиля ИЖ-412
6 - для автомобиля ИЖ-427
Подробная информация
| Автомобиль: | ИЖ 434 |
| Модификации: | 434П |
| Название детали: | Шайба пружинная, зубчатая |
| Номер детали: | 365357-П29 |
| Актуальность: | 01.01.1995 |
| Количество: | |
6 - для автомобиля ИЖ-412
6 - для автомобиля ИЖ-427
Подробная информация
| Автомобиль: | ИЖ 434 |
| Модификации: | 434П |
| Название детали: | Шайба волнистая |
| Номер детали: | 365345-П2 |
| Актуальность: | 01.01.1995 |
| Количество: | |
2 - для автомобиля ИЖ-412
2 - для автомобиля ИЖ-427
Подробная информация
| Автомобиль: | ИЖ 434 |
| Модификации: | 434П |
| Название детали: | Шайба специальная |
| Номер детали: | 365041-П8 |
| Актуальность: | 01.01.1995 |
| Количество: | |
2 - для автомобиля ИЖ-412
2 - для автомобиля ИЖ-427
Подробная информация
| Автомобиль: | ИЖ 434 |
| Модификации: | 434П |
| Название детали: | Шплинт крепления привода к замку двери |
| Номер детали: | 258203-П2 |
| Актуальность: | 01.01.1995 |
| Количество: | |
2 - для автомобиля ИЖ-412
2 - для автомобиля ИЖ-427
Подробная информация
| Автомобиль: | ИЖ 434 |
| Модификации: | 434П |
| Название детали: | Замок задней двери в сборе, левый |
| Номер детали: | 408-6105013 |
| Актуальность: | 01.01.1995 |
| Количество: | |
1 - для автомобиля ИЖ-412
1 - для автомобиля ИЖ-427
Подробная информация
| Автомобиль: | ИЖ 434 |
| Модификации: | 434П |
| Название детали: | Винт крепления замка к двери |
| Номер детали: | 224622-П8 |
| Актуальность: | 01.01.1995 |
| Количество: | |
8 - для автомобиля ИЖ-412
8 - для автомобиля ИЖ-427
Подробная информация
| Автомобиль: | ИЖ 434 |
| Модификации: | 434П |
| Название детали: | Шайба пружинная, зубчатая |
| Номер детали: | 365357-П29 |
| Актуальность: | 01.01.1995 |
| Количество: | |
2 - для автомобиля ИЖ-412
2 - для автомобиля ИЖ-427
Подробная информация
| Автомобиль: | ИЖ 434 |
| Модификации: | 434П |
| Название детали: | Винт крепления защелки замка двери к кузову |
| Номер детали: | 222527-П8 |
| Актуальность: | 01.01.1995 |
| Количество: | |
4 - для автомобиля ИЖ-412
4 - для автомобиля ИЖ-427
Подробная информация
| Автомобиль: | ИЖ 434 |
| Модификации: | 434П |
| Название детали: | Шайба пружинная |
| Номер детали: | 252154-П2 |
| Актуальность: | 01.01.1995 |
| Количество: | |
4 - для автомобиля ИЖ-412
4 - для автомобиля ИЖ-427
Подробная информация
| Автомобиль: | ИЖ 434 |
| Модификации: | 434П |
| Название детали: | Защелка замка задней двери в сборе, левая |
| Номер детали: | 408-6105071 |
| Актуальность: | 01.01.1995 |
| Количество: | |
1 - для автомобиля ИЖ-412
1 - для автомобиля ИЖ-427
Подробная информация
| Автомобиль: | ИЖ 434 |
| Модификации: | 434П |
| Название детали: | Корпус защелки задней двери замка, левый |
| Номер детали: | 408-6105091 |
| Актуальность: | 01.01.1995 |
| Количество: | |
1 - для автомобиля ИЖ-412
1 - для автомобиля ИЖ-427
Подробная информация
| Автомобиль: | ИЖ 434 |
| Модификации: | 434П |
| Название детали: | Прокладка защелки замка двери |
| Номер детали: | 408-6105076 |
| Актуальность: | 01.01.1995 |
| Количество: | |
2 - для автомобиля ИЖ-412
2 - для автомобиля ИЖ-427
Подробная информация
| Автомобиль: | ИЖ 434 |
| Модификации: | 434П |
| Название детали: | Шайба пружинная, коническая зубчатая |
| Номер детали: | 252263-П2 |
| Актуальность: | 01.01.1995 |
| Количество: | |
2 - для автомобиля ИЖ-412
2 - для автомобиля ИЖ-427
Подробная информация
| Автомобиль: | ИЖ 434 |
| Модификации: | 434П |
| Название детали: | Винт крепления защелки замка двери к кузову |
| Номер детали: | 221605-П8 |
| Актуальность: | 01.01.1995 |
| Количество: | |
2 - для автомобиля ИЖ-412
2 - для автомобиля ИЖ-427
Подробная информация
| Автомобиль: | ИЖ 434 |
| Модификации: | 434П |
| Название детали: | Шайба пружинная |
| Номер детали: | 252174-112 |
| Актуальность: | 01.01.1995 |
| Количество: | |
6 - для автомобиля ИЖ-412
6 - для автомобиля ИЖ-427
Подробная информация
| Автомобиль: | ИЖ 434 |
| Модификации: | 434П |
| Название детали: | Шайба пружинная |
| Номер детали: | 252152-П2 |
| Актуальность: | 01.01.1995 |
| Количество: | |
6 - для автомобиля ИЖ-412
6 - для автомобиля ИЖ-427
Подробная информация
| Автомобиль: | ИЖ 434 |
| Модификации: | 434П |
| Название детали: | Пружина замка задней двери |
| Номер детали: | 408-6105042 |
| Актуальность: | 01.01.1995 |
| Количество: | |
2 - для автомобиля ИЖ-412
2 - для автомобиля ИЖ-427
Подробная информация
| Автомобиль: | ИЖ 434 |
| Модификации: | 434П |
| Название детали: | Винт крепления чашки к ручке двери |
| Номер детали: | 220050-П29 |
| Актуальность: | 01.01.1995 |
| Количество: | |
6 - для автомобиля ИЖ-412
6 - для автомобиля ИЖ-427
Подробная информация
| Автомобиль: | ИЖ 434 |
| Модификации: | 434П |
| Название детали: | Втулка пружины замка |
| Номер детали: | 425-6105054 |
| Актуальность: | 01.01.1995 |
| Количество: | |
2 - для автомобиля ИЖ-412
2 - для автомобиля ИЖ-427
Подробная информация
| Автомобиль: | ИЖ 434 |
| Модификации: | 434П |
| Название детали: | Болт кнопки наружной ручки задней двери, упорный |
| Номер детали: | 360001-П8 |
| Актуальность: | 01.01.1995 |
| Количество: | |
2 - для автомобиля ИЖ-412
2 - для автомобиля ИЖ-427
Подробная информация
| Автомобиль: | ИЖ 434 |
| Модификации: | 434П |
| Название детали: | Гайка |
| Номер детали: | 250763-П29 |
| Актуальность: | 01.01.1995 |
| Количество: | |
2 - для автомобиля ИЖ-412
2 - для автомобиля ИЖ-427
Подробная информация
| Автомобиль: | ИЖ 434 |
| Модификации: | 434П |
| Название детали: | Чашка пружины наружной ручки задней двери |
| Номер детали: | 408-6105220 |
| Актуальность: | 01.01.1995 |
| Количество: | |
2 - для автомобиля ИЖ-412
2 - для автомобиля ИЖ-427
Подробная информация
| Автомобиль: | ИЖ 434 |
| Модификации: | 434П |
| Название детали: | Пружина наружной ручки задней двери |
| Номер детали: | 425-6105216 |
| Актуальность: | 01.01.1995 |
| Количество: | |
2 - для автомобиля ИЖ-412
2 - для автомобиля ИЖ-427
Подробная информация
| Автомобиль: | ИЖ 434 |
| Модификации: | 434П |
| Название детали: | Кнопка наружной ручки задней двери |
| Номер детали: | 408-6105212-Б |
| Актуальность: | 01.01.1995 |
| Количество: | |
2 - для автомобиля ИЖ-412
2 - для автомобиля ИЖ-427
Подробная информация
| Автомобиль: | ИЖ 434 |
| Модификации: | 434П |
| Название детали: | Прокладка наружной ручки, задняя |
| Номер детали: | 408-6105224 |
| Актуальность: | 01.01.1995 |
| Количество: | |
2 - для автомобиля ИЖ-412
2 - для автомобиля ИЖ-427
№
Номер запчасти
Наименование запчасти