- Автозапчасти ВАЗ
- Автозапчасти ГАЗ
- Автозапчасти на иномарки
- Автохимия, масла
- Подбор масла
- Инструменты, аксессуары
- Метизы
- Прочее, Москвич
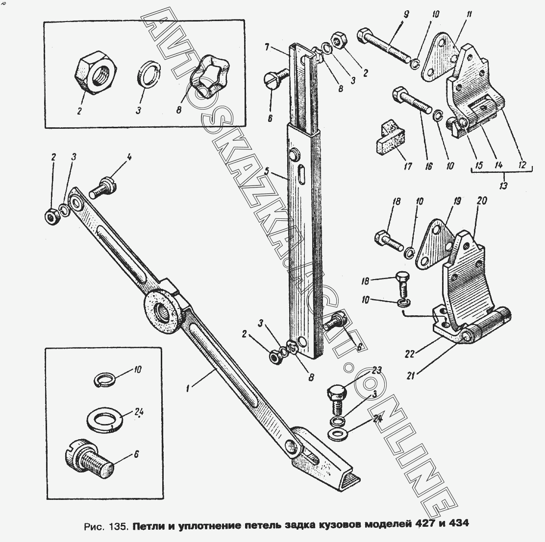
Петли и уплотнение петель задка кузова моделей 427 и 434 ИЖ 434 (434П)
+
Увеличить изображение на 10%
-
Уменьшить изображение на 10%
Выделение детали в таблице
Прокрутка картинки
Увеличить масштаб
1
2
2
2
2
3
3
3
3
3
4
5
6
6
6
7
8
8
8
9
10
10
10
10
10
11
12
13
14
15
16
17
18
18
19
20
21
22
23
24
24
Подробная информация
| Автомобиль: | ИЖ 434 |
| Модификации: | 434П |
| Название детали: | Упор верхней двери задка кузова в сборе |
| Номер детали: | 426-6306120 |
| Актуальность: | 01.01.1995 |
| Количество: | |
1 - для автомобиля ИЖ-427
1 - для автомобиля ИЖ-434
Подробная информация
| Автомобиль: | ИЖ 434 |
| Модификации: | 434П |
| Название детали: | Ограничитель открытия нижней двери задка кузова в сборе, правый |
| Номер детали: | 426-6306140 |
| Актуальность: | 01.01.1995 |
| Количество: | |
1 - для автомобиля ИЖ-427
1 - для автомобиля ИЖ-434
Подробная информация
| Автомобиль: | ИЖ 434 |
| Модификации: | 434П |
| Название детали: | Петля нижней двери задка в сборе |
| Номер детали: | 426-6306050 |
| Актуальность: | 01.01.1995 |
| Количество: | |
2 - для автомобиля ИЖ-427
2 - для автомобиля ИЖ-434
Подробная информация
| Автомобиль: | ИЖ 434 |
| Модификации: | 434П |
| Название детали: | Ограничитель открытия нижней двери задка кузова в сборе, левый |
| Номер детали: | 426-6306141 |
| Актуальность: | 01.01.1995 |
| Количество: | |
1 - для автомобиля ИЖ-427
1 - для автомобиля ИЖ-434
Подробная информация
| Автомобиль: | ИЖ 434 |
| Модификации: | 434П |
| Название детали: | Гайка |
| Номер детали: | 250510-П29 |
| Актуальность: | 01.01.1995 |
| Количество: | |
2 - для автомобиля ИЖ-427
2 - для автомобиля ИЖ-434
Подробная информация
| Автомобиль: | ИЖ 434 |
| Модификации: | 434П |
| Название детали: | Шайба пружинная |
| Номер детали: | 252135-П2 |
| Актуальность: | 01.01.1995 |
| Количество: | |
2 - для автомобиля ИЖ-427
2 - для автомобиля ИЖ-434
Подробная информация
| Автомобиль: | ИЖ 434 |
| Модификации: | 434П |
| Название детали: | Винт крепления ограничителя открытия нижней двери задка к кузову |
| Номер детали: | 360095-П8 |
| Актуальность: | 01.01.1995 |
| Количество: | |
2 - для автомобиля ИЖ-427
2 - для автомобиля ИЖ-434
Подробная информация
| Автомобиль: | ИЖ 434 |
| Модификации: | 434П |
| Название детали: | Упор верхней двери задка на кузове в сборе |
| Номер детали: | 426-6306122 |
| Актуальность: | 01.01.1995 |
| Количество: | |
1 - для автомобиля ИЖ-427
1 - для автомобиля ИЖ-434
Подробная информация
| Автомобиль: | ИЖ 434 |
| Модификации: | 434П |
| Название детали: | Винт крепления упора к двери |
| Номер детали: | 364032-П8 |
| Актуальность: | 01.01.1995 |
| Количество: | |
2 - для автомобиля ИЖ-427
2 - для автомобиля ИЖ-434
Подробная информация
| Автомобиль: | ИЖ 434 |
| Модификации: | 434П |
| Название детали: | Упор верхней двери задка на двери в сборе |
| Номер детали: | 426-6306128 |
| Актуальность: | 01.01.1995 |
| Количество: | |
1 - для автомобиля ИЖ-427
1 - для автомобиля ИЖ-434
Подробная информация
| Автомобиль: | ИЖ 434 |
| Модификации: | 434П |
| Название детали: | Шайба волнистая |
| Номер детали: | 365141-П |
| Актуальность: | 01.01.1995 |
| Количество: | |
2 - для автомобиля ИЖ-427
2 - для автомобиля ИЖ-434
Подробная информация
| Автомобиль: | ИЖ 434 |
| Модификации: | 434П |
| Название детали: | Болт крепления петли верхней двери задка к кузову |
| Номер детали: | 200219-П8 |
| Актуальность: | 01.01.1995 |
| Количество: | |
6 - для автомобиля ИЖ-427
6 - для автомобиля ИЖ-434
Подробная информация
| Автомобиль: | ИЖ 434 |
| Модификации: | 434П |
| Название детали: | Шайба пружинная |
| Номер детали: | 252134-П2 |
| Актуальность: | 01.01.1995 |
| Количество: | |
6 - для автомобиля ИЖ-427
6 - для автомобиля ИЖ-434
Подробная информация
| Автомобиль: | ИЖ 434 |
| Модификации: | 434П |
| Название детали: | Шайба пружинная |
| Номер детали: | 252134-П2 |
| Актуальность: | 01.01.1995 |
| Количество: | |
12 - для автомобиля ИЖ-427
12 - для автомобиля ИЖ-434
Подробная информация
| Автомобиль: | ИЖ 434 |
| Модификации: | 434П |
| Название детали: | Шайба пружинная крепления петли верхней двери задка к двери |
| Номер детали: | 252134-П2 |
| Актуальность: | 01.01.1995 |
| Количество: | |
4 - для автомобиля ИЖ-427
4 - для автомобиля ИЖ-434
Подробная информация
| Автомобиль: | ИЖ 434 |
| Модификации: | 434П |
| Название детали: | Пластина крепления петли верхней двери задка к кузову |
| Номер детали: | 426-6306028 |
| Актуальность: | 01.01.1995 |
| Количество: | |
2 - для автомобиля ИЖ-427
2 - для автомобиля ИЖ-434
Подробная информация
| Автомобиль: | ИЖ 434 |
| Модификации: | 434П |
| Название детали: | Петля верхней двери задка на кузове |
| Номер детали: | 426-6306014 |
| Актуальность: | 01.01.1995 |
| Количество: | |
2 - для автомобиля ИЖ-427
2 - для автомобиля ИЖ-434
Подробная информация
| Автомобиль: | ИЖ 434 |
| Модификации: | 434П |
| Название детали: | Петля верхней двери задка кузова в сборе |
| Номер детали: | 426-6306012-10 |
| Актуальность: | 01.01.1995 |
| Количество: | |
2 - для автомобиля ИЖ-427
2 - для автомобиля ИЖ-434
Подробная информация
| Автомобиль: | ИЖ 434 |
| Модификации: | 434П |
| Название детали: | Петля верхней двери задка на двери |
| Номер детали: | 426-6306016-Б |
| Актуальность: | 01.01.1995 |
| Количество: | |
2 - для автомобиля ИЖ-427
2 - для автомобиля ИЖ-434
Подробная информация
| Автомобиль: | ИЖ 434 |
| Модификации: | 434П |
| Название детали: | Ось петли верхней двери задка |
| Номер детали: | 426-6306018 |
| Актуальность: | 01.01.1995 |
| Количество: | |
2 - для автомобиля ИЖ-427
2 - для автомобиля ИЖ-434
Подробная информация
| Автомобиль: | ИЖ 434 |
| Модификации: | 434П |
| Название детали: | Болт крепления петли верхней двери задка к кузову |
| Номер детали: | 201460-П29 |
| Актуальность: | 01.01.1995 |
| Количество: | |
4 - для автомобиля ИЖ-427
4 - для автомобиля ИЖ-434
Подробная информация
| Автомобиль: | ИЖ 434 |
| Модификации: | 434П |
| Название детали: | Уплотнитель отверстий в кузове под петли верхней двери задка |
| Номер детали: | 426-6306030 |
| Актуальность: | 01.01.1995 |
| Количество: | |
4 - для автомобиля ИЖ-427
4 - для автомобиля ИЖ-434
Подробная информация
| Автомобиль: | ИЖ 434 |
| Модификации: | 434П |
| Название детали: | Болт крепления петли нижней двери задка к двери |
| Номер детали: | 201419-П8 |
| Актуальность: | 01.01.1995 |
| Количество: | |
12 - для автомобиля ИЖ-427
12 - для автомобиля ИЖ-434
Подробная информация
| Автомобиль: | ИЖ 434 |
| Модификации: | 434П |
| Название детали: | Пластина крепления петли нижней двери задка к двери |
| Номер детали: | 426-6306028 |
| Актуальность: | 01.01.1995 |
| Количество: | |
2 - для автомобиля ИЖ-427
2 - для автомобиля ИЖ-434
Подробная информация
| Автомобиль: | ИЖ 434 |
| Модификации: | 434П |
| Название детали: | Петля нижней двери задка на двери |
| Номер детали: | 426-6306054 |
| Актуальность: | 01.01.1995 |
| Количество: | |
2 - для автомобиля ИЖ-427
2 - для автомобиля ИЖ-434
Подробная информация
| Автомобиль: | ИЖ 434 |
| Модификации: | 434П |
| Название детали: | Ось петли нижней двери задка кузова |
| Номер детали: | 426-6306018 |
| Актуальность: | 01.01.1995 |
| Количество: | |
2 - для автомобиля ИЖ-427
2 - для автомобиля ИЖ-434
Подробная информация
| Автомобиль: | ИЖ 434 |
| Модификации: | 434П |
| Название детали: | Петля нижней двери задка на кузове |
| Номер детали: | 426-6306052 |
| Актуальность: | 01.01.1995 |
| Количество: | |
2 - для автомобиля ИЖ-427
2 - для автомобиля ИЖ-434
Подробная информация
| Автомобиль: | ИЖ 434 |
| Модификации: | 434П |
| Название детали: | Болт крепления ограничителя открытия нижней двери задка к двери |
| Номер детали: | 201455-П29 |
| Актуальность: | 01.01.1995 |
| Количество: | |
4 - для автомобиля ИЖ-427
4 - для автомобиля ИЖ-434
Подробная информация
| Автомобиль: | ИЖ 434 |
| Модификации: | 434П |
| Название детали: | Шайба |
| Номер детали: | 252005-П29 |
| Актуальность: | 01.01.1995 |
| Количество: | |
4 - для автомобиля ИЖ-427
4 - для автомобиля ИЖ-434
№
Номер запчасти
Наименование запчасти