- Автозапчасти ВАЗ
- Автозапчасти ГАЗ
- Автозапчасти на иномарки
- Автохимия, масла
- Подбор масла
- Инструменты, аксессуары
- Метизы
- Прочее, Москвич
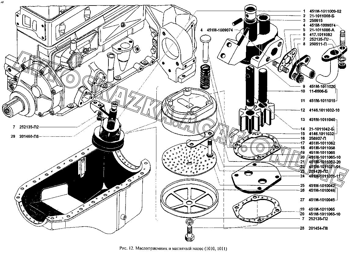
Маслоприемник и масляный насос (1010, 1011) УАЗ 3962 (39629)
+
Увеличить изображение на 10%
-
Уменьшить изображение на 10%
Выделение детали в таблице
Прокрутка картинки
Увеличить масштаб
1
2
3
4
4
5
6
7
7
7
8
9
10
11
12
13
14
15
16
17
18
19
19
20
20
21
22
23
24
25
26
27
28
29
Подробная информация
| Автомобиль: | УАЗ 3962 |
| Модификации: | 39629 |
| Название детали: | Насос масляный с маслоприемником в сборе |
| Номер детали: | 451М-1011009-02 |
| Актуальность: | 26.03.2001 |
| Количество: | |
1
1
- Количество указано по группам модификаций: УАЗ-3741, 3962, 3909, 2206, 3303
Подробная информация
| Автомобиль: | УАЗ 3962 |
| Модификации: | 39629 |
| Название детали: | Втулка валика масляного насоса |
| Номер детали: | 21-1011066-Б |
| Актуальность: | 26.03.2001 |
| Количество: | |
1
1
- Количество указано по группам модификаций: УАЗ-3741, 3962, 3909, 2206, 3303
Подробная информация
| Автомобиль: | УАЗ 3962 |
| Модификации: | 39629 |
| Название детали: | Штифт 4х20 |
| Номер детали: | 258615 |
| Актуальность: | 26.03.2001 |
| Количество: | |
1
1
- Количество указано по группам модификаций: УАЗ-3741, 3962, 3909, 2206, 3303
Подробная информация
| Автомобиль: | УАЗ 3962 |
| Модификации: | 39629 |
| Название детали: | Шпилька М8х1х15 |
| Номер детали: | 451М-1009074 |
| Актуальность: | 26.03.2001 |
| Количество: | |
4
4
- Количество указано по группам модификаций: УАЗ-3741, 3962, 3909, 2206, 3303
Подробная информация
| Автомобиль: | УАЗ 3962 |
| Модификации: | 39629 |
| Название детали: | Прокладка фланца нагнетательной трубки |
| Номер детали: | 21-1011086-А |
| Актуальность: | 26.03.2001 |
| Количество: | |
2
2
- Количество указано по группам модификаций: УАЗ-3741, 3962, 3909, 2206, 3303
Подробная информация
| Автомобиль: | УАЗ 3962 |
| Модификации: | 39629 |
| Название детали: | Трубка нагнетательная |
| Номер детали: | 417.1011082 |
| Актуальность: | 26.03.2001 |
| Количество: | |
1
1
- Количество указано по группам модификаций: УАЗ-3741, 3962, 3909, 2206, 3303
Подробная информация
| Автомобиль: | УАЗ 3962 |
| Модификации: | 39629 |
| Название детали: | Шайба 8Т пружинная |
| Номер детали: | 252135-П2 |
| Актуальность: | 26.03.2001 |
| Количество: | |
7
7
- Количество указано по группам модификаций: УАЗ-3741, 3962, 3909, 2206, 3303
Подробная информация
| Автомобиль: | УАЗ 3962 |
| Модификации: | 39629 |
| Название детали: | Гайка М8х1 |
| Номер детали: | 250511-П |
| Актуальность: | 26.03.2001 |
| Количество: | |
4
4
- Количество указано по группам модификаций: УАЗ-3741, 3962, 3909, 2206, 3303
Подробная информация
| Автомобиль: | УАЗ 3962 |
| Модификации: | 39629 |
| Название детали: | Корпус |
| Номер детали: | 451М-1011020 |
| Актуальность: | 26.03.2001 |
| Количество: | |
1
1
- Количество указано по группам модификаций: УАЗ-3741, 3962, 3909, 2206, 3303
Подробная информация
| Автомобиль: | УАЗ 3962 |
| Модификации: | 39629 |
| Название детали: | Ось ведомой шестерни масляного насоса |
| Номер детали: | 11-6606-Б |
| Актуальность: | 26.03.2001 |
| Количество: | |
1
1
- Количество указано по группам модификаций: УАЗ-3741, 3962, 3909, 2206, 3303
Подробная информация
| Автомобиль: | УАЗ 3962 |
| Модификации: | 39629 |
| Название детали: | Корпус масляного насоса в сборе |
| Номер детали: | 451М-1011015 |
| Актуальность: | 26.03.2001 |
| Количество: | |
1
1
- Количество указано по группам модификаций: УАЗ-3741, 3962, 3909, 2206, 3303
Подробная информация
| Автомобиль: | УАЗ 3962 |
| Модификации: | 39629 |
| Название детали: | Шестерня масляного насоса |
| Номер детали: | 4146.1011032-10 |
| Актуальность: | 26.03.2001 |
| Количество: | |
1
1
- Количество указано по группам модификаций: УАЗ-3741, 3962, 3909, 2206, 3303
Подробная информация
| Автомобиль: | УАЗ 3962 |
| Модификации: | 39629 |
| Название детали: | Валик масляного насоса с шестерней в сборе |
| Номер детали: | 451М-1011040 |
| Актуальность: | 26.03.2001 |
| Количество: | |
1
1
- Количество указано по группам модификаций: УАЗ-3741, 3962, 3909, 2206, 3303
Подробная информация
| Автомобиль: | УАЗ 3962 |
| Модификации: | 39629 |
| Название детали: | Валик масляного насоса |
| Номер детали: | 21-1011042-Б |
| Актуальность: | 26.03.2001 |
| Количество: | |
1
1
- Количество указано по группам модификаций: УАЗ-3741, 3962, 3909, 2206, 3303
Подробная информация
| Автомобиль: | УАЗ 3962 |
| Модификации: | 39629 |
| Название детали: | Шестерня масляного насоса |
| Номер детали: | 4146.1011032 |
| Актуальность: | 26.03.2001 |
| Количество: | |
1
1
- Количество указано по группам модификаций: УАЗ-3741, 3962, 3909, 2206, 3303
Подробная информация
| Автомобиль: | УАЗ 3962 |
| Модификации: | 39629 |
| Название детали: | Штифт 4х22 |
| Номер детали: | 258937-П |
| Актуальность: | 26.03.2001 |
| Количество: | |
1
1
- Количество указано по группам модификаций: УАЗ-3741, 3962, 3909, 2206, 3303
Подробная информация
| Автомобиль: | УАЗ 3962 |
| Модификации: | 39629 |
| Название детали: | Клапан редукционный |
| Номер детали: | 451М-1011062 |
| Актуальность: | 26.03.2001 |
| Количество: | |
1
1
- Количество указано по группам модификаций: УАЗ-3741, 3962, 3909, 2206, 3303
Подробная информация
| Автомобиль: | УАЗ 3962 |
| Модификации: | 39629 |
| Название детали: | Пружина редукционного клапана |
| Номер детали: | 451М-1011058 |
| Актуальность: | 26.03.2001 |
| Количество: | |
1
1
- Количество указано по группам модификаций: УАЗ-3741, 3962, 3909, 2206, 3303
Подробная информация
| Автомобиль: | УАЗ 3962 |
| Модификации: | 39629 |
| Название детали: | Прокладка крышки |
| Номер детали: | 451М-1011065 |
| Актуальность: | 26.03.2001 |
| Количество: | |
2
2
- Количество указано по группам модификаций: УАЗ-3741, 3962, 3909, 2206, 3303
Подробная информация
| Автомобиль: | УАЗ 3962 |
| Модификации: | 39629 |
| Название детали: | Прокладка крышки масляного насоса |
| Номер детали: | 451М-1011065-10 |
| Актуальность: | 26.03.2001 |
| Количество: | |
Подробная информация
| Автомобиль: | УАЗ 3962 |
| Модификации: | 39629 |
| Название детали: | Крышка масляного насоса |
| Номер детали: | 451М-1011052-20 |
| Актуальность: | 26.03.2001 |
| Количество: | |
1
1
- Количество указано по группам модификаций: УАЗ-3741, 3962, 3909, 2206, 3303
Подробная информация
| Автомобиль: | УАЗ 3962 |
| Модификации: | 39629 |
| Название детали: | Пластина стопорная к масляному насосу |
| Номер детали: | 451М-1011071-01 |
| Актуальность: | 26.03.2001 |
| Количество: | |
2
2
- Количество указано по группам модификаций: УАЗ-3741, 3962, 3909, 2206, 3303
Подробная информация
| Автомобиль: | УАЗ 3962 |
| Модификации: | 39629 |
| Название детали: | Болт М6х35 |
| Номер детали: | 201426-П2 |
| Актуальность: | 26.03.2001 |
| Количество: | |
4
4
- Количество указано по группам модификаций: УАЗ-3741, 3962, 3909, 2206, 3303
Подробная информация
| Автомобиль: | УАЗ 3962 |
| Модификации: | 39629 |
| Название детали: | Пластина масляного насоса |
| Номер детали: | 451М-1011051-11 |
| Актуальность: | 26.03.2001 |
| Количество: | |
1
1
- Количество указано по группам модификаций: УАЗ-3741, 3962, 3909, 2206, 3303
Подробная информация
| Автомобиль: | УАЗ 3962 |
| Модификации: | 39629 |
| Название детали: | Сетка маслоприемника |
| Номер детали: | 451М-1010042 |
| Актуальность: | 26.03.2001 |
| Количество: | |
1
1
- Количество указано по группам модификаций: УАЗ-3741, 3962, 3909, 2206, 3303
Подробная информация
| Автомобиль: | УАЗ 3962 |
| Модификации: | 39629 |
| Название детали: | Каркас сетки маслоприемника |
| Номер детали: | 451М-1010046 |
| Актуальность: | 26.03.2001 |
| Количество: | |
1
1
- Количество указано по группам модификаций: УАЗ-3741, 3962, 3909, 2206, 3303
Подробная информация
| Автомобиль: | УАЗ 3962 |
| Модификации: | 39629 |
| Название детали: | Сетка с каркасом |
| Номер детали: | 451М-1010045 |
| Актуальность: | 26.03.2001 |
| Количество: | |
1
1
- Количество указано по группам модификаций: УАЗ-3741, 3962, 3909, 2206, 3303
Подробная информация
| Автомобиль: | УАЗ 3962 |
| Модификации: | 39629 |
| Название детали: | Болт М8х16 |
| Номер детали: | 201454-П8 |
| Актуальность: | 26.03.2001 |
| Количество: | |
1
1
- Количество указано по группам модификаций: УАЗ-3741, 3962, 3909, 2206, 3303
Подробная информация
| Автомобиль: | УАЗ 3962 |
| Модификации: | 39629 |
| Название детали: | Болт М8х30 |
| Номер детали: | 201460-П8 |
| Актуальность: | 26.03.2001 |
| Количество: | |
2
2
- Количество указано по группам модификаций: УАЗ-3741, 3962, 3909, 2206, 3303
№
Номер запчасти
Наименование запчасти