- Автозапчасти ВАЗ
- Автозапчасти ГАЗ
- Автозапчасти на иномарки
- Автохимия, масла
- Подбор масла
- Инструменты, аксессуары
- Метизы
- Прочее, Москвич
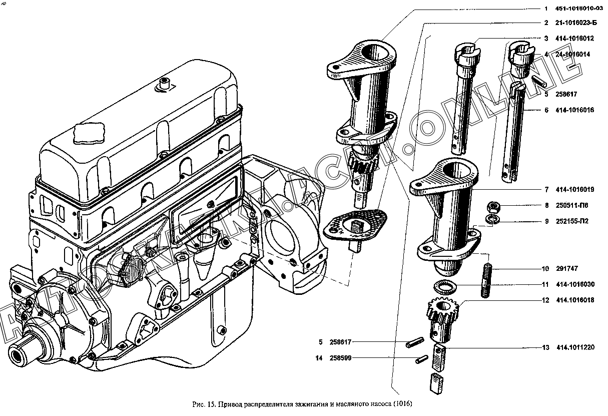
Привод распределителя зажигания и масляного насоса (1016) УАЗ 3962 (39629)
Подробная информация
| Автомобиль: | УАЗ 3962 |
| Модификации: | 39629 |
| Название детали: | Привод распределителя в сборе |
| Номер детали: | 451-1016010-03 |
| Актуальность: | 26.03.2001 |
| Количество: | |
1
1
- Количество указано по группам модификаций: УАЗ-3741, 3962, 3909, 2206, 3303
Подробная информация
| Автомобиль: | УАЗ 3962 |
| Модификации: | 39629 |
| Название детали: | Прокладка |
| Номер детали: | 21-1016023-Б |
| Актуальность: | 26.03.2001 |
| Количество: | |
1
1
- Количество указано по группам модификаций: УАЗ-3741, 3962, 3909, 2206, 3303
Подробная информация
| Автомобиль: | УАЗ 3962 |
| Модификации: | 39629 |
| Название детали: | Валик привода распределителя с упорной втулкой в сборе |
| Номер детали: | 414-1016012 |
| Актуальность: | 26.03.2001 |
| Количество: | |
1
1
- Количество указано по группам модификаций: УАЗ-3741, 3962, 3909, 2206, 3303
Подробная информация
| Автомобиль: | УАЗ 3962 |
| Модификации: | 39629 |
| Название детали: | Втулка упорная валика привода распределителя |
| Номер детали: | 24-1016014 |
| Актуальность: | 26.03.2001 |
| Количество: | |
1
1
- Количество указано по группам модификаций: УАЗ-3741, 3962, 3909, 2206, 3303
Подробная информация
| Автомобиль: | УАЗ 3962 |
| Модификации: | 39629 |
| Название детали: | Штифт 4х25 |
| Номер детали: | 258617 |
| Актуальность: | 26.03.2001 |
| Количество: | |
2
2
- Количество указано по группам модификаций: УАЗ-3741, 3962, 3909, 2206, 3303
Подробная информация
| Автомобиль: | УАЗ 3962 |
| Модификации: | 39629 |
| Название детали: | Валик привода распределителя |
| Номер детали: | 414-1016016 |
| Актуальность: | 26.03.2001 |
| Количество: | |
1
1
- Количество указано по группам модификаций: УАЗ-3741, 3962, 3909, 2206, 3303
Подробная информация
| Автомобиль: | УАЗ 3962 |
| Модификации: | 39629 |
| Название детали: | Корпус привода распределителя зажигания |
| Номер детали: | 414-1016019 |
| Актуальность: | 26.03.2001 |
| Количество: | |
1
1
- Количество указано по группам модификаций: УАЗ-3741, 3962, 3909, 2206, 3303
Подробная информация
| Автомобиль: | УАЗ 3962 |
| Модификации: | 39629 |
| Название детали: | Гайка М8х1 |
| Номер детали: | 250511-П8 |
| Актуальность: | 26.03.2001 |
| Количество: | |
2
2
- Количество указано по группам модификаций: УАЗ-3741, 3962, 3909, 2206, 3303
Подробная информация
| Автомобиль: | УАЗ 3962 |
| Модификации: | 39629 |
| Название детали: | Шайба 8Л пружинная |
| Номер детали: | 252155-П2 |
| Актуальность: | 26.03.2001 |
| Количество: | |
2
2
- Количество указано по группам модификаций: УАЗ-3741, 3962, 3909, 2206, 3303
Подробная информация
| Автомобиль: | УАЗ 3962 |
| Модификации: | 39629 |
| Название детали: | Шпилька М8х1х22 |
| Номер детали: | 291747 |
| Актуальность: | 26.03.2001 |
| Количество: | |
2
2
- Количество указано по группам модификаций: УАЗ-3741, 3962, 3909, 2206, 3303
Подробная информация
| Автомобиль: | УАЗ 3962 |
| Модификации: | 39629 |
| Название детали: | Шайба 13 упорная шестерни |
| Номер детали: | 414-1016030 |
| Актуальность: | 26.03.2001 |
| Количество: | |
1
1
- Количество указано по группам модификаций: УАЗ-3741, 3962, 3909, 2206, 3303
Подробная информация
| Автомобиль: | УАЗ 3962 |
| Модификации: | 39629 |
| Название детали: | Шестерня привода распределителя |
| Номер детали: | 414.1016018 |
| Актуальность: | 26.03.2001 |
| Количество: | |
1
1
- Количество указано по группам модификаций: УАЗ-3741, 3962, 3909, 2206, 3303
Подробная информация
| Автомобиль: | УАЗ 3962 |
| Модификации: | 39629 |
| Название детали: | Пластина привода масляного насоса |
| Номер детали: | 414.1011220 |
| Актуальность: | 26.03.2001 |
| Количество: | |
1
1
- Количество указано по группам модификаций: УАЗ-3741, 3962, 3909, 2206, 3303
Подробная информация
| Автомобиль: | УАЗ 3962 |
| Модификации: | 39629 |
| Название детали: | Штифт 3х12 |
| Номер детали: | 258599 |
| Актуальность: | 26.03.2001 |
| Количество: | |
1
1
- Количество указано по группам модификаций: УАЗ-3741, 3962, 3909, 2206, 3303
№
Номер запчасти
Наименование запчасти