- Автозапчасти ВАЗ
- Автозапчасти ГАЗ
- Автозапчасти на иномарки
- Автохимия, масла
- Подбор масла
- Инструменты, аксессуары
- Метизы
- Прочее, Москвич
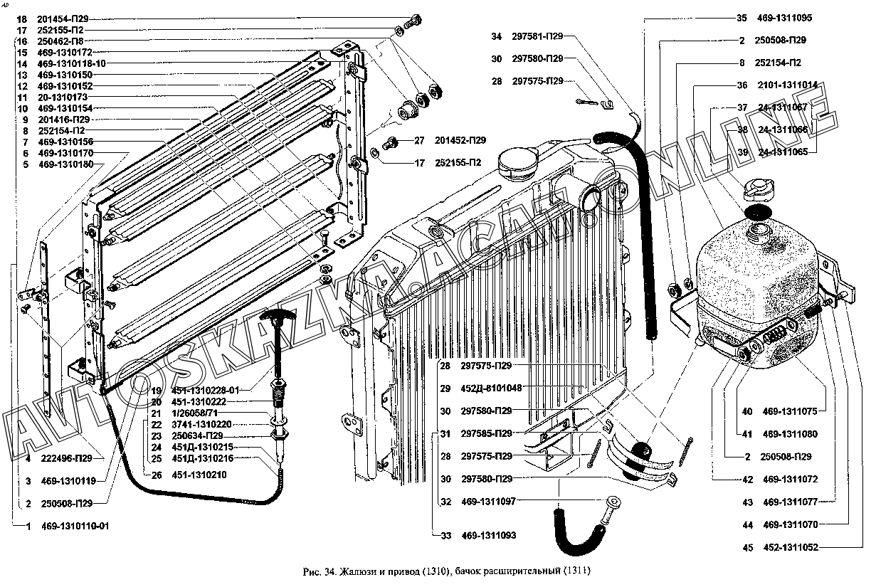
Жалюзи и привод (1310), бачок расширительный (1311) УАЗ 3909 (39094, 39095, 39099)
+
Увеличить изображение на 10%
-
Уменьшить изображение на 10%
Выделение детали в таблице
Прокрутка картинки
Увеличить масштаб
1
2
2
2
3
4
5
6
7
8
8
9
10
11
12
13
14
15
16
17
17
18
19
20
21
22
23
24
25
26
27
28
28
28
29
30
30
30
31
32
33
34
35
36
37
38
39
40
41
42
43
44
45
Подробная информация
| Автомобиль: | УАЗ 3909 |
| Модификации: | 39094, 39095, 39099 |
| Название детали: | Жалюзи радиатора в сборе |
| Номер детали: | 469-1310110-01 |
| Актуальность: | 26.03.2001 |
| Количество: | |
1
1
1
1
1 - Количество указано по группам модификаций: УАЗ-3741, 3962, 3909, 2206, 3303
Подробная информация
| Автомобиль: | УАЗ 3909 |
| Модификации: | 39094, 39095, 39099 |
| Название детали: | Гайка М6 |
| Номер детали: | 250508-П29 |
| Актуальность: | 26.03.2001 |
| Количество: | |
2
2
2
2
2 - Количество указано по группам модификаций: УАЗ-3741, 3962, 3909, 2206, 3303
Подробная информация
| Автомобиль: | УАЗ 3909 |
| Модификации: | 39094, 39095, 39099 |
| Название детали: | Гайка М6 |
| Номер детали: | 250508-П29 |
| Актуальность: | 26.03.2001 |
| Количество: | |
4
4
4
4
4 - Количество указано по группам модификаций: УАЗ-3741, 3962, 3909, 2206, 3303
Подробная информация
| Автомобиль: | УАЗ 3909 |
| Модификации: | 39094, 39095, 39099 |
| Название детали: | Боковина левая в сборе |
| Номер детали: | 469-1310119 |
| Актуальность: | 26.03.2001 |
| Количество: | |
1
1
1
1
1 - Количество указано по группам модификаций: УАЗ-3741, 3962, 3909, 2206, 3303
Подробная информация
| Автомобиль: | УАЗ 3909 |
| Модификации: | 39094, 39095, 39099 |
| Название детали: | Винт М5х8 |
| Номер детали: | 222496-П29 |
| Актуальность: | 26.03.2001 |
| Количество: | |
2
2
2
2
2 - Количество указано по группам модификаций: УАЗ-3741, 3962, 3909, 2206, 3303
Подробная информация
| Автомобиль: | УАЗ 3909 |
| Модификации: | 39094, 39095, 39099 |
| Название детали: | Рычаг привода в сборе |
| Номер детали: | 469-1310180 |
| Актуальность: | 26.03.2001 |
| Количество: | |
1
1
1
1
1 - Количество указано по группам модификаций: УАЗ-3741, 3962, 3909, 2206, 3303
Подробная информация
| Автомобиль: | УАЗ 3909 |
| Модификации: | 39094, 39095, 39099 |
| Название детали: | Тяга привода |
| Номер детали: | 469-1310170 |
| Актуальность: | 26.03.2001 |
| Количество: | |
1
1
1
1
1 - Количество указано по группам модификаций: УАЗ-3741, 3962, 3909, 2206, 3303
Подробная информация
| Автомобиль: | УАЗ 3909 |
| Модификации: | 39094, 39095, 39099 |
| Название детали: | Пластина средняя в сборе |
| Номер детали: | 469-1310156 |
| Актуальность: | 26.03.2001 |
| Количество: | |
1
1
1
1
1 - Количество указано по группам модификаций: УАЗ-3741, 3962, 3909, 2206, 3303
Подробная информация
| Автомобиль: | УАЗ 3909 |
| Модификации: | 39094, 39095, 39099 |
| Название детали: | Шайба 6 пружинная |
| Номер детали: | 252154-П2 |
| Актуальность: | 26.03.2001 |
| Количество: | |
1
1
1
1
1 - Количество указано по группам модификаций: УАЗ-3741, 3962, 3909, 2206, 3303
Подробная информация
| Автомобиль: | УАЗ 3909 |
| Модификации: | 39094, 39095, 39099 |
| Название детали: | Шайба 6 пружинная |
| Номер детали: | 252154-П2 |
| Актуальность: | 26.03.2001 |
| Количество: | |
4
4
4
4
4 - Количество указано по группам модификаций: УАЗ-3741, 3962, 3909, 2206, 3303
Подробная информация
| Автомобиль: | УАЗ 3909 |
| Модификации: | 39094, 39095, 39099 |
| Название детали: | Болт М6х12 |
| Номер детали: | 201416-П29 |
| Актуальность: | 26.03.2001 |
| Количество: | |
4
4
4
4
4 - Количество указано по группам модификаций: УАЗ-3741, 3962, 3909, 2206, 3303
Подробная информация
| Автомобиль: | УАЗ 3909 |
| Модификации: | 39094, 39095, 39099 |
| Название детали: | Пластина привода в сборе |
| Номер детали: | 469-1310154 |
| Актуальность: | 26.03.2001 |
| Количество: | |
1
1
1
1
1 - Количество указано по группам модификаций: УАЗ-3741, 3962, 3909, 2206, 3303
Подробная информация
| Автомобиль: | УАЗ 3909 |
| Модификации: | 39094, 39095, 39099 |
| Название детали: | Проволока жалюзи |
| Номер детали: | 20-1310173 |
| Актуальность: | 26.03.2001 |
| Количество: | |
1
1
1
1
1 - Количество указано по группам модификаций: УАЗ-3741, 3962, 3909, 2206, 3303
Подробная информация
| Автомобиль: | УАЗ 3909 |
| Модификации: | 39094, 39095, 39099 |
| Название детали: | Пластина рычага в сборе |
| Номер детали: | 469-1310152 |
| Актуальность: | 26.03.2001 |
| Количество: | |
1
1
1
1
1 - Количество указано по группам модификаций: УАЗ-3741, 3962, 3909, 2206, 3303
Подробная информация
| Автомобиль: | УАЗ 3909 |
| Модификации: | 39094, 39095, 39099 |
| Название детали: | Пластина жалюзи в сборе |
| Номер детали: | 469-1310150 |
| Актуальность: | 26.03.2001 |
| Количество: | |
7
7
7
7
7 - Количество указано по группам модификаций: УАЗ-3741, 3962, 3909, 2206, 3303
Подробная информация
| Автомобиль: | УАЗ 3909 |
| Модификации: | 39094, 39095, 39099 |
| Название детали: | Боковина правая в сборе |
| Номер детали: | 469-1310118-10 |
| Актуальность: | 26.03.2001 |
| Количество: | |
1
1
1
1
1 - Количество указано по группам модификаций: УАЗ-3741, 3962, 3909, 2206, 3303
Подробная информация
| Автомобиль: | УАЗ 3909 |
| Модификации: | 39094, 39095, 39099 |
| Название детали: | Втулка |
| Номер детали: | 469-1310172 |
| Актуальность: | 26.03.2001 |
| Количество: | |
20
20
20
20
20 - Количество указано по группам модификаций: УАЗ-3741, 3962, 3909, 2206, 3303
Подробная информация
| Автомобиль: | УАЗ 3909 |
| Модификации: | 39094, 39095, 39099 |
| Название детали: | Гайка М4 |
| Номер детали: | 250462-П8 |
| Актуальность: | 26.03.2001 |
| Количество: | |
10
10
10
10
10 - Количество указано по группам модификаций: УАЗ-3741, 3962, 3909, 2206, 3303
Подробная информация
| Автомобиль: | УАЗ 3909 |
| Модификации: | 39094, 39095, 39099 |
| Название детали: | Шайба 8 пружинная |
| Номер детали: | 252155-П2 |
| Актуальность: | 26.03.2001 |
| Количество: | |
4
4
4
4
4 - Количество указано по группам модификаций: УАЗ-3741, 3962, 3909, 2206, 3303
Подробная информация
| Автомобиль: | УАЗ 3909 |
| Модификации: | 39094, 39095, 39099 |
| Название детали: | Болт М8х16 |
| Номер детали: | 201454-П29 |
| Актуальность: | 26.03.2001 |
| Количество: | |
2
2
2
2
2 - Количество указано по группам модификаций: УАЗ-3741, 3962, 3909, 2206, 3303
Подробная информация
| Автомобиль: | УАЗ 3909 |
| Модификации: | 39094, 39095, 39099 |
| Название детали: | Ручка тяги управления в сборе |
| Номер детали: | 451-1310228-01 |
| Актуальность: | 26.03.2001 |
| Количество: | |
1
1
1
1
1 - Количество указано по группам модификаций: УАЗ-3741, 3962, 3909, 2206, 3303
Подробная информация
| Автомобиль: | УАЗ 3909 |
| Модификации: | 39094, 39095, 39099 |
| Название детали: | Муфта тяги |
| Номер детали: | 451-1310222 |
| Актуальность: | 26.03.2001 |
| Количество: | |
1
1
1
1
1 - Количество указано по группам модификаций: УАЗ-3741, 3962, 3909, 2206, 3303
Подробная информация
| Автомобиль: | УАЗ 3909 |
| Модификации: | 39094, 39095, 39099 |
| Название детали: | Шайба 14 пружинная зубчатая |
| Номер детали: | 1/26058/71 |
| Актуальность: | 26.03.2001 |
| Количество: | |
1
1
1
1
1 - Количество указано по группам модификаций: УАЗ-3741, 3962, 3909, 2206, 3303
Подробная информация
| Автомобиль: | УАЗ 3909 |
| Модификации: | 39094, 39095, 39099 |
| Название детали: | Трубка тяги |
| Номер детали: | 3741-1310220 |
| Актуальность: | 26.03.2001 |
| Количество: | |
1
1
1
1
1 - Количество указано по группам модификаций: УАЗ-3741, 3962, 3909, 2206, 3303
Подробная информация
| Автомобиль: | УАЗ 3909 |
| Модификации: | 39094, 39095, 39099 |
| Название детали: | Гайка М14х1,5 |
| Номер детали: | 250634-П29 |
| Актуальность: | 26.03.2001 |
| Количество: | |
1
1
1
1
1 - Количество указано по группам модификаций: УАЗ-3741, 3962, 3909, 2206, 3303
Подробная информация
| Автомобиль: | УАЗ 3909 |
| Модификации: | 39094, 39095, 39099 |
| Название детали: | Тяга |
| Номер детали: | 451Д-1310215 |
| Актуальность: | 26.03.2001 |
| Количество: | |
1
1
1
1
1 - Количество указано по группам модификаций: УАЗ-3741, 3962, 3909, 2206, 3303
Подробная информация
| Автомобиль: | УАЗ 3909 |
| Модификации: | 39094, 39095, 39099 |
| Название детали: | Оболочка тяги ручного управления жалюзи |
| Номер детали: | 451Д-1310216 |
| Актуальность: | 26.03.2001 |
| Количество: | |
1
1
1
1
1 - Количество указано по группам модификаций: УАЗ-3741, 3962, 3909, 2206, 3303
Подробная информация
| Автомобиль: | УАЗ 3909 |
| Модификации: | 39094, 39095, 39099 |
| Название детали: | Тяга управления жалюзи в сборе |
| Номер детали: | 451-1310210 |
| Актуальность: | 26.03.2001 |
| Количество: | |
1
1
1
1
1 - Количество указано по группам модификаций: УАЗ-3741, 3962, 3909, 2206, 3303
Подробная информация
| Автомобиль: | УАЗ 3909 |
| Модификации: | 39094, 39095, 39099 |
| Название детали: | Болт М8х12 |
| Номер детали: | 201452-П29 |
| Актуальность: | 26.03.2001 |
| Количество: | |
2
2
2
2
2 - Количество указано по группам модификаций: УАЗ-3741, 3962, 3909, 2206, 3303
Подробная информация
| Автомобиль: | УАЗ 3909 |
| Модификации: | 39094, 39095, 39099 |
| Название детали: | Шплинт хомута |
| Номер детали: | 297575-П29 |
| Актуальность: | 26.03.2001 |
| Количество: | |
3
3
3
3
3 - Количество указано по группам модификаций: УАЗ-3741, 3962, 3909, 2206, 3303
Подробная информация
| Автомобиль: | УАЗ 3909 |
| Модификации: | 39094, 39095, 39099 |
| Название детали: | Шланг соединительный |
| Номер детали: | 452Д-8101048 |
| Актуальность: | 26.03.2001 |
| Количество: | |
1
1
1
1
1 - Количество указано по группам модификаций: УАЗ-3741, 3962, 3909, 2206, 3303
Подробная информация
| Автомобиль: | УАЗ 3909 |
| Модификации: | 39094, 39095, 39099 |
| Название детали: | Пряжка ленточного хомута |
| Номер детали: | 297580-П29 |
| Актуальность: | 26.03.2001 |
| Количество: | |
3
3
3
3
3 - Количество указано по группам модификаций: УАЗ-3741, 3962, 3909, 2206, 3303
Подробная информация
| Автомобиль: | УАЗ 3909 |
| Модификации: | 39094, 39095, 39099 |
| Название детали: | Лента хомута |
| Номер детали: | 297585-П29 |
| Актуальность: | 26.03.2001 |
| Количество: | |
2
2
2
2
2 - Количество указано по группам модификаций: УАЗ-3741, 3962, 3909, 2206, 3303
Подробная информация
| Автомобиль: | УАЗ 3909 |
| Модификации: | 39094, 39095, 39099 |
| Название детали: | Втулка соединительного шланга |
| Номер детали: | 469-1311097 |
| Актуальность: | 26.03.2001 |
| Количество: | |
1
1
1
1
1 - Количество указано по группам модификаций: УАЗ-3741, 3962, 3909, 2206, 3303
Подробная информация
| Автомобиль: | УАЗ 3909 |
| Модификации: | 39094, 39095, 39099 |
| Название детали: | Шланг соединительный в сборе |
| Номер детали: | 469-1311093 |
| Актуальность: | 26.03.2001 |
| Количество: | |
1
1
1
1
1 - Количество указано по группам модификаций: УАЗ-3741, 3962, 3909, 2206, 3303
Подробная информация
| Автомобиль: | УАЗ 3909 |
| Модификации: | 39094, 39095, 39099 |
| Название детали: | Лента хомута |
| Номер детали: | 297581-П29 |
| Актуальность: | 26.03.2001 |
| Количество: | |
1
1
1
1
1 - Количество указано по группам модификаций: УАЗ-3741, 3962, 3909, 2206, 3303
Подробная информация
| Автомобиль: | УАЗ 3909 |
| Модификации: | 39094, 39095, 39099 |
| Название детали: | Трубка соединительного шланга |
| Номер детали: | 469-1311095 |
| Актуальность: | 26.03.2001 |
| Количество: | |
1
1
1
1
1 - Количество указано по группам модификаций: УАЗ-3741, 3962, 3909, 2206, 3303
Подробная информация
| Автомобиль: | УАЗ 3909 |
| Модификации: | 39094, 39095, 39099 |
| Название детали: | Бачок расширительный |
| Номер детали: | 2101-1311014 |
| Актуальность: | 26.03.2001 |
| Количество: | |
1
1
1
1
1 - Количество указано по группам модификаций: УАЗ-3741, 3962, 3909, 2206, 3303
Подробная информация
| Автомобиль: | УАЗ 3909 |
| Модификации: | 39094, 39095, 39099 |
| Название детали: | Прокладка пробки |
| Номер детали: | 24-1311067 |
| Актуальность: | 26.03.2001 |
| Количество: | |
1
1
1
1
1 - Количество указано по группам модификаций: УАЗ-3741, 3962, 3909, 2206, 3303
Подробная информация
| Автомобиль: | УАЗ 3909 |
| Модификации: | 39094, 39095, 39099 |
| Название детали: | Корпус пробки |
| Номер детали: | 24-1311066 |
| Актуальность: | 26.03.2001 |
| Количество: | |
1
1
1
1
1 - Количество указано по группам модификаций: УАЗ-3741, 3962, 3909, 2206, 3303
Подробная информация
| Автомобиль: | УАЗ 3909 |
| Модификации: | 39094, 39095, 39099 |
| Название детали: | Пробка в сборе |
| Номер детали: | 24-1311065 |
| Актуальность: | 26.03.2001 |
| Количество: | |
1
1
1
1
1 - Количество указано по группам модификаций: УАЗ-3741, 3962, 3909, 2206, 3303
Подробная информация
| Автомобиль: | УАЗ 3909 |
| Модификации: | 39094, 39095, 39099 |
| Название детали: | Пружина хомута |
| Номер детали: | 469-1311075 |
| Актуальность: | 26.03.2001 |
| Количество: | |
1
1
1
1
1 - Количество указано по группам модификаций: УАЗ-3741, 3962, 3909, 2206, 3303
Подробная информация
| Автомобиль: | УАЗ 3909 |
| Модификации: | 39094, 39095, 39099 |
| Название детали: | Тарелка пружины |
| Номер детали: | 469-1311080 |
| Актуальность: | 26.03.2001 |
| Количество: | |
1
1
1
1
1 - Количество указано по группам модификаций: УАЗ-3741, 3962, 3909, 2206, 3303
Подробная информация
| Автомобиль: | УАЗ 3909 |
| Модификации: | 39094, 39095, 39099 |
| Название детали: | Хомут крепления бачка |
| Номер детали: | 469-1311072 |
| Актуальность: | 26.03.2001 |
| Количество: | |
1
1
1
1
1 - Количество указано по группам модификаций: УАЗ-3741, 3962, 3909, 2206, 3303
Подробная информация
| Автомобиль: | УАЗ 3909 |
| Модификации: | 39094, 39095, 39099 |
| Название детали: | Втулка пружины |
| Номер детали: | 469-1311077 |
| Актуальность: | 26.03.2001 |
| Количество: | |
1
1
1
1
1 - Количество указано по группам модификаций: УАЗ-3741, 3962, 3909, 2206, 3303
Подробная информация
| Автомобиль: | УАЗ 3909 |
| Модификации: | 39094, 39095, 39099 |
| Название детали: | Основание хомута |
| Номер детали: | 469-1311070 |
| Актуальность: | 26.03.2001 |
| Количество: | |
1
1
1
1
1 - Количество указано по группам модификаций: УАЗ-3741, 3962, 3909, 2206, 3303
Подробная информация
| Автомобиль: | УАЗ 3909 |
| Модификации: | 39094, 39095, 39099 |
| Название детали: | Кронштейн крепления расширительного бачка в сборе |
| Номер детали: | 452-1311052 |
| Актуальность: | 26.03.2001 |
| Количество: | |
1
1
1
1
1 - Количество указано по группам модификаций: УАЗ-3741, 3962, 3909, 2206, 3303
№
Номер запчасти
Наименование запчасти