- Автозапчасти ВАЗ
- Автозапчасти ГАЗ
- Автозапчасти на иномарки
- Автохимия, масла
- Подбор масла
- Инструменты, аксессуары
- Метизы
- Прочее, Москвич
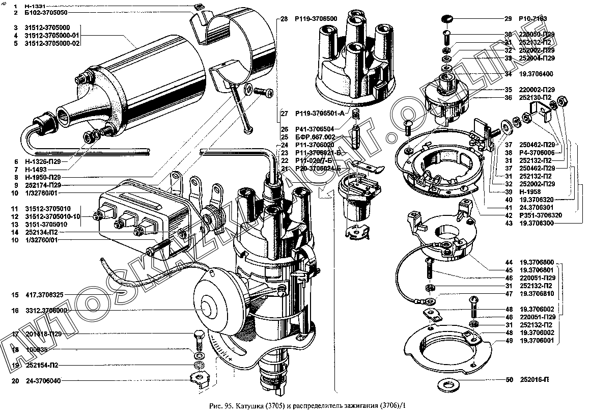
Катушка (3705) и распределитель зажигания (3706)/1 УАЗ 3909 (39094, 39095, 39099)
+
Увеличить изображение на 10%
-
Уменьшить изображение на 10%
Выделение детали в таблице
Прокрутка картинки
Увеличить масштаб
1
2
3
4
5
6
6
7
8
9
10
10
11
12
13
14
15
16
17
18
19
20
21
22
23
24
25
26
27
28
29
30
31
31
31
31
31
32
32
33
34
35
36
37
37
38
39
40
41
42
43
44
45
46
47
48
48
49
50
Подробная информация
| Автомобиль: | УАЗ 3909 |
| Модификации: | 39094, 39095, 39099 |
| Название детали: | Гайка квадратная |
| Номер детали: | Н-1331 |
| Актуальность: | 26.03.2001 |
| Количество: | |
1
1
1
1
1 - Количество указано по группам модификаций: УАЗ-3741, 3962, 3909, 2206, 3303
Подробная информация
| Автомобиль: | УАЗ 3909 |
| Модификации: | 39094, 39095, 39099 |
| Название детали: | Скоба |
| Номер детали: | Б102-3705050 |
| Актуальность: | 26.03.2001 |
| Количество: | |
1
1
1
1
1 - Количество указано по группам модификаций: УАЗ-3741, 3962, 3909, 2206, 3303
Подробная информация
| Автомобиль: | УАЗ 3909 |
| Модификации: | 39094, 39095, 39099 |
| Название детали: | Катушка зажигания в сборе Б 116 |
| Номер детали: | 31512-3705000 |
| Актуальность: | 26.03.2001 |
| Количество: | |
1
1
1
1
1 - Количество указано по группам модификаций: УАЗ-3741, 3962, 3909, 2206, 3303
Подробная информация
| Автомобиль: | УАЗ 3909 |
| Модификации: | 39094, 39095, 39099 |
| Название детали: | Катушка зажигания в сборе Б 116-01 |
| Номер детали: | 31512-3705000-01 |
| Актуальность: | 26.03.2001 |
| Количество: | |
1
1
1
1
1 - Количество указано по группам модификаций: УАЗ-3741, 3962, 3909, 2206, 3303
Подробная информация
| Автомобиль: | УАЗ 3909 |
| Модификации: | 39094, 39095, 39099 |
| Название детали: | Катушка зажигания в сборе Б 116-02 |
| Номер детали: | 31512-3705000-02 |
| Актуальность: | 26.03.2001 |
| Количество: | |
1
1
1
1
1 - Количество указано по группам модификаций: УАЗ-3741, 3962, 3909, 2206, 3303
Подробная информация
| Автомобиль: | УАЗ 3909 |
| Модификации: | 39094, 39095, 39099 |
| Название детали: | Гайка специальная |
| Номер детали: | Н-1326-П29 |
| Актуальность: | 26.03.2001 |
| Количество: | |
2
2
2
2
2 - Количество указано по группам модификаций: УАЗ-3741, 3962, 3909, 2206, 3303
Подробная информация
| Автомобиль: | УАЗ 3909 |
| Модификации: | 39094, 39095, 39099 |
| Название детали: | Шайба 5 |
| Номер детали: | Н-1493 |
| Актуальность: | 26.03.2001 |
| Количество: | |
2
2
2
2
2 - Количество указано по группам модификаций: УАЗ-3741, 3962, 3909, 2206, 3303
Подробная информация
| Автомобиль: | УАЗ 3909 |
| Модификации: | 39094, 39095, 39099 |
| Название детали: | Винт М5х40 |
| Номер детали: | Н-1950-П29 |
| Актуальность: | 26.03.2001 |
| Количество: | |
1
1
1
1
1 - Количество указано по группам модификаций: УАЗ-3741, 3962, 3909, 2206, 3303
Подробная информация
| Автомобиль: | УАЗ 3909 |
| Модификации: | 39094, 39095, 39099 |
| Название детали: | Шайба 6 пружинная зубчатая |
| Номер детали: | 252174-П29 |
| Актуальность: | 26.03.2001 |
| Количество: | |
2
2
2
2
2 - Количество указано по группам модификаций: УАЗ-3741, 3962, 3909, 2206, 3303
Подробная информация
| Автомобиль: | УАЗ 3909 |
| Модификации: | 39094, 39095, 39099 |
| Название детали: | Винт М6х12 |
| Номер детали: | 1/32760/01 |
| Актуальность: | 26.03.2001 |
| Количество: | |
4
4
4
4
4 - Количество указано по группам модификаций: УАЗ-3741, 3962, 3909, 2206, 3303
Подробная информация
| Автомобиль: | УАЗ 3909 |
| Модификации: | 39094, 39095, 39099 |
| Название детали: | Сопротивление добавочное 1402.3729 |
| Номер детали: | 31512-3705010 |
| Актуальность: | 26.03.2001 |
| Количество: | |
1
1
1
1
1 - Количество указано по группам модификаций: УАЗ-3741, 3962, 3909, 2206, 3303
Подробная информация
| Автомобиль: | УАЗ 3909 |
| Модификации: | 39094, 39095, 39099 |
| Название детали: | Сопротивление добавочное 434151.001 |
| Номер детали: | 31512-3705010-10 |
| Актуальность: | 26.03.2001 |
| Количество: | |
1
1
1
1
1 - Количество указано по группам модификаций: УАЗ-3741, 3962, 3909, 2206, 3303
Подробная информация
| Автомобиль: | УАЗ 3909 |
| Модификации: | 39094, 39095, 39099 |
| Название детали: | Резистор добавочный |
| Номер детали: | 3151-3705010 |
| Актуальность: | 26.03.2001 |
| Количество: | |
1
1
1
1
1 - Количество указано по группам модификаций: УАЗ-3741, 3962, 3909, 2206, 3303
Подробная информация
| Автомобиль: | УАЗ 3909 |
| Модификации: | 39094, 39095, 39099 |
| Название детали: | Шайба 6 пружинная |
| Номер детали: | 252134-П2 |
| Актуальность: | 26.03.2001 |
| Количество: | |
2
2
2
2
2 - Количество указано по группам модификаций: УАЗ-3741, 3962, 3909, 2206, 3303
Подробная информация
| Автомобиль: | УАЗ 3909 |
| Модификации: | 39094, 39095, 39099 |
| Название детали: | Шланг вакуумного регулятора распределителя |
| Номер детали: | 417.3706325 |
| Актуальность: | 26.03.2001 |
| Количество: | |
1
1
1
1
1 - Количество указано по группам модификаций: УАЗ-3741, 3962, 3909, 2206, 3303
Подробная информация
| Автомобиль: | УАЗ 3909 |
| Модификации: | 39094, 39095, 39099 |
| Название детали: | Датчик-распределитель в сборе 3706 |
| Номер детали: | 3312.3706000 |
| Актуальность: | 26.03.2001 |
| Количество: | |
1
1
1
1
1 - Количество указано по группам модификаций: УАЗ-3741, 3962, 3909, 2206, 3303
Подробная информация
| Автомобиль: | УАЗ 3909 |
| Модификации: | 39094, 39095, 39099 |
| Название детали: | Болт М6х16 |
| Номер детали: | 201418-П29 |
| Актуальность: | 26.03.2001 |
| Количество: | |
1
1
1
1
1 - Количество указано по группам модификаций: УАЗ-3741, 3962, 3909, 2206, 3303
Подробная информация
| Автомобиль: | УАЗ 3909 |
| Модификации: | 39094, 39095, 39099 |
| Название детали: | Шайба 6 |
| Номер детали: | 100935 |
| Актуальность: | 26.03.2001 |
| Количество: | |
1
1
1
1
1 - Количество указано по группам модификаций: УАЗ-3741, 3962, 3909, 2206, 3303
Подробная информация
| Автомобиль: | УАЗ 3909 |
| Модификации: | 39094, 39095, 39099 |
| Название детали: | Шайба 6Л пружинная |
| Номер детали: | 252154-П2 |
| Актуальность: | 26.03.2001 |
| Количество: | |
2
2
2
2
2 - Количество указано по группам модификаций: УАЗ-3741, 3962, 3909, 2206, 3303
Подробная информация
| Автомобиль: | УАЗ 3909 |
| Модификации: | 39094, 39095, 39099 |
| Название детали: | Указатель октан-корректора |
| Номер детали: | 24-3706040 |
| Актуальность: | 26.03.2001 |
| Количество: | |
1
1
1
1
1 - Количество указано по группам модификаций: УАЗ-3741, 3962, 3909, 2206, 3303
Подробная информация
| Автомобиль: | УАЗ 3909 |
| Модификации: | 39094, 39095, 39099 |
| Название детали: | Пружина бегунка |
| Номер детали: | Р20-3706024-Б |
| Актуальность: | 26.03.2001 |
| Количество: | |
1
1
1
1
1 - Количество указано по группам модификаций: УАЗ-3741, 3962, 3909, 2206, 3303
Подробная информация
| Автомобиль: | УАЗ 3909 |
| Модификации: | 39094, 39095, 39099 |
| Название детали: | Бегунок |
| Номер детали: | Р11-020/7-Б |
| Актуальность: | 26.03.2001 |
| Количество: | |
1
1
1
1
1 - Количество указано по группам модификаций: УАЗ-3741, 3962, 3909, 2206, 3303
Подробная информация
| Автомобиль: | УАЗ 3909 |
| Модификации: | 39094, 39095, 39099 |
| Название детали: | Электрод бегунка |
| Номер детали: | Р11-3706021-Б |
| Актуальность: | 26.03.2001 |
| Количество: | |
1
1
1
1
1 - Количество указано по группам модификаций: УАЗ-3741, 3962, 3909, 2206, 3303
Подробная информация
| Автомобиль: | УАЗ 3909 |
| Модификации: | 39094, 39095, 39099 |
| Название детали: | Бегунок в сборе |
| Номер детали: | Р11-3706020 |
| Актуальность: | 26.03.2001 |
| Количество: | |
1
1
1
1
1 - Количество указано по группам модификаций: УАЗ-3741, 3962, 3909, 2206, 3303
Подробная информация
| Автомобиль: | УАЗ 3909 |
| Модификации: | 39094, 39095, 39099 |
| Название детали: | Уголек комбинированный |
| Номер детали: | БФР.667.002 |
| Актуальность: | 26.03.2001 |
| Количество: | |
1
1
1
1
1 - Количество указано по группам модификаций: УАЗ-3741, 3962, 3909, 2206, 3303
Подробная информация
| Автомобиль: | УАЗ 3909 |
| Модификации: | 39094, 39095, 39099 |
| Название детали: | Пружина контактная |
| Номер детали: | Р41-3706504 |
| Актуальность: | 26.03.2001 |
| Количество: | |
1
1
1
1
1 - Количество указано по группам модификаций: УАЗ-3741, 3962, 3909, 2206, 3303
Подробная информация
| Автомобиль: | УАЗ 3909 |
| Модификации: | 39094, 39095, 39099 |
| Название детали: | Крышка распределителя |
| Номер детали: | Р119-3706501-А |
| Актуальность: | 26.03.2001 |
| Количество: | |
1
1
1
1
1 - Количество указано по группам модификаций: УАЗ-3741, 3962, 3909, 2206, 3303
Подробная информация
| Автомобиль: | УАЗ 3909 |
| Модификации: | 39094, 39095, 39099 |
| Название детали: | Крышка в сборе |
| Номер детали: | Р119-3706500 |
| Актуальность: | 26.03.2001 |
| Количество: | |
1
1
1
1
1 - Количество указано по группам модификаций: УАЗ-3741, 3962, 3909, 2206, 3303
Подробная информация
| Автомобиль: | УАЗ 3909 |
| Модификации: | 39094, 39095, 39099 |
| Название детали: | Сальник |
| Номер детали: | Р10-7163 |
| Актуальность: | 26.03.2001 |
| Количество: | |
1
1
1
1
1 - Количество указано по группам модификаций: УАЗ-3741, 3962, 3909, 2206, 3303
Подробная информация
| Автомобиль: | УАЗ 3909 |
| Модификации: | 39094, 39095, 39099 |
| Название детали: | Винт М4х8 |
| Номер детали: | 220050-П29 |
| Актуальность: | 26.03.2001 |
| Количество: | |
1
1
1
1
1 - Количество указано по группам модификаций: УАЗ-3741, 3962, 3909, 2206, 3303
Подробная информация
| Автомобиль: | УАЗ 3909 |
| Модификации: | 39094, 39095, 39099 |
| Название детали: | Шайба 4 пружинная |
| Номер детали: | 252132-П2 |
| Актуальность: | 26.03.2001 |
| Количество: | |
5
5
5
5
5 - Количество указано по группам модификаций: УАЗ-3741, 3962, 3909, 2206, 3303
Подробная информация
| Автомобиль: | УАЗ 3909 |
| Модификации: | 39094, 39095, 39099 |
| Название детали: | Шайба 4 |
| Номер детали: | 252002-П29 |
| Актуальность: | 26.03.2001 |
| Количество: | |
2
2
2
2
2 - Количество указано по группам модификаций: УАЗ-3741, 3962, 3909, 2206, 3303
Подробная информация
| Автомобиль: | УАЗ 3909 |
| Модификации: | 39094, 39095, 39099 |
| Название детали: | Шайба 6 |
| Номер детали: | 252004-П29 |
| Актуальность: | 26.03.2001 |
| Количество: | |
1
1
1
1
1 - Количество указано по группам модификаций: УАЗ-3741, 3962, 3909, 2206, 3303
Подробная информация
| Автомобиль: | УАЗ 3909 |
| Модификации: | 39094, 39095, 39099 |
| Название детали: | Ротор в сборе |
| Номер детали: | 19.3706400 |
| Актуальность: | 26.03.2001 |
| Количество: | |
1
1
1
1
1 - Количество указано по группам модификаций: УАЗ-3741, 3962, 3909, 2206, 3303
Подробная информация
| Автомобиль: | УАЗ 3909 |
| Модификации: | 39094, 39095, 39099 |
| Название детали: | Винт МЗх7 |
| Номер детали: | 220002-П29 |
| Актуальность: | 26.03.2001 |
| Количество: | |
3
3
3
3
3 - Количество указано по группам модификаций: УАЗ-3741, 3962, 3909, 2206, 3303
Подробная информация
| Автомобиль: | УАЗ 3909 |
| Модификации: | 39094, 39095, 39099 |
| Название детали: | Шайба 3 пружинная |
| Номер детали: | 252130-П2 |
| Актуальность: | 26.03.2001 |
| Количество: | |
3
3
3
3
3 - Количество указано по группам модификаций: УАЗ-3741, 3962, 3909, 2206, 3303
Подробная информация
| Автомобиль: | УАЗ 3909 |
| Модификации: | 39094, 39095, 39099 |
| Название детали: | Гайка М4 |
| Номер детали: | 250462-П29 |
| Актуальность: | 26.03.2001 |
| Количество: | |
2
2
2
2
2 - Количество указано по группам модификаций: УАЗ-3741, 3962, 3909, 2206, 3303
Подробная информация
| Автомобиль: | УАЗ 3909 |
| Модификации: | 39094, 39095, 39099 |
| Название детали: | Скоба |
| Номер детали: | Р4-3706006 |
| Актуальность: | 26.03.2001 |
| Количество: | |
1
1
1
1
1 - Количество указано по группам модификаций: УАЗ-3741, 3962, 3909, 2206, 3303
Подробная информация
| Автомобиль: | УАЗ 3909 |
| Модификации: | 39094, 39095, 39099 |
| Название детали: | Болт специальный |
| Номер детали: | Н-1958 |
| Актуальность: | 26.03.2001 |
| Количество: | |
1
1
1
1
1 - Количество указано по группам модификаций: УАЗ-3741, 3962, 3909, 2206, 3303
Подробная информация
| Автомобиль: | УАЗ 3909 |
| Модификации: | 39094, 39095, 39099 |
| Название детали: | Вывод с изолятором в сборе |
| Номер детали: | 19.3706320 |
| Актуальность: | 26.03.2001 |
| Количество: | |
1
1
1
1
1 - Количество указано по группам модификаций: УАЗ-3741, 3962, 3909, 2206, 3303
Подробная информация
| Автомобиль: | УАЗ 3909 |
| Модификации: | 39094, 39095, 39099 |
| Название детали: | Пластина статора верхняя |
| Номер детали: | 24.3706301 |
| Актуальность: | 26.03.2001 |
| Количество: | |
1
1
1
1
1 - Количество указано по группам модификаций: УАЗ-3741, 3962, 3909, 2206, 3303
Подробная информация
| Автомобиль: | УАЗ 3909 |
| Модификации: | 39094, 39095, 39099 |
| Название детали: | Катушка с каркасом в сборе |
| Номер детали: | Р351-3706320 |
| Актуальность: | 26.03.2001 |
| Количество: | |
1
1
1
1
1 - Количество указано по группам модификаций: УАЗ-3741, 3962, 3909, 2206, 3303
Подробная информация
| Автомобиль: | УАЗ 3909 |
| Модификации: | 39094, 39095, 39099 |
| Название детали: | Статор в сборе |
| Номер детали: | 19.3706300 |
| Актуальность: | 26.03.2001 |
| Количество: | |
1
1
1
1
1 - Количество указано по группам модификаций: УАЗ-3741, 3962, 3909, 2206, 3303
Подробная информация
| Автомобиль: | УАЗ 3909 |
| Модификации: | 39094, 39095, 39099 |
| Название детали: | Опора статора в сборе |
| Номер детали: | 19.3706800 |
| Актуальность: | 26.03.2001 |
| Количество: | |
1
1
1
1
1 - Количество указано по группам модификаций: УАЗ-3741, 3962, 3909, 2206, 3303
Подробная информация
| Автомобиль: | УАЗ 3909 |
| Модификации: | 39094, 39095, 39099 |
| Название детали: | Опора статора |
| Номер детали: | 19.3706801 |
| Актуальность: | 26.03.2001 |
| Количество: | |
1
1
1
1
1 - Количество указано по группам модификаций: УАЗ-3741, 3962, 3909, 2206, 3303
Подробная информация
| Автомобиль: | УАЗ 3909 |
| Модификации: | 39094, 39095, 39099 |
| Название детали: | Винт М4х10 |
| Номер детали: | 220051-П29 |
| Актуальность: | 26.03.2001 |
| Количество: | |
2
2
2
2
2 - Количество указано по группам модификаций: УАЗ-3741, 3962, 3909, 2206, 3303
Подробная информация
| Автомобиль: | УАЗ 3909 |
| Модификации: | 39094, 39095, 39099 |
| Название детали: | Вывод в сборе |
| Номер детали: | 19.3706810 |
| Актуальность: | 26.03.2001 |
| Количество: | |
1
1
1
1
1 - Количество указано по группам модификаций: УАЗ-3741, 3962, 3909, 2206, 3303
Подробная информация
| Автомобиль: | УАЗ 3909 |
| Модификации: | 39094, 39095, 39099 |
| Название детали: | Держатель подшипника |
| Номер детали: | 19.3706002 |
| Актуальность: | 26.03.2001 |
| Количество: | |
2
2
2
2
2 - Количество указано по группам модификаций: УАЗ-3741, 3962, 3909, 2206, 3303
Подробная информация
| Автомобиль: | УАЗ 3909 |
| Модификации: | 39094, 39095, 39099 |
| Название детали: | Обойма подшипника |
| Номер детали: | 19.3706001 |
| Актуальность: | 26.03.2001 |
| Количество: | |
1
1
1
1
1 - Количество указано по группам модификаций: УАЗ-3741, 3962, 3909, 2206, 3303
Подробная информация
| Автомобиль: | УАЗ 3909 |
| Модификации: | 39094, 39095, 39099 |
| Название детали: | Шайба 14 |
| Номер детали: | 252016-П |
| Актуальность: | 26.03.2001 |
| Количество: | |
1
1
1
1
1 - Количество указано по группам модификаций: УАЗ-3741, 3962, 3909, 2206, 3303
№
Номер запчасти
Наименование запчасти