- Автозапчасти ВАЗ
- Автозапчасти ГАЗ
- Автозапчасти на иномарки
- Автохимия, масла
- Подбор масла
- Инструменты, аксессуары
- Метизы
- Прочее, Москвич
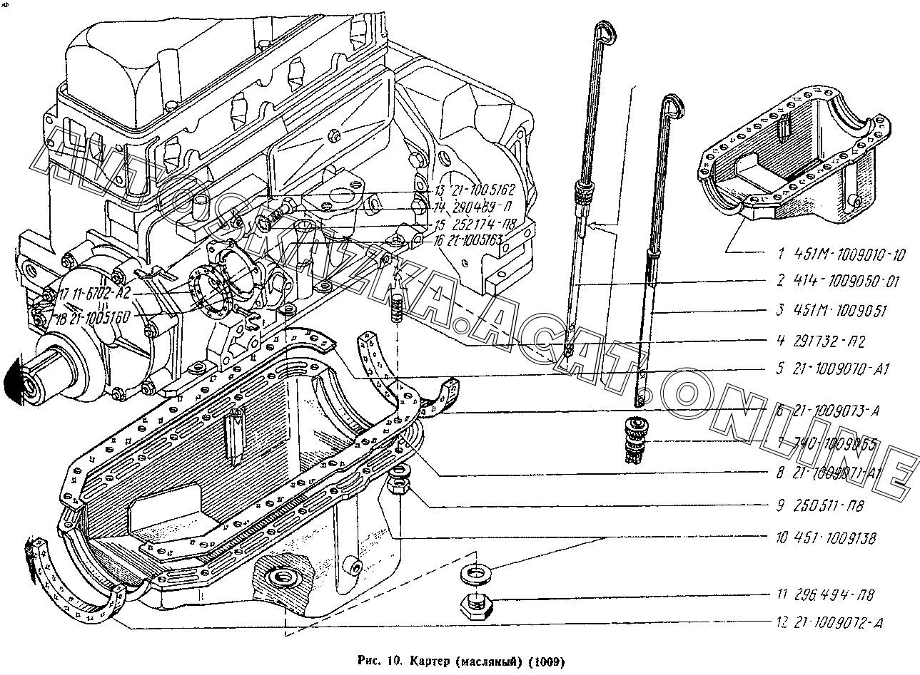
Картер (масляный) (1009) УАЗ 2206
+
Увеличить изображение на 10%
-
Уменьшить изображение на 10%
Выделение детали в таблице
Прокрутка картинки
Увеличить масштаб
1
2
3
4
5
6
7
8
9
10
11
12
13
14
15
16
17
18
Подробная информация
| Автомобиль: | УАЗ 2206 |
| Модификации: | |
| Название детали: | Картер масляный в сборе |
| Номер детали: | 451-1009010-10 |
| Актуальность: | 01.01.1983 |
| Количество: | |
1 - для автомобилей УАЗ-3741
1 - для автомобилей УАЗ-3962
1 - для автомобилей УАЗ-2206
1 - для автомобилей УАЗ-3303
Подробная информация
| Автомобиль: | УАЗ 2206 |
| Модификации: | |
| Название детали: | Указатель уровня масла в сборе |
| Номер детали: | 414-1009050-01 |
| Актуальность: | 01.01.1983 |
| Количество: | |
1 - для автомобилей УАЗ-3741
1 - для автомобилей УАЗ-3962
1 - для автомобилей УАЗ-2206
1 - для автомобилей УАЗ-3303
Подробная информация
| Автомобиль: | УАЗ 2206 |
| Модификации: | |
| Название детали: | Указатель уровня масла |
| Номер детали: | 451М-1009051 |
| Актуальность: | 01.01.1983 |
| Количество: | |
1 - для автомобилей УАЗ-3741
1 - для автомобилей УАЗ-3962
1 - для автомобилей УАЗ-2206
1 - для автомобилей УАЗ-3303
Подробная информация
| Автомобиль: | УАЗ 2206 |
| Модификации: | |
| Название детали: | Шпилька М8х 1х14 |
| Номер детали: | 291732-П2 |
| Актуальность: | 01.01.1983 |
| Количество: | |
17 - для автомобилей УАЗ-3741
17 - для автомобилей УАЗ-3962
17 - для автомобилей УАЗ-2206
17 - для автомобилей УАЗ-3303
Подробная информация
| Автомобиль: | УАЗ 2206 |
| Модификации: | |
| Название детали: | Прокладка правая |
| Номер детали: | 21-1009070-А1 |
| Актуальность: | 01.01.1983 |
| Количество: | |
1 - для автомобилей УАЗ-3741
1 - для автомобилей УАЗ-3962
1 - для автомобилей УАЗ-2206
1 - для автомобилей УАЗ-3303
Подробная информация
| Автомобиль: | УАЗ 2206 |
| Модификации: | |
| Название детали: | Прокладка задняя |
| Номер детали: | 21-1009073-А |
| Актуальность: | 01.01.1983 |
| Количество: | |
1 - для автомобилей УАЗ-3741
1 - для автомобилей УАЗ-3962
1 - для автомобилей УАЗ-2206
1 - для автомобилей УАЗ-3303
Подробная информация
| Автомобиль: | УАЗ 2206 |
| Модификации: | |
| Название детали: | Уплотнитель указателя |
| Номер детали: | 740-1009055 |
| Актуальность: | 01.01.1983 |
| Количество: | |
1 - для автомобилей УАЗ-3741
1 - для автомобилей УАЗ-3962
1 - для автомобилей УАЗ-2206
1 - для автомобилей УАЗ-3303
Подробная информация
| Автомобиль: | УАЗ 2206 |
| Модификации: | |
| Название детали: | Прокладка левая |
| Номер детали: | 21-1009071-А1 |
| Актуальность: | 01.01.1983 |
| Количество: | |
1 - для автомобилей УАЗ-3741
1 - для автомобилей УАЗ-3962
1 - для автомобилей УАЗ-2206
1 - для автомобилей УАЗ-3303
Подробная информация
| Автомобиль: | УАЗ 2206 |
| Модификации: | |
| Название детали: | Гайка М8 |
| Номер детали: | 2505Н-П8 |
| Актуальность: | 01.01.1983 |
| Количество: | |
18 - для автомобилей УАЗ-3741
18 - для автомобилей УАЗ-3962
18 - для автомобилей УАЗ-2206
18 - для автомобилей УАЗ-3303
Подробная информация
| Автомобиль: | УАЗ 2206 |
| Модификации: | |
| Название детали: | Шайба 18,5 |
| Номер детали: | 451-1009138 |
| Актуальность: | 01.01.1983 |
| Количество: | |
19 - для автомобилей УАЗ-3741
19 - для автомобилей УАЗ-3962
19 - для автомобилей УАЗ-2206
19 - для автомобилей УАЗ-3303
Подробная информация
| Автомобиль: | УАЗ 2206 |
| Модификации: | |
| Название детали: | Пробка специальная М 18х1,5 |
| Номер детали: | 296494-П8 |
| Актуальность: | 01.01.1983 |
| Количество: | |
1 - для автомобилей УАЗ-3741
1 - для автомобилей УАЗ-3962
1 - для автомобилей УАЗ-2206
1 - для автомобилей УАЗ-3303
Подробная информация
| Автомобиль: | УАЗ 2206 |
| Модификации: | |
| Название детали: | Прокладка передняя |
| Номер детали: | 21-1009072-А |
| Актуальность: | 01.01.1983 |
| Количество: | |
1 - для автомобилей УАЗ-3741
1 - для автомобилей УАЗ-3962
1 - для автомобилей УАЗ-2206
1 - для автомобилей УАЗ-3303
Подробная информация
| Автомобиль: | УАЗ 2206 |
| Модификации: | |
| Название детали: | Прокладка крышки заднего коренною подшипника правая |
| Номер детали: | 21-1005162 |
| Актуальность: | 01.01.1983 |
| Количество: | |
1 - для автомобилей УАЗ-3741
1 - для автомобилей УАЗ-3962
1 - для автомобилей УАЗ-2206
1 - для автомобилей УАЗ-3303
Подробная информация
| Автомобиль: | УАЗ 2206 |
| Модификации: | |
| Название детали: | Болт М6х12 |
| Номер детали: | 290489-П |
| Актуальность: | 01.01.1983 |
| Количество: | |
6 - для автомобилей УАЗ-3741
6 - для автомобилей УАЗ-3962
6 - для автомобилей УАЗ-2206
6 - для автомобилей УАЗ-3303
Подробная информация
| Автомобиль: | УАЗ 2206 |
| Модификации: | |
| Название детали: | Шайба 6 пружинная зубчатая с внутренним зубом крепления держателя заднего сальника коленчатого вала |
| Номер детали: | 252174-П8 |
| Актуальность: | 01.01.1983 |
| Количество: | |
6 - для автомобилей УАЗ-3741
6 - для автомобилей УАЗ-3962
6 - для автомобилей УАЗ-2206
6 - для автомобилей УАЗ-3303
Подробная информация
| Автомобиль: | УАЗ 2206 |
| Модификации: | |
| Название детали: | Прокладка крышки заднего коренного подшипника левая |
| Номер детали: | 21-1005163 |
| Актуальность: | 01.01.1983 |
| Количество: | |
1 - для автомобилей УАЗ-3741
1 - для автомобилей УАЗ-3962
1 - для автомобилей УАЗ-2206
1 - для автомобилей УАЗ-3303
Подробная информация
| Автомобиль: | УАЗ 2206 |
| Модификации: | |
| Название детали: | Набивка заднего сальника |
| Номер детали: | 11-6702-А2 |
| Актуальность: | 01.01.1983 |
| Количество: | |
2 - для автомобилей УАЗ-3741
2 - для автомобилей УАЗ-3962
2 - для автомобилей УАЗ-2206
2 - для автомобилей УАЗ-3303
Подробная информация
| Автомобиль: | УАЗ 2206 |
| Модификации: | |
| Название детали: | Держатель заднего сальника |
| Номер детали: | 21-1005160 |
| Актуальность: | 01.01.1983 |
| Количество: | |
2 - для автомобилей УАЗ-3741
2 - для автомобилей УАЗ-3962
2 - для автомобилей УАЗ-2206
2 - для автомобилей УАЗ-3303
№
Номер запчасти
Наименование запчасти
15
252174-П8
Шайба 6 пружинная зубчатая с внутренним зубом крепления держателя заднего сальника коленчатого вала