- Автозапчасти ВАЗ
- Автозапчасти ГАЗ
- Автозапчасти на иномарки
- Автохимия, масла
- Подбор масла
- Инструменты, аксессуары
- Метизы
- Прочее, Москвич
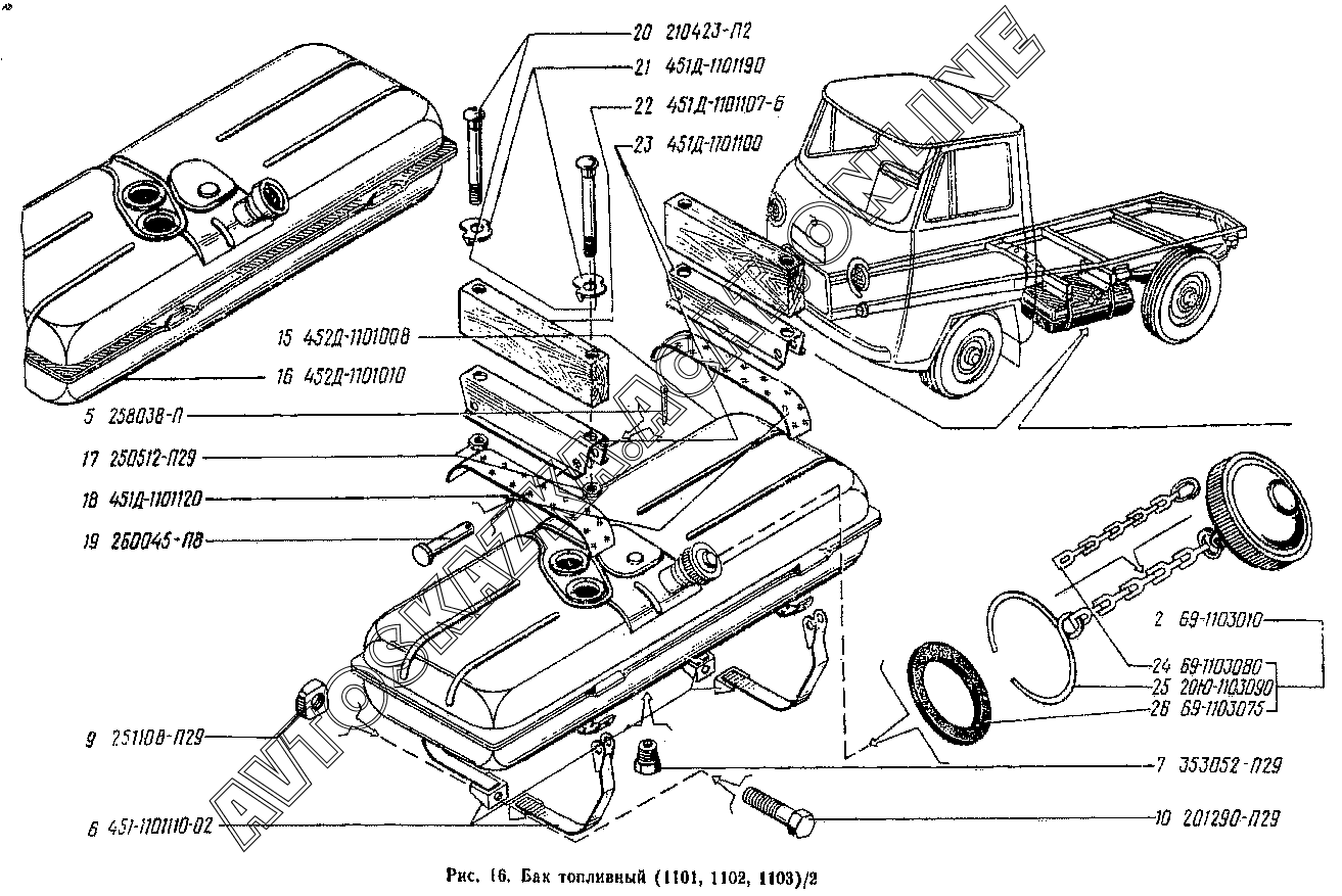
Бак топливный (1101, 1102, 1103)/2 УАЗ 2206
+
Увеличить изображение на 10%
-
Уменьшить изображение на 10%
Выделение детали в таблице
Прокрутка картинки
Увеличить масштаб
2
5
6
7
9
10
15
16
17
18
19
20
21
22
23
24
25
26
Подробная информация
| Автомобиль: | УАЗ 2206 |
| Модификации: | |
| Название детали: | Пробка топливного бака |
| Номер детали: | 69-1103010 |
| Актуальность: | 01.01.1983 |
| Количество: | |
2 - для автомобилей УАЗ-3741
2 - для автомобилей УАЗ-3962
2 - для автомобилей УАЗ-2206
1 - для автомобилей УАЗ-3303
Подробная информация
| Автомобиль: | УАЗ 2206 |
| Модификации: | |
| Название детали: | Шплинт 3,2х16 |
| Номер детали: | 258038-П |
| Актуальность: | 01.01.1983 |
| Количество: | |
4 - для автомобилей УАЗ-3741
4 - для автомобилей УАЗ-3962
4 - для автомобилей УАЗ-2206
4 - для автомобилей УАЗ-3303
Подробная информация
| Автомобиль: | УАЗ 2206 |
| Модификации: | |
| Название детали: | Прокладка хомута |
| Номер детали: | 69-1101120-А |
| Актуальность: | 01.01.1983 |
| Количество: | |
2 - для автомобилей УАЗ-3741
2 - для автомобилей УАЗ-3962
2 - для автомобилей УАЗ-2206
Подробная информация
| Автомобиль: | УАЗ 2206 |
| Модификации: | |
| Название детали: | Пробка КГ1/4" сливная |
| Номер детали: | 353052-П29 |
| Актуальность: | 01.01.1983 |
| Количество: | |
1 - для автомобилей УАЗ-3741
1 - для автомобилей УАЗ-3962
1 - для автомобилей УАЗ-2206
1 - для автомобилей УАЗ-3303
Подробная информация
| Автомобиль: | УАЗ 2206 |
| Модификации: | |
| Название детали: | Гайка М10 |
| Номер детали: | 251108-П29 |
| Актуальность: | 01.01.1983 |
| Количество: | |
2 - для автомобилей УАЗ-3741
2 - для автомобилей УАЗ-3962
2 - для автомобилей УАЗ-2206
2 - для автомобилей УАЗ-3303
Подробная информация
| Автомобиль: | УАЗ 2206 |
| Модификации: | |
| Название детали: | Болт М10х45 |
| Номер детали: | 201290-П29 |
| Актуальность: | 01.01.1983 |
| Количество: | |
2 - для автомобилей УАЗ-3741
2 - для автомобилей УАЗ-3962
2 - для автомобилей УАЗ-2206
2 - для автомобилей УАЗ-3303
Подробная информация
| Автомобиль: | УАЗ 2206 |
| Модификации: | |
| Название детали: | Бак топливный с пробкой |
| Номер детали: | 452Д-1101008 |
| Актуальность: | 01.01.1983 |
| Количество: | |
1 - для автомобилей УАЗ-3303
Подробная информация
| Автомобиль: | УАЗ 2206 |
| Модификации: | |
| Название детали: | Бак топливный |
| Номер детали: | 452Д-11101010 |
| Актуальность: | 01.01.1983 |
| Количество: | |
1 - для автомобилей УАЗ-3303
Подробная информация
| Автомобиль: | УАЗ 2206 |
| Модификации: | |
| Название детали: | Гайка М10 |
| Номер детали: | 250512-П29 |
| Актуальность: | 01.01.1983 |
| Количество: | |
4 - для автомобилей УАЗ-3303
Подробная информация
| Автомобиль: | УАЗ 2206 |
| Модификации: | |
| Название детали: | Прокладка хомута |
| Номер детали: | 451Д-1101120 |
| Актуальность: | 01.01.1983 |
| Количество: | |
2 - для автомобилей УАЗ-3303
Подробная информация
| Автомобиль: | УАЗ 2206 |
| Модификации: | |
| Название детали: | Палец 8х55 |
| Номер детали: | 260045-П8 |
| Актуальность: | 01.01.1983 |
| Количество: | |
4 - для автомобилей УАЗ-3303
Подробная информация
| Автомобиль: | УАЗ 2206 |
| Модификации: | |
| Название детали: | Болт М10х130 |
| Номер детали: | 210423-П2 |
| Актуальность: | 01.01.1983 |
| Количество: | |
4 - для автомобилей УАЗ-3303
Подробная информация
| Автомобиль: | УАЗ 2206 |
| Модификации: | |
| Название детали: | Шайба специальная |
| Номер детали: | 451Д-1101190 |
| Актуальность: | 01.01.1983 |
| Количество: | |
4 - для автомобилей УАЗ-3303
Подробная информация
| Автомобиль: | УАЗ 2206 |
| Модификации: | |
| Название детали: | Прокладка |
| Номер детали: | 451Д-1101107-Б |
| Актуальность: | 01.01.1983 |
| Количество: | |
2 - для автомобилей УАЗ-3303
Подробная информация
| Автомобиль: | УАЗ 2206 |
| Модификации: | |
| Название детали: | Держатель бака |
| Номер детали: | 451Д-1101100 |
| Актуальность: | 01.01.1983 |
| Количество: | |
2 - для автомобилей УАЗ-3303
Подробная информация
| Автомобиль: | УАЗ 2206 |
| Модификации: | |
| Название детали: | Цепочка в сборе |
| Номер детали: | 69-1103080 |
| Актуальность: | 01.01.1983 |
| Количество: | |
2 - для автомобилей УАЗ-3741
2 - для автомобилей УАЗ-3962
2 - для автомобилей УАЗ-2206
1 - для автомобилей УАЗ-3303
Подробная информация
| Автомобиль: | УАЗ 2206 |
| Модификации: | |
| Название детали: | Кольцо крепления пробки |
| Номер детали: | 20Ю-1103090 |
| Актуальность: | 01.01.1983 |
| Количество: | |
2 - для автомобилей УАЗ-3741
2 - для автомобилей УАЗ-3962
2 - для автомобилей УАЗ-2206
1 - для автомобилей УАЗ-3303
Подробная информация
| Автомобиль: | УАЗ 2206 |
| Модификации: | |
| Название детали: | Пробка |
| Номер детали: | 69-1103075 |
| Актуальность: | 01.01.1983 |
| Количество: | |
2 - для автомобилей УАЗ-3741
2 - для автомобилей УАЗ-3962
2 - для автомобилей УАЗ-2206
1 - для автомобилей УАЗ-3303
№
Номер запчасти
Наименование запчасти