- Автозапчасти ВАЗ
- Автозапчасти ГАЗ
- Автозапчасти на иномарки
- Автохимия, масла
- Подбор масла
- Инструменты, аксессуары
- Метизы
- Прочее, Москвич
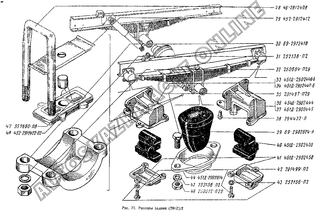
Рессоры задние (2912)/2 УАЗ 2206
+
Увеличить изображение на 10%
-
Уменьшить изображение на 10%
Выделение детали в таблице
Прокрутка картинки
Увеличить масштаб
28
29
30
31
32
33
34
35
36
37
38
39
40
41
42
43
44
45
46
47
48
Подробная информация
| Автомобиль: | УАЗ 2206 |
| Модификации: | |
| Название детали: | Стремянка |
| Номер детали: | 46-2912408 |
| Актуальность: | 01.01.1983 |
| Количество: | |
4 - для автомобилей УАЗ-3741
4 - для автомобилей УАЗ-3962
4 - для автомобилей УАЗ-2206
4 - для автомобилей УАЗ-3303
Подробная информация
| Автомобиль: | УАЗ 2206 |
| Модификации: | |
| Название детали: | Накладка |
| Номер детали: | 452-2912412 |
| Актуальность: | 01.01.1983 |
| Количество: | |
2 - для автомобилей УАЗ-3741
2 - для автомобилей УАЗ-3962
2 - для автомобилей УАЗ-2206
2 - для автомобилей УАЗ-3303
Подробная информация
| Автомобиль: | УАЗ 2206 |
| Модификации: | |
| Название детали: | Подкладка стремянок |
| Номер детали: | 69-2912418 |
| Актуальность: | 01.01.1983 |
| Количество: | |
2 - для автомобилей УАЗ-3741
2 - для автомобилей УАЗ-3962
2 - для автомобилей УАЗ-2206
2 - для автомобилей УАЗ-3303
Подробная информация
| Автомобиль: | УАЗ 2206 |
| Модификации: | |
| Название детали: | Шайба 14 пружинная |
| Номер детали: | 252138-П2 |
| Актуальность: | 01.01.1983 |
| Количество: | |
8 - для автомобилей УАЗ-3741
8 - для автомобилей УАЗ-3962
8 - для автомобилей УАЗ-2206
8 - для автомобилей УАЗ-3303
Подробная информация
| Автомобиль: | УАЗ 2206 |
| Модификации: | |
| Название детали: | Гайка М14х1,5 стремянки |
| Номер детали: | 250684-П29 |
| Актуальность: | 01.01.1983 |
| Количество: | |
8 - для автомобилей УАЗ-3741
8 - для автомобилей УАЗ-3962
8 - для автомобилей УАЗ-2206
8 - для автомобилей УАЗ-3303
Подробная информация
| Автомобиль: | УАЗ 2206 |
| Модификации: | |
| Название детали: | Кронштейн рессоры задний правый |
| Номер детали: | 451Д-2902446-Б |
| Актуальность: | 01.01.1983 |
| Количество: | |
1 - для автомобилей УАЗ-3741
1 - для автомобилей УАЗ-3962
1 - для автомобилей УАЗ-2206
1 - для автомобилей УАЗ-3303
Подробная информация
| Автомобиль: | УАЗ 2206 |
| Модификации: | |
| Название детали: | Кронштейн рессоры задний левый |
| Номер детали: | 451Д-2902447-Б |
| Актуальность: | 01.01.1983 |
| Количество: | |
1 - для автомобилей УАЗ-3741
1 - для автомобилей УАЗ-3962
1 - для автомобилей УАЗ-2206
1 - для автомобилей УАЗ-3303
Подробная информация
| Автомобиль: | УАЗ 2206 |
| Модификации: | |
| Название детали: | Болт М10х25 |
| Номер детали: | 201497-П29 |
| Актуальность: | 01.01.1983 |
| Количество: | |
4 - для автомобилей УАЗ-3741
4 - для автомобилей УАЗ-3962
4 - для автомобилей УАЗ-2206
4 - для автомобилей УАЗ-3303
Подробная информация
| Автомобиль: | УАЗ 2206 |
| Модификации: | |
| Название детали: | Кронштейн рессоры передний правый |
| Номер детали: | 451Д-2902444 |
| Актуальность: | 01.01.1983 |
| Количество: | |
1 - для автомобилей УАЗ-3741
1 - для автомобилей УАЗ-3962
1 - для автомобилей УАЗ-2206
1 - для автомобилей УАЗ-3303
Подробная информация
| Автомобиль: | УАЗ 2206 |
| Модификации: | |
| Название детали: | Кронштейн рессоры передний левый |
| Номер детали: | 451Д-2902445 |
| Актуальность: | 01.01.1983 |
| Количество: | |
1 - для автомобилей УАЗ-3741
1 - для автомобилей УАЗ-3962
1 - для автомобилей УАЗ-2206
1 - для автомобилей УАЗ-3303
Подробная информация
| Автомобиль: | УАЗ 2206 |
| Модификации: | |
| Название детали: | Заклепка 10х28 |
| Номер детали: | 294432-П |
| Актуальность: | 01.01.1983 |
| Количество: | |
16 - для автомобилей УАЗ-3741
16 - для автомобилей УАЗ-3962
16 - для автомобилей УАЗ-2206
16 - для автомобилей УАЗ-3303
Подробная информация
| Автомобиль: | УАЗ 2206 |
| Модификации: | |
| Название детали: | Буфер |
| Номер детали: | 69-2902624-А |
| Актуальность: | 01.01.1983 |
| Количество: | |
2 - для автомобилей УАЗ-3741
2 - для автомобилей УАЗ-3962
2 - для автомобилей УАЗ-2206
2 - для автомобилей УАЗ-3303
Подробная информация
| Автомобиль: | УАЗ 2206 |
| Модификации: | |
| Название детали: | Подушка рессоры |
| Номер детали: | 451Д-2902430 |
| Актуальность: | 01.01.1983 |
| Количество: | |
4 - для автомобилей УАЗ-3741
4 - для автомобилей УАЗ-3962
4 - для автомобилей УАЗ-2206
4 - для автомобилей УАЗ-3303
Подробная информация
| Автомобиль: | УАЗ 2206 |
| Модификации: | |
| Название детали: | Крышка кронштейнов |
| Номер детали: | 451Д-2902450 |
| Актуальность: | 01.01.1983 |
| Количество: | |
4 - для автомобилей УАЗ-3741
4 - для автомобилей УАЗ-3962
4 - для автомобилей УАЗ-2206
4 - для автомобилей УАЗ-3303
Подробная информация
| Автомобиль: | УАЗ 2206 |
| Модификации: | |
| Название детали: | Болт М10х30 |
| Номер детали: | 201499-П29 |
| Актуальность: | 01.01.1983 |
| Количество: | |
12 - для автомобилей УАЗ-3741
12 - для автомобилей УАЗ-3962
12 - для автомобилей УАЗ-2206
12 - для автомобилей УАЗ-3303
Подробная информация
| Автомобиль: | УАЗ 2206 |
| Модификации: | |
| Название детали: | Шайба 10 пружинная |
| Номер детали: | 252156-П2 |
| Актуальность: | 01.01.1983 |
| Количество: | |
12 - для автомобилей УАЗ-3741
12 - для автомобилей УАЗ-3962
12 - для автомобилей УАЗ-2206
12 - для автомобилей УАЗ-3303
Подробная информация
| Автомобиль: | УАЗ 2206 |
| Модификации: | |
| Название детали: | Обойма буфера |
| Номер детали: | 451Д-2902614 |
| Актуальность: | 01.01.1983 |
| Количество: | |
2 - для автомобилей УАЗ-3741
2 - для автомобилей УАЗ-3962
2 - для автомобилей УАЗ-2206
2 - для автомобилей УАЗ-3303
Подробная информация
| Автомобиль: | УАЗ 2206 |
| Модификации: | |
| Название детали: | Шайба 10 пружинная |
| Номер детали: | 252156-П2 |
| Актуальность: | 01.01.1983 |
| Количество: | |
4 - для автомобилей УАЗ-3741
4 - для автомобилей УАЗ-3962
4 - для автомобилей УАЗ-2206
4 - для автомобилей УАЗ-3303
Подробная информация
| Автомобиль: | УАЗ 2206 |
| Модификации: | |
| Название детали: | Гайка М10 |
| Номер детали: | 250512-П29 |
| Актуальность: | 01.01.1983 |
| Количество: | |
4 - для автомобилей УАЗ-3741
4 - для автомобилей УАЗ-3962
4 - для автомобилей УАЗ-2206
4 - для автомобилей УАЗ-3303
Подробная информация
| Автомобиль: | УАЗ 2206 |
| Модификации: | |
| Название детали: | Штифт |
| Номер детали: | 357660-П8 |
| Актуальность: | 01.01.1983 |
| Количество: | |
2 - для автомобилей УАЗ-3741
2 - для автомобилей УАЗ-3962
2 - для автомобилей УАЗ-2206
2 - для автомобилей УАЗ-3303
Подробная информация
| Автомобиль: | УАЗ 2206 |
| Модификации: | |
| Название детали: | Подкладка |
| Номер детали: | 452-2912422-02 |
| Актуальность: | 01.01.1983 |
| Количество: | |
2 - для автомобилей УАЗ-3741
2 - для автомобилей УАЗ-3962
2 - для автомобилей УАЗ-2206
2 - для автомобилей УАЗ-3303
№
Номер запчасти
Наименование запчасти