- Автозапчасти ВАЗ
- Автозапчасти ГАЗ
- Автозапчасти на иномарки
- Автохимия, масла
- Подбор масла
- Инструменты, аксессуары
- Метизы
- Прочее, Москвич
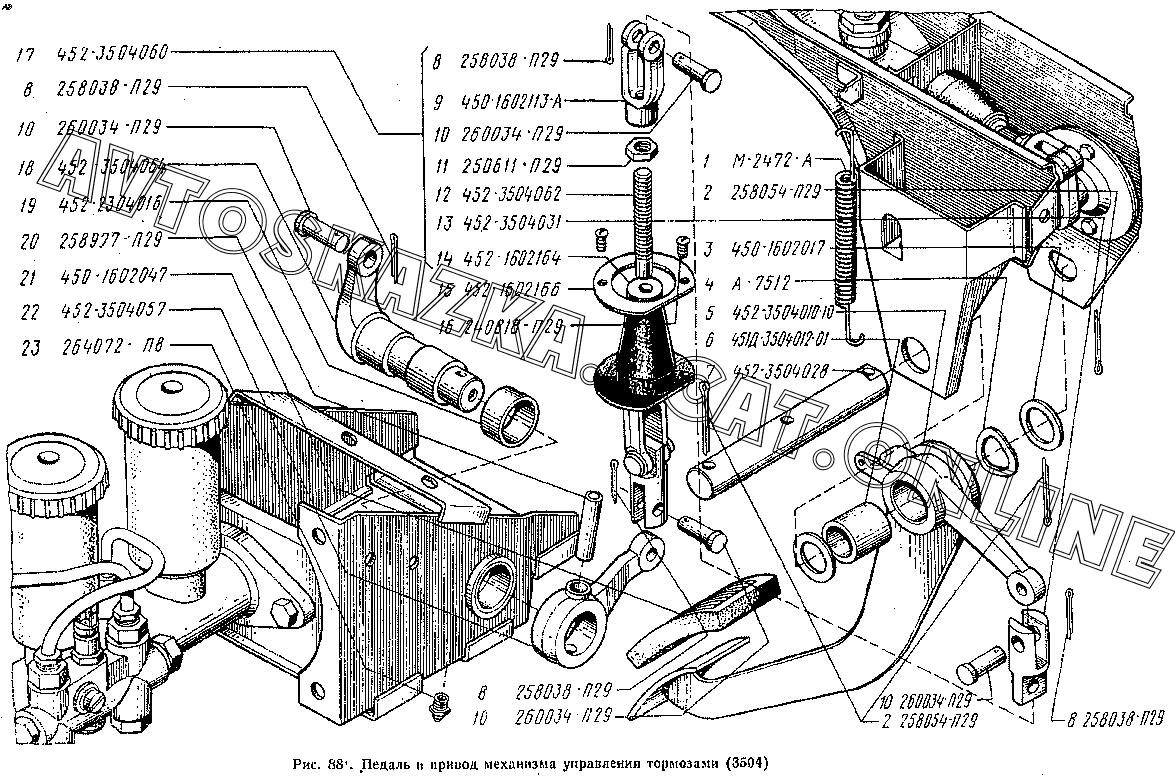
Педаль и привод механизма управления тормозами (3504) УАЗ 2206
+
Увеличить изображение на 10%
-
Уменьшить изображение на 10%
Выделение детали в таблице
Прокрутка картинки
Увеличить масштаб
1
2
2
3
4
5
6
7
8
8
8
8
9
10
10
10
10
11
12
13
14
15
16
17
18
19
20
21
22
23
Подробная информация
| Автомобиль: | УАЗ 2206 |
| Модификации: | |
| Название детали: | Пружина оттяжная |
| Номер детали: | М-2472-А |
| Актуальность: | 01.01.1983 |
| Количество: | |
1 - для автомобилей УАЗ-3741
1 - для автомобилей УАЗ-3962
1 - для автомобилей УАЗ-2206
1 - для автомобилей УАЗ-3303
Подробная информация
| Автомобиль: | УАЗ 2206 |
| Модификации: | |
| Название детали: | Шплинт 4х32 |
| Номер детали: | 258054-П29 |
| Актуальность: | 01.01.1983 |
| Количество: | |
3 - для автомобилей УАЗ-3741
3 - для автомобилей УАЗ-3962
3 - для автомобилей УАЗ-2206
3 - для автомобилей УАЗ-3303
Подробная информация
| Автомобиль: | УАЗ 2206 |
| Модификации: | |
| Название детали: | Шайба упорная |
| Номер детали: | 450-1602017 |
| Актуальность: | 01.01.1983 |
| Количество: | |
2 - для автомобилей УАЗ-3741
2 - для автомобилей УАЗ-3962
2 - для автомобилей УАЗ-2206
2 - для автомобилей УАЗ-3303
Подробная информация
| Автомобиль: | УАЗ 2206 |
| Модификации: | |
| Название детали: | Шайба нажимная |
| Номер детали: | А-7512 |
| Актуальность: | 01.01.1983 |
| Количество: | |
1 - для автомобилей УАЗ-3741
1 - для автомобилей УАЗ-3962
1 - для автомобилей УАЗ-2206
1 - для автомобилей УАЗ-3303
Подробная информация
| Автомобиль: | УАЗ 2206 |
| Модификации: | |
| Название детали: | Педаль тормоза |
| Номер детали: | 452-3504010-10 |
| Актуальность: | 01.01.1983 |
| Количество: | |
1 - для автомобилей УАЗ-3741
1 - для автомобилей УАЗ-3962
1 - для автомобилей УАЗ-2206
1 - для автомобилей УАЗ-3303
Подробная информация
| Автомобиль: | УАЗ 2206 |
| Модификации: | |
| Название детали: | Втулка ступицы педали тормоза |
| Номер детали: | 451Д-3504012-01 |
| Актуальность: | 01.01.1983 |
| Количество: | |
1 - для автомобилей УАЗ-3741
1 - для автомобилей УАЗ-3962
1 - для автомобилей УАЗ-2206
1 - для автомобилей УАЗ-3303
Подробная информация
| Автомобиль: | УАЗ 2206 |
| Модификации: | |
| Название детали: | Ось педали |
| Номер детали: | 452-3504028 |
| Актуальность: | 01.01.1983 |
| Количество: | |
1 - для автомобилей УАЗ-3741
1 - для автомобилей УАЗ-3962
1 - для автомобилей УАЗ-2206
1 - для автомобилей УАЗ-3303
Подробная информация
| Автомобиль: | УАЗ 2206 |
| Модификации: | |
| Название детали: | Шплинт 3,2х16 |
| Номер детали: | 258038-П29 |
| Актуальность: | 01.01.1983 |
| Количество: | |
4 - для автомобилей УАЗ-3741
4 - для автомобилей УАЗ-3962
4 - для автомобилей УАЗ-2206
4 - для автомобилей УАЗ-3303
Подробная информация
| Автомобиль: | УАЗ 2206 |
| Модификации: | |
| Название детали: | Вилка тяги |
| Номер детали: | 450-1602113-А |
| Актуальность: | 01.01.1983 |
| Количество: | |
2 - для автомобилей УАЗ-3741
2 - для автомобилей УАЗ-3962
2 - для автомобилей УАЗ-2206
2 - для автомобилей УАЗ-3303
Подробная информация
| Автомобиль: | УАЗ 2206 |
| Модификации: | |
| Название детали: | Палец 8х25 |
| Номер детали: | 260034-П29 |
| Актуальность: | 01.01.1983 |
| Количество: | |
4 - для автомобилей УАЗ-3741
4 - для автомобилей УАЗ-3962
4 - для автомобилей УАЗ-2206
4 - для автомобилей УАЗ-3303
Подробная информация
| Автомобиль: | УАЗ 2206 |
| Модификации: | |
| Название детали: | Гайка М8х1 |
| Номер детали: | 250611-П29 |
| Актуальность: | 01.01.1983 |
| Количество: | |
2 - для автомобилей УАЗ-3741
2 - для автомобилей УАЗ-3962
2 - для автомобилей УАЗ-2206
2 - для автомобилей УАЗ-3303
Подробная информация
| Автомобиль: | УАЗ 2206 |
| Модификации: | |
| Название детали: | Тяга привода тормозов |
| Номер детали: | 452-3504062 |
| Актуальность: | 01.01.1983 |
| Количество: | |
1 - для автомобилей УАЗ-3741
1 - для автомобилей УАЗ-3962
1 - для автомобилей УАЗ-2206
1 - для автомобилей УАЗ-3303
Подробная информация
| Автомобиль: | УАЗ 2206 |
| Модификации: | |
| Название детали: | Муфта тяги |
| Номер детали: | 452-3504031 |
| Актуальность: | 01.01.1983 |
| Количество: | |
2 - для автомобилей УАЗ-3741
2 - для автомобилей УАЗ-3962
2 - для автомобилей УАЗ-2206
2 - для автомобилей УАЗ-3303
Подробная информация
| Автомобиль: | УАЗ 2206 |
| Модификации: | |
| Название детали: | Уплотнитель тяги |
| Номер детали: | 452-1602164 |
| Актуальность: | 01.01.1983 |
| Количество: | |
1 - для автомобилей УАЗ-3741
1 - для автомобилей УАЗ-3962
1 - для автомобилей УАЗ-2206
1 - для автомобилей УАЗ-3303
Подробная информация
| Автомобиль: | УАЗ 2206 |
| Модификации: | |
| Название детали: | Кольцо уплотнителя тяги |
| Номер детали: | 452-1602166 |
| Актуальность: | 01.01.1983 |
| Количество: | |
1 - для автомобилей УАЗ-3741
1 - для автомобилей УАЗ-3962
1 - для автомобилей УАЗ-2206
1 - для автомобилей УАЗ-3303
Подробная информация
| Автомобиль: | УАЗ 2206 |
| Модификации: | |
| Название детали: | Винт 4х12 |
| Номер детали: | 240818-П29 |
| Актуальность: | 01.01.1983 |
| Количество: | |
2 - для автомобилей УАЗ-3741
2 - для автомобилей УАЗ-3962
2 - для автомобилей УАЗ-2206
2 - для автомобилей УАЗ-3303
Подробная информация
| Автомобиль: | УАЗ 2206 |
| Модификации: | |
| Название детали: | Тяга |
| Номер детали: | 452-3504060 |
| Актуальность: | 01.01.1983 |
| Количество: | |
1 - для автомобилей УАЗ-3741
1 - для автомобилей УАЗ-3962
1 - для автомобилей УАЗ-2206
1 - для автомобилей УАЗ-3303
Подробная информация
| Автомобиль: | УАЗ 2206 |
| Модификации: | |
| Название детали: | Вал рычага |
| Номер детали: | 452-3504064 |
| Актуальность: | 01.01.1983 |
| Количество: | |
1 - для автомобилей УАЗ-3741
1 - для автомобилей УАЗ-3962
1 - для автомобилей УАЗ-2206
1 - для автомобилей УАЗ-3303
Подробная информация
| Автомобиль: | УАЗ 2206 |
| Модификации: | |
| Название детали: | Втулка вала рычага |
| Номер детали: | 452-2304016 |
| Актуальность: | 01.01.1983 |
| Количество: | |
2 - для автомобилей УАЗ-3741
2 - для автомобилей УАЗ-3962
2 - для автомобилей УАЗ-2206
2 - для автомобилей УАЗ-3303
Подробная информация
| Автомобиль: | УАЗ 2206 |
| Модификации: | |
| Название детали: | Штифт 8х36 |
| Номер детали: | 258977-П29 |
| Актуальность: | 01.01.1983 |
| Количество: | |
1 - для автомобилей УАЗ-3741
1 - для автомобилей УАЗ-3962
1 - для автомобилей УАЗ-2206
1 - для автомобилей УАЗ-3303
Подробная информация
| Автомобиль: | УАЗ 2206 |
| Модификации: | |
| Название детали: | Накладка педали тормоза |
| Номер детали: | 450-1602047 |
| Актуальность: | 01.01.1983 |
| Количество: | |
1 - для автомобилей УАЗ-3741
1 - для автомобилей УАЗ-3962
1 - для автомобилей УАЗ-2206
1 - для автомобилей УАЗ-3303
Подробная информация
| Автомобиль: | УАЗ 2206 |
| Модификации: | |
| Название детали: | Рычаг |
| Номер детали: | 452-3504057 |
| Актуальность: | 01.01.1983 |
| Количество: | |
1 - для автомобилей УАЗ-3741
1 - для автомобилей УАЗ-3962
1 - для автомобилей УАЗ-2206
1 - для автомобилей УАЗ-3303
Подробная информация
| Автомобиль: | УАЗ 2206 |
| Модификации: | |
| Название детали: | Пресс-масленка |
| Номер детали: | 264072-П8 |
| Актуальность: | 01.01.1983 |
| Количество: | |
1 - для автомобилей УАЗ-3741
1 - для автомобилей УАЗ-3962
1 - для автомобилей УАЗ-2206
1 - для автомобилей УАЗ-3303
№
Номер запчасти
Наименование запчасти