- Автозапчасти ВАЗ
- Автозапчасти ГАЗ
- Автозапчасти на иномарки
- Автохимия, масла
- Подбор масла
- Инструменты, аксессуары
- Метизы
- Прочее, Москвич
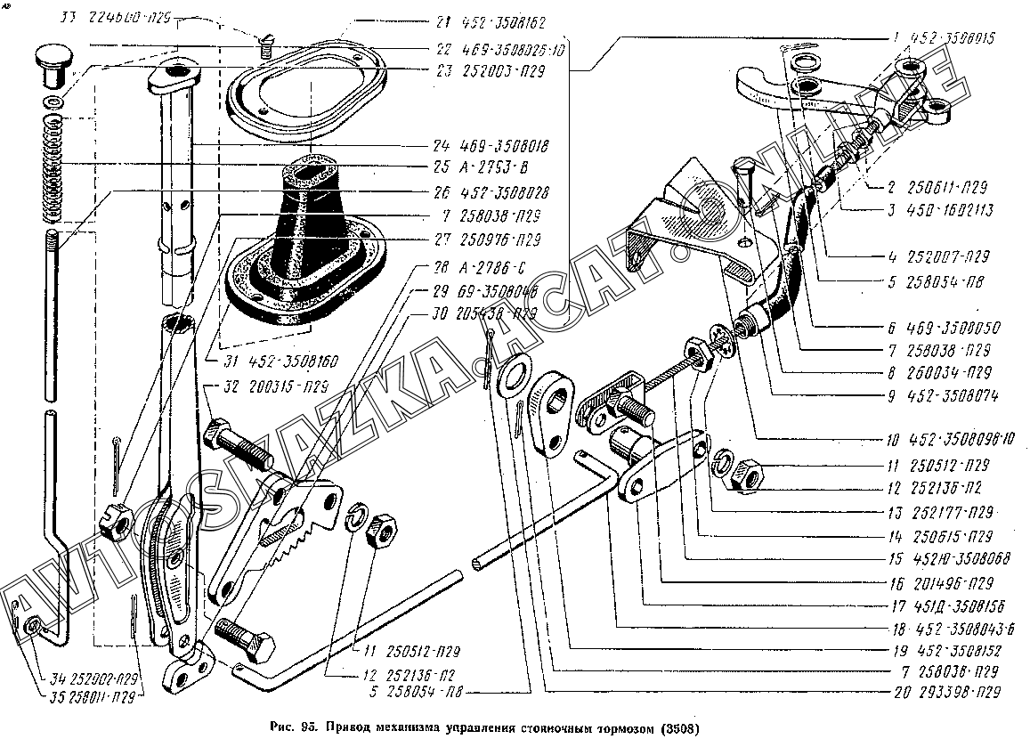
Привод механизма управления стояночным тормозом (3508) УАЗ 2206
+
Увеличить изображение на 10%
-
Уменьшить изображение на 10%
Выделение детали в таблице
Прокрутка картинки
Увеличить масштаб
1
2
3
4
5
5
6
7
7
7
8
9
10
11
11
12
12
13
14
15
16
17
18
19
20
21
22
23
24
25
26
27
28
29
30
31
32
33
34
35
Подробная информация
| Автомобиль: | УАЗ 2206 |
| Модификации: | |
| Название детали: | Рычаг стояночного тормоза с сектором в сборе |
| Номер детали: | 452-3508015 |
| Актуальность: | 01.01.1983 |
| Количество: | |
1 - для автомобилей УАЗ-3741
1 - для автомобилей УАЗ-3962
1 - для автомобилей УАЗ-2206
1 - для автомобилей УАЗ-3303
Подробная информация
| Автомобиль: | УАЗ 2206 |
| Модификации: | |
| Название детали: | Гайка М8х1 наконечника троса |
| Номер детали: | 250611-П29 |
| Актуальность: | 01.01.1983 |
| Количество: | |
2 - для автомобилей УАЗ-3741
2 - для автомобилей УАЗ-3962
2 - для автомобилей УАЗ-2206
2 - для автомобилей УАЗ-3303
Подробная информация
| Автомобиль: | УАЗ 2206 |
| Модификации: | |
| Название детали: | Вилка регулировочная троса |
| Номер детали: | 450-1602113 |
| Актуальность: | 01.01.1983 |
| Количество: | |
1 - для автомобилей УАЗ-3741
1 - для автомобилей УАЗ-3962
1 - для автомобилей УАЗ-2206
1 - для автомобилей УАЗ-3303
Подробная информация
| Автомобиль: | УАЗ 2206 |
| Модификации: | |
| Название детали: | Шайба 12 крепления рычага |
| Номер детали: | 252007-П29 |
| Актуальность: | 01.01.1983 |
| Количество: | |
1 - для автомобилей УАЗ-3741
1 - для автомобилей УАЗ-3962
1 - для автомобилей УАЗ-2206
1 - для автомобилей УАЗ-3303
Подробная информация
| Автомобиль: | УАЗ 2206 |
| Модификации: | |
| Название детали: | Шплинт 4х32 |
| Номер детали: | 258054-П8 |
| Актуальность: | 01.01.1983 |
| Количество: | |
2 - для автомобилей УАЗ-3741
2 - для автомобилей УАЗ-3962
2 - для автомобилей УАЗ-2206
2 - для автомобилей УАЗ-3303
Подробная информация
| Автомобиль: | УАЗ 2206 |
| Модификации: | |
| Название детали: | Рычаг |
| Номер детали: | 469-3508050 |
| Актуальность: | 01.01.1983 |
| Количество: | |
1 - для автомобилей УАЗ-3741
1 - для автомобилей УАЗ-3962
1 - для автомобилей УАЗ-2206
1 - для автомобилей УАЗ-3303
Подробная информация
| Автомобиль: | УАЗ 2206 |
| Модификации: | |
| Название детали: | Шплинт 3,2х16 |
| Номер детали: | 258038-П29 |
| Актуальность: | 01.01.1983 |
| Количество: | |
5 - для автомобилей УАЗ-3741
5 - для автомобилей УАЗ-3962
5 - для автомобилей УАЗ-2206
5 - для автомобилей УАЗ-3303
Подробная информация
| Автомобиль: | УАЗ 2206 |
| Модификации: | |
| Название детали: | Палец 8х25 |
| Номер детали: | 260034-П29 |
| Актуальность: | 01.01.1983 |
| Количество: | |
2 - для автомобилей УАЗ-3741
2 - для автомобилей УАЗ-3962
2 - для автомобилей УАЗ-2206
2 - для автомобилей УАЗ-3303
Подробная информация
| Автомобиль: | УАЗ 2206 |
| Модификации: | |
| Название детали: | Трубка защитная троса |
| Номер детали: | 452-3508074 |
| Актуальность: | 01.01.1983 |
| Количество: | |
1 - для автомобилей УАЗ-3741
1 - для автомобилей УАЗ-3962
1 - для автомобилей УАЗ-2206
1 - для автомобилей УАЗ-3303
Подробная информация
| Автомобиль: | УАЗ 2206 |
| Модификации: | |
| Название детали: | Кронштейн крепления защитной трубки троса |
| Номер детали: | 452-3508098-10 |
| Актуальность: | 01.01.1983 |
| Количество: | |
1 - для автомобилей УАЗ-3741
1 - для автомобилей УАЗ-3962
1 - для автомобилей УАЗ-2206
1 - для автомобилей УАЗ-3303
Подробная информация
| Автомобиль: | УАЗ 2206 |
| Модификации: | |
| Название детали: | Гайка М10 |
| Номер детали: | 250512-П29 |
| Актуальность: | 01.01.1983 |
| Количество: | |
4 - для автомобилей УАЗ-3741
4 - для автомобилей УАЗ-3962
4 - для автомобилей УАЗ-2206
4 - для автомобилей УАЗ-3303
Подробная информация
| Автомобиль: | УАЗ 2206 |
| Модификации: | |
| Название детали: | Шайба 10 пружинная |
| Номер детали: | 252136-П2 |
| Актуальность: | 01.01.1983 |
| Количество: | |
4 - для автомобилей УАЗ-3741
4 - для автомобилей УАЗ-3962
4 - для автомобилей УАЗ-2206
4 - для автомобилей УАЗ-3303
Подробная информация
| Автомобиль: | УАЗ 2206 |
| Модификации: | |
| Название детали: | Шайба 12 пружинная зубчатая с внутренними зубцами |
| Номер детали: | 252177-П29 |
| Актуальность: | 01.01.1983 |
| Количество: | |
1 - для автомобилей УАЗ-3741
1 - для автомобилей УАЗ-3962
1 - для автомобилей УАЗ-2206
1 - для автомобилей УАЗ-3303
Подробная информация
| Автомобиль: | УАЗ 2206 |
| Модификации: | |
| Название детали: | Гайка М12 |
| Номер детали: | 250615-П29 |
| Актуальность: | 01.01.1983 |
| Количество: | |
1 - для автомобилей УАЗ-3741
1 - для автомобилей УАЗ-3962
1 - для автомобилей УАЗ-2206
1 - для автомобилей УАЗ-3303
Подробная информация
| Автомобиль: | УАЗ 2206 |
| Модификации: | |
| Название детали: | Трос в сборе |
| Номер детали: | 452Ю-3508068 |
| Актуальность: | 01.01.1983 |
| Количество: | |
1 - для автомобилей УАЗ-3741
1 - для автомобилей УАЗ-3962
1 - для автомобилей УАЗ-2206
1 - для автомобилей УАЗ-3303
Подробная информация
| Автомобиль: | УАЗ 2206 |
| Модификации: | |
| Название детали: | Болт М10 крепления опоры промежуточного рычага |
| Номер детали: | 201496-П29 |
| Актуальность: | 01.01.1983 |
| Количество: | |
2 - для автомобилей УАЗ-3741
2 - для автомобилей УАЗ-3962
2 - для автомобилей УАЗ-2206
2 - для автомобилей УАЗ-3303
Подробная информация
| Автомобиль: | УАЗ 2206 |
| Модификации: | |
| Название детали: | Опора промежуточного рычага |
| Номер детали: | 451Д-3508156 |
| Актуальность: | 01.01.1983 |
| Количество: | |
1 - для автомобилей УАЗ-3741
1 - для автомобилей УАЗ-3962
1 - для автомобилей УАЗ-2206
1 - для автомобилей УАЗ-3303
Подробная информация
| Автомобиль: | УАЗ 2206 |
| Модификации: | |
| Название детали: | Тяга |
| Номер детали: | 452-3508043-Б |
| Актуальность: | 01.01.1983 |
| Количество: | |
1 - для автомобилей УАЗ-3741
1 - для автомобилей УАЗ-3962
1 - для автомобилей УАЗ-2206
1 - для автомобилей УАЗ-3303
Подробная информация
| Автомобиль: | УАЗ 2206 |
| Модификации: | |
| Название детали: | Рычаг промежуточный |
| Номер детали: | 452-3508152 |
| Актуальность: | 01.01.1983 |
| Количество: | |
1 - для автомобилей УАЗ-3741
1 - для автомобилей УАЗ-3962
1 - для автомобилей УАЗ-2206
1 - для автомобилей УАЗ-3303
Подробная информация
| Автомобиль: | УАЗ 2206 |
| Модификации: | |
| Название детали: | Шайба 15 крепления промежуточного рычага |
| Номер детали: | 293398-П29 |
| Актуальность: | 01.01.1983 |
| Количество: | |
1 - для автомобилей УАЗ-3741
1 - для автомобилей УАЗ-3962
1 - для автомобилей УАЗ-2206
1 - для автомобилей УАЗ-3303
Подробная информация
| Автомобиль: | УАЗ 2206 |
| Модификации: | |
| Название детали: | Обойма прижимная уплотнителя панели пола под рычаг |
| Номер детали: | 452-3508162 |
| Актуальность: | 01.01.1983 |
| Количество: | |
1 - для автомобилей УАЗ-3741
1 - для автомобилей УАЗ-3962
1 - для автомобилей УАЗ-2206
1 - для автомобилей УАЗ-3303
Подробная информация
| Автомобиль: | УАЗ 2206 |
| Модификации: | |
| Название детали: | Головка тяги собачки рычага |
| Номер детали: | 469-3508026-10 |
| Актуальность: | 01.01.1983 |
| Количество: | |
1 - для автомобилей УАЗ-3741
1 - для автомобилей УАЗ-3962
1 - для автомобилей УАЗ-2206
1 - для автомобилей УАЗ-3303
Подробная информация
| Автомобиль: | УАЗ 2206 |
| Модификации: | |
| Название детали: | Шайба 5 упорная пружины тяги |
| Номер детали: | 252003-П29 |
| Актуальность: | 01.01.1983 |
| Количество: | |
1 - для автомобилей УАЗ-3741
1 - для автомобилей УАЗ-3962
1 - для автомобилей УАЗ-2206
1 - для автомобилей УАЗ-3303
Подробная информация
| Автомобиль: | УАЗ 2206 |
| Модификации: | |
| Название детали: | Рычаг с шляпкой в сборе |
| Номер детали: | 469-3508018 |
| Актуальность: | 01.01.1983 |
| Количество: | |
1 - для автомобилей УАЗ-3741
1 - для автомобилей УАЗ-3962
1 - для автомобилей УАЗ-2206
1 - для автомобилей УАЗ-3303
Подробная информация
| Автомобиль: | УАЗ 2206 |
| Модификации: | |
| Название детали: | Пружина тяги собачки рычага |
| Номер детали: | А-2793-В |
| Актуальность: | 01.01.1983 |
| Количество: | |
1 - для автомобилей УАЗ-3741
1 - для автомобилей УАЗ-3962
1 - для автомобилей УАЗ-2206
1 - для автомобилей УАЗ-3303
Подробная информация
| Автомобиль: | УАЗ 2206 |
| Модификации: | |
| Название детали: | Тяга собачки рычага |
| Номер детали: | 452-3508028 |
| Актуальность: | 01.01.1983 |
| Количество: | |
1 - для автомобилей УАЗ-3741
1 - для автомобилей УАЗ-3962
1 - для автомобилей УАЗ-2206
1 - для автомобилей УАЗ-3303
Подробная информация
| Автомобиль: | УАЗ 2206 |
| Модификации: | |
| Название детали: | Гайка М10х1 |
| Номер детали: | 250976-П29 |
| Актуальность: | 01.01.1983 |
| Количество: | |
1 - для автомобилей УАЗ-3741
1 - для автомобилей УАЗ-3962
1 - для автомобилей УАЗ-2206
1 - для автомобилей УАЗ-3303
Подробная информация
| Автомобиль: | УАЗ 2206 |
| Модификации: | |
| Название детали: | Собачка рычага |
| Номер детали: | А-2786-С |
| Актуальность: | 01.01.1983 |
| Количество: | |
1 - для автомобилей УАЗ-3741
1 - для автомобилей УАЗ-3962
1 - для автомобилей УАЗ-2206
1 - для автомобилей УАЗ-3303
Подробная информация
| Автомобиль: | УАЗ 2206 |
| Модификации: | |
| Название детали: | Сектор рычага |
| Номер детали: | 69-3508048 |
| Актуальность: | 01.01.1983 |
| Количество: | |
1 - для автомобилей УАЗ-3741
1 - для автомобилей УАЗ-3962
1 - для автомобилей УАЗ-2206
1 - для автомобилей УАЗ-3303
Подробная информация
| Автомобиль: | УАЗ 2206 |
| Модификации: | |
| Название детали: | Болт М10х1х30 крепления рычага к сектору |
| Номер детали: | 205438-П29 |
| Актуальность: | 01.01.1983 |
| Количество: | |
1 - для автомобилей УАЗ-3741
1 - для автомобилей УАЗ-3962
1 - для автомобилей УАЗ-2206
1 - для автомобилей УАЗ-3303
Подробная информация
| Автомобиль: | УАЗ 2206 |
| Модификации: | |
| Название детали: | Уплотнитель панели пола под рычаг |
| Номер детали: | 452-3508160 |
| Актуальность: | 01.01.1983 |
| Количество: | |
1 - для автомобилей УАЗ-3741
1 - для автомобилей УАЗ-3962
1 - для автомобилей УАЗ-2206
1 - для автомобилей УАЗ-3303
Подробная информация
| Автомобиль: | УАЗ 2206 |
| Модификации: | |
| Название детали: | Болт М10х40 крепления рычага к кронштейну |
| Номер детали: | 200315-П29 |
| Актуальность: | 01.01.1983 |
| Количество: | |
2 - для автомобилей УАЗ-3741
2 - для автомобилей УАЗ-3962
2 - для автомобилей УАЗ-2206
2 - для автомобилей УАЗ-3303
Подробная информация
| Автомобиль: | УАЗ 2206 |
| Модификации: | |
| Название детали: | Винт М5х16 |
| Номер детали: | 224600-П29 |
| Актуальность: | 01.01.1983 |
| Количество: | |
2 - для автомобилей УАЗ-3741
2 - для автомобилей УАЗ-3962
2 - для автомобилей УАЗ-2206
2 - для автомобилей УАЗ-3303
Подробная информация
| Автомобиль: | УАЗ 2206 |
| Модификации: | |
| Название детали: | Шайба 4 |
| Номер детали: | 252002-П29 |
| Актуальность: | 01.01.1983 |
| Количество: | |
1 - для автомобилей УАЗ-3741
1 - для автомобилей УАЗ-3962
1 - для автомобилей УАЗ-2206
1 - для автомобилей УАЗ-3303
Подробная информация
| Автомобиль: | УАЗ 2206 |
| Модификации: | |
| Название детали: | Шплинт 2х10 |
| Номер детали: | 258011-П29 |
| Актуальность: | 01.01.1983 |
| Количество: | |
1 - для автомобилей УАЗ-3741
1 - для автомобилей УАЗ-3962
1 - для автомобилей УАЗ-2206
1 - для автомобилей УАЗ-3303
№
Номер запчасти
Наименование запчасти