- Автозапчасти ВАЗ
- Автозапчасти ГАЗ
- Автозапчасти на иномарки
- Автохимия, масла
- Подбор масла
- Инструменты, аксессуары
- Метизы
- Прочее, Москвич
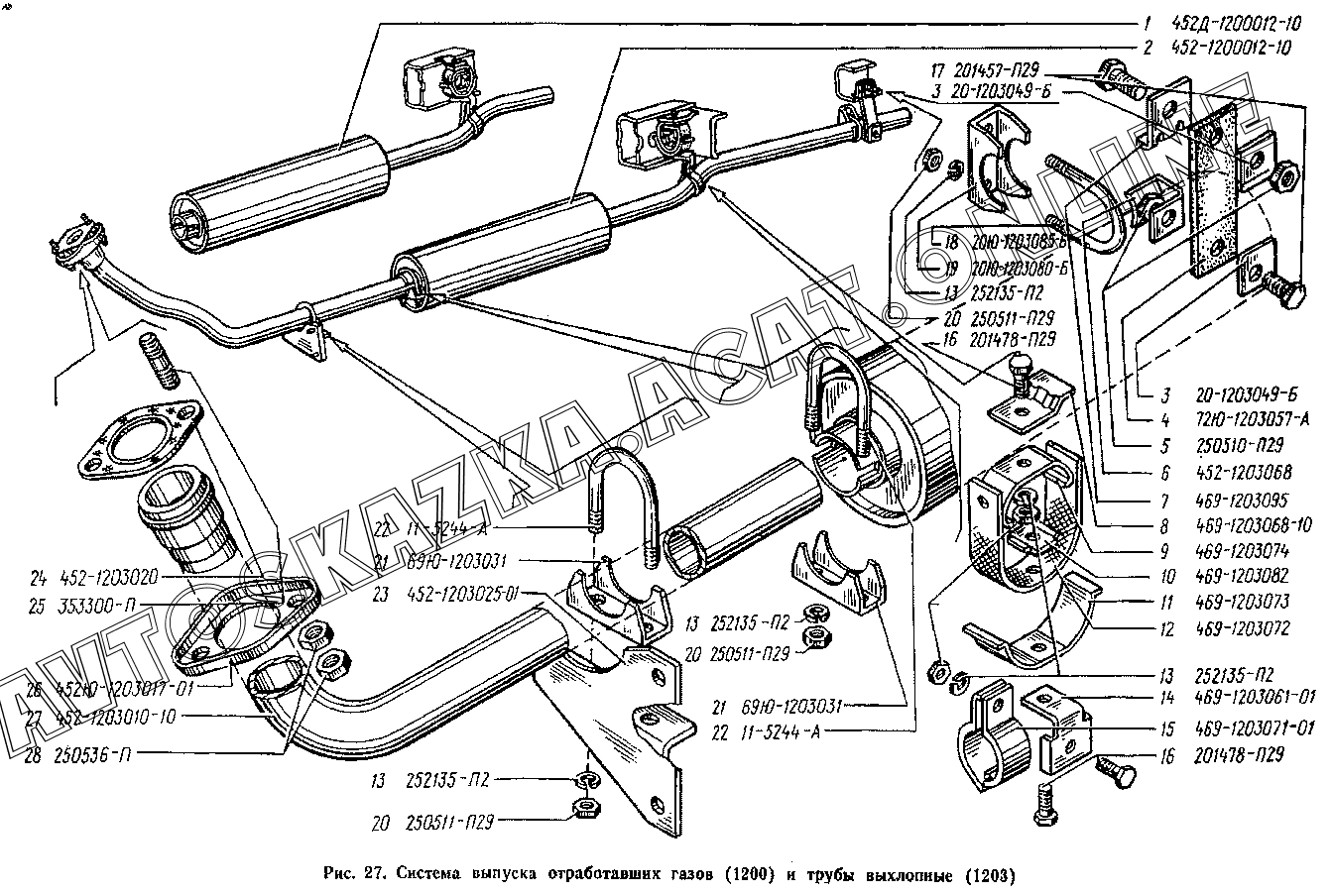
Система выпуска отработавших газов (1200) и трубы выхлопные (1203) УАЗ 3741
+
Увеличить изображение на 10%
-
Уменьшить изображение на 10%
Выделение детали в таблице
Прокрутка картинки
Увеличить масштаб
1
2
3
3
4
5
6
7
8
9
10
11
12
13
13
13
13
14
15
16
16
17
18
19
20
20
20
21
21
22
22
23
24
25
26
27
28
Подробная информация
| Автомобиль: | УАЗ 3741 |
| Модификации: | |
| Название детали: | Глушитель с выпускной трубой в сборе |
| Номер детали: | 452-1200012-10 |
| Актуальность: | 01.01.1983 |
| Количество: | |
1 - для автомобилей УАЗ-3741
1 - для автомобилей УАЗ-3962
1 - для автомобилей УАЗ-2206
Подробная информация
| Автомобиль: | УАЗ 3741 |
| Модификации: | |
| Название детали: | Глушитель с выпускной трубой в сборе |
| Номер детали: | 452Д-1200012-10 |
| Актуальность: | 01.01.1983 |
| Количество: | |
1 - для автомобилей УАЗ-3303
Подробная информация
| Автомобиль: | УАЗ 3741 |
| Модификации: | |
| Название детали: | Накладка ремня |
| Номер детали: | 20-1203049-Б |
| Актуальность: | 01.01.1983 |
| Количество: | |
2 - для автомобилей УАЗ-3741
2 - для автомобилей УАЗ-3962
2 - для автомобилей УАЗ-2206
Подробная информация
| Автомобиль: | УАЗ 3741 |
| Модификации: | |
| Название детали: | Ремень подвески выпускной трубы |
| Номер детали: | 72Ю-1203057-А |
| Актуальность: | 01.01.1983 |
| Количество: | |
1 - для автомобилей УАЗ-3741
1 - для автомобилей УАЗ-3962
1 - для автомобилей УАЗ-2206
Подробная информация
| Автомобиль: | УАЗ 3741 |
| Модификации: | |
| Название детали: | Гайка М8 |
| Номер детали: | 250510-П29 |
| Актуальность: | 01.01.1983 |
| Количество: | |
2 - для автомобилей УАЗ-3741
2 - для автомобилей УАЗ-3962
2 - для автомобилей УАЗ-2206
Подробная информация
| Автомобиль: | УАЗ 3741 |
| Модификации: | |
| Название детали: | Скоба подвески выпускной трубы |
| Номер детали: | 452-1203068 |
| Актуальность: | 01.01.1983 |
| Количество: | |
1 - для автомобилей УАЗ-3741
1 - для автомобилей УАЗ-3962
1 - для автомобилей УАЗ-2206
Подробная информация
| Автомобиль: | УАЗ 3741 |
| Модификации: | |
| Название детали: | Кронштейн подвески выпускной трубы |
| Номер детали: | 469-1203095 |
| Актуальность: | 01.01.1983 |
| Количество: | |
1 - для автомобилей УАЗ-3741
1 - для автомобилей УАЗ-3962
1 - для автомобилей УАЗ-2206
Подробная информация
| Автомобиль: | УАЗ 3741 |
| Модификации: | |
| Название детали: | Кронштейн подвески глушителя |
| Номер детали: | 469-1203068-10 |
| Актуальность: | 01.01.1983 |
| Количество: | |
1 - для автомобилей УАЗ-3741
1 - для автомобилей УАЗ-3962
1 - для автомобилей УАЗ-2206
1 - для автомобилей УАЗ-3303
Подробная информация
| Автомобиль: | УАЗ 3741 |
| Модификации: | |
| Название детали: | Пружина верхняя |
| Номер детали: | 469-1203074 |
| Актуальность: | 01.01.1983 |
| Количество: | |
1 - для автомобилей УАЗ-3741
1 - для автомобилей УАЗ-3962
1 - для автомобилей УАЗ-2206
1 - для автомобилей УАЗ-3303
Подробная информация
| Автомобиль: | УАЗ 3741 |
| Модификации: | |
| Название детали: | Накладка ремня |
| Номер детали: | 469-1203082 |
| Актуальность: | 01.01.1983 |
| Количество: | |
1 - для автомобилей УАЗ-3741
1 - для автомобилей УАЗ-3962
1 - для автомобилей УАЗ-2206
1 - для автомобилей УАЗ-3303
Подробная информация
| Автомобиль: | УАЗ 3741 |
| Модификации: | |
| Название детали: | Пружина нижняя |
| Номер детали: | 469-1203073 |
| Актуальность: | 01.01.1983 |
| Количество: | |
1 - для автомобилей УАЗ-3741
1 - для автомобилей УАЗ-3962
1 - для автомобилей УАЗ-2206
1 - для автомобилей УАЗ-3303
Подробная информация
| Автомобиль: | УАЗ 3741 |
| Модификации: | |
| Название детали: | Ремень подвески глушителя |
| Номер детали: | 469-1203072 |
| Актуальность: | 01.01.1983 |
| Количество: | |
1 - для автомобилей УАЗ-3741
1 - для автомобилей УАЗ-3962
1 - для автомобилей УАЗ-2206
1 - для автомобилей УАЗ-3303
Подробная информация
| Автомобиль: | УАЗ 3741 |
| Модификации: | |
| Название детали: | Шайба 8 пружинная |
| Номер детали: | 252135-П2 |
| Актуальность: | 01.01.1983 |
| Количество: | |
9 - для автомобилей УАЗ-3741
9 - для автомобилей УАЗ-3962
9 - для автомобилей УАЗ-2206
7 - для автомобилей УАЗ-3303
Подробная информация
| Автомобиль: | УАЗ 3741 |
| Модификации: | |
| Название детали: | Тяга подвески глушителя |
| Номер детали: | 469-1203061-01 |
| Актуальность: | 01.01.1983 |
| Количество: | |
1 - для автомобилей УАЗ-3741
1 - для автомобилей УАЗ-3962
1 - для автомобилей УАЗ-2206
1 - для автомобилей УАЗ-3303
Подробная информация
| Автомобиль: | УАЗ 3741 |
| Модификации: | |
| Название детали: | Хомут выпускной трубы |
| Номер детали: | 469-1203071-01 |
| Актуальность: | 01.01.1983 |
| Количество: | |
1 - для автомобилей УАЗ-3741
1 - для автомобилей УАЗ-3962
1 - для автомобилей УАЗ-2206
1 - для автомобилей УАЗ-3303
Подробная информация
| Автомобиль: | УАЗ 3741 |
| Модификации: | |
| Название детали: | Болт М8х 1х25 |
| Номер детали: | 201478-П29 |
| Актуальность: | 01.01.1983 |
| Количество: | |
3 - для автомобилей УАЗ-3741
3 - для автомобилей УАЗ-3962
3 - для автомобилей УАЗ-2206
3 - для автомобилей УАЗ-3303
Подробная информация
| Автомобиль: | УАЗ 3741 |
| Модификации: | |
| Название детали: | Болт М8х 22 |
| Номер детали: | 201457-П29 |
| Актуальность: | 01.01.1983 |
| Количество: | |
2 - для автомобилей УАЗ-3741
2 - для автомобилей УАЗ-3962
2 - для автомобилей УАЗ-2206
Подробная информация
| Автомобиль: | УАЗ 3741 |
| Модификации: | |
| Название детали: | Стремянка выпускной трубы |
| Номер детали: | 20Ю-1203085-Б |
| Актуальность: | 01.01.1983 |
| Количество: | |
1 - для автомобилей УАЗ-3741
1 - для автомобилей УАЗ-3962
1 - для автомобилей УАЗ-2206
Подробная информация
| Автомобиль: | УАЗ 3741 |
| Модификации: | |
| Название детали: | Хомут выпускной трубы |
| Номер детали: | 20Ю-1203080-Б |
| Актуальность: | 01.01.1983 |
| Количество: | |
1 - для автомобилей УАЗ-3741
1 - для автомобилей УАЗ-3962
1 - для автомобилей УАЗ-2206
Подробная информация
| Автомобиль: | УАЗ 3741 |
| Модификации: | |
| Название детали: | Гайка М8х1 |
| Номер детали: | 250511-П29 |
| Актуальность: | 01.01.1983 |
| Количество: | |
9 - для автомобилей УАЗ-3741
9 - для автомобилей УАЗ-3962
9 - для автомобилей УАЗ-2206
7 - для автомобилей УАЗ-3303
Подробная информация
| Автомобиль: | УАЗ 3741 |
| Модификации: | |
| Название детали: | Хомут приемной трубы |
| Номер детали: | 69Ю-1203031 |
| Актуальность: | 01.01.1983 |
| Количество: | |
2 - для автомобилей УАЗ-3741
2 - для автомобилей УАЗ-3962
2 - для автомобилей УАЗ-2206
2 - для автомобилей УАЗ-3303
Подробная информация
| Автомобиль: | УАЗ 3741 |
| Модификации: | |
| Название детали: | Стремянка приемной трубы |
| Номер детали: | 11-5244-А |
| Актуальность: | 01.01.1983 |
| Количество: | |
2 - для автомобилей УАЗ-3741
2 - для автомобилей УАЗ-3962
2 - для автомобилей УАЗ-2206
2 - для автомобилей УАЗ-3303
Подробная информация
| Автомобиль: | УАЗ 3741 |
| Модификации: | |
| Название детали: | Кронштейн приемной трубы |
| Номер детали: | 452-1203025-01 |
| Актуальность: | 01.01.1983 |
| Количество: | |
1 - для автомобилей УАЗ-3741
1 - для автомобилей УАЗ-3962
1 - для автомобилей УАЗ-2206
1 - для автомобилей УАЗ-3303
Подробная информация
| Автомобиль: | УАЗ 3741 |
| Модификации: | |
| Название детали: | Прокладка приемной трубы |
| Номер детали: | 452-1203020 |
| Актуальность: | 01.01.1983 |
| Количество: | |
1 - для автомобилей УАЗ-3741
1 - для автомобилей УАЗ-3962
1 - для автомобилей УАЗ-2206
1 - для автомобилей УАЗ-3303
Подробная информация
| Автомобиль: | УАЗ 3741 |
| Модификации: | |
| Название детали: | Шпилька М10х28 |
| Номер детали: | 353300-П |
| Актуальность: | 01.01.1983 |
| Количество: | |
2 - для автомобилей УАЗ-3741
2 - для автомобилей УАЗ-3962
2 - для автомобилей УАЗ-2206
2 - для автомобилей УАЗ-3303
Подробная информация
| Автомобиль: | УАЗ 3741 |
| Модификации: | |
| Название детали: | Фланец приемной трубы |
| Номер детали: | 452Ю-1203017-01 |
| Актуальность: | 01.01.1983 |
| Количество: | |
1 - для автомобилей УАЗ-3741
1 - для автомобилей УАЗ-3962
1 - для автомобилей УАЗ-2206
1 - для автомобилей УАЗ-3303
Подробная информация
| Автомобиль: | УАЗ 3741 |
| Модификации: | |
| Название детали: | Труба приемная глушителя |
| Номер детали: | 452-1203010-10 |
| Актуальность: | 01.01.1983 |
| Количество: | |
1 - для автомобилей УАЗ-3741
1 - для автомобилей УАЗ-3962
1 - для автомобилей УАЗ-2206
1 - для автомобилей УАЗ-3303
Подробная информация
| Автомобиль: | УАЗ 3741 |
| Модификации: | |
| Название детали: | Гайка М10 |
| Номер детали: | 250536-П |
| Актуальность: | 01.01.1983 |
| Количество: | |
4 - для автомобилей УАЗ-3741
4 - для автомобилей УАЗ-3962
4 - для автомобилей УАЗ-2206
4 - для автомобилей УАЗ-3303
№
Номер запчасти
Наименование запчасти