- Автозапчасти ВАЗ
- Автозапчасти ГАЗ
- Автозапчасти на иномарки
- Автохимия, масла
- Подбор масла
- Инструменты, аксессуары
- Метизы
- Прочее, Москвич
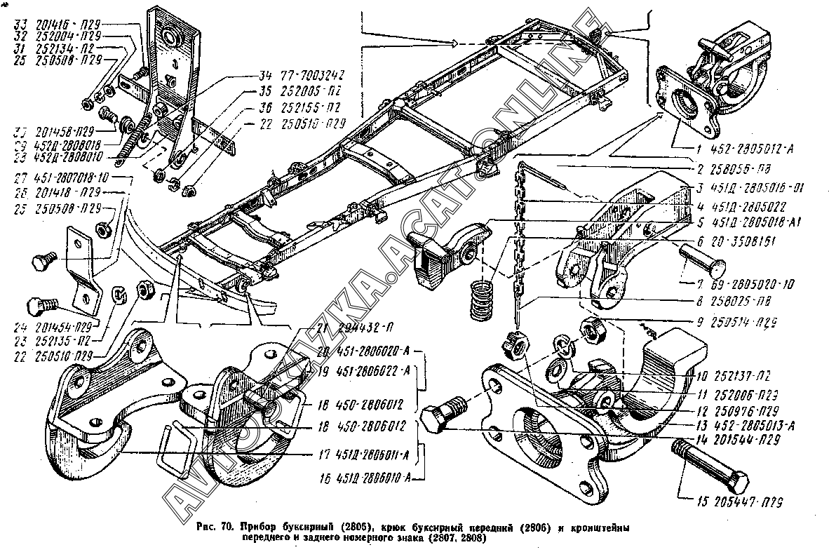
Прибор буксирный (2805), крюк буксирный передний (2806) и кронштейны переднего и заднего номерного знака (2807,2808) УАЗ 3741
Прибор буксирный (2805), крюк буксирный передний (2806) и кронштейны переднего и заднего номерного знака (2807,2808)
+
Увеличить изображение на 10%
-
Уменьшить изображение на 10%
Выделение детали в таблице
Прокрутка картинки
Увеличить масштаб
1
2
3
4
5
6
7
8
9
10
11
12
13
14
15
16
17
18
18
19
20
21
22
22
23
24
25
25
26
27
28
29
30
31
32
33
34
35
36
Подробная информация
| Автомобиль: | УАЗ 3741 |
| Модификации: | |
| Название детали: | Крюк буксирный прибора в сборе |
| Номер детали: | 452-2805012-А |
| Актуальность: | 01.01.1983 |
| Количество: | |
1 - для автомобилей УАЗ-3741
1 - для автомобилей УАЗ-3962
1 - для автомобилей УАЗ-2206
1 - для автомобилей УАЗ-3303
Подробная информация
| Автомобиль: | УАЗ 3741 |
| Модификации: | |
| Название детали: | Шплинт 4х40 |
| Номер детали: | 258056-П8 |
| Актуальность: | 01.01.1983 |
| Количество: | |
1 - для автомобилей УАЗ-3741
1 - для автомобилей УАЗ-3962
1 - для автомобилей УАЗ-2206
1 - для автомобилей УАЗ-3303
Подробная информация
| Автомобиль: | УАЗ 3741 |
| Модификации: | |
| Название детали: | Защелка буксирного крюка |
| Номер детали: | 451Д-2805016-01 |
| Актуальность: | 01.01.1983 |
| Количество: | |
1 - для автомобилей УАЗ-3741
1 - для автомобилей УАЗ-3962
1 - для автомобилей УАЗ-2206
1 - для автомобилей УАЗ-3303
Подробная информация
| Автомобиль: | УАЗ 3741 |
| Модификации: | |
| Название детали: | Цепочка защелки буксирного крюка |
| Номер детали: | 451Д-2805022 |
| Актуальность: | 01.01.1983 |
| Количество: | |
1 - для автомобилей УАЗ-3741
1 - для автомобилей УАЗ-3962
1 - для автомобилей УАЗ-2206
1 - для автомобилей УАЗ-3303
Подробная информация
| Автомобиль: | УАЗ 3741 |
| Модификации: | |
| Название детали: | Собачка защелки |
| Номер детали: | 451Д-2805018-А1 |
| Актуальность: | 01.01.1983 |
| Количество: | |
1 - для автомобилей УАЗ-3741
1 - для автомобилей УАЗ-3962
1 - для автомобилей УАЗ-2206
1 - для автомобилей УАЗ-3303
Подробная информация
| Автомобиль: | УАЗ 3741 |
| Модификации: | |
| Название детали: | Пружина собачки |
| Номер детали: | 20-3508161 |
| Актуальность: | 01.01.1983 |
| Количество: | |
1 - для автомобилей УАЗ-3741
1 - для автомобилей УАЗ-3962
1 - для автомобилей УАЗ-2206
1 - для автомобилей УАЗ-3303
Подробная информация
| Автомобиль: | УАЗ 3741 |
| Модификации: | |
| Название детали: | Ось собачки |
| Номер детали: | 69-2805020-10 |
| Актуальность: | 01.01.1983 |
| Количество: | |
1 - для автомобилей УАЗ-3741
1 - для автомобилей УАЗ-3962
1 - для автомобилей УАЗ-2206
1 - для автомобилей УАЗ-3303
Подробная информация
| Автомобиль: | УАЗ 3741 |
| Модификации: | |
| Название детали: | Шплинт 2,5х20 |
| Номер детали: | 258025-П8 |
| Актуальность: | 01.01.1983 |
| Количество: | |
1 - для автомобилей УАЗ-3741
1 - для автомобилей УАЗ-3962
1 - для автомобилей УАЗ-2206
1 - для автомобилей УАЗ-3303
Подробная информация
| Автомобиль: | УАЗ 3741 |
| Модификации: | |
| Название детали: | Гайка М 12 |
| Номер детали: | 250514-П29 |
| Актуальность: | 01.01.1983 |
| Количество: | |
4 - для автомобилей УАЗ-3741
4 - для автомобилей УАЗ-3962
4 - для автомобилей УАЗ-2206
4 - для автомобилей УАЗ-3303
Подробная информация
| Автомобиль: | УАЗ 3741 |
| Модификации: | |
| Название детали: | Шайба 12 пружинная |
| Номер детали: | 252137-П2 |
| Актуальность: | 01.01.1983 |
| Количество: | |
4 - для автомобилей УАЗ-3741
4 - для автомобилей УАЗ-3962
4 - для автомобилей УАЗ-2206
4 - для автомобилей УАЗ-3303
Подробная информация
| Автомобиль: | УАЗ 3741 |
| Модификации: | |
| Название детали: | Шайба 10 |
| Номер детали: | 252006-П29 |
| Актуальность: | 01.01.1983 |
| Количество: | |
1 - для автомобилей УАЗ-3741
1 - для автомобилей УАЗ-3962
1 - для автомобилей УАЗ-2206
1 - для автомобилей УАЗ-3303
Подробная информация
| Автомобиль: | УАЗ 3741 |
| Модификации: | |
| Название детали: | Гайка М10х1 |
| Номер детали: | 250976-П29 |
| Актуальность: | 01.01.1983 |
| Количество: | |
1 - для автомобилей УАЗ-3741
1 - для автомобилей УАЗ-3962
1 - для автомобилей УАЗ-2206
1 - для автомобилей УАЗ-3303
Подробная информация
| Автомобиль: | УАЗ 3741 |
| Модификации: | |
| Название детали: | Крюк буксирный с фланцем в сборе |
| Номер детали: | 452-2805013-А |
| Актуальность: | 01.01.1983 |
| Количество: | |
1 - для автомобилей УАЗ-3741
1 - для автомобилей УАЗ-3962
1 - для автомобилей УАЗ-2206
1 - для автомобилей УАЗ-3303
Подробная информация
| Автомобиль: | УАЗ 3741 |
| Модификации: | |
| Название детали: | Болт М 12х40 крепления буксирного крюка |
| Номер детали: | 201544-П29 |
| Актуальность: | 01.01.1983 |
| Количество: | |
4 - для автомобилей УАЗ-3741
4 - для автомобилей УАЗ-3962
4 - для автомобилей УАЗ-2206
4 - для автомобилей УАЗ-3303
Подробная информация
| Автомобиль: | УАЗ 3741 |
| Модификации: | |
| Название детали: | Болт М 10х1х55 крепления защелки |
| Номер детали: | 205447-П29 |
| Актуальность: | 01.01.1983 |
| Количество: | |
1 - для автомобилей УАЗ-3741
1 - для автомобилей УАЗ-3962
1 - для автомобилей УАЗ-2206
1 - для автомобилей УАЗ-3303
Подробная информация
| Автомобиль: | УАЗ 3741 |
| Модификации: | |
| Название детали: | Крюк буксирный передний правый в сборе |
| Номер детали: | 451Д-2806010-А |
| Актуальность: | 01.01.1983 |
| Количество: | |
1 - для автомобилей УАЗ-3741
1 - для автомобилей УАЗ-3962
1 - для автомобилей УАЗ-2206
1 - для автомобилей УАЗ-3303
Подробная информация
| Автомобиль: | УАЗ 3741 |
| Модификации: | |
| Название детали: | Крюк буксирный передний правый |
| Номер детали: | 451Д-2806011-А |
| Актуальность: | 01.01.1983 |
| Количество: | |
1 - для автомобилей УАЗ-3741
1 - для автомобилей УАЗ-3962
1 - для автомобилей УАЗ-2206
1 - для автомобилей УАЗ-3303
Подробная информация
| Автомобиль: | УАЗ 3741 |
| Модификации: | |
| Название детали: | Кольцо замочное |
| Номер детали: | 450-2806012 |
| Актуальность: | 01.01.1983 |
| Количество: | |
1 - для автомобилей УАЗ-3741
1 - для автомобилей УАЗ-3962
1 - для автомобилей УАЗ-2206
1 - для автомобилей УАЗ-3303
Подробная информация
| Автомобиль: | УАЗ 3741 |
| Модификации: | |
| Название детали: | Крюк буксирный передний левый |
| Номер детали: | 451-2806022-А |
| Актуальность: | 01.01.1983 |
| Количество: | |
1 - для автомобилей УАЗ-3741
1 - для автомобилей УАЗ-3962
1 - для автомобилей УАЗ-2206
1 - для автомобилей УАЗ-3303
Подробная информация
| Автомобиль: | УАЗ 3741 |
| Модификации: | |
| Название детали: | Крюк буксирный -передний левый в сборе |
| Номер детали: | 451-2806020-А |
| Актуальность: | 01.01.1983 |
| Количество: | |
1 - для автомобилей УАЗ-3741
1 - для автомобилей УАЗ-3962
1 - для автомобилей УАЗ-2206
1 - для автомобилей УАЗ-3303
Подробная информация
| Автомобиль: | УАЗ 3741 |
| Модификации: | |
| Название детали: | Заклепка 10х28 крепления крюков |
| Номер детали: | 29443 2-П |
| Актуальность: | 01.01.1983 |
| Количество: | |
7 - для автомобилей УАЗ-3741
7 - для автомобилей УАЗ-3962
7 - для автомобилей УАЗ-2206
7 - для автомобилей УАЗ-3303
Подробная информация
| Автомобиль: | УАЗ 3741 |
| Модификации: | |
| Название детали: | Гайка М8 |
| Номер детали: | 250510-П29 |
| Актуальность: | 01.01.1983 |
| Количество: | |
2 - для автомобилей УАЗ-3303
Подробная информация
| Автомобиль: | УАЗ 3741 |
| Модификации: | |
| Название детали: | Гайка М8 |
| Номер детали: | 250510-П29 |
| Актуальность: | 01.01.1983 |
| Количество: | |
2 - для автомобилей УАЗ-3741
2 - для автомобилей УАЗ-3962
2 - для автомобилей УАЗ-2206
2 - для автомобилей УАЗ-3303
Подробная информация
| Автомобиль: | УАЗ 3741 |
| Модификации: | |
| Название детали: | Шайба 8 пружинная |
| Номер детали: | 252135-П2 |
| Актуальность: | 01.01.1983 |
| Количество: | |
2 - для автомобилей УАЗ-3741
2 - для автомобилей УАЗ-3962
2 - для автомобилей УАЗ-2206
2 - для автомобилей УАЗ-3303
Подробная информация
| Автомобиль: | УАЗ 3741 |
| Модификации: | |
| Название детали: | Болт М8х16 крепления кронштейна номерного знака |
| Номер детали: | 201454-П29 |
| Актуальность: | 01.01.1983 |
| Количество: | |
2 - для автомобилей УАЗ-3741
2 - для автомобилей УАЗ-3962
2 - для автомобилей УАЗ-2206
2 - для автомобилей УАЗ-3303
Подробная информация
| Автомобиль: | УАЗ 3741 |
| Модификации: | |
| Название детали: | Гайка М6 |
| Номер детали: | 250508-П29 |
| Актуальность: | 01.01.1983 |
| Количество: | |
3 - для автомобилей УАЗ-3303
Подробная информация
| Автомобиль: | УАЗ 3741 |
| Модификации: | |
| Название детали: | Гайка М6 |
| Номер детали: | 250508-П29 |
| Актуальность: | 01.01.1983 |
| Количество: | |
2 - для автомобилей УАЗ-3741
2 - для автомобилей УАЗ-3962
2 - для автомобилей УАЗ-2206
2 - для автомобилей УАЗ-3303
Подробная информация
| Автомобиль: | УАЗ 3741 |
| Модификации: | |
| Название детали: | Болт М6х16 |
| Номер детали: | 201418-П29 |
| Актуальность: | 01.01.1983 |
| Количество: | |
2 - для автомобилей УАЗ-3741
2 - для автомобилей УАЗ-3962
2 - для автомобилей УАЗ-2206
2 - для автомобилей УАЗ-3303
Подробная информация
| Автомобиль: | УАЗ 3741 |
| Модификации: | |
| Название детали: | Кронштейн переднего номерного знака |
| Номер детали: | 451-2807018-10 |
| Актуальность: | 01.01.1983 |
| Количество: | |
2 - для автомобилей УАЗ-3741
2 - для автомобилей УАЗ-3962
2 - для автомобилей УАЗ-2206
2 - для автомобилей УАЗ-3303
Подробная информация
| Автомобиль: | УАЗ 3741 |
| Модификации: | |
| Название детали: | Кронштейн крепления заднего номерного знака |
| Номер детали: | 452Д-2808010 |
| Актуальность: | 01.01.1983 |
| Количество: | |
1 - для автомобилей УАЗ-3303
Подробная информация
| Автомобиль: | УАЗ 3741 |
| Модификации: | |
| Название детали: | Втулка крепления кронштейна заднего номерного знака |
| Номер детали: | 452Д-2808018 |
| Актуальность: | 01.01.1983 |
| Количество: | |
2 - для автомобилей УАЗ-3303
Подробная информация
| Автомобиль: | УАЗ 3741 |
| Модификации: | |
| Название детали: | Болт М8х25 крепления кронштейна |
| Номер детали: | 201458-П29 |
| Актуальность: | 01.01.1983 |
| Количество: | |
2 - для автомобилей УАЗ-3303
Подробная информация
| Автомобиль: | УАЗ 3741 |
| Модификации: | |
| Название детали: | Шайба 6 пружинная |
| Номер детали: | 252134-П2 |
| Актуальность: | 01.01.1983 |
| Количество: | |
3 - для автомобилей УАЗ-3741
3 - для автомобилей УАЗ-3962
3 - для автомобилей УАЗ-2206
3 - для автомобилей УАЗ-3303
Подробная информация
| Автомобиль: | УАЗ 3741 |
| Модификации: | |
| Название детали: | Шайба 6 |
| Номер детали: | 252004-П29 |
| Актуальность: | 01.01.1983 |
| Количество: | |
3 - для автомобилей УАЗ-3741
3 - для автомобилей УАЗ-3962
3 - для автомобилей УАЗ-2206
3 - для автомобилей УАЗ-3303
Подробная информация
| Автомобиль: | УАЗ 3741 |
| Модификации: | |
| Название детали: | Болт М6х12 крепления номерного знака |
| Номер детали: | 201416-П29 |
| Актуальность: | 01.01.1983 |
| Количество: | |
3 - для автомобилей УАЗ-3741
3 - для автомобилей УАЗ-3962
3 - для автомобилей УАЗ-2206
3 - для автомобилей УАЗ-3303
Подробная информация
| Автомобиль: | УАЗ 3741 |
| Модификации: | |
| Название детали: | Пружина кронштейна заднего номерного знака |
| Номер детали: | 77-7003242 |
| Актуальность: | 01.01.1983 |
| Количество: | |
1 - для автомобилей УАЗ-3303
Подробная информация
| Автомобиль: | УАЗ 3741 |
| Модификации: | |
| Название детали: | Шайба 8 |
| Номер детали: | 252005-П29 |
| Актуальность: | 01.01.1983 |
| Количество: | |
2 - для автомобилей УАЗ-3303
Подробная информация
| Автомобиль: | УАЗ 3741 |
| Модификации: | |
| Название детали: | Шайба 8 |
| Номер детали: | 252155-П2 |
| Актуальность: | 01.01.1983 |
| Количество: | |
2 - для автомобилей УАЗ-3303
№
Номер запчасти
Наименование запчасти