- Автозапчасти ВАЗ
- Автозапчасти ГАЗ
- Автозапчасти на иномарки
- Автохимия, масла
- Подбор масла
- Инструменты, аксессуары
- Метизы
- Прочее, Москвич
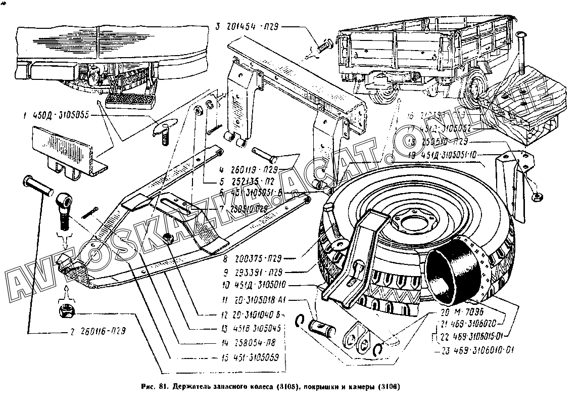
Держатель запасного колеса (3105), покрышки и камеры (3106) УАЗ 3741
+
Увеличить изображение на 10%
-
Уменьшить изображение на 10%
Выделение детали в таблице
Прокрутка картинки
Увеличить масштаб
1
2
3
4
5
6
7
8
9
10
11
12
13
14
15
16
17
18
19
20
21
22
23
Подробная информация
| Автомобиль: | УАЗ 3741 |
| Модификации: | |
| Название детали: | Сектор держателя запасного колеса в сборе |
| Номер детали: | 450Д-3105055 |
| Актуальность: | 01.01.1983 |
| Количество: | |
1 - для автомобилей УАЗ-3741
1 - для автомобилей УАЗ-3962
1 - для автомобилей УАЗ-2206
Подробная информация
| Автомобиль: | УАЗ 3741 |
| Модификации: | |
| Название детали: | Палец 14х75 крепления опор |
| Номер детали: | 260116-П29 |
| Актуальность: | 01.01.1983 |
| Количество: | |
1 - для автомобилей УАЗ-3741
1 - для автомобилей УАЗ-3962
1 - для автомобилей УАЗ-2206
Подробная информация
| Автомобиль: | УАЗ 3741 |
| Модификации: | |
| Название детали: | Болт М8х16 крепления кронштейна опор к раме |
| Номер детали: | 201454-П29 |
| Актуальность: | 01.01.1983 |
| Количество: | |
8 - для автомобилей УАЗ-3741
8 - для автомобилей УАЗ-3962
8 - для автомобилей УАЗ-2206
Подробная информация
| Автомобиль: | УАЗ 3741 |
| Модификации: | |
| Название детали: | Палец 14х60 крепления стержня |
| Номер детали: | 260119-П29 |
| Актуальность: | 01.01.1983 |
| Количество: | |
2 - для автомобилей УАЗ-3741
2 - для автомобилей УАЗ-3962
2 - для автомобилей УАЗ-2206
Подробная информация
| Автомобиль: | УАЗ 3741 |
| Модификации: | |
| Название детали: | Шайба 8 пружинная |
| Номер детали: | 252135-П2 |
| Актуальность: | 01.01.1983 |
| Количество: | |
8 - для автомобилей УАЗ-3741
8 - для автомобилей УАЗ-3962
8 - для автомобилей УАЗ-2206
Подробная информация
| Автомобиль: | УАЗ 3741 |
| Модификации: | |
| Название детали: | Кронштейн опор |
| Номер детали: | 451-3105051-Б |
| Актуальность: | 01.01.1983 |
| Количество: | |
2 - для автомобилей УАЗ-3741
2 - для автомобилей УАЗ-3962
2 - для автомобилей УАЗ-2206
Подробная информация
| Автомобиль: | УАЗ 3741 |
| Модификации: | |
| Название детали: | Гайка М8 |
| Номер детали: | 250510-П29 |
| Актуальность: | 01.01.1983 |
| Количество: | |
8 - для автомобилей УАЗ-3741
8 - для автомобилей УАЗ-3962
8 - для автомобилей УАЗ-2206
Подробная информация
| Автомобиль: | УАЗ 3741 |
| Модификации: | |
| Название детали: | Болт М12х80 крепления запасного колеса |
| Номер детали: | 200375-П29 |
| Актуальность: | 01.01.1983 |
| Количество: | |
1 - для автомобилей УАЗ-3303
Подробная информация
| Автомобиль: | УАЗ 3741 |
| Модификации: | |
| Название детали: | Шайба 14 |
| Номер детали: | 293391-П29 |
| Актуальность: | 01.01.1983 |
| Количество: | |
1 - для автомобилей УАЗ-3303
Подробная информация
| Автомобиль: | УАЗ 3741 |
| Модификации: | |
| Название детали: | Держатель запасного колеса |
| Номер детали: | 451Д-3105010 |
| Актуальность: | 01.01.1983 |
| Количество: | |
1 - для автомобилей УАЗ-3303
Подробная информация
| Автомобиль: | УАЗ 3741 |
| Модификации: | |
| Название детали: | Гайка держателя запасного колеса |
| Номер детали: | 20-3105018-А1 |
| Актуальность: | 01.01.1983 |
| Количество: | |
1 - для автомобилей УАЗ-3303
Подробная информация
| Автомобиль: | УАЗ 3741 |
| Модификации: | |
| Название детали: | Гайка крепления колеса |
| Номер детали: | 20-3101040-Б |
| Актуальность: | 01.01.1983 |
| Количество: | |
2 - для автомобилей УАЗ-3741
2 - для автомобилей УАЗ-3962
2 - для автомобилей УАЗ-2206
Подробная информация
| Автомобиль: | УАЗ 3741 |
| Модификации: | |
| Название детали: | Держатель запасного колеса в сборе |
| Номер детали: | 451В-3105045 |
| Актуальность: | 01.01.1983 |
| Количество: | |
1 - для автомобилей УАЗ-3741
1 - для автомобилей УАЗ-3962
1 - для автомобилей УАЗ-2206
Подробная информация
| Автомобиль: | УАЗ 3741 |
| Модификации: | |
| Название детали: | Шплинт 4х30 |
| Номер детали: | 258054-П8 |
| Актуальность: | 01.01.1983 |
| Количество: | |
3 - для автомобилей УАЗ-3741
3 - для автомобилей УАЗ-3962
3 - для автомобилей УАЗ-2206
Подробная информация
| Автомобиль: | УАЗ 3741 |
| Модификации: | |
| Название детали: | Стержень опор |
| Номер детали: | 451-3105059 |
| Актуальность: | 01.01.1983 |
| Количество: | |
1 - для автомобилей УАЗ-3741
1 - для автомобилей УАЗ-3962
1 - для автомобилей УАЗ-2206
Подробная информация
| Автомобиль: | УАЗ 3741 |
| Модификации: | |
| Название детали: | Болт М8х100 крепления упора |
| Номер детали: | 310393-П29 |
| Актуальность: | 01.01.1983 |
| Количество: | |
3 - для автомобилей УАЗ-3303
Подробная информация
| Автомобиль: | УАЗ 3741 |
| Модификации: | |
| Название детали: | Подкладка упора |
| Номер детали: | 451Д-3105052 |
| Актуальность: | 01.01.1983 |
| Количество: | |
7 - для автомобилей УАЗ-3303
Подробная информация
| Автомобиль: | УАЗ 3741 |
| Модификации: | |
| Название детали: | Гайка М8 |
| Номер детали: | 250610-П29 |
| Актуальность: | 01.01.1983 |
| Количество: | |
3 - для автомобилей УАЗ-3303
Подробная информация
| Автомобиль: | УАЗ 3741 |
| Модификации: | |
| Название детали: | Упор запасного колеса |
| Номер детали: | 451Д-3105051-10 |
| Актуальность: | 01.01.1983 |
| Количество: | |
1 - для автомобилей УАЗ-3303
Подробная информация
| Автомобиль: | УАЗ 3741 |
| Модификации: | |
| Название детали: | Кольцо стопорное гайки держателя |
| Номер детали: | М-7096 |
| Актуальность: | 01.01.1983 |
| Количество: | |
2 - для автомобилей УАЗ-3303
Подробная информация
| Автомобиль: | УАЗ 3741 |
| Модификации: | |
| Название детали: | Камера 7,00-15" |
| Номер детали: | 469-3106020 |
| Актуальность: | 01.01.1983 |
| Количество: | |
5 - для автомобилей УАЗ-3741
5 - для автомобилей УАЗ-3962
5 - для автомобилей УАЗ-2206
5 - для автомобилей УАЗ-3303
Подробная информация
| Автомобиль: | УАЗ 3741 |
| Модификации: | |
| Название детали: | Покрышка 8,40-15 " |
| Номер детали: | 469-3106015-01 |
| Актуальность: | 01.01.1983 |
| Количество: | |
5 - для автомобилей УАЗ-3741
5 - для автомобилей УАЗ-3962
5 - для автомобилей УАЗ-2206
5 - для автомобилей УАЗ-3303
Подробная информация
| Автомобиль: | УАЗ 3741 |
| Модификации: | |
| Название детали: | Шина 8,40-15"в сборе |
| Номер детали: | 469-3106010-01 |
| Актуальность: | 01.01.1983 |
| Количество: | |
5 - для автомобилей УАЗ-3741
5 - для автомобилей УАЗ-3962
5 - для автомобилей УАЗ-2206
5 - для автомобилей УАЗ-3303
№
Номер запчасти
Наименование запчасти