- Автозапчасти ВАЗ
- Автозапчасти ГАЗ
- Автозапчасти на иномарки
- Автохимия, масла
- Подбор масла
- Инструменты, аксессуары
- Метизы
- Прочее, Москвич
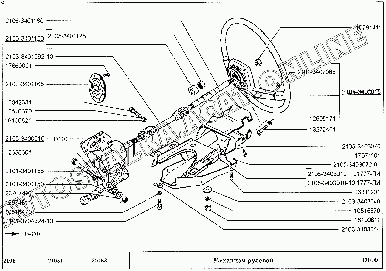
Механизм рулевой ВАЗ 2105 (21051, 21053)
+
Увеличить изображение на 10%
-
Уменьшить изображение на 10%
Выделение детали в таблице
Прокрутка картинки
Увеличить масштаб
2105-3403010-10
2103-3403044
2105-3401120
2105-3401126
2103-3401165
2105-3400010
12638601
23767491
12605171
10516470
10516670
10516670
2103-3403048
2101-3401150
2101-3402068
2101-3401155
2101-3704324-10
16042631
2103-3401092-10
2105-3401160
13272401
17669001
17671101
12574511
10791411
16100811
16100821
2105-3403070
2105-3403072-01
2105-3402015
2105-3403010
D110
Подробная информация
| Автомобиль: | ВАЗ 2105 |
| Модификации: | 21051, 21053 |
| Название детали: | Кронштейн |
| Номер детали: | 2105-3403010-10 |
| Актуальность: | 01.01.2002 |
| Количество: | |
1 - для автомобилей ВАЗ-2105 и его модификаций
Подробная информация
| Автомобиль: | ВАЗ 2105 |
| Модификации: | 21051, 21053 |
| Название детали: | Пластина |
| Номер детали: | 2103-3403044 |
| Актуальность: | 01.01.2002 |
| Количество: | |
2 - для автомобилей ВАЗ-2105 и его модификаций
Подробная информация
| Автомобиль: | ВАЗ 2105 |
| Модификации: | 21051, 21053 |
| Название детали: | Подшипник |
| Номер детали: | 2105-3401120 |
| Актуальность: | 01.01.2002 |
| Количество: | |
2 - для автомобилей ВАЗ-2105 и его модификаций
Подробная информация
| Автомобиль: | ВАЗ 2105 |
| Модификации: | 21051, 21053 |
| Название детали: | Подшипник |
| Номер детали: | 2105-3401126 |
| Актуальность: | 01.01.2002 |
| Количество: | |
2 - для автомобилей ВАЗ-2105 и его модификаций
Подробная информация
| Автомобиль: | ВАЗ 2105 |
| Модификации: | 21051, 21053 |
| Название детали: | Уплотнитель |
| Номер детали: | 2103-3401165 |
| Актуальность: | 01.01.2002 |
| Количество: | |
1 - для автомобилей ВАЗ-2105 и его модификаций
Подробная информация
| Автомобиль: | ВАЗ 2105 |
| Модификации: | 21051, 21053 |
| Название детали: | Управление рулевое |
| Номер детали: | 2105-3400010 |
| Актуальность: | 01.01.2002 |
| Количество: | |
1 - для автомобилей ВАЗ-2105 и его модификаций
Подробная информация
| Автомобиль: | ВАЗ 2105 |
| Модификации: | 21051, 21053 |
| Название детали: | Шайба 10 |
| Номер детали: | 12638601 |
| Актуальность: | 01.01.2002 |
| Количество: | |
2 - для автомобилей ВАЗ-2105 и его модификаций
Подробная информация
| Автомобиль: | ВАЗ 2105 |
| Модификации: | 21051, 21053 |
| Название детали: | Шайба 10 |
| Номер детали: | 23767491 |
| Актуальность: | 01.01.2002 |
| Количество: | |
3 - для автомобилей ВАЗ-2105 и его модификаций
Подробная информация
| Автомобиль: | ВАЗ 2105 |
| Модификации: | 21051, 21053 |
| Название детали: | Шайба 4 стопорная |
| Номер детали: | 12605171 |
| Актуальность: | 01.01.2002 |
| Количество: | |
3 - для автомобилей ВАЗ-2105 и его модификаций
Подробная информация
| Автомобиль: | ВАЗ 2105 |
| Модификации: | 21051, 21053 |
| Название детали: | Шайба 6 пружинная |
| Номер детали: | 10516470 |
| Актуальность: | 01.01.2002 |
| Количество: | |
2 - для автомобилей ВАЗ-2105 и его модификаций
Подробная информация
| Автомобиль: | ВАЗ 2105 |
| Модификации: | 21051, 21053 |
| Название детали: | Шайба 8 пружинная |
| Номер детали: | 10516670 |
| Актуальность: | 01.01.2002 |
| Количество: | |
4 - для автомобилей ВАЗ-2105 и его модификаций
Подробная информация
| Автомобиль: | ВАЗ 2105 |
| Модификации: | 21051, 21053 |
| Название детали: | Шайба плоская |
| Номер детали: | 2103-3403048 |
| Актуальность: | 01.01.2002 |
| Количество: | |
2 - для автомобилей ВАЗ-2105 и его модификаций
Подробная информация
| Автомобиль: | ВАЗ 2105 |
| Модификации: | 21051, 21053 |
| Название детали: | Шайба регулировочная |
| Номер детали: | 2101-3401150 |
| Актуальность: | 01.01.2002 |
| Количество: | |
0 - для автомобилей ВАЗ-2105 и его модификаций
Подробная информация
| Автомобиль: | ВАЗ 2105 |
| Модификации: | 21051, 21053 |
| Название детали: | Шайба стопорная |
| Номер детали: | 2101-3402068 |
| Актуальность: | 01.01.2002 |
| Количество: | |
2 - для автомобилей ВАЗ-2105 и его модификаций
Подробная информация
| Автомобиль: | ВАЗ 2105 |
| Модификации: | 21051, 21053 |
| Название детали: | Болт |
| Номер детали: | 2101-3401155 |
| Актуальность: | 01.01.2002 |
| Количество: | |
3 - для автомобилей ВАЗ-2105 и его модификаций
Подробная информация
| Автомобиль: | ВАЗ 2105 |
| Модификации: | 21051, 21053 |
| Название детали: | Болт М6 |
| Номер детали: | 2101-3704324-10 |
| Актуальность: | 01.01.2002 |
| Количество: | |
2 - для автомобилей ВАЗ-2105 и его модификаций
Подробная информация
| Автомобиль: | ВАЗ 2105 |
| Модификации: | 21051, 21053 |
| Название детали: | Болт М8х35 |
| Номер детали: | 16042631 |
| Актуальность: | 01.01.2002 |
| Количество: | |
2 - для автомобилей ВАЗ-2105 и его модификаций
Подробная информация
| Автомобиль: | ВАЗ 2105 |
| Модификации: | 21051, 21053 |
| Название детали: | Вал промежуточный |
| Номер детали: | 2103-3401092-10 |
| Актуальность: | 01.01.2002 |
| Количество: | |
1 - для автомобилей ВАЗ-2105 и его модификаций
Подробная информация
| Автомобиль: | ВАЗ 2105 |
| Модификации: | 21051, 21053 |
| Название детали: | Вал рулевого управления |
| Номер детали: | 2105-3401160 |
| Актуальность: | 01.01.2002 |
| Количество: | |
1 - для автомобилей ВАЗ-2105 и его модификаций
Подробная информация
| Автомобиль: | ВАЗ 2105 |
| Модификации: | 21051, 21053 |
| Название детали: | Винт М4х20 |
| Номер детали: | 13272401 |
| Актуальность: | 01.01.2002 |
| Количество: | |
3 - для автомобилей ВАЗ-2105 и его модификаций
Подробная информация
| Автомобиль: | ВАЗ 2105 |
| Модификации: | 21051, 21053 |
| Название детали: | Винт М5х20 |
| Номер детали: | 13311201 |
| Актуальность: | 01.01.2002 |
| Количество: | |
4 - для автомобилей ВАЗ-2105 и его модификаций
Подробная информация
| Автомобиль: | ВАЗ 2105 |
| Модификации: | 21051, 21053 |
| Название детали: | Винт самонарезающий |
| Номер детали: | 17669001 |
| Актуальность: | 01.01.2002 |
| Количество: | |
3 - для автомобилей ВАЗ-2105 и его модификаций
Подробная информация
| Автомобиль: | ВАЗ 2105 |
| Модификации: | 21051, 21053 |
| Название детали: | Винт самонарезающий |
| Номер детали: | 17671101 |
| Актуальность: | 01.01.2002 |
| Количество: | |
1 - для автомобилей ВАЗ-2105 и его модификаций
Подробная информация
| Автомобиль: | ВАЗ 2105 |
| Модификации: | 21051, 21053 |
| Название детали: | Гайка М10х1,25 самоконтрящаяся |
| Номер детали: | 12574511 |
| Актуальность: | 01.01.2002 |
| Количество: | |
3 - для автомобилей ВАЗ-2105 и его модификаций
Подробная информация
| Автомобиль: | ВАЗ 2105 |
| Модификации: | 21051, 21053 |
| Название детали: | Гайка М16х1,5 низкая |
| Номер детали: | 10791411 |
| Актуальность: | 01.01.2002 |
| Количество: | |
1 - для автомобилей ВАЗ-2105 и его модификаций
Подробная информация
| Автомобиль: | ВАЗ 2105 |
| Модификации: | 21051, 21053 |
| Название детали: | Гайка М8 |
| Номер детали: | 16100811 |
| Актуальность: | 01.01.2002 |
| Количество: | |
2 - для автомобилей ВАЗ-2105 и его модификаций
Подробная информация
| Автомобиль: | ВАЗ 2105 |
| Модификации: | 21051, 21053 |
| Название детали: | Гайка М8 |
| Номер детали: | 16100821 |
| Актуальность: | 01.01.2002 |
| Количество: | |
2 - для автомобилей ВАЗ-2105 и его модификаций
Подробная информация
| Автомобиль: | ВАЗ 2105 |
| Модификации: | 21051, 21053 |
| Название детали: | Кожух верхний |
| Номер детали: | 2105-3403070 |
| Актуальность: | 01.01.2002 |
| Количество: | |
1 - для автомобилей ВАЗ-2105 и его модификаций
Подробная информация
| Автомобиль: | ВАЗ 2105 |
| Модификации: | 21051, 21053 |
| Название детали: | Кожух нижний |
| Номер детали: | 2105-3403072-01 |
| Актуальность: | 01.01.2002 |
| Количество: | |
1 - для автомобилей ВАЗ-2105 и его модификаций
Подробная информация
| Автомобиль: | ВАЗ 2105 |
| Модификации: | 21051, 21053 |
| Название детали: | Колесо рулевое |
| Номер детали: | 2105-3402015 |
| Актуальность: | 01.01.2002 |
| Количество: | |
1 - для автомобилей ВАЗ-2105 и его модификаций
Подробная информация
| Автомобиль: | ВАЗ 2105 |
| Модификации: | 21051, 21053 |
| Название детали: | Кронштейн |
| Номер детали: | 2105-3403010 |
| Актуальность: | 01.01.2002 |
| Количество: | |
1 - для автомобилей ВАЗ-2105 и его модификаций
№
Номер запчасти
Наименование запчасти