- Автозапчасти ВАЗ
- Автозапчасти ГАЗ
- Автозапчасти на иномарки
- Автохимия, масла
- Подбор масла
- Инструменты, аксессуары
- Метизы
- Прочее, Москвич
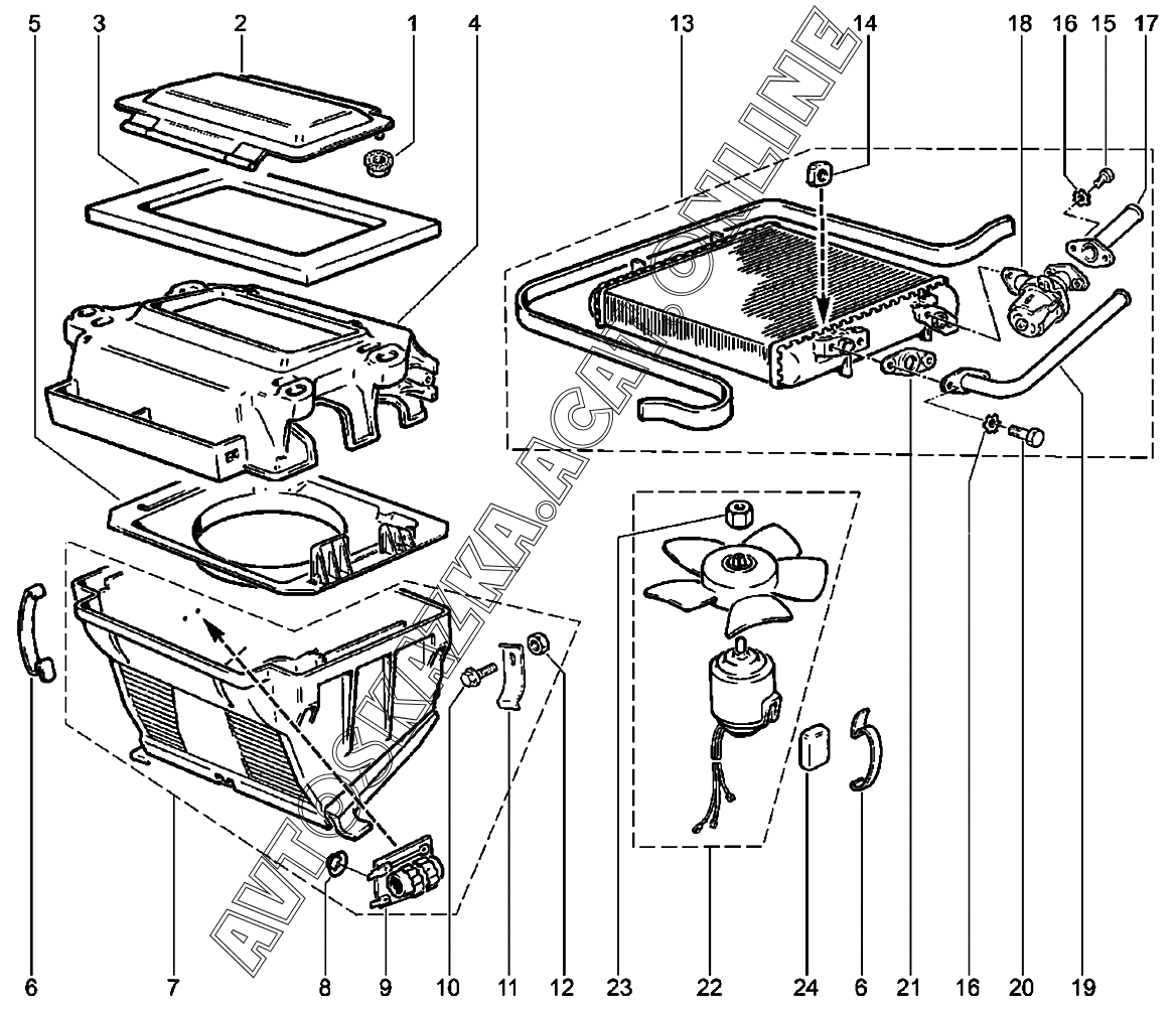
Отопитель ВАЗ 21214 (21214, Urban)
+
Увеличить изображение на 10%
-
Уменьшить изображение на 10%
Выделение детали в таблице
Прокрутка картинки
Увеличить масштаб
1
2
3
4
5
6
6
7
8
9
10
11
12
13
14
15
16
16
17
18
19
20
21
22
23
24
Подробная информация
| Автомобиль: | ВАЗ 21214 |
| Модификации: | 21214, Urban |
| Название детали: | Гайка М5 8450004501 |
| Номер детали: | 00001-0038318-01 |
| Актуальность: | 01.10.2019 |
| Количество: | |
Подробная информация
| Автомобиль: | ВАЗ 21214 |
| Модификации: | 21214, Urban |
| Название детали: | Крышка воздухопритока 8450108050 |
| Номер детали: | 21210-8101350-00 |
| Актуальность: | 01.10.2019 |
| Количество: | |
Подробная информация
| Автомобиль: | ВАЗ 21214 |
| Модификации: | 21214, Urban |
| Название детали: | Прокладка кожуха радиатора 8450053559 |
| Номер детали: | 21061-8101195-00 |
| Актуальность: | 01.10.2019 |
| Количество: | |
Подробная информация
| Автомобиль: | ВАЗ 21214 |
| Модификации: | 21214, Urban |
| Название детали: | Кожух радиатора 8450108051 |
| Номер детали: | 21010-8101020-10 |
| Актуальность: | 01.10.2019 |
| Количество: | |
Подробная информация
| Автомобиль: | ВАЗ 21214 |
| Модификации: | 21214, Urban |
| Название детали: | Кожух 8450108053 |
| Номер детали: | 21010-8101140-00 |
| Актуальность: | 01.10.2019 |
| Количество: | |
Подробная информация
| Автомобиль: | ВАЗ 21214 |
| Модификации: | 21214, Urban |
| Название детали: | Скоба крепления электродвигателя отопителя 8450052952 |
| Номер детали: | 21010-8101110-00 |
| Актуальность: | 01.10.2019 |
| Количество: | |
Подробная информация
| Автомобиль: | ВАЗ 21214 |
| Модификации: | 21214, Urban |
| Название детали: | Кожух направляющий вентилятора 8450108052 |
| Номер детали: | 21210-8101094-00 |
| Актуальность: | 01.10.2019 |
| Количество: | |
Подробная информация
| Автомобиль: | ВАЗ 21214 |
| Модификации: | 21214, Urban |
| Название детали: | Шайба пружинная 4 8450001860 |
| Номер детали: | 00001-0041950-76 |
| Актуальность: | 01.10.2019 |
| Количество: | |
Подробная информация
| Автомобиль: | ВАЗ 21214 |
| Модификации: | 21214, Urban |
| Название детали: | Резистор добавочный 8450072853 |
| Номер детали: | 21050-8101081-00 |
| Актуальность: | 01.10.2019 |
| Количество: | |
Подробная информация
| Автомобиль: | ВАЗ 21214 |
| Модификации: | 21214, Urban |
| Название детали: | Болт М6х16 с зубчатым буртиком 8450001354 |
| Номер детали: | 00001-0038364-21 |
| Актуальность: | 01.10.2019 |
| Количество: | |
Подробная информация
| Автомобиль: | ВАЗ 21214 |
| Модификации: | 21214, Urban |
| Название детали: | Пружина прижимная 8450108054 |
| Номер детали: | 21010-8101105-00 |
| Актуальность: | 01.10.2019 |
| Количество: | |
Подробная информация
| Автомобиль: | ВАЗ 21214 |
| Модификации: | 21214, Urban |
| Название детали: | Гайка М6 8450050048 |
| Номер детали: | 00001-0007259-11 |
| Актуальность: | 01.10.2019 |
| Количество: | |
Подробная информация
| Автомобиль: | ВАЗ 21214 |
| Модификации: | 21214, Urban |
| Название детали: | Радиатор отопителя 8450057518 |
| Номер детали: | 21210-8101050-10 |
| Актуальность: | 01.10.2019 |
| Количество: | |
Подробная информация
| Автомобиль: | ВАЗ 21214 |
| Модификации: | 21214, Urban |
| Название детали: | Гайка М6 квадратная 8450050204 |
| Номер детали: | 00001-0040893-01 |
| Актуальность: | 01.10.2019 |
| Количество: | |
Подробная информация
| Автомобиль: | ВАЗ 21214 |
| Модификации: | 21214, Urban |
| Название детали: | Болт М6х12 8450001555 |
| Номер детали: | 00001-0009020-21 |
| Актуальность: | 01.10.2019 |
| Количество: | |
Подробная информация
| Автомобиль: | ВАЗ 21214 |
| Модификации: | 21214, Urban |
| Название детали: | Шайба 6 8450001408 |
| Номер детали: | 00001-0006154-71 |
| Актуальность: | 01.10.2019 |
| Количество: | |
Подробная информация
| Автомобиль: | ВАЗ 21214 |
| Модификации: | 21214, Urban |
| Название детали: | Труба впускная радиатора 8450057522 |
| Номер детали: | 21210-8101328-00 |
| Актуальность: | 01.10.2019 |
| Количество: | |
Подробная информация
| Автомобиль: | ВАЗ 21214 |
| Модификации: | 21214, Urban |
| Название детали: | Кран управления отопителем 8450052953 |
| Номер детали: | 21010-8101150-00 |
| Актуальность: | 01.10.2019 |
| Количество: | |
Подробная информация
| Автомобиль: | ВАЗ 21214 |
| Модификации: | 21214, Urban |
| Название детали: | Труба выпускная радиатора 8450052958 |
| Номер детали: | 21210-8101320-00 |
| Актуальность: | 01.10.2019 |
| Количество: | |
Подробная информация
| Автомобиль: | ВАЗ 21214 |
| Модификации: | 21214, Urban |
| Название детали: | Болт М6 8450001158 |
| Номер детали: | 00001-0009022-21 |
| Актуальность: | 01.10.2019 |
| Количество: | |
Подробная информация
| Автомобиль: | ВАЗ 21214 |
| Модификации: | 21214, Urban |
| Название детали: | Прокладка уплотнительная 8450052968 |
| Номер детали: | 21010-8101332-00 |
| Актуальность: | 01.10.2019 |
| Количество: | |
Подробная информация
| Автомобиль: | ВАЗ 21214 |
| Модификации: | 21214, Urban |
| Название детали: | Электродвигатель с вентилятором 8450072746 |
| Номер детали: | 21010-8101078-02 |
| Актуальность: | 01.10.2019 |
| Количество: | |
Подробная информация
| Автомобиль: | ВАЗ 21214 |
| Модификации: | 21214, Urban |
| Название детали: | Гайка 8450108055 |
| Номер детали: | 21010-8101134-00 |
| Актуальность: | 01.10.2019 |
| Количество: | |
Подробная информация
| Автомобиль: | ВАЗ 21214 |
| Модификации: | 21214, Urban |
| Название детали: | Подушка 8450108056 |
| Номер детали: | 21010-8101133-00 |
| Актуальность: | 01.10.2019 |
| Количество: | |
№
Номер запчасти
Наименование запчасти