- Автозапчасти ВАЗ
- Автозапчасти ГАЗ
- Автозапчасти на иномарки
- Автохимия, масла
- Подбор масла
- Инструменты, аксессуары
- Метизы
- Прочее, Москвич
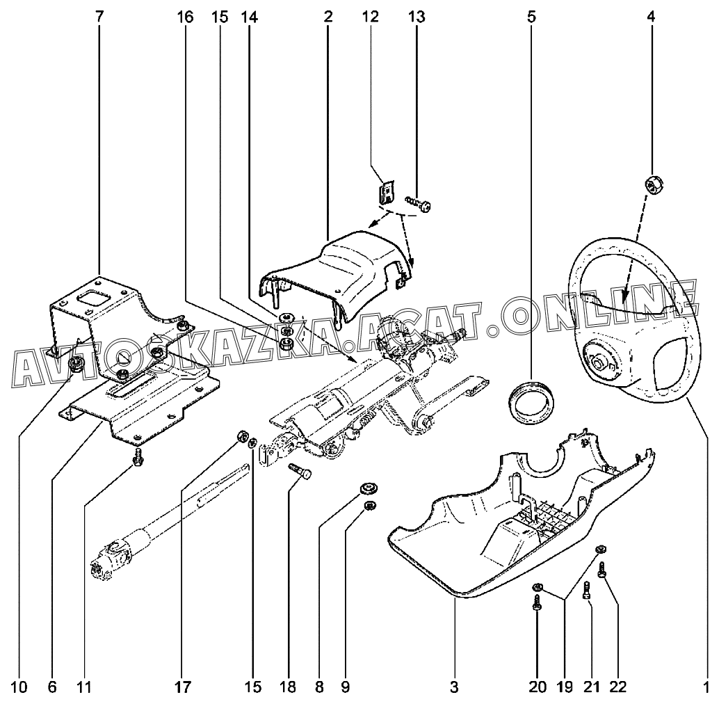
Колонка рулевая ВАЗ 2123 Niva Travel (2123 Niva Travel (Classic, Comfort, Comfort Off-road, Luxe, Luxe Off-road))
+
Увеличить изображение на 10%
-
Уменьшить изображение на 10%
Выделение детали в таблице
Прокрутка картинки
Увеличить масштаб
1
2
3
4
5
6
7
8
9
10
11
12
13
14
15
15
16
17
18
19
20
21
22
Подробная информация
| Автомобиль: | ВАЗ 2123 Niva Travel |
| Модификации: | 2123 Niva Travel (Classic, Comfort, Comfort Off-road, Luxe, Luxe Off-road) |
| Название детали: | Колесо рулевое |
| Номер детали: | 21230340201265 |
| Актуальность: | 01.07.2021 |
| Количество: | |
1 - для Niva Travel
Подробная информация
| Автомобиль: | ВАЗ 2123 Niva Travel |
| Модификации: | 2123 Niva Travel (Classic, Comfort, Comfort Off-road, Luxe, Luxe Off-road) |
| Название детали: | Кожух облицовочный вала руля верхний |
| Номер детали: | 21230340307000 |
| Актуальность: | 01.07.2021 |
| Количество: | |
1 - для Niva Travel
Подробная информация
| Автомобиль: | ВАЗ 2123 Niva Travel |
| Модификации: | 2123 Niva Travel (Classic, Comfort, Comfort Off-road, Luxe, Luxe Off-road) |
| Название детали: | Кожух облицовочный вала руля нижний |
| Номер детали: | 21230340307200 |
| Актуальность: | 01.07.2021 |
| Количество: | |
1 - для Niva Travel
Подробная информация
| Автомобиль: | ВАЗ 2123 Niva Travel |
| Модификации: | 2123 Niva Travel (Classic, Comfort, Comfort Off-road, Luxe, Luxe Off-road) |
| Название детали: | Гайка крепления рулевого колеса с нейлоновым кольцом в сборе |
| Номер детали: | 21100340213600 |
| Актуальность: | 01.07.2021 |
| Количество: | |
1 - для Niva Travel
Подробная информация
| Автомобиль: | ВАЗ 2123 Niva Travel |
| Модификации: | 2123 Niva Travel (Classic, Comfort, Comfort Off-road, Luxe, Luxe Off-road) |
| Название детали: | Кольцо уплотнительное кожуха вала руля |
| Номер детали: | 21100340320400 |
| Актуальность: | 01.07.2021 |
| Количество: | |
1 - для Niva Travel
Подробная информация
| Автомобиль: | ВАЗ 2123 Niva Travel |
| Модификации: | 2123 Niva Travel (Classic, Comfort, Comfort Off-road, Luxe, Luxe Off-road) |
| Название детали: | Кронштейн промежуточный |
| Номер детали: | 21230340318900 |
| Актуальность: | 01.07.2021 |
| Количество: | |
1 - для Niva Travel
Подробная информация
| Автомобиль: | ВАЗ 2123 Niva Travel |
| Модификации: | 2123 Niva Travel (Classic, Comfort, Comfort Off-road, Luxe, Luxe Off-road) |
| Название детали: | Кронштейн центральный |
| Номер детали: | 21230340312620 |
| Актуальность: | 01.07.2021 |
| Количество: | |
1 - для Niva Travel
Подробная информация
| Автомобиль: | ВАЗ 2123 Niva Travel |
| Модификации: | 2123 Niva Travel (Classic, Comfort, Comfort Off-road, Luxe, Luxe Off-road) |
| Название детали: | Пластина фиксирующая |
| Номер детали: | 21100340304400 |
| Актуальность: | 01.07.2021 |
| Количество: | |
2 - для Niva Travel
Подробная информация
| Автомобиль: | ВАЗ 2123 Niva Travel |
| Модификации: | 2123 Niva Travel (Classic, Comfort, Comfort Off-road, Luxe, Luxe Off-road) |
| Название детали: | Шайба 6 |
| Номер детали: | 00001000516470 |
| Актуальность: | 01.07.2021 |
| Количество: | |
2 - для Niva Travel
Подробная информация
| Автомобиль: | ВАЗ 2123 Niva Travel |
| Модификации: | 2123 Niva Travel (Classic, Comfort, Comfort Off-road, Luxe, Luxe Off-road) |
| Название детали: | Гайка М8 с зубчатым буртиком |
| Номер детали: | 00001003832201 |
| Актуальность: | 01.07.2021 |
| Количество: | |
4 - для Niva Travel
Подробная информация
| Автомобиль: | ВАЗ 2123 Niva Travel |
| Модификации: | 2123 Niva Travel (Classic, Comfort, Comfort Off-road, Luxe, Luxe Off-road) |
| Название детали: | Болт М8х20 с зубчатым буртиком |
| Номер детали: | 00001003838121 |
| Актуальность: | 01.07.2021 |
| Количество: | |
5 - для Niva Travel
Подробная информация
| Автомобиль: | ВАЗ 2123 Niva Travel |
| Модификации: | 2123 Niva Travel (Classic, Comfort, Comfort Off-road, Luxe, Luxe Off-road) |
| Название детали: | Гайка пружинная |
| Номер детали: | 21010810913700 |
| Актуальность: | 01.07.2021 |
| Количество: | |
2 - для Niva Travel
Подробная информация
| Автомобиль: | ВАЗ 2123 Niva Travel |
| Модификации: | 2123 Niva Travel (Classic, Comfort, Comfort Off-road, Luxe, Luxe Off-road) |
| Название детали: | Винт 4,3х12,7 самонарезающий |
| Номер детали: | 00001007670107 |
| Актуальность: | 01.07.2021 |
| Количество: | |
2 - для Niva Travel
Подробная информация
| Автомобиль: | ВАЗ 2123 Niva Travel |
| Модификации: | 2123 Niva Travel (Classic, Comfort, Comfort Off-road, Luxe, Luxe Off-road) |
| Название детали: | Шайба 8х20х2 |
| Номер детали: | 00001002646701 |
| Актуальность: | 01.07.2021 |
| Количество: | |
2 - для Niva Travel
Подробная информация
| Автомобиль: | ВАЗ 2123 Niva Travel |
| Модификации: | 2123 Niva Travel (Classic, Comfort, Comfort Off-road, Luxe, Luxe Off-road) |
| Название детали: | Шайба 8 |
| Номер детали: | 00001000516670 |
| Актуальность: | 01.07.2021 |
| Количество: | |
3 - для Niva Travel
Подробная информация
| Автомобиль: | ВАЗ 2123 Niva Travel |
| Модификации: | 2123 Niva Travel (Classic, Comfort, Comfort Off-road, Luxe, Luxe Off-road) |
| Название детали: | Гайка М8 |
| Номер детали: | 00001006100811 |
| Актуальность: | 01.07.2021 |
| Количество: | |
2 - для Niva Travel
Подробная информация
| Автомобиль: | ВАЗ 2123 Niva Travel |
| Модификации: | 2123 Niva Travel (Classic, Comfort, Comfort Off-road, Luxe, Luxe Off-road) |
| Название детали: | Гайка М8 табл.10112 |
| Номер детали: | 00001006100821 |
| Актуальность: | 01.07.2021 |
| Количество: | |
1 - для Niva Travel
Подробная информация
| Автомобиль: | ВАЗ 2123 Niva Travel |
| Модификации: | 2123 Niva Travel (Classic, Comfort, Comfort Off-road, Luxe, Luxe Off-road) |
| Название детали: | Болт крепления накидной вилки |
| Номер детали: | 21230340113800 |
| Актуальность: | 01.07.2021 |
| Количество: | |
1 - для Niva Travel
Подробная информация
| Автомобиль: | ВАЗ 2123 Niva Travel |
| Модификации: | 2123 Niva Travel (Classic, Comfort, Comfort Off-road, Luxe, Luxe Off-road) |
| Название детали: | Шайба 5 |
| Номер детали: | 00001000519301 |
| Актуальность: | 01.07.2021 |
| Количество: | |
3 - для Niva Travel
Подробная информация
| Автомобиль: | ВАЗ 2123 Niva Travel |
| Модификации: | 2123 Niva Travel (Classic, Comfort, Comfort Off-road, Luxe, Luxe Off-road) |
| Название детали: | Винт самонарезающий крепления панели приборов |
| Номер детали: | 21140532538800 |
| Актуальность: | 01.07.2021 |
| Количество: | |
2 - для Niva Travel
Подробная информация
| Автомобиль: | ВАЗ 2123 Niva Travel |
| Модификации: | 2123 Niva Travel (Classic, Comfort, Comfort Off-road, Luxe, Luxe Off-road) |
| Название детали: | Винт 4,9х9,5 самонарезающий |
| Номер детали: | 00001007671001 |
| Актуальность: | 01.07.2021 |
| Количество: | |
1 - для Niva Travel
Подробная информация
| Автомобиль: | ВАЗ 2123 Niva Travel |
| Модификации: | 2123 Niva Travel (Classic, Comfort, Comfort Off-road, Luxe, Luxe Off-road) |
| Название детали: | Винт 4,9х9,5 самонарезающий |
| Номер детали: | 00001003311201 |
| Актуальность: | 01.07.2021 |
| Количество: | |
2 - для Niva Travel
№
Номер запчасти
Наименование запчасти